10吨起重机起升机构电气控制系统设计毕业论文
2020-02-18 11:42:36
摘 要
自上世纪八十年代以来,我国经济贸易不断发展,到如今我国已经成为世界上港口货物吞吐量最大的国家。这背后是得益于港口起重机械技术的不断进步,特别是门座起重机不断发展。改革开放以来,沿海城市的港口产业突飞猛进,门座起重机作为国外先进设备技术被引进,并广泛应用于港口码头的货物运输,造船施工等大型工程项目。然而,查阅资料发现传统门座起重机的电气控制系统主要采用接触器与继电器相关联的控制方式。随着工作负荷日益增大和使用时间不断延长,传统门机的电气系统的故障率有急剧陡增的趋势。
由于传统港口运输设备的机械结构仍能满足港口货物搬运、装卸、运输作业的基本要求,针对故障频发的电气系统已经处于相对落后的情况,本论文提出了将可编程逻辑控制技术和变频调速控制技术相结合的方式改良门座起重机的电气控制系统的基本方案。本文的主要工作如下:
首先,查阅资料研究并分析了起升机构的基本组成结构以及其工作原理,并分析实际工作状况。针对实际工况分析,确定电气系统的设计方案和设备选型。其次,提出变频调速系统的基本方案,深入研究分析变频调速的基本原理,确定变频器选型以及参数设定,进而论证变频技术应用于起重机调速系统的可行性。再次,明确可编程逻辑控制系统各模块的选用型号,根据输入输出的归纳点,利用相关软件设计出一套符合实际工况、安全稳定的PLC变频控制系统。
关键词:门座起重机;可编程逻辑控制器;变频调速
Abstract
Since the 1980s, China's economy and trade have been developing continuously, and now China ranks first in total cargo throughput at harbours. This is due to the continuous progress of port crane technology, especially the continuous development of gantry crane. Since the reform and opening up, the port industry in coastal cities has made rapid progress. Gantry crane, as an advanced foreign equipment technology, has been introduced and widely used in large-scale engineering projects such as cargo transportation and shipbuilding construction. The traditional gantry crane mainly adopted the rotor string resistance speed regulation. With the increasing workload, the failure rate of the electrical system of the traditional portal crane is increasing sharply.
According to the research, the mechanical structure of traditional port transport equipment can still meet the basic requirements of transportation operations. In view of the fact that the electrical system with frequent errors is relatively backward, this paper proposes a basic scheme of improving the electrical control system of portal crane by combining programmable logic control technology with frequency conversion speed control technology. The main contents of this paper are as follows:
Firstly, the basic structure and working principle of the hoisting mechanism are studied and analyzed by consulting the data. According to the analysis of actual working conditions, the design scheme of electrical system and the selection of equipments are determined. Secondly, the basic scheme of frequency conversion speed regulation system is put forward, the basic principle of frequency conversion speed regulation is deeply studied and analyzed and then the selection of frequency converter and parameter setting are determined. Thirdly, the selection of each module in the PLC system are determined. According to the induction points of input and output, a set of PLC frequency conversion control system is designed by using relevant software.
Key Words: Portal crane; programmable logic controller; frequency control
目录
第1章 绪论 1
1.1. 研究的目的与意义 1
1.2. 国内外研究现状 2
1.2.1. 国外研究发展现状 2
1.2.2. 国内研究发展现状 3
1.3. 本文研究内容及章节安排 3
第2章 门座起重机起升机构 5
2.1. 门座起重机概述 5
2.1.1. 门座起重机起升机构组成及工作原理 5
2.1.2. 门机起升机构电气控制系统存在的缺陷分析 6
2.2. 门座起重机使用设计标准 8
2.3. 起升机构改造方案及设备选型 8
2.3.1. 起升机构电机选型 9
2.3.2. 起升机构制动器选型 11
2.4. 门座起重机供电及照明辅助电路设计 11
第3章 起升机构变频调速系统 13
3.1. 交流调速原理 13
3.2. 变频调速系统设备选型 16
3.2.1. 变频器选型 16
3.2.2. 变频器相关附件选型 17
3.3. 起升变频器主要参数设置 19
第4章 起升机构控制系统设计 22
4.1. PLC控制系统控制要素 22
4.1.1. 起升机构基本功能 22
4.1.2. 起升机构辅助保护装置 22
4.1.3. 起升机构PLC输入输出信号配置 22
4.2. 控制系统器件选型 25
4.3. 起升机构PLC程序设计 26
4.3.1. 起升机构总体程序框图 26
4.3.2. 机构起升机构条件程序设计 28
4.3.3. 起升机构保护程序设计 28
4.3.4. 起升机构工况选择程序设计 29
4.3.5. 起升机构正反转控制及开闭斗程序设计 30
4.3.6. 起升机构速度选择程序设计 31
4.3.7. 起升机构制动程序设计 31
第5章 结论与期望 32
参考文献 33
致谢 35
附录A 供电及辅助电路设计图 36
附录B PLC接线图 40
- 绪论
- 研究的目的与意义
门座起重机,简称门机是一种重要又具有一定代表性的旋转类型的有轨运行式的起重机,其广泛应用于港口码头、船舶生产中货物和材料的机械化运输、装载和堆码等高劳动强度的繁重作业[1]。门座起重机不仅解决了人力无法胜任的装卸作业的问题,而且还能能保证货物装卸准确度,缩短装卸货物作业时长,降低港口运行成本,是实现港口高速化、自动化、智能化、安全化[2]生产中不可或缺的机械设备。其四大工作机构包含:起升机构、变幅机构、旋转机构和行走机构。
作为港口不可或缺大型机械设备之一,门座起重机是维持港口安全可靠运作的重要保证。为满足港口货物流动量不断攀升的需求,门座起重机正朝着运输能力越来越强、运输准确性要求越来越高,运输速度越来越快的方向发展。因此,在保证安全可靠生产的前提下,如何提高门座起重机速率和效率是相关研究人员面对的一个重要难题。然而,据统计,部分大型老港口的门座起重机购置于二十世纪九十年代,其实际生产效率显然是跟不上日益增长的货物吞吐量需求。因此,由于工作量日益繁重,近年来港口故障率有逐年攀升的迹象,尤其表现在电气故障方面。结合实际门机型号具体分析,归纳出传统门机电气控制系统存在下列主要不足:
(1)电能消耗大,由于传统的转子串电阻调速方式,在实际的起重过程中大部分电能会消耗在串联电阻上,使得能量损耗过大,增加作业成本[2];
(2)转子串电阻调速因速度控制精度差导致设备各机构运行不够平稳,对电气设备、机械机构冲击较大,存在较大的安全隐患[3];
(3)四大机构电机启动,制动是利用继电器和接触器相关联的控制方式频繁动作来实现。因此高频率地开关接触器等元件会缩短其使用年限,使得后期维护费用升高。此外,还可能导致电弧烧蚀触电和接触器触电粘连等故障频繁发生,使得设备故障率提高且增加维修成本[4];
(4)旧门吊的调速方式大多是转子串电阻,该方式存在明显不足就是启动转矩不足,存在发生意外的风险。此外,各机构电气运行机械特性较软[5];
(5)尤其是起升机构通过给定的减速点时,由于起重机所吊货物的负载不同,而得到不同的减速度,货物装卸位置得不到有效保障,不能实现稳定地完成起升作业,系统的安全可靠性的不到保障;[6]
(6)旧门吊大多的电动机类型大多是的交流绕线式,其内部存滑环易发生接触不稳定的问题,存在较大故障风险。[7]
鉴于上述问题,旧门座起重机安全、可靠、高效、稳定生产得不到有效的保障。因此对电气控制系统的改造显得尤为紧迫。如何研发设计更加稳定、可靠的门座起重机电气控制系统成为港口起重机械方面的重要课题。
为解决上述问题,本文采用PLC(英文全称:Programmable Logic Controller)控制技术和变频调速技术相结合的方式改良门座起重机的电气控制系统的基本方案。PLC控制技术自上世纪七十年代诞生以来,经过不断发展、推广和应用,在现代工业的地位越来越重要。可编程逻辑控制器可以配合其他电器元件使用可以在大部分工业场所收集实时工况情况,PLC本身可以通过通讯手段与多台同级PLC控制器共同控制其他设备,还可以通过工业计算网络、以太网等通讯手段与上位机形成完整的大型自动化控制系统网络。同时,查阅资料,发现变频器调速应用于本文的设计中有很多优点,如调速范围广,效率高,动态响应性能好等,故本文拟采用变频调速方式控制起升电机。
- 国内外研究现状
- 国外研究发展现状
- 国内外研究现状
国外厂家在港口起重机械技术处于领先的地位,其领先厂家代表有特雷克斯、切雷蒂-汤法尼施特尔、利勃海尔等[8]。国外厂商,尤其是欧美的门座起重机产品不仅起重量大型化方面处于领先地位,而且结构设计新颖、安全可靠性高。此外,这些厂家在型号标准化、系列化方面也走在前列,系列化的型号能迎合起重机械的市场需求。因此,欧美厂家在国内外市场都具有很高的市场占有率。
相比之下,日本机械设备厂商,如凯道、加藤机械等厂商的门座式起重机产品与欧美国家的产品相比,在性能上还存在较大的差距,但日本生产港口起重设备可靠性高,仍有我们值得学习的方面。与国内门机制造厂商相比,日本厂家生产线中参与制造的工作人员技术水平高,加工设备工艺成熟,故其产品优于国内厂商产品。此外,由于出厂检测流程严格,故其产品使用年限和故障率都非常可观。除此之外,国外起重厂商投入力度大,研发团队协作能力强,且新产品从开始设计、测试、制造、调试等各个流程都有相应的团队去执行,这也使得其产品功能也更加完善出色。
除了在门座起重机型号设计方面处于领先地位之外,国外厂家对门座起重机实际工况优化也处于领先地位。相关厂家及高校研究人员对门座起重机工况优化的深入研究,是国外门座起重机在实际生产中效率较高的一个关键因素。例如,在运行稳定性上,为降低货物在起升过程中发生摇摆幅度,利用内部比例积分(PI)环和外部反馈线性化(PFL)相结合的双环控制方式控制门座式起重机[9],[10];在起重机仿真建模上,国外学者利用有限元法、有限差分法等方法设计出起重机模型更加贴合实际机型,更有利于起重机的优化[11]。
- 国内研究发展现状
国内起重机技术发展起步较晚,国内厂商只能从工业发达国家引进一些相对落后甚至已经淘汰的起重机产品,并从中不断摸索、总结设计方法和思路。改革开放以后,国家对沿海港口发展投入越来越大,港口起重机的研究投入也不断增大,越来越多高校厂商参与共同研发起重设备,这也使得我国起重机逐步走向自主设计、自主开发的道路,并不断缩小与国外起重技术的差距。国内优秀的起重机厂商主要集中在河南长垣县。长垣县的起重机械产业起步于1970年,经过不断发展,目前整机生产厂家将近上百家,从业人员超过七万人,形成了相对完善的产业链条[12]。尤其是在中小型起重机方面具有很强的竞争力,其国内市场份额高达50%,但在大型起重机领域稍显不足,在研发水平上仍待提高。如今,我国门座起重机想取得突破性发展面临着两个关键问题:其一,大多数中小型企业在设计研发、员工培训等方面资金严重不足,导致研发能力不足和核心技术缺失,只能照搬照抄他人设计理念。其二,研发周期短,出厂检测完善,一些不成熟的技术成果过早投入市场,导致起重机故障率高,进而导致市场反响差且市场份额惨淡。
近年来,我国高校特别是武汉理工大学、上海交通大学、大连理工大学和浙江大学在门座起重机的型号设计和工况优化方面也做了大量研究。武汉理工大学在港口起重机的金属结构设计和改良方面做了深入研究,特别四连杆门座起重机的设计和优化方面提出了创新性的方案[13];此外,还设计了多套起重安全监控系统[14]。上海交通大学主要是对单臂架门座起重机优化和变幅机构的设计优化;还创新性地提出基于混合神经网络变幅机构方法[15],可直接由输入参数得到设计初始参数,以对起重机进行仿真优化。大连理工大学的研究主要是对提高门座起重机安全可靠性[16],[17]。浙江大学开发了一套基于Nx-Nastran的门机组合臂架系统参数化建模与分析平台[18]。此外,还对如何降低门座起重机的制造成本和运行成本进行了深入研究。
- 本文研究内容及章节安排
本文对门座起重机电气控制系统现状做分析,并根据其不足之处做针对的改进设计,使门座起重机更加符合如今港口作业的需求,使港口门座起重机更加安全、稳定的运行。
本文主要研究内容如下:
第一章:介绍选题目的和意义,并查阅文献归纳总结门座起重机国内外研究发展现状。
第二章:研究门座起重机起升机构的工作原理、技术参数、组成结构,进而提出设计总体方案设计。
第三章:研究和比较应用于起升机构的调速方式。确立具体调速方案并完成设备选型。
第四章:分析门座起重机控制系统的控制要素,归纳出PLC输入输出归纳点,进而确定PLC模块选型。最后设计出一套稳定可靠的PLC程序。
第五章:总结上述内容,反思论文不足之处并展望进一步研究方向。
- 门座起重机起升机构
- 门座起重机概述
门座起重机是一种可旋转的有轨运行式起重设备,其因底部结构为门型而得名。具有操作频繁、周期性循环、负载变化剧烈、运行振动大等工作特点。随着港口码头专业化程度越来越高,门座起重机因其工作性能好和通用性高,被广泛装配应用于高劳动力需求的货物装卸场所。除港口码头以外,门座起重机还被应用于大型船舶生产和水电站的建坝工程中。
门座起重机从其组成结构上可分为两部分,即回转部分和运行部分。回转部分可以实现360°的任意旋转,它包括臂架系统、转盘、机器房、司机室等,同时其工作机构有起升机构、变幅机构、旋转机构。通过上述三种机构的运行可以实现货物在一个环形圆柱体内的上升、下降、悬停、水平位移。运行部分主要有门架和行走机构组成。起重机底部装有行可移动装置,如车轮或运行车,行走机构使起重机可以沿着地面轨道运行,加大门机作业范围。由于门机轮压较大,故港口地基必须要足够坚固。此外,运行部分还应该加入夹轨器防止门机滑动。因门机的工作环境具有突变型和不可预测性,除了实现其主要功能的电气设备和机械机构外,门座起重金还应安装各种保护装置以应对各种恶劣工况。
门座起重机的供电方式主要分为两种:(1)380V低压供电,采用地沟滑线方式,在行走轨道外侧或内侧铺设供电线路,并装有覆盖板保护线路。(2)10kV高压供电,采用高压线缆卷筒方式,利用卷筒控制线缆的收放以达到供电目的,线缆必须采用特殊防护。
- 门座起重机起升机构组成及工作原理
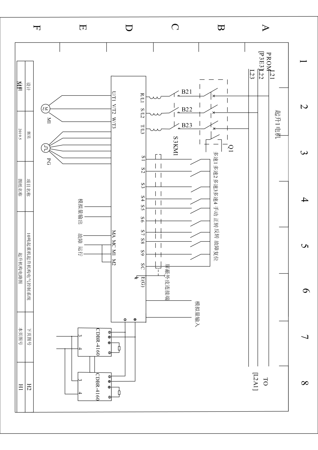
起升机构是任何起重机中不可或缺的工作机构。同时,起升机构也是实际工况最多变恶劣且故障率最高的工作机构,故合理的设计方案可以直接提高起重机的工作表现。起升机构主要由驱动装置、传动装置、卷绕装置、取物装置、制动装置[18]。此外,还应该装配各种保护辅助装置,如起升极限限位器,负荷限位器,高温限位器等。
起身机构主要由交流电动机驱动。传动装置由联轴器、减速器等组成,起作用是将高速轴上的电机原动力转换为低速轴上的低速大转矩动力使卷筒转动的装置。卷绕系统包括卷筒、钢丝绳、滑轮组等,通过卷筒绳索的收放实现货物的竖直方向的移动,通常在绳索上设有各种辅助保护装置,如负荷限位等。为了应付港口工况的复杂性,起升机构取物装置也具有多样性,如吊钩,抓斗,集装箱吊具等。制动装置是制动器,考虑到作业的安全性,制动器必须是常闭式制动器,其功能是实现起升正常悬停和事故紧急停车。 如下图2.1所示,驱动装置通过联轴器和减速器高速轴相连,减速器低速轴上连接卷绕系统的卷筒,卷筒上的绳索收放通过滑轮组实现取物装置的起升下降,常闭式制动装置安装在减速器高速轴一侧。
以上是毕业论文大纲或资料介绍,该课题完整毕业论文、开题报告、任务书、程序设计、图纸设计等资料请添加微信获取,微信号:bysjorg。
相关图片展示:







您可能感兴趣的文章
- 一种确定磁探针集总电路参数的标定方法外文翻译资料
- 一种人体可接触的大气压低温等离子体射流装置研究(适合电气B方向)毕业论文
- 氩氧中大气压DBD放电特性研究(适合电气B方向)毕业论文
- 大气压氩等离子体射流放电影响因素的仿真研究(适合浦电气B方向)毕业论文
- 含氧高活性均匀DBD改性聚合物薄膜研究(适合浦电气B方向)毕业论文
- 反应器结构对气液两相DBD放电特性的比较(适合浦电气B方向)毕业论文
- 南京某公司研发楼电气设计毕业论文
- 金帆北苑地块经济适用住房——02栋商住楼电气设计(适用于浦电气1004~06A方向学生)毕业论文
- 扬州人武部大楼电气设计毕业论文
- 金帆北苑地块经济适用住房——04栋商住楼电气设计(适用于浦电气1004~06A方向学生)毕业论文


