全钒液流电池建模毕业论文
2020-02-18 11:42:31
摘 要
随着经济的日益发展,人们对于能源的需求也越来越大,传统性质的能源已经不能够满足人们的需求,因此,国家对新能源的研究鼎力支持。目前,以风能和太阳能为代表的新能源研究已经取得了不错的成果,全钒液流电池[1]是目前新型的蓄电储能设备,在对于新能源的储存上独特的技术,与此同时,它还能起到保护电网的安全运行的作用。因此,对于全钒液流电池的深入研究也显得尤为重要。要想深入了解全钒液流电池的输出外特性,更加全面的把握电池的性能,对全钒液流电池建立准确的数学模型是一种常用的方法。
本课题通过了解到国内外全钒液流电池数学模型的研究现状,对比常见的各种电池数学模型,提出了一种一阶等效电路模型,该模型把电池的内部参数用常用的电气模块如:电压,电阻等表示出来,通过等效电路图来模拟电池。为了准确获取该模型中各种参数的数据,选择运用最小二乘法对该模型进行参数辨识工作。然后基于MATLAB软件对其进行仿真实验。通过仿真得到的结果与实验结果作比较分析,发现两者差别不大,因此验证了本课题采用的模型的准确有效性。
关键词:全钒液流电池 一阶等效电路模型 参数辨识
ABSTRACT
With the increasing development of economy, people's demand for energy is also increasing. Traditional energy can no longer meet people's demand. Therefore, the state supports the research of new energy. At present, research on new energy represented by wind energy and solar energy has achieved good results. All-vanadium redox flow battery [1] is a new type of electricity storage and energy storage equipment, which is unique in the storage of new energy. At the same time, it can also play a role in protecting the safe operation of the power grid. Therefore, in-depth research on all vanadium redox flow battery is also particularly important. It is a common method to establish an accurate mathematical model for all-vanadium redox flow battery in order to deeply understand the output external characteristics of all-vanadium redox flow battery and more comprehensively grasp the battery performance.
Through understanding the research status of mathematical models of all-vanadium redox flow battery at home and abroad and comparing with common mathematical models of various batteries, this subject proposes a first-order equivalent circuit model, which expresses the internal parameters of the battery with commonly used electrical modules such as voltage and resistance, and simulates the battery through equivalent circuit diagrams. In order to accurately obtain the data of various parameters in the model, the least square method is selected to identify the parameters of the model. Then the simulation experiment is carried out based on MATLAB software. By comparing and analyzing the simulation results with the experimental results, it is found that there is little difference between the two, thus verifying the accuracy and effectiveness of the model adopted in this subject.
Key words:all vanadium redox flow battery First order equivalent circuit model parameter identification
目 录
摘 要 I
ABSTRACT II
第1章 绪论 1
1.1课题研究背景及意义 1
1.1.1课题研究背景 1
1.1.2 课题研究意义 1
1.2 国内外研究现状 2
1.3研究内容及论文结构 12
第2章 全钒液流电池模型 13
2.1常见的电池模型 13
2.2 一阶等效电路模型 15
第3章 模型参数辨识 17
3.1常见的参数辨识法 17
3.2一阶等效电路模型参数辨识 18
第4章 仿真与实验 20
4.1结论分析 20
4.2实验验证 25
第5章 结论与展望 27
5.1结论 27
5.2展望 27
参考文献 28
致谢 30
第1章 绪论
1.1课题研究背景及意义
1.1.1课题研究背景
目前,人类的生存发展离不开能源,对于能源的运用已经融入到了人们的日常生活当中。能源的消耗也越来越大。诸如石油,天然气这些传统的能源已经不能满足国家的需求量,新能源的开发已是必然。伴随着这个契机,风能,太阳能等新型能源得到了最好的开发研究机会,然而,风能,太阳能等新型能源面临着不连续,不可控,不稳定等等缺陷。面对这些问题,大规模储能技术[2]可以有效解决,因此,全钒液流电池作为大规模储能技术中具有良好储能性,安全稳定性,寿命长等优势的储能手段,成为了目前市场上最具有发展潜力的储能技术之一。因而,现如今对于全钒液流电池的研究也随之与日俱增。
全钒液流电池的工作原理:
钒液流电池利用钒的多种价态的化学性质,将反应物注入到电解液中,使得钒离子参与氧化还原反应,从而释放出化学能。正四价和正五价的钒离子位于电池的正极,正二极和正三极的钒离子位于电池的负极。钒电池在工作时,将电解液从储能罐中注入到电解液,在电解液内完成化学反应。为了避免电池两极的钒离子直接接触,用一个离子膜将两电极阻隔。当充放电阶段需要两电极接触时,电解液内部的阳离子氢离子就会因定向流动而通电。
电池发生的化学反应如下:
正极:
(1.1)
负极:
(1.2)
电池反应:
(1.3)
(1.4)
1.1.2 课题研究意义
全钒液流电池因为其独特的储能方式[3]和实用性强等等优点逐渐被人们熟知。早在上世纪七十年代,人们就开始对其进行研究。直至1986年,世界上第一个全钒液流电池才被制作出来。从此以后,人们对于全钒液流电池的研究如雨后春笋般涌现出来。随后,对于全钒液流电池的研究方向经历了一次变革:从针对电池的电极材料,电解液等的实验研究转移到利用模拟和仿真技术研究电池的外特性,大大节约了成本。利用模拟和仿真技术对VRB进行研究,观察电池充放电阶段电池内部各个参数的变化情况,有助于研究如何改善电池的性能。这对于全钒液流电池的技术提升方面,有着非常重大的作用与意义。
1.2 国内外研究现状
近十年,关于全钒液流电池的模型搭建研究层出不穷,旨在对液流电池的输出特性有全面深刻的了解,对于电池的优化有着很大的意义。发展到现在,有着三大类建模方法:电化学模型,等效电路模型以及混合电路模型。
电化学模型作为最先研究的一种全钒液流电池模型,最开始的时候将研究目光聚焦与电池的整体性能上面。SKYLLAS-KAZACOS[4]通过外加不同的电流并且保持SOC[5](State of Charge,电池荷电状态,也叫剩余电量,是电池剩余可放电电量与其完全充电状态的电量的比值)在50%以上的条件下,对电池进行充电,放电实验,观察输出电压的变化情况,从而得到了电池输出电压与外加电流呈现线性相关的关系。
它对于液流电池模型的搭建都是通过研究电池输出电压和堆栈电压与外加电流的关系,构建出简单的函数关系方程式,从而建立数学模型,这样的模型结构简单,功能单一,但是它对于电池的自身化学特性几乎没有参考,因而缺乏严谨性,还算是早期不成熟的模型搭建。
随后,一种电化学数学模型应运而生,在早期电化学模型的基础上,加入了对于电池内部各种参数的研究,通过计算电池内部各个离子浓度随反应时间变化的关系建立起简单的数学模型。与之前的化学模型所不同的是,它把电池内部的能量问题首次考虑其中,对于电池的性能有一个更加完善的描述。
电池在工作阶段,经常出现容量损失,而且其形成原因与正负极电解液电容量的不均匀现象有着重大的关系。陈金庆[6]考虑到这点,并加上正负极电解液中不同钒离子透膜扩散行为与容量损失之间的关系,建立出理想的参数方程,从而建立了一种电池开路电压数学模型。
该模型能够实现对电池的开路电压的变化情况进行模拟,在另一方面,该模型对于电池的荷电状态的估计太过理想化,并且忽略了外加电势对于电池反应的影响,对于电池的研究还不够深入。
袁越[7]等人参考了电池电容量损耗的形成原因,基于已有的开路电压模型,同时考虑实际的电池工作特性:当电池进行充放电时,其内部电解液离子浓度会时时发生变化建立了一种新的电化学数学模型:
充电:
放电:
上面五个式子中:
和
表示离子浓度的总和;电池堆栈电流为
;
表示外部损耗总电流;
为电池端电流;
为内部损耗总电压;
为端电压;
为系统总能量;K为常数;
为单体电池的平均电压;
为储液罐体积;
为阿伏伽德罗常数;e为单个电子带电量;
为
和
离子浓度之和;
为
的摩尔浓度;n为参与反应的电子数;
为时间差;
,
分别为SOC在t时刻与
时刻的电池荷电状态。
基于钒电池内部所发生的化学反应,同时考虑到电池的荷电容量和各离子浓度,从而构建了该数学模型。经过参数辨识,它能够对实际工作当中电池内部的参数有一个比较准确的计算。
田野,彭海泉[8]等对已有的二维模型进行改进,建立了更为全面的三维模型。三维模型将流场、浓度场以及温度场都囊括其中。分别基于电池流场,离子浓度变化以及温度建立了模型进行模拟实验。是一种较为全面的模型。
相较于电化学模型来说,近年来引用的比较广泛的就是等效电路模型。
作为全钒液流电池等效电路模型当中结构最为简单的一种:内阻模型,利用电池的荷电状态,从电池工作时剩余能量方面入手,解决电池端电压的计算问题。该方法与电化学模型中从电化学角度方面计算电池端电压的方法相比较,数学模型的搭建思路更加清晰参数涉及量少,计算简单所以更适用于电气领域的仿真模拟。
P Karpinski是最早提出内阻模型构想的。运用开路电压和电池内阻相串联的方式来模拟全钒电池的稳态特性,模型结构简单。由于电池内部的电阻组成部分十分复杂,而该模型仅仅考虑到欧姆电阻的作用而忽视其他,因此并不能准确的反映出电池的动态实时性能。内阻模型如图1.1所示:

图1.1 内阻模型
姚勇[9]通过电池端电压与电池中剩余能量间函数关系来确定电池端电压:
参考已有的开路电压模型知道,电池的开路电压受到;两种电势共同作用:电池总电势和
电极电势,不仅如此,开路电压的大小还与电池工作过程中,钒离子的转移作用有关。当电池处于理想状态时,荷电状态达到100%,忽略接界电势的影响,电池开路电压可表示为:
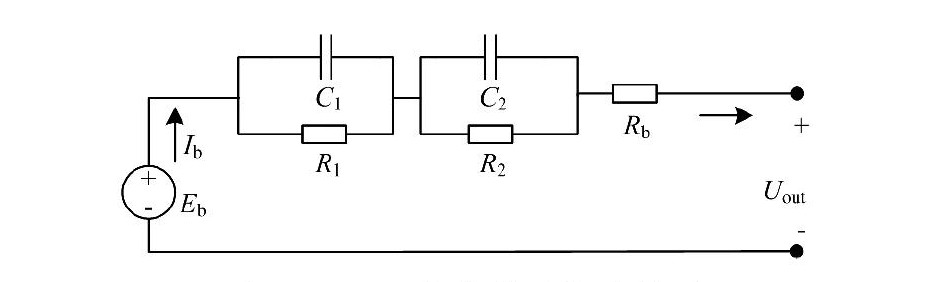
基于以上方面,建立了戴维南等效电路模型,如图1.2:

图1.2 戴维南等效模型
该模型对于电池输出功率,电能储存能力以及暂态反应速度有着不错的反映。但是,在精确追求暂态响应速度上面,有着比较明显的不足,与此同时,该模型也没有考虑电池内部发生的化学反应。
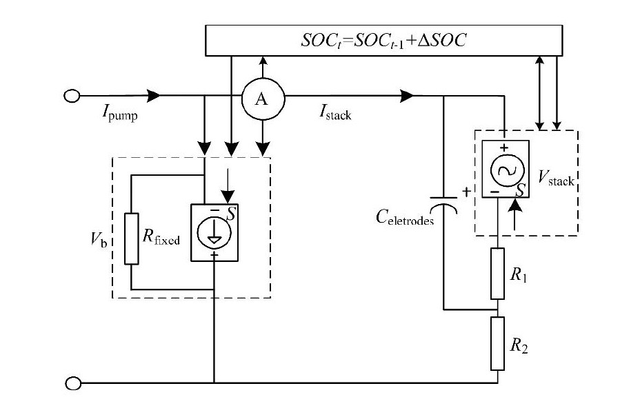
王亚光[10]利用大容量钒电池的实验数据,通过参数辨识得到了一组关于电动势和荷电状态的方程解析式。并且具有很高的准确性。基于该方程解析式,通过电气模块的表达搭建了全钒液流电池系统的数学模型,即改进后的等效电路模型,如图1.3:

图1.3 RC电路模型
由于该模型忽略了寄生电阻对于电池充放电过程的不可忽视作用,因此,它不能准确有效的反映出电池的自放电特性。
通过简化已有的交流阻抗模型电路,另一种交流阻抗模型也出现在人们的视野中,如图1.4所示:

图1.4 VRB交流阻抗等效电路
从结构上来看,简化后的等效阻抗模型设计电路简单。其中
为等效内阻(包括了电堆,电解液,离子膜等引起的电阻总和),
为电荷转移阻抗,用以模拟电池在充放电过程中,电池内部的钒离子穿过离子膜和电极的过程,
为恒相位元素,它用来描述由于电池内部电解液浓度不均匀所引起的内阻。但是该模型并不能够实时的反映电池的输出外特性,当电池经过长时间的放电,电池端电压低于临界值时,该模型就失去了仿真精确度。
罗冬梅[11]考虑到电池化学反应过程中会出现的弛豫现象[12],以及低频区出现的扩散阻抗,基于已有的阻抗等效模型,组成的交流阻抗等效电路模型如图1.5所示:
以上是毕业论文大纲或资料介绍,该课题完整毕业论文、开题报告、任务书、程序设计、图纸设计等资料请添加微信获取,微信号:bysjorg。
相关图片展示:







您可能感兴趣的文章
- 一种确定磁探针集总电路参数的标定方法外文翻译资料
- 一种人体可接触的大气压低温等离子体射流装置研究(适合电气B方向)毕业论文
- 氩氧中大气压DBD放电特性研究(适合电气B方向)毕业论文
- 大气压氩等离子体射流放电影响因素的仿真研究(适合浦电气B方向)毕业论文
- 含氧高活性均匀DBD改性聚合物薄膜研究(适合浦电气B方向)毕业论文
- 反应器结构对气液两相DBD放电特性的比较(适合浦电气B方向)毕业论文
- 南京某公司研发楼电气设计毕业论文
- 金帆北苑地块经济适用住房——02栋商住楼电气设计(适用于浦电气1004~06A方向学生)毕业论文
- 扬州人武部大楼电气设计毕业论文
- 金帆北苑地块经济适用住房——04栋商住楼电气设计(适用于浦电气1004~06A方向学生)毕业论文


