电动汽车双向无线充电系统仿真与设计研究毕业论文
2020-02-18 11:07:31
摘 要
随着社会经济的不断发展,城市化水平的不断提高,生活环境的日益恶劣,社会资源的不断浪费,人们越来越渴望绿色环保、便捷舒适的生活,因此电动汽车在交通领域愈加普及。传统的有线充电是利用导线连接电网和电动汽车的电池进行电能的传输,但是由于其不便利性以及安全性能问题,无线充电得到了更多研究人员的注意。本课题针对当前无线能量传输技术领域的重要分支研究热点之一的双向无线充电传输技术,设计了一套能够稳定双向输出的双向无线充电系统。
本文在深入研究了各中谐振拓扑、整流电路、逆变器的参数比较,详细分析了系统最大传输功率以及传输效率,设计了系统的总体构架,详细设计了系统的主体电路,主要包括整流电路模块、双向LCC谐振补偿网络、逆变器模块以及带有闭环控制的DC-DC变换器。本文主要针对输电的双向功能,在基于PLECS软件的仿真研究,设计了正向输电电路和反向输电电路,最后进行了系统的调试,对其进行开环控制与闭环控制的对比,并对其结果进行了分析,结果表明,系统达到预期设计目标,实现了预期的传输电压和功率要求。
关键词:有线充电;双向无线充电;谐振补偿;闭环控制
Abstract
With the continuous development of social economy, the continuous improvement of the level of urbanization, the increasingly harsh living environment, the continuous waste of social resources, people are more and more eager to green environmental protection, convenient and comfortable life, so electric cars in the field of transportation more and more popular.Traditional wired charging is to use a wire to connect the power grid to the battery of an electric car for power transmission, but due to its inconvenient and safety performance problems, wireless charging has attracted more researchers' attention.In this paper, a bidirectional wireless charging system with stable bidirectional output is designed for the bidirectional wireless charging transmission technology, which is one of the important branches in the field of wireless energy transmission technology.
Was studied in this paper the resonant topology, the parameters of the rectifier circuit, inverter, analyzes the system maximum transmitted power and transmission efficiency, the overall structure of the system design, detailed design of the main circuit of the system, mainly including rectifier circuit module, two-way LCC resonant compensating network with closed loop control, inverter modules and DC - DC converter.In this paper, in view of the transmission of the two-way function, based on the PLECS software simulation, design of the forward and reverse transmission circuit of power circuit, finally has carried on the system debugging, for its open loop control with closed loop control, and the results are analyzed, and the results show that the system meet the expected targets design, achieve the desired transmission voltage and power requirements
Key words: Cable charging;Two-way wireless charging;Harmonic compensation;Closed-loop control
目录
第1章 绪论 1
1.1 课题研究的背景及意义 1
1.2 国内外研究现状 2
1.2.1 国内的研究现状 2
1.2.2 国外的研究现状 3
1.3 课题研究目的及内容 3
第2章 双向谐振拓扑结构分析 5
2.1 双向无线充电的传输架构 5
2.2 双向谐振拓扑对比分析 5
2.2.1 SS谐振拓扑分析 5
2.2.2 LCL谐振拓扑分析 6
2.2.2 LCC谐振拓扑分析 8
2.3 本章小结 9
第3章 双向无线充电系统的基本电路 10
3.1 双向无线充电系统主电路拓扑 10
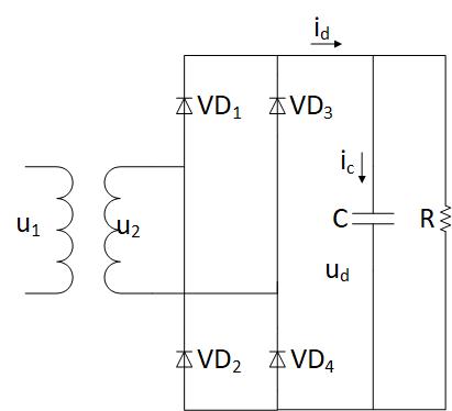
3.2 整流电路的拓扑结构 10
3.2.1 单相不可控整流电路分析 10
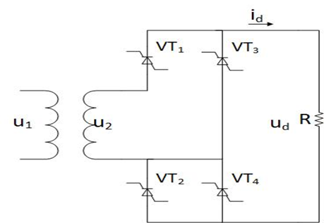
3.2.2 单相桥式全控整流电路分析 12
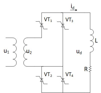
3.3 逆变电路的拓扑结构 15
3.3.1 单相半桥逆变电路分析 15
3.3.2 单相全桥逆变电路分析 16
3.4 DC-DC变换器的拓扑结构 17
3.4.1 降压斩波电路分析 17
3.4.2 升压斩波电路分析 18
3.4.3 升降压斩波电路分析 19
3.5 本章小结 20
第4章 双向无线充电系统设计 21
4.1 双向无线充电系统总体架构 21
4.2 正向WPT充电系统 21
4.2.1 整流电路与逆变电路设计 22
4.2.2 谐振网络分析 24
4.2.3 DC-DC变换器设计与闭环控制 25
4.3 反向WPT充电系统 28
4.4 本章小结 30
第5章 BD-WPT系统的调试与分析 31
5.1 BD-WPT系统的调试与分析 31
5.2 本章小结 35
第6章 总结与展望 36
6.1 总结 36
6.2 展望 36
参考文献 37
附录1 正向输电电路仿真图 38
附录2 正向输电电路仿真图 39
致谢 40
第1章 绪论
1.1 课题研究的背景及意义
遍及全球的环境污染与能源危机,促使许多行业都向绿色产业转变,尤其是汽车产业,在石油危机以及对环境污染性大的窘况下,世界各国开始投入大量的资源进行电动汽车行业的研究。
英国《斯特恩报告》(stern review)指出,各国需要支出GDP的1%,才能阻止温室气体上升至危险水平。如果不这样做,将导致气候变化造成的损失,可能占全球GDP的5%。尽管大多数行业的排放量都在下降,但在过去10年里,交通运输业的排放量一直在上升,公路运输业约占英国二氧化碳排放量的22%。我们需要更快地迈向可持续交通。向氢、生物燃料和电力等替代燃料的转变一直很缓慢。然而,King对低碳汽车的评估表明,如果在解决电动汽车技术方面取得实质性进展,到2050年,公路运输几乎完全脱碳是可能的。而且正在取得进展。几乎每一周,各大汽车公司都会发布更多关于电动汽车新试验的公告。英国政府已经建立了一些示范计划。
根据美国能源部(USDE)的数据,大约15%的燃料能源消耗在汽车和其他配件上。车辆排放的主要问题是二氧化碳,它与燃料消耗线性相关。为了克服这些问题,HEVs采用了包括内燃机(ICE)和电机(EM)在内的两种动力驱动,从而实现了最佳的能源管理。混合动力汽车通过利用两种动力系统提高车辆效率,减少温室气体(GHG)排放,取代石油能源。传统汽车发动机的尺寸通常是为了满足高功率需求,而混合动力汽车动力总成的尺寸是为了使发动机启动/停止,在制动过程中再生。为了更大幅度地减少污染排放和石油能源的使用,还需要考虑车辆结构。
日本在能源与环境问题方面,坚持确保能源安全与提高产业竞争力的双重战略。在提高技术创新,发展新型产品的同时,日本制定了一系列有关新能源汽车的发展战略。在纯电动方面,日本的规划和产业化的步伐也是最快的。此外,日本燃料电池产品的研发和产业化也优于其他国家。
中国正在制定逐步淘汰传统燃料汽车的时间表。这是工业部副部长辛国斌9月初在天津举行的中国汽车工业发展论坛上宣布的。虽然没有给出具体的目标年份,但政府官员暗示,中国将加入英国和法国的行列。这些国家计划在2040年之前禁止燃油汽车的销售,以减少污染和二氧化碳排放。事实上,按销量计算,中国比亚迪已经是全球电动汽车市场的领导者,政府推动电动乘用车的发展可能会进一步提升中国在这一领域的领导地位。
可以看出,世界各国都非常重视电动汽车,都把发展电动汽车作为国家的发展战略。与传统燃料汽车相比,电动汽车具有非常明显的优势,如绿色环保,节约资源,方便快捷,高性能等。电动汽车不仅促进中国的经济发展,并且使得绿色环保成为人们广泛的共识,使中国绿色越来越引起社会的关注。电动汽车是环保产业,减少了石油消费和环境污染,提升了能源的利用率,不仅给广大劳动人民带来福音,还为社会的进步做出了贡献[1]。
传统上给电动汽车充电的充电技术是利用导线连接电网和电动汽车的电池进行电能的传输,这就是我们日常所说的有线充电。这种充电模式虽然有着充电性能较为稳定的优点,但是同时也存在着不少缺陷,例如必须要找到能够进行有线充电的场所,并且要把车停住,便捷性大大降低;而且在充电时需要人为操作,无法实现自动化;并且在天气较为潮湿或雷雨天气等恶劣情况下,有线充电可能存在安全隐患。而无线充电则可有效避免这些缺陷。
无线充电(Wireless power transfer)作为当今一种传输电能的方式,加上电动汽车行业的全面铺开,电动车WPT技术这几年来受到越来越多的关注。与其他传输电能的方式相比,WPT技术有很多其他技术不可比拟的优点,如它无任何物理接触,高效率,尤其在恶劣的环境中,它有着电流隔离,高可靠性的作用。目前,WPT广泛应用于工业应用领域,如生物医学植入物、电动汽车充电、自动导向车辆、人员移动应用等[2-3]。
在这些应用领域中,目前大部分研究主要面向的是单向输电系统,也就是电能传输是由电网向电动汽车车载电池流动的。而随着智能电网相关技术的发展和能源互联网概念的提出,双向无线充电技术(BD-WPT)开始逐渐地展现出它的优势。因为能量具有双向流动的能力,所以电动汽车的车载电池中的电能也是可以流向电网的,通过整流器,逆变器,RCL滤波器等电力电子元件,可实现给电网充电,削峰填谷的优化功能。
1.2 国内外研究现状
1.2.1 国内的研究现状
国内对电动汽车双向无线充电系统的研究主要是各知名大学研究所或实验室在设计研究,其中主要集中在谐振补偿网络以及WPT系统传输距离的研究。
清华大学电气研究所对电动汽车双向无线充电进行了谐振拓扑分析,在控制一定参数的情况下,重点分析了SS(series-series)谐振拓扑,LCL谐振拓扑以及近几年来出现的双边LCC谐振拓扑,从它们各自的传输功率的大小,互感降低工况的影响以及出现副边短路工况是否安全的一些指标去分析,得出了LCC谐振结构在双向无线充电方面更优于其他两种谐振结构。
东北电力大学电气工程学院重点针对双LCL谐振补偿网络进行分析与研究,并对其进行相关的参数计算比较,并设计了双LCL谐振补偿网络和WPT实验装置,从横向特性和无横向偏移时,效率和输出功率随负载的变化。
中国矿业大学提出了一种带有继电器电路的双向WPT拓扑结构,可以延长传统无线电力传输系统的传输距离,提高线圈对中误差的容忍度,提高能量反馈能力和功率传输效率。在长距离或线圈失调等特殊情况下实现高传输效率,引入了一种继电器电路,并建立了系统的数学模型。通过控制由一次和二次侧开关产生的移相电压,调节低功率的方向和数量,并对系统的相关参数进行了分析与仿真研究。
1.2.2 国外的研究现状
日本埼玉大学通过选用一次侧线圈的电容器串联,二次侧的电容器并联方式,把线圈匝数作为耦合系数的倒数,使得一次侧和二次侧的电压相等,进一步改进电路,从而实现双向充电。日本千叶大学理工科研究生院和日本早稻田大学理工科学院通过采用局部动态双向无线功率传输,可实现低成本、节能的运输系统。研发了一种用于电动汽车的双向无线充电的系统结构和控制方法,并给出了1KW级WPT线圈的实验结果[4]。
佛罗里达国际大学能源系统研发实验室提出了一种实现电动汽车LCL双向感应无线功率传输系统优化设计的方法,提出了依赖于电磁场计算与分析模型的结合,并研究了功率因数校正和阻抗匹配元件的选择。建立了8KW极化双向功率的三维有限元模型,在充放电的过程中对模型进行了测试,实现了双向无线充电的优化[5]。
加拿大蒙特利尔康科迪亚大学和奥克兰大学电气和计算机工程系对一种新型双向无线功率传输电力电子系统进行了分析和开发,重点分析了一种具有电流共享和电压倍增特性的新型电流馈电谐振拓扑,提出了一种新型的电流馈电半桥倍压电路双向无线充电系统,并利用串并联和串联谐振网络对其进行了分析[6]。
美国学者Chunting Chris Mi提出了一种双侧LCC补偿网络及其调谐方法。根据所提出的拓扑结构及其调谐方法,谐振频率与两个线圈之间的耦合系数无关,也与负载条件无关,这就意味着系统可以在恒定的开关频率下工作,并用仿真和实验结构验证了所提出的补偿网络和调谐方法的分析和有效性。
1.3 课题研究目的及内容
随着电动汽车在日常生活中越来越普及,电动汽车的充电也成为人们日益关注的问题。从电网到电动汽车电池之间的能量传输必须引起相关研究人员的关注。随着科技的进步,无线充电已经实现有线充电的功能,并且具有其不可比拟的优势,但是随着电动汽车数量的增多,电网所承受的负荷大大加重,这使得电网传输功率的降低,增加了经济的成本。而双向无线充电能够实现电网与电动汽车电池能量的双向传输,可以实现削峰填谷的作用,增加经济效益。
本文是主要围绕电动汽车双向无线充电系统课题,对双向无线充电系统进行仿真与设计,主要内容如下:
第一章为绪论,主要说明电动汽车无线充电以及双向无线充电的背景及意义,双向无线充电国内外的研究现状,主要是各知名大学对无线充电的研究设计分析,以及本课题研究的目的和本文的内容安排。
第二章为双向谐振拓扑结构分析,主要分析在相同的电感,电容参数的情况下,三种不同的谐振拓扑如何取得最大传输功率,以及三者传输功率的大小,电流是否具有独立性等分析。
第三章介绍了双向无线充电系统的几种基本电路,如整流电路,逆变电路以及DC-DC变换电路,详细分析了这几种电路在BD-WPT系统中的作用以及基本的工作原理。
第四章为双向无线充电系统的设计,给出了BD-WPT的整体架构,并对正向充电电路和反向充电电路进行了设计研究。并给出了闭环控制以及PI控制策略。
第五章为基于PLECS软件的BD-WPT系统的电路仿真,给出了正向WPT与反向WPT的电路图,并给出了在开环控制与闭环控制下的输出电压与电流波形,并分析得出结论。
第六章为总结与展望,总结了本文的主要设计思路和设计亮点,并对以后的研究进行展望。
第2章 双向谐振拓扑结构分析
2.1 双向无线充电的传输架构
典型的双向无线充电系统如图2.1所示。主侧变流器通过双向交流/直流变流器从电网中获取电能,由直流线路电压供电,副侧则是连接到单个直流源上,以存储或获取能量。如果使用电动汽车进行双向传输,交流/直流变流器将控制电网电流,在提供有功功率的同时向电网提供无功功率和谐波。为了促进电网和电动汽车之间的双向潮流,主电路和副边电路采用几乎相同的电子器件,包括转换器和谐振电路。

图2.1 典型的双向无线充电系统
其中:为电网电压经桥式整流电路,通过电容器滤波的直流母线电压再经过桥式逆变电路得到交流电压,再通过两个完全对称的谐振网络;为通过谐振网络并通过AC-DC变换得到的直流电压,可以直接和电动汽车的车载电池进行相连。
2.2 双向谐振拓扑对比分析
传统的谐振拓扑有SS(series-series)谐振、LCL谐振和新型的LCC谐振。下面就针对实际应用对其进行研究分析。
2.2.1 SS谐振拓扑分析
SS谐振拓扑如图2.2所示。其原副边均采用LC串联谐振。

图2.2 SS谐振拓扑
我们假设电路是完全谐振的,则可以得出电压激励角频率为:
(2.1)
通过KVL方程,可以得到原副边的电压:
(2.2)
因为电路是完全谐振的,所以我们可以改写式(2.2)
(2.3)
以上是毕业论文大纲或资料介绍,该课题完整毕业论文、开题报告、任务书、程序设计、图纸设计等资料请添加微信获取,微信号:bysjorg。
相关图片展示:







您可能感兴趣的文章
- 一种确定磁探针集总电路参数的标定方法外文翻译资料
- 一种人体可接触的大气压低温等离子体射流装置研究(适合电气B方向)毕业论文
- 氩氧中大气压DBD放电特性研究(适合电气B方向)毕业论文
- 大气压氩等离子体射流放电影响因素的仿真研究(适合浦电气B方向)毕业论文
- 含氧高活性均匀DBD改性聚合物薄膜研究(适合浦电气B方向)毕业论文
- 反应器结构对气液两相DBD放电特性的比较(适合浦电气B方向)毕业论文
- 南京某公司研发楼电气设计毕业论文
- 金帆北苑地块经济适用住房——02栋商住楼电气设计(适用于浦电气1004~06A方向学生)毕业论文
- 扬州人武部大楼电气设计毕业论文
- 金帆北苑地块经济适用住房——04栋商住楼电气设计(适用于浦电气1004~06A方向学生)毕业论文


