动态无线充电系统设计与仿真毕业论文
2020-02-18 11:07:27
摘 要
在21世纪,人们开始意识到节能环保的重要性,因此电动汽车在市面上逐渐地普及。但是,传统的有线充电技术因为其成本高,管理费用贵,充电不方便的原因,很难被人们接受,于是,人们开始发掘新的充电技术,动态无线充电技术就是在这样的背景下产生的。动态无线充电不仅避免了电气插拔的问题,而且能够显著提高电动汽车的续航能力,受到诸多科学家的推崇。
本文主要设计了一种10kw的电动汽车动态无线充电系统,对其中的逆变电路、LCC谐振补偿网络、整流电路以及Buck电路的工作原理进行了分析,并基于各部分的工作原理同已有的参数计算出各部分电路电路元件的参数。为了模拟汽车匀速运动的动态过程,我们对发射端线圈与接收端线圈进行解耦处理,把线圈的互感体现到电路上并模拟出互感参数的变化,同时,在Buck电路上进行双闭环的控制,提高动态无线充电装置的输出功率。最后,我们用电力电子仿真软件PLECS对设计的10kw的动态无线充电系统进行仿真,分析耦合因子的变化模拟过程以及在不同速度下的输出电压与电感电流的变化过程。
通过分析发现,在汽车的不同速度下,动态无线充电装置的输出电压能够跟随耦合因子的变化快慢作出迅速响应,并且最后能够调节输出电压重新达到最大值,在最大值时,输出功率大概在10kw左右,成功达到设计目标。
关键词:动态无线充电,LCC谐振补偿网络,耦合因子,双闭环控制
Abstract
In the 21st century, people begin to realize the importance of energy saving and environmental protection, so electric cars are gradually popularized in the market.However, traditional wired charging technology is difficult to be accepted by people due to its high cost, expensive management cost and inconvenient charging. Therefore, people begin to explore new charging technology. Dynamic wireless charging technology is generated in this context.Dynamic wireless charging not only avoids the problem of electrical plugging, but also can significantly improve the endurance of electric cars, which has been praised by many scientists.
This paper mainly designs a dynamic wireless charging system of electric vehicle of 10kw, analyzes the working principle of inverter circuit, LCC resonant compensation network, rectifier circuit and Buck circuit, and calculates the parameters of circuit components of each part based on the working principle and existing parameters.In order to simulate the dynamic process of a car moving at a uniform speed, we decoupled the transmitter coil and receiver coil, reflected the mutual inductance of the coil into the circuit and simulated the change of mutual inductance parameters. At the same time, double closed-loop control was carried out on the Buck circuit to improve the output power of dynamic wireless charging device.Finally, we used the power electronics simulation software PLECS to simulate the designed 10kw dynamic wireless charging system, and analyzed the simulation process of coupling factor change and the change process of output voltage and inductance current at different speeds.
Through analysis, it is found that at different speeds of vehicles, the output voltage of the dynamic wireless charging device can respond quickly to the change of coupling factor, and finally the output voltage can be adjusted to reach the maximum value. At the maximum value, the output power is about 10kw, and the design goal is successfully achieved.
Key words: dynamic wireless charging, LCC resonant compensation network, coupling factor, double closed loop control
目录
第1章 绪论 1
1.1研究背景及意义 1
1.2国内外无线充电技术研究现状 3
1.3无线充电方式 4
1.4主要研究内容 5
第2章 电动汽车无线充电拓扑结构分析 7
2.1电动汽车无线充电主电路拓扑结构 7
2.2逆变电路工作原理分析 8
2.3 LCC谐振补偿网络工作原理分析 8
2.4整流电路工作原理分析 11
2.5直流-直流降压斩波电路工作原理分析 12
第3章 电动汽车无线充电装置参数设计 14
3.1 LCC谐振补偿网络参数设计 14
3.2耦合因子设计 15
3.3 Buck电路参数设计 17
3.4 Buck电路闭环控制PI参数设计 19
第4章 动态无线充电系统仿真与分析 22
4.1耦合因子动态仿真 22
4.2 Buck电路输出电压及电感电流仿真 25
第5章 总结与展望 29
5.1全文总结 29
5.2未来展望 29
参考文献 31
附录A 33
致谢 34
第1章 绪论
研究背景及意义
21世纪的今天,公路上大部分是燃油汽车,只有少部分的是电动汽车,但这并不意味,燃料汽车比电动汽车拥有更久的历史。1859年,在法国人普兰特首次发明了铅酸蓄电池后,如图1.1所示为铅蓄电池构造图,时间仅仅往后推移了二十多年的时光,同为法国人的特鲁夫就制造出了电动三轮车[1]。在随后的几十年里,电动汽车技术成为科学家的重要突破点,因此发展。据统计,在20世纪20年代初,美国汽车总量中,电动汽车所占比例为38%,而以内燃机作为汽车动力的车辆所占总比例仅为22%。此后,由于电动汽车电池技术发展速度缓慢,同时,燃油开采技术以及燃油发动机技术开始迅速发展,这导致传统的电动汽车的续航能力、成本远不及同时期的燃油汽车,于是,传统的电动汽车开始走向没落。

图1.1 铅蓄电池解剖示意图
电动汽车的没落一直持续到20世纪50年代,由于全球环境污染情况的加剧以及石油资源的过度消耗,人们已经意识到,必须对汽车动力加以改变,因而人们重新将目光投入到电动汽车上面。
随着电力电子技术以及计算机控制技术的迅速发展,在高度提倡绿色环保的今天,电动汽车焕发出新的活力。与传统的燃料汽车相比,电动汽车具有环境污染小、噪声低、适用范围广的优点,因此迅速得到推广。
但是,传统的电动汽车离不开充电桩,图1.2所示为电动汽车充电桩。充电桩我们可以理解为燃料汽车所使用的加油机,充电桩的输入来自电网,通过电力电子变换装置输出,输出端装有可用于为电动汽车充电的有线电气设备,充电桩给电动汽车充电的形式主要分为两种类型,一种提供常规充电,充电机输出220V/50Hz的交流电,这种充电方式较为理想,电能利用率较高,但充电时间较长,一般为8个小时以上,另一种充电方式为快速充电,快速充电方式是为电动汽车充电装置提供较大的电流,输出功率大,充电速度快,相比较于前者,安装费用也更加高昂,由于采用过大的电流,这种充电方式一般都需要提供较大的充电功率,并且会对电池产生损害。这两种充电方式都需要使用插头供电,需要通过载电导体连接充电桩与充电电源,因此统称为接触式的充电方式。现在市面上大部分的充电桩都是一桩一充,再加上充电桩昂贵的建设费用以及管理费用,这种接触式的充电方式无法得到大范围的推广,于是,人们把目光放到了新兴的无线充电。

图1.2 电动汽车充电桩
电动汽车无线充电装置分为两部分,一部分是埋在地面下的发射端,发射端由电网电压输入,通过电力电子变换装置将50Hz的交流电变为高频交流电,经过发射线圈将电能传输到接收端,另一部分是安装在电动汽车上的接收端,接受端通过接受线圈将电能传输到电力电子变换装置,通过控制技术输出稳定的直流电压对车载电池进行充电。由于电动汽车无线充电技术解决了传统的接触式的充电方式无法避免的接口限制以及安全问题,电动汽车无线充电技术成为人们首选的给电动汽车充电的方式。电动汽车无线充电方式又分为静态无线充电与动态无线充电(DWPT),静态无线充电相比于有线充电虽然解决了电气插拔的问题,但是都无法解决电动汽车续航能力差、充电频繁的的问题,相比之下,动态无线充电可以基本解决这些问题,因而受到科学家的格外关注。
1.2 国内外无线充电技术研究现状
在国外,位于新西兰奥克兰大学、日本东京大学、美国橡树岭国家实验室、韩国高等科学技术学院(KAIST)等国外研究团队已经对电动汽车动态无线供电相关的技术难点以及关键问题展开了一系列研究,主要集中在系统建模方法、电能变换拓扑结构、电磁耦合机构优化设计和电磁屏蔽技术等方面[2]。
美国能源部橡树岭国家实验室(ONRL)近日演示验证了一个可用于车辆充电的120kw无线充电系统,通过相距15cm的两个线圈实现了功率传递,为电池充电,如图1.3所示为ONRL设计的线圈。该系统的功率是ONRL早期技术的6倍,充电效率可达97%,与常规的有线高功率快速充电器相当。ONRL此前研制并验证了世界上首个20kw无线充电系统,目前正在改进准备用于商用货运卡车。为使功率达到120kw,ONRL的研究人员使用有限元和电路分析技术开发了一个新型协同优化方法,结合碳化硅功率器件重新设计了线圈,确保轻量化的紧凑系统不会过热或产生任何安全性问题,并使功率传输过程中的能量损失最小。该系统的应用架构是从电网中获取能量并将其转换为高频交流电,驱动主线圈而产生磁场,将功率跨过空气传递到次级线圈,然后再转换回直流电,储存于车辆电池中。ORNL的研究人员下一步是将功率传输水平提高到200kw,最终目标是提高到350kw,并同时改进动态无线充电技术。

图1.3 ORNL设计的无限线圈图
日本东京大学进行大量的实验,发现在动态无线充电中,耦合因子随着汽车的运动不断改变,此时,我们需要通过改变DC/DC占空比从而保持输出电压稳定,因此,东京大学提出基于直流/直流(DC/DC)变换器的副边最大效率控制方法,实时在线计算耦合因子系数控制DC/DC变换器输入占空比,从而实现最大效率控制[2]。
为确保最大化充电速度和功率,我们需要尽量让设备和充电器处于平行状态,不过近日韩国高等科学技术研究所(KAIST)科研专家近日成功研发能同时为多款设备充电的全方位无线充电技术,而最为关键的是该设备在一定范围内无论方向都能获得最高峰值的能源传输。
高通(Qcalcomm)除了在我们所知的芯片领域有巨大成果,在汽车领域也有近30年历史。Qcalcomm Halo TM电动汽车无线充电技术起源于新西兰奥克兰大学。早在1988年奥克兰大学就开始从事无线充电技术研究,并在1996的成功开发出30kW的公交无线充电系统。
国内众多高校,包括重庆大学、西南交通大学、哈尔滨工业大学、东南大学、天津工业大学在内,很早就开始了动态无线充电技术相关方面的研究。这些国内高校的前期的工作主要集中在电力电子变换装置拓扑结构的设计、磁耦合线圈的设计、动态无线充电的建模、控制策略的优化、电磁兼容与电磁屏蔽等技术方面,在相关的技术方面的研究已经取得阶段性的成果[2]。
1.3无线充电方式
无线充电技术,顾名思义,是指不需要使用电气接线实现的充电技术,它将电能通过电力电子转化装置将输入电源变为高频交流电,然后通过发射线圈将电能发射出去,另一端通过接收线圈接受输入的电能,经过转化后为电动汽车电池充电。
无线充电可以分为四种类型,第一类是通过“电磁感应”(MI)磁耦合进行无线电能传输,第二类是将电能以电磁波“射频”或非辐射性谐振“磁场共振”(MR)等形式进行无线电能传输,第三类是将电能以微波的形式无线传送,即“无线电波”形式,第四类则是“电场耦合”方式进行无线电能传输[3]。
电磁感应式无线充电是比较常见的无线充电方式,类似于变压器传输能量的的原理,初级线圈施加一定频率的交流电,通过电磁感应的作用在次级线圈中产生一定的电流,从而达到了初级线圈向次级线圈传输能量的效果。电磁感应式无线充电与其他的无线充电方式相比,主要有工作频率大,输出功率大,传递效率高的优点,但是它的缺点也很明显,它对位置的精度要求很高,初级线圈与次级线圈相隔的距离不能过远,而且位置要正对着,因此,这种充电方式只能用于静态无线充电,在动态无线充电装置中由于汽车在不断的运动,电磁感应式无线充电不能取得理想的效果。
电磁耦合谐振式无线充电,一般情况下由能量发射装置和能量接收装置组成,当发射端线圈与接收端线圈的频率达到一致时,他们彼此之间就可以相互传递能量。电磁耦合谐振式无线充电相比于电磁感应式无线充电,它的传输距离更远,而且对位置精度的要求并不是很高,由于牺牲了传输距离,这种无线充电方式的效率比较低,传输距离越远,损失功率就越多。
无线电波式无线充电,这项技术已经发展的比较成熟,主要由微波发射装置和微波接收装置组成,接收电路可以捕捉到从墙壁弹回的无线电波能量,在随负载作出调整的同时保持稳定的直流电压。
电场耦合式无线充电,利用通过沿垂直方向耦合的两组非对称偶极子而产生的感应电场来传输电能,其基本原理是通过电场将电能从发射端转移到接收端[4]。
分析上述所提出的四种无线充电方式,我们都是为了解决电能无线传输的问题。综合来看,电磁感应式与电磁耦合谐振式是毋庸置疑的最被人们所接受的方式,这两种技术在如今的电动汽车无线充电技术层面各占半壁江山。但是,与电磁感应式无线充电方式相比,电磁耦合谐振式无线充电方式拥有更远的传输距离,并且提高了能量的传输功率,对位置的要求精度不高,因此,是一种更具有发展潜力的无线充电技术。
1.4 主要研究内容
本文主要研究电动汽车10kw动态无线充电拓扑结构的设计,电动汽车动态无线充电技术通过在汽车行驶路面间隔铺设一系列能量发送线圈,使得电动汽车在行驶的过程中能够进行持续长时间的充电。这样不仅提高电动汽车的续航里程,而且还可以减小电池组重量,提高运输效率。主要研究内容如下:
(1)电动汽车动态无线充电系统拓扑结构的设计
对电动汽车动态无线充电系统拓扑结构进行设计,包括发射端逆变电路,LCC谐振补偿电路,线圈耦合因子,接收端整流电路,双闭环直流/直流(DC/DC)电路以及控制电路PI参数的设计[5]。
(2)动态无线充电控制效果分析
通过模拟在不同速度下发射线圈与接收线圈互感的变化,对输出端电压与电感电流进行观测,从而判断直流/直流(DC/DC)双闭环控制对10kw电动汽车动态无线充电系统的控制效果。
(3)PLECS系统仿真
根据拓扑结构设计中计算的相应的电路参数,在电力电子仿真软件PLECS搭建出相应的电路拓扑结构图,模拟静态无线充电以及动态无线充电的过程,对示波器中的输出波形进行记录和分析。
第2章 电动汽车无线充电拓扑结构分析
本章提出了电动汽车动态无线充电的主电路拓扑结构,从地面的发射端开始到车辆上的接收端,针对各部分,包括逆变电路、LCC谐振网络、整流电路以及直流-直流(DC-DC)降压斩波电路进行工作原理的分析。
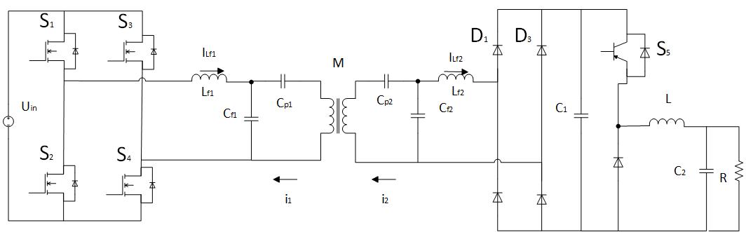
2.1 电动汽车无线充电主电路拓扑结构
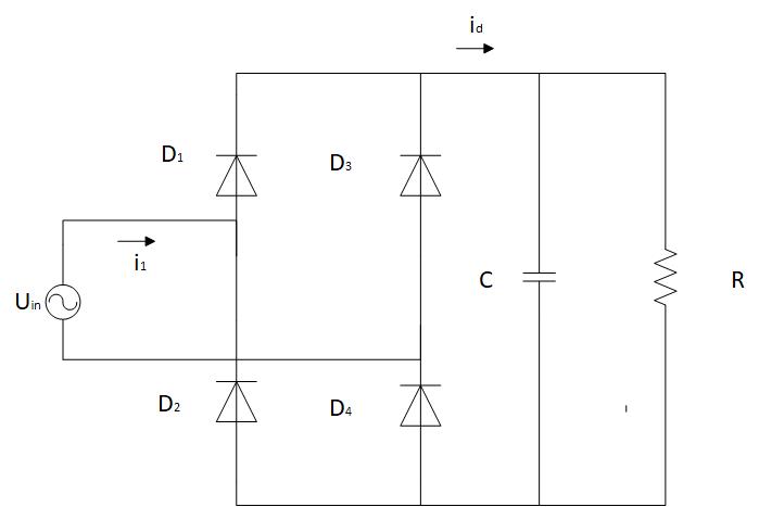
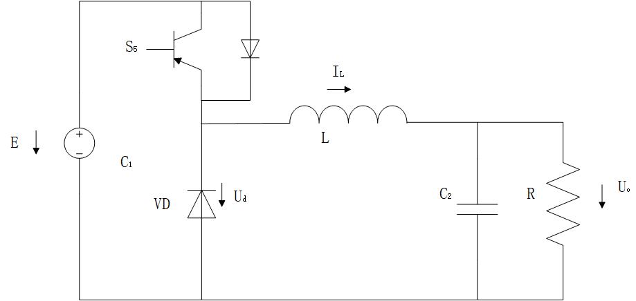
电动汽车无线充电装置分为发射端和接收端两部分,发射端包括一个逆变电路、一个LCC谐振补偿电路以及一个发射线圈,逆变电路采用全桥固定频率控制。通过上面的分析,确定要采取电磁耦合谐振式无线充电方式,即通过谐振补偿电路使接收线圈和发射线圈处于一个相同的谐振频率,通过磁共振的方式传递能量,系统的谐振频率与无线充电装置的谐振电路以及耦合线圈有关,因此必须设计好LCC谐振补偿电路的参数。接收端包括一个LCC谐振补偿电路、整流电路、直流/直流(DC/DC)降压斩波电路,其中接收端LCC谐振补偿电路的谐振频率要与发射端LCC谐振补偿电路的谐振频率要保持一致[7],所以,在设计LCC谐振补偿电路的参数时,要保持发射端和接收端的参数一致。整流电路由于没有其他特殊要求,我们可以使用不控整流,用二极管全桥电路实现交流电的自然换向。直流/直流(DC/DC)降压斩波电路将全桥整流输出的电压降压为蓄电池的充电电压,用于给蓄电池充电,可以间接做到控制系统输出功率的效果[8]。电动汽车无线充电拓扑结构如图2.1所示。

以上是毕业论文大纲或资料介绍,该课题完整毕业论文、开题报告、任务书、程序设计、图纸设计等资料请添加微信获取,微信号:bysjorg。
相关图片展示:







您可能感兴趣的文章
- 一种确定磁探针集总电路参数的标定方法外文翻译资料
- 一种人体可接触的大气压低温等离子体射流装置研究(适合电气B方向)毕业论文
- 氩氧中大气压DBD放电特性研究(适合电气B方向)毕业论文
- 大气压氩等离子体射流放电影响因素的仿真研究(适合浦电气B方向)毕业论文
- 含氧高活性均匀DBD改性聚合物薄膜研究(适合浦电气B方向)毕业论文
- 反应器结构对气液两相DBD放电特性的比较(适合浦电气B方向)毕业论文
- 南京某公司研发楼电气设计毕业论文
- 金帆北苑地块经济适用住房——02栋商住楼电气设计(适用于浦电气1004~06A方向学生)毕业论文
- 扬州人武部大楼电气设计毕业论文
- 金帆北苑地块经济适用住房——04栋商住楼电气设计(适用于浦电气1004~06A方向学生)毕业论文


