动力电池梯次利用储能电站动态均衡电路硬件设计毕业论文
2020-02-18 11:06:41
摘 要
新能源的发展可以有效的改善环境质量,而新能源汽车的发展在这之中首当其冲,作为新能源产业的重要组成部分,基于光储充直流微电网所设计的充电桩可以有效的解决一大部分新能源汽车,主要是电动汽车的充电问题。同时,随之锂电池的广泛使用,退役电池的去向也是一大问题,将退役电池梯次利用于光储充微电网的储能电站,可以对其进行有效的再利用。而在退役电池梯次利用的过程中,如何均衡电池能量,延长电池寿命会大大影响退役电池的使用效果。因此,保证退役电池组均衡充放电对整个新能源产业起到至关重要的作用。
本论文针对上述问题,设计了一种适用于退役电池梯次利用于光储充微电网的储能电站的电池均衡电路,同时设计了与之相匹配的均衡策略,并进行了研究与分析,最后利用MATLAB进行了方案的仿真验证。仿真结果证明本文所提出的均衡电路拓扑结构以及均衡策略可以有效的均衡电路,实现均衡目标。若结合分级均衡方案,就可以有效的拓展为适用于储能电站的均衡方案。
关键词:退役电池;梯次利用;均衡电路;控制策略;MATLAB
Abstract
The development of new energy can effectively improve the environmental quality, and the development of new energy vehicles bears the brunt of this. As an important part of the new energy industry, the charging pile designed based on the light-storage and charging dc micro-grid can effectively solve a large part of new energy vehicles, mainly the charging problem of electric vehicles. At the same time, with the widespread use of lithium battery, the direction of retired battery is also a big problem. The retired battery cascade can be used in the energy storage power station of the light storage and charging microgrid for effective reuse. In the process of decommissioned battery cascade utilization, how to balance battery energy and prolong battery life will greatly affect the effect of decommissioned battery. Therefore, ensuring the balanced charge and discharge of the retired battery pack plays a vital role in the whole new energy industry.
In view of the above problems, this paper designs a battery equalization circuit suitable for the retired battery cascade to be used in the energy storage power station of the light storage and charging micro-grid, and designs the corresponding equalization strategy, conducts research and analysis, and finally USES MATLAB to carry out the simulation verification of the scheme. Simulation results show that the balancing circuit topology and balancing strategy proposed in this paper can effectively balance the circuit and achieve the balancing goal. If combined with the graded equalization scheme, it can be effectively expanded into the equalization scheme suitable for energy storage power stations.
Keywords: decommissioned battery; cascade utilization; equalization circuit; control strategy; MATLAB
目 录
摘 要 I
Abstract II
第1章 绪论 1
1.1 课题背景 1
1.2 研究意义 1
1.3 发展现状 2
1.3.1动力电池梯次利用发展现状 2
1.3.2电池均衡电路研究现状 3
1.4 论文章节安排 3
第2章 均衡电路设计 5
2.1 均衡目标 6
2.2 常用均衡电路概述 6
2.2.1 电阻均衡电路 6
2.2.2电容式均衡电路 7
2.2.3 电感式均衡电路 8
2.2.3 DC-DC变换器式均衡电路 9
2.2.4 方案比较与分析 10
2.3均衡电路 11
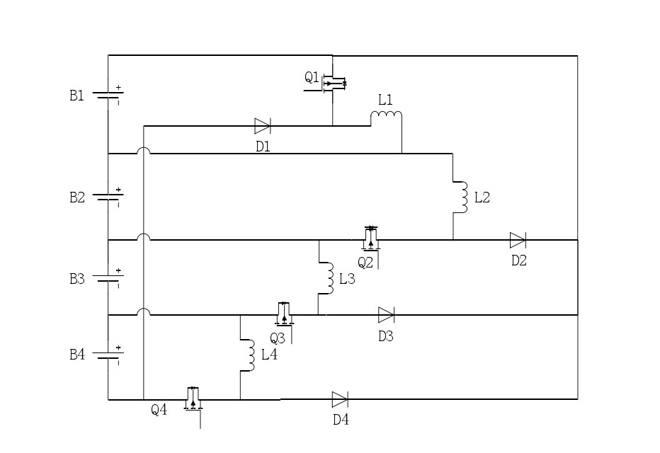
2.3.1 旁路法均衡电路 11
2.3.2 基于模块化直流变换器的均衡电路 12
2.4电路元件参数 13
2.5 本章小结 14
第3章 均衡电路控制策略设计 15
3.1基于各电池SOC差值的均衡控制策略 15
3.2 基于各电池自身SOC的均衡控制策略 17
3.3 本章小结 20
第4章 电池均衡系统的仿真 21
4.1 基于各电池SOC差值的均衡控制策略仿真 21
4.2 基于各电池SOC的分布式均衡控制策略仿真 26
4.3本章小结 27
第五章 总结与展望 28
5.1总结 28
5.2 展望 28
参考文献 30
致谢 32
第1章 绪论
1.1 课题背景
2018年是新能源汽车元年。说起新能源汽车,人们的注意力总会放在电动汽车上,世界上最早的可以实用的电动汽车是在1873年,英国人(Robert Davidson)第一次以电能为动力发明的电动汽车。到19世纪末期时,许多美,英,法的公司开始研发、生产电动汽车。上世纪70年代爆发的石油危机,给世界各国敲响的警钟使得人们开始考虑新能源的研究发展,包括电能,风能,太阳能等可再生能源。到现在为止,环境保护已成为一个世界性的问题,低污染,甚至零污染的交通工具成为人们的发展目标,电动汽车逐渐成为当代汽车的主要发展方向。
近年来,世界上出现了一股电动汽车热潮,各国都开始大力进行电动汽车的发展。美国的PNGV和Freedom GAR计划,其目标是要使电池系统具有15年及以上的寿命,并且价格降低到大众可以接受的范围内。我国也对电动汽车发展专门成立了“十一五”国家“863”计划“电动汽车专项”。近年来国内外一些汽车企业如Tesla、比亚迪、奇瑞等都纷纷推出了自己的电动汽车进入市场,并且发展势头比较良好。
在《节能与新能源汽车产业发展规划(2012-2020)》中,明确指出2020年电动汽车产销量超过200万辆,出货量突破500万辆。而作为整个电动汽车产业中相当重要的基础设施,充电设施及其网络建设在整个产业链中起到至关重要的作用。
本课题设计一个光储充直流微电网作为电动汽车的充电站。在整个系统中,本文设计的是微电网中储能模块下储能电池内的均衡电路。
1.2 研究意义
首先来谈一谈电池,作为一个稳定的能量来源,受到了广泛应用,在各种电池中,磷酸铁锂电池由于其寿命高,高温性能好,容量大,无记忆效应,重量轻等优势成为了现代社会发展的主流。而大量的磷酸铁锂电池报废后,其回收利用也成为了一个大问题。举个例子,在电动汽车上使用的电池,其性能要求较高,在服役5~8年后,其性能以不足以满足电动汽车的高强度使用要求,但是在一些环境下,比如储能电站这一类使用强度较低的环境,还有比较大的利用价值。如果我们使用这种储能电池,可以大幅度的降低成本,并且间接保护了环境,带来比较好的社会效益。一般认为,电池的容量在80%以上时,可以用于电动汽车动力电源,在40%~80%时应应用于电池梯次利用,比如照明电源,电力储能系统等等。电池容量低于40%时,应当拆解回收。
本设计要达成的目标是达成退役磷酸铁锂电池的梯次利用。而在使用电池的过程中,我们遇到的一个非常严重的问题就是电池的不一致性问题。锂电池的不一致性主要来源于两个方面,一是制造过程中会产生的一系列问题,主要是由于制造工艺的不一致,还有材料的不均匀,这使得锂电池之间先天就有了细微的差异。二是在锂电池的使用过程中产生的,在电池投入使用后,蓄电池组中各子电池所处的环境(通风条件,电解液密度等)存在的差异使得各电池会产生不同程度的过充过放现象,时间一长,这种现象会越来越严重,最终导致的结果就是各个电池的容量,放电电流等会产生差异,最终影响蓄电池的寿命和性能。
对于如何减少电池不一致性带来的影响一直是一个非常热门的课题,一般来说我们可以从三个方面来解决它:
1生产过程
在生产过程中改进工艺,使电池部件更加标准,去除那些不一致性比较大的电池部件,确保同一型号的电池不一致程度在一个比较低的范围。
2电池配组过程
保证一个电池组使用同一型号、规格的电池,最好可以采用同一生产批次的电池,以此来确保电池质量的一致;也可以通过筛选性能参数一致的电池来配组,常用方法有极差系数法,阈值法等等。
3电池均衡管理
采用电池管理系统(BMS),在电池组使用过程中检测电池组内各子电池参数,通过替换极端参数电池和电池均衡电路来实现各子电池SOC相对稳定,尽量减少过充过放的次数,以此减少电池不一致性对电池性能带来的影响。
1.3 发展现状
1.3.1动力电池梯次利用发展现状
动力电池梯次利用是指当动力电池的综合性能不能满足电动汽车的功率及能量需求时,将其转移到对电池综合性能如功率、能量性能要求较低的其他领域,以充分发挥其剩余价值,促进节能环保。
对动力电池进行梯次利用是一个较为复杂的过程,包括对退役电池进行检测、拆解、分类、重组,接着在其他领域进行利用。其要解决的问题有二:一是要安排这些退役电池到合适的使用场所,二是要充分利用这些退役电池的剩余寿命。一般来说可以在电网储能,新能源电池研究等方面进行利用。
目前,动力电池梯次利用的未来主要应用领域有很多,举个例子,将动力电池作为分布式发电的储能系统,这可以有效缓解分布式发电随机性较大的问题,提高供电稳定性并降低发电成本。动力电池梯次利用在储能电站的领域主要有工厂削峰填谷储能电站,室外一体化后备电源,室内基站备用电源,风光互补太阳能路灯等等。
电池梯次利用的成功案例有很多,例如,在我国,我们在重庆等地建设了公交充电站,利用退役磷酸铁锂电池服务与电动公交车站的储能系统,可以有效地抑制微电网负荷的波动,降低微电网的输配成本。在国外,瑞典ABB集团和美国通用公司合作进行了车用动力电池二次利用的研究开发,主要研究方向是储存太阳能电池和风力发电产生的电能。Heymans Catherine等人从退役动力电池在用户方梯次利用的经济性角度出发,分析了用户的能源需求和所需成本,深入研究了其在用户方参与电网调峰的可能性。这都是电池梯次利用于电网侧的典型案例,同样的,退役电池在家庭的储能应用方面,也有很多成果。日本的夏普公司开发了一种智能功率调节器,让退役的动力电池可以在家庭储能中获得再利用。而国内北京的海博思科技有限公司,国网北京市电力公司利用2008年北京奥运会退役的电动汽车锂电池,完成了360KWh梯次利用智能电网储能系统。
1.3.2电池均衡电路研究现状
从早期使用比较多的被动均衡方法到近年来比较热门的主动均衡方法,电池均衡一直是电池管理系统研究的一个重难点。 其中,使用能量耗散电阻为基础的被动均衡方法,其最大问题便是电池均衡过程中能量的损失,其损耗会随着电池均衡功率的增大而增大。正因为如此,主动均衡方法成为现在电池均衡系统研究的主要研究方向。目前研究比较成熟的电池主动均衡方案有开关电容法均衡、变压器均衡、电感分流均衡、DC-DC变换器均衡等。在1996 年 ,Nasser H. Kutkut 提出了一种改进的多副边变压器能量转换均衡方法,提高了电路均衡的效率。并在1998年对上述方法进行了改进,减少了一半的变压器副边数量。韩国的 Yuang-Shung Lee 于 2006 对开关电容均衡方案进行改进,提出了一种基于准谐振理论的零电流开关电容均衡方法,相比常规开关电容均衡方法提高了均衡效率。2012年,K. W. E. Cheng 等人继续在此研究的基础上上优化电路结构,简化了电路拓扑结构,减少了零电流开关的元件数量,同时降低了开关损耗。
1.4 论文章节安排
本论文题目为动力电池梯次利用储能电站动态均衡电路硬件设计,文中主要工作为:电池均衡电路的拓扑结构选择、工作原理介绍、器件参数选择以及建模仿真。章节安排如下:
第一章:从能源方向引入,介绍电池梯次利用和均衡电路的研究背景及意义,并介绍了其在国内外的发展状况。
第二章:介绍了现在常用的几种电池均衡电路,比较其优缺点,并以此和目标电路工作环境提出了电池均衡电路拓扑结构,并详细讲述其工作原理,并完成器件选型。
第三章:介绍了在旁路法均衡电路上一般的控制策略,分析其优缺点,并加以改进,提出了适合第二章所采用均衡电路的控制策略。
第四章:根据前两章所提出的均衡电路拓扑结构和均衡控制策略,在MATLAB/simulink上建模仿真,并对仿真结果进行了分析。
第五章:第一部分对本文所做的工作进行了总结,包括在工作中遇到的问题和解决方案,第二部分叙述了自己在工作中的不足,对未完成的工作进行了展望。
。
第2章 均衡电路设计
在本课题中的设计中,由光储充微电网的直流母线端主要由光伏模块、蓄电池模块、充电桩模块这三大块组成。本文所作的均衡电路就是应用于其中的蓄电池模块中。
前面已经提到过,均衡电路是在电池生产,装配完成之后应对电池不一致性所作出的改进措施。可以通过控制各单体电池的能量,防止单体电池出现过充或者过放的现象,从而延长蓄电池的寿命,在使用退役电池时,因为单体电池间不一致性更加严重,均衡电路的作用更加重要。
均衡系统的结构如图2-1:
图2-1 电池均衡系统结构图
整个电池均衡系统由五部分组成,首先是电池包模块,由一节节电池包串联而成。电池参数测量系统主要测量电池包的电压,电流,SOC等主要参数,以便电路进行控制。均衡控制系统通过电池测量系统得到的参数来控制均衡主电路中的功率开关管,以此来均衡电池包的能量。而控制按键,则是控制电池均衡电路的工作状态。
一般来说,电池参数测量系统的设计是电池均衡电路设计中最复杂的模块,涉及到电池模型的构建,还有电池参数信号采样,SOC与电压电流值的转换等等。在本课题中这一部分暂不进行设计,本课题主要完成的是均衡电路的电路拓扑结构,设计好电路拓扑结构之后,设计一个简单易行的控制方案,最后在MATLAB中可以达到设计要求即可。
本章首先讲明均衡电路的均衡目标,再介绍了现在主要使用的几种均衡电路,接着根据均衡目标以及使用均衡电路的环境要求选择了一种适合的均衡电路并加以改进,并确定了电路中所使用的元件参数。
2.1 均衡目标
本课题的要求是在母线电压750V,储能电池额定容量100KWh的环境下完成均衡电路拓扑结构设计,器件参数选择和工作原理分析及仿真。其中拓扑结构设计要求的是完成电路中电池包之间的均衡电路。所以在本电路设计过程中,就暂不进行单个3.7V锂电池之间的均衡电路拓扑设计了,下文中的单体电池也可指电池包。
做出这个均衡电路,其目标是在电路中各电池包的SOC值不同时,可以通过控制电池包之间能量流动,让电路能在运行一段时间后,SOC值可以趋于一致。例如,以三节电池包串联组成的均衡电路为例:
在充电过程中,三节电池的SOC值分别从30%、37%、40%开始充电,随着充电的进行,其SOC值开始不断接近,最终在电池电量比较高比如到90%左右时,其SOC可以趋于一致,至少要有趋近的趋势。而放电过程中,电池SOC在电量较高时若不一致,则开启均衡后,在电池SOC随着放电降到比较低的水平后电池包之间的SOC值也可以趋于一致。
这就是本课题所需要达成的均衡目标,通过单体电池之间的能量流动,使得各电池能量可以趋于一致。
2.2 常用均衡电路概述
一般来说,蓄电池均衡电路可以分为,被动均衡与主动均衡,其中被动均衡主要是通过分流电阻为元件吸收多余能量防止电池过充,而主动均衡则是合理分配电池组能量,主要是在电池间进行能量转移和控制单体电池的充放电电流。
与被动均衡方案相比,主动均衡就好很多,主动均衡是以控制电池组能量流动的方式来均衡各单体电池的能量,不存在浪费多余能量的说法,更符合现状提倡的节约环保理念。并且从另一方面来说,发展主动均衡方案也是均衡电路的发展趋势。
根据电路的拓扑结构,被动均衡法以电阻均衡为主,而主动均衡法主要可以分为以下三种类型,(1)基于电容式的主动均衡法,(2)基于电感式的主动均衡法,(3)基于变换器式的主动均衡法。
2.2.1 电阻均衡电路
这是被动均衡电路的一种,电阻均衡电路。这种电路的工作原理较简单。在均衡电路拓扑中,每个电池单体上都并联有由电阻和功率开关管组合而成的放电电路,当电池组中某一个电池单体的电压值高于阈值时,均衡控制电路就可以通过控制功率开关管的通断,来使电阻消耗掉该电池上相对多余的电量,以达到整个电池组的均衡。
此方法易于实现,控制难度低,电路结构简单,但是由于其本质是单纯的浪费掉电池的能量,违反了新能源节能环保的原则,同时由于采用该方案会导致电阻大量发热,所以该方案不适用于我们所设计的电池组,仅适用于低电流、低电压的应用场合。
以上是毕业论文大纲或资料介绍,该课题完整毕业论文、开题报告、任务书、程序设计、图纸设计等资料请添加微信获取,微信号:bysjorg。
相关图片展示:







您可能感兴趣的文章
- 一种确定磁探针集总电路参数的标定方法外文翻译资料
- 一种人体可接触的大气压低温等离子体射流装置研究(适合电气B方向)毕业论文
- 氩氧中大气压DBD放电特性研究(适合电气B方向)毕业论文
- 大气压氩等离子体射流放电影响因素的仿真研究(适合浦电气B方向)毕业论文
- 含氧高活性均匀DBD改性聚合物薄膜研究(适合浦电气B方向)毕业论文
- 反应器结构对气液两相DBD放电特性的比较(适合浦电气B方向)毕业论文
- 南京某公司研发楼电气设计毕业论文
- 金帆北苑地块经济适用住房——02栋商住楼电气设计(适用于浦电气1004~06A方向学生)毕业论文
- 扬州人武部大楼电气设计毕业论文
- 金帆北苑地块经济适用住房——04栋商住楼电气设计(适用于浦电气1004~06A方向学生)毕业论文


