1kW单相功率因数校正装置设计毕业论文
2020-02-18 11:05:26
摘 要
如今电能是全球应用十分遍及的能源方式之一。但是还存在许多问题如谐波污染等,这会损害输电线路,同时增加电网负担,并且影响了电机的长时间高效率的使用,增加电路损耗,造成了电能的不合理使用,极大浪费能源。怎样抑制谐波电流、如何提高功率因数成了减轻电网污染的重要问题,因此有源功率因数校正技术应势而生,同时作为重要支撑在电力电子技术发展中。且PFC技术尤其在单相有源电路中有着重大研究突破。
而本文正是介绍了PFC技术的发展与现状,简略讲述了关于有源PFC发展的相关内容,重点介绍了电路原理及其电路结构等关键问题,其中对于PFC电路的多种控制策略和电路拓扑进行介绍与比较,根据设计要求进而确认使用CCM模式下的平均电流控制工作状态,最终目的是完成基于PFC控制芯片UC3854的有源功率因数校正电路的设计与SABER仿真,研究一台1000W单相Boost型PFC的电路设计与仿真搭建,再通过仿真结果的波形分析得出相应数据,从数据中本电路成功降低了系统的THD,提高了功率因数,达到各设计要求。
关键词:电网污染,APFC,UC3854,CCM工作模式,SABER仿真。
ABSTRACT
Today, electricity is one of the most widely used energy sources in the world. However, there are still many problems, such as harmonic pollution, which will damage transmission lines, increase the burden of power grid, and affect the long-term and efficient use of motors, increase circuit losses, resulting in unreasonable use of electric energy, a great waste of energy. How to suppress harmonic current and how to improve power factor has become an important issue to reduce power grid pollution. Therefore, active power factor correction technology emerges as an important support in the development of power electronics technology. And PFC technology has made great breakthroughs in single-phase active circuits.
This paper introduces the development and current situation of PFC technology, briefly describes the relevant content of the development of active PFC, focusing on the key issues such as circuit principle and circuit structure. Among them, a variety of control strategies and circuit topologies of PFC circuit are introduced and compared. According to the design requirements, the average current control working state under CCM mode is confirmed, and the ultimate goal is achieved. The design and SABER simulation of an active power factor correction circuit based on PFC control chip UC3854 are completed. The circuit design and Simulation of a 1000W single-phase Boost PFC are studied. The corresponding data are obtained through the waveform analysis of the simulation results. The THD of the system is successfully reduced from the data, and the power factor is improved to meet the design requirements.
Key words: power grid pollution, APFC, UC3854, CCM mode of operation, SABER simulation.
目 录
摘 要 1
第1章 绪论 5
1.1功率因数校正技术的目的 5
1.2功率因数校正的发展简介 5
1.3功率因数校正的分类简介 6
1.3.1按PFC电路是否有源分类 6
1.3.2 按供电方式分类 7
1.3.3 按级联方式分类 7
1.3.4 按拓扑结构分类 8
第2章 PFC技术原理 9
2.1 功率因数 9
2.1.1 功率因数的定义 9
2.1.2 功率因数与THD 9
2.1.3功率因数校正的目标 10
2.1.4电压电流波形简析 11
2.2 有源PFC电路原理 12
2.2.1 电路原理 12
2.2.2 斩波器(PFC开关电源) 13
2.2.3 PWM开关电源 13
2.3 斩波器拓扑结构及工作方式 14
2.3.1 拓扑结构 14
2.3.2 工作状态 14
2.4 CCM模式下的工作方式 17
2.4.1 峰值电流控制 17
2.4.2 平均电流控制 18
2.4.3 滞环电流控制 20
2.4.4 单周期控制 20
第3章 单相功率因数校正装置的设计 22
3.1 电路设计总结 22
3.1.1 研究内容及要求 22
3.1.2 电路设计目标确认 22
3.1.3 电路设计原理图 23
3.1 Boost电路设计原理 24
3.1.1 主电路部分 24
3.1.2 控制电路部分 25
3.2 电路参数设计 25
3.2.1 主电路参数 25
3.2.2 控制电路参数 27
第4章 单相功率因数校正电路SABER仿真及结果分析 36
4.1 仿真电路与部分波形展示 36
4.2 结果分析 39
结 论 41
致 谢 42
参考文献 43
第1章 绪论
1.1功率因数校正技术的目的
电能的高效无污染地利用是全世界各国以及电力行业所关注的重要问题。通过许多研究数据可以知道,电能实际被应用是一件困难的事,大部分电能要经过相应变换与转置才能得以被使用,而完成这项工作的通常是许多的电力电子设备,整流器在这项工作中充当重要角色,其中不控与相控为多,相应的带来了的危害也是十分显著的并且难以解决,大量的整流器严重增加谐波污染,同时降低了电力系统的PF,极大程度的造成了电能损耗与不合理应用。如何校正电力电子装置的功率因数校正,使得电能应用合理不浪费,这个问题从上世纪八十年代后一步一步的得到了解决,并且一跃为电力电子技术的热点问题。PFC技术正是为此问题的解决而孕育的,同时它作为电力电子技术的发展的重要力量为电力电子行业问题提供可行的方案与策略。
1.2功率因数校正的发展简介
关于PFC的发展有不同的方向,通常分为无源和有源功率因数校正这两种。其中无源功率因数校正尤其字面意义可以得之,它是被动PFC,通过简单的由电感电容构成的滤波装置来抑制谐波,同时提高系统PF,这种校正方法一般电路结构简单、成本低,一般在小功率电力系统中常有看见且功能显著。而有源功率因数校正是一种主动PFC一般通过检测电压电流控制,应用算法计算输入乘法器再输出给PWM电路,最后使输出电压电流相位同且呈正弦波变化。
一项技术的发展是长久且困难重重的,PFC技术的发展也是如此。在技术发展的初级阶段,研究人员应用简单的电感电容,无需电源进行AC-DC的滤波。电路简单效果可观,但是随着科学技术发展,各种电力电子设备如雨后春笋冒出,之前的简单滤波已经无法满足电路参数要求 ,于是上世纪下页后最原始的PFC电路结构应运而生,业界首次将功率器件投入电路中,同时提高电感频率。这其中主要发展生产的是有桥PFC,将基准电流与检测电压作为乘法器的输入进行计算,输出可控稳定的电压作为PWM发生器的输入,这种双闭环控制策略在当时发展火热。可谓是集天时地利人和,单相PFC技术因此得到了空前的发展,相应的电力电子设备、电路结构理论也得到极大发展,同时对于相应的电路指标标准的制订也得到业界的讨论实行。至今截至,众多研究学者撰写的有关于PFC技术的文本和学术论将成为PFC技术发展的理论根据与理论参考,它将会为日后电路结构优化与控制方法优化提供理论依据,同时推动了PFC 电路控制IC与各种电力电子装置的研发。时至如今,PFC 技术应用领域之广泛是有目共睹的,理论发展也逐渐成熟稳定,而且向着更多电力电子行业进军。综上所述,PFC技术还有更多的发展可能性,其理论会更加成熟,其电路结构会更加优化,未来由于新的市场需求的出现、新的电子器件制造技术的出现、新的控制策略的出现将继续助力 PFC 技术的大跨步发展。鉴于 PFC 技术研究成果众多,难以一一描述,故就此略过。
1.3功率因数校正的分类简介
1.3.1按PFC电路是否有源分类
现今的PFC有两种,一种为被动式PFC(也称无源PFC)和主动式PFC(也称有源式PFC)。
被动式PFC前文也有介绍,它所能达到的PF较主动式PFC低,且由于电路结构原因它使用于小功率电力系统中。如果具体细分可分为电感式与填谷式。前者是通过同相位来提高功率因数,这使得应用有局限性。 而后者与电感式的区别是它不采用普通的相位调节来让波形正弦化,是一种新研发的无源PFC电路,最大的不同之处为增加了填谷电路,这是一个最为特殊且尤为关键的电路优化,由此增加检测电压上升斜率,增加整流管导通角,最终来让波形正弦化,最后传达给输出电路的波形稳定且相位相差不大,输出稳定的DC,这让电路功率因数大大提高,且谐波得以抑制消除。
另外一种的主动式PFC则与被动式PFC最大的区别是它如何同时做到波形正弦化和同相位。这就不得不提到在单相PFC技术发展成熟稳定后,许多电子元器件公司相继研发了PFC电路控制IC,主动式PFC通过控制芯片来实现同相位,正弦化的目标,所以经过复杂电路结构拥有显著的功率因数,但成本相应增加,结构也相对被动式PFC较为复杂。
而本文采用的是主动式PFC(有源PFC)。
1.3.2 按供电方式分类
因AC电源区别,可分单相与三相PFC。
其中,单相PFC因为应用广泛发展迅速,如今技术理论成熟稳定,此处谈及到上节文章所提到的PFC专用芯片,相应的元器件公司抓住商机研发出了许多款控制IC,此处列举一些经典与新研发的芯片如UC3854,L656X,FAN4810,GR6562,ML4819等。一般情况下,三相PFC与单相PFC的工作场合是不一样的,前者工作功率大后者小,前者电路复杂后者简单。前者实现成本高后者低廉。目随着单相PFC技术的发展成熟,利用单相PFC理论和实践为基础,在此情况下,研发出合理高效的三相PFC电路是可行的,且是未来PFC发展的重点与难点,同样此技术的实现也有着许多的难题有待克服,虽然研发三相PFC芯片十分困难且目前进展有限,但是通过大量的实践研究结合理论知识,我相信未来将会研究出优化合理的三相APFC控制装置。当然三相PFC技术远不止如此简单,它会有更广阔的前景。
而本文采用的是单相PFC。
1.3.3 按级联方式分类
因联方式的区别,可分为单级和两级PFC。
很容易理解,单级PFC电路结构相对简单的,是一目了然的,单级PFC由于结构简单,它只有一套控制电路,这套控制电路实现了PFC电路的基本要求,输出电压也稳定可控,而且简单的控制电路使得电路成本低廉,同样无法避免缺点是因为参数简单与电路结构简易导致它能达到功率因数较低,没有两级PFC来的高。
而与单级PFC不同的是,从字面含义就可以得知两级PFC电路中,不管是控制器亦或是整流管开关都是成对的,这两个控制器的作用也是不一样的,一个服务于PFC斩波器,一个服务于PWM开关电源。一般来说此电路无法减少控制器的个数,因为电路的结构使然,但若使用专用IC就可以减少一个,但仍然需用两个控制开关。两级PFC在技术上虽然成熟并有广泛的应用,但还是存在电路拓扑复杂和成本较高等缺点。
而本次设计采用的是单极PFC。
1.3.4 按拓扑结构分类
可分为降压式、升压式、升压—降压式、串联式、并联式)以及塞达式。
而本次设计采用的是升压式PFC。
第2章 PFC技术原理
2.1 功率因数
2.1.1 功率因数的定义
定义:功率因数是有功功率(P)和视在功率(S)的比值,即:
(2.1)
式中:
为输入电压有效值;
为输入电流的基波有效值;
为输入电流有效值(含谐波);
φ为输入电压与同相位基波之间的相位角;
为输入电流的失真系数;
2.1.2 功率因数与THD
THD定义:输出信号比输入信号多出的谐波成分。
根据原理列出公式如下,计算出输入电流有效值为:
(2.2)
公式中
为n次谐波的有效值。那么可以推出总谐波失真率THD为:
(2.3)
变形后有:
(2.4)
那么可以得出:
(2.5)
2.1.3功率因数校正的目标
由上节公式可以看出,高功率因数校正有两个核心目标:
(1)同相位:使
。
(2)正弦化:使
。
达到上述两个目标之后,功率因数将显著提高,PF逼近1,继而完成功率因数校正。
2.1.4电压电流波形简析
图2.1感性负载中的电压电流波形图
一般的开关电源在整流后会设置一个滤波电容进行谐波消除,但是根据负载特性所决定,线路因为这个电容负载呈容性,容性负载最大的特点是在处于交流输入的情况下,此滤波电容会进行充放电,这就导致了后续输出的直流电压具有很大的纹波成分,这样的纹波成分导致了电路功率因数的降低,增加电路损耗。所以为了消除此纹波需要作出许多工作。
图2.2 全波整流电压和AC输入电流波形
因为二极管独特的单向导电性,导致了滤波电容在滤波过程中一个周期内是半导通半截止的,简单地说就是只有当输入AC电压需要高于电容电压,这是因为,当它比滤波电容电压高时二极管才导通,否则二极管截止。图2.2清楚的显示了这种情形,虽然输入电压呈馒头波波形,但是电流波形处于强脉冲状态,这对电路整体是不利的,具有很大的危害性。高峰脉冲同样也会降低电路的功率因数同时造成谐波污染。
由于电流在极窄的导通角时间内生成极大的导通电流脉冲,这种脉冲状态影响电能质量,不利于电能合理使用,同时由于一般电路负载过大,这种负载特性与工作状态下电流会因此产生畸变,伴生出多次谐波,从而影响电路设备的使用寿命,这就是需要PFC解决的EMI与EMC问题。
2.2 有源PFC电路原理
2.2.1 电路原理
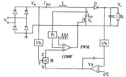
相对普通电路,有源PFC电路则有很好的消谐稳压的效果,大致上可以完全消除电流波形的畸变和抑制谐波污染。而且还可以做到同相位,可以说PFC技术一举解决了功率因数低、EMI、EMC的问题,但是相应的困难就是有源PFC电路结构复杂,元器件参数很难做到精确,且容易确认出错导致电路结果出差错。原理图表明AC输入电压整流后,不再是像以前经典电路所示加一个电容进行滤波,而是用一个斩波电路完成工作取代滤波电容。馒头波不经滤波,由斩波电路使其高频化,并把整流后的直流电压作为PWM的电源电压,整个过程是经历了2次AC→DC变换的。

以上是毕业论文大纲或资料介绍,该课题完整毕业论文、开题报告、任务书、程序设计、图纸设计等资料请添加微信获取,微信号:bysjorg。
相关图片展示:







您可能感兴趣的文章
- 一种确定磁探针集总电路参数的标定方法外文翻译资料
- 一种人体可接触的大气压低温等离子体射流装置研究(适合电气B方向)毕业论文
- 氩氧中大气压DBD放电特性研究(适合电气B方向)毕业论文
- 大气压氩等离子体射流放电影响因素的仿真研究(适合浦电气B方向)毕业论文
- 含氧高活性均匀DBD改性聚合物薄膜研究(适合浦电气B方向)毕业论文
- 反应器结构对气液两相DBD放电特性的比较(适合浦电气B方向)毕业论文
- 南京某公司研发楼电气设计毕业论文
- 金帆北苑地块经济适用住房——02栋商住楼电气设计(适用于浦电气1004~06A方向学生)毕业论文
- 扬州人武部大楼电气设计毕业论文
- 金帆北苑地块经济适用住房——04栋商住楼电气设计(适用于浦电气1004~06A方向学生)毕业论文


