风冷式电力变压器温控系统设计毕业论文
2020-02-18 11:05:01
摘 要
电力变压器是电力系统中的重要能量变换设备,在发电网和配电网都有重要应用。需要对变压器的工作状态下的温度进行测量和控制。由于传统控制系统存在保护方式简单、不同的电力变压器容量相差大、温度参数不精确、冷却方式复杂、负载以及运行环境不同,导致控制效果差,可靠性低。有必要设计一套智能化温度监控系统,对变压器内部油温进行实时监控,从而调节风机冷却效果,保障变压器正常稳定工作。且当变压器油温度过高时,变压器油过热沸腾,将会产生气体。在密闭式变压器中,过量气体存在极大的安全隐患。为保证正常运行,加入气体压力检测。
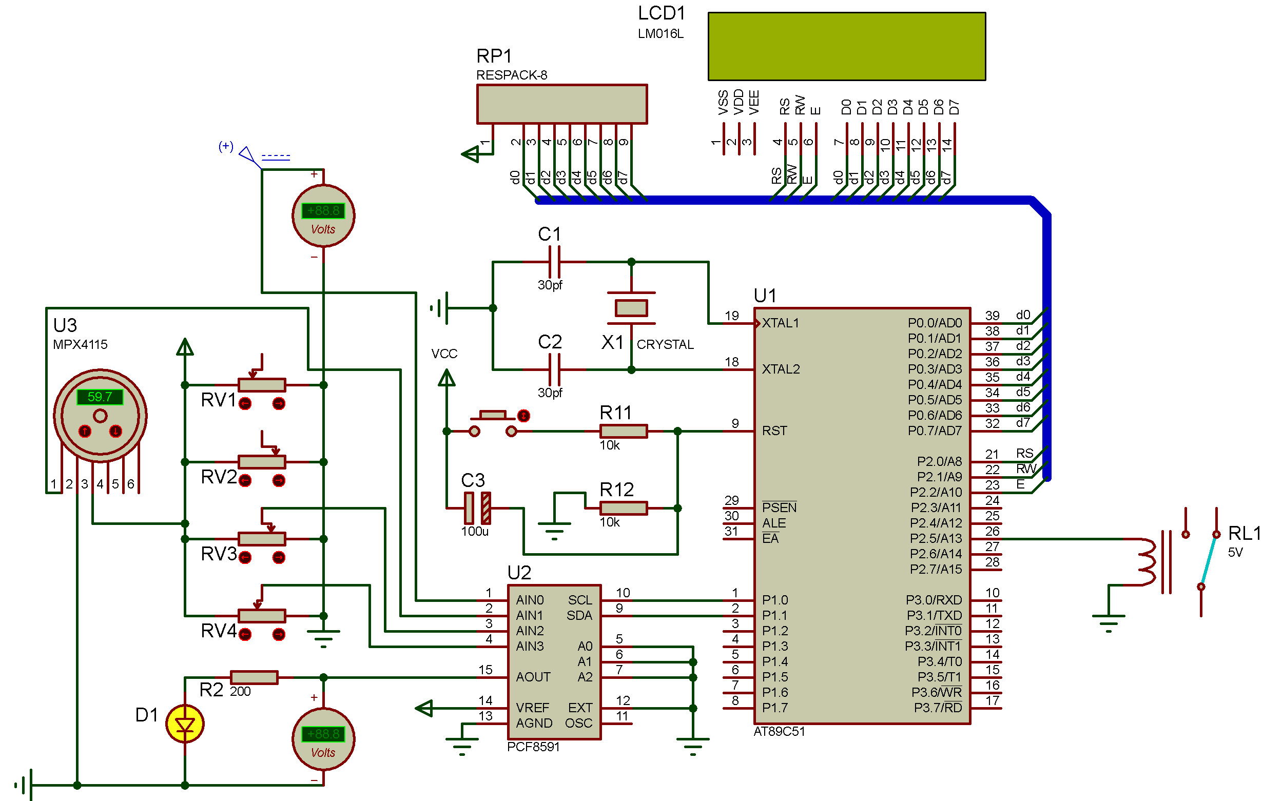
本论文采用基于PT100为核心的温度检测电路,采用基于MPX4115为核心的气压检测电路,使用PCF8591数模模数转换芯片作为数模模数转换,并以STC89C52单片机作为控制芯片。使用LCD1602液晶作为显示芯片。单片机通过PCF8591的数模转换端口,输出0-5V模拟电压,控制变频器频率,进而控制风机转速。同时设置压力阈值,当压力过高时,单片机控制继电器工作,打开密闭式变压器阀门泄压,保证变压器正常工作。
关键词:测温电路;气压检测;数模模数转换;51单片机;
Abstract
Power transformer is an important energy conversion equipment in power system, and it has important applications in power grid and distribution network. it is necessary to measure and control the temperature of the transformer in its working state. The traditional control system has many disadvantages, such as simple protection mode, large capacity difference between different power transformers, inaccurate temperature parameters, complex cooling mode, different load and operating environment, which lead to poor control effect and low reliability. It is necessary to design an intelligent temperature monitoring system to monitor the oil temperature in transformer in real time, so as to adjust the cooling effect of fan and ensure the normal and stable operation of transformer. When the temperature of transformer oil is too high, the transformer oil will boil and produce gas. In closed transformer, excess gas has great potential safety hazards. In order to ensure normal operation, gas pressure detection is added.
In this paper, temperature detection circuit based on PT100 is adopted, pressure detection circuit based on MPX4115 is adopted, PCF8591 digital-analog-to-digital conversion chip is used as digital-to-analog conversion chip, and STC89C52 single chip computer is used as control chip. LCD1602 liquid crystal is used as display chip. Through the digital-to-analog conversion port of PCF8591, the MCU outputs 0-5V analog voltage, controls the frequency of the frequency converter, and then controls the speed of the fan. At the same time, the pressure threshold is set. When the pressure is too high, the single chip computer controls the relay to work, and opens the closed transformer valve to relieve the pressure, so as to ensure the normal operation of the transformer.
Key Words: Temperature measurement circuit; Pressure detection; Digital-to-analog-to-digital conversion; 51 single chip computer;
目 录
摘 要 I
Abstract II
第1章 绪论 1
1.1研究背景 1
1.2研究目的 2
第2章 系统设计及硬件介绍 3
2.1系统控制流程分析 3
2.2硬件实现方式 4
2.3 PT100铂电阻 4
2.4 PCF8591数模模数转换芯片 5
第3章 硬件电路分析 8
3.1温度检测电路 8
3.2数模模数转换电路 9
3.2.1IIC总线特征 10
3.3.2 PCF8591数模模数转换 14
3.3液晶显示电路 15
3.3.1接口信号说明 16
3.3.2基本操作时序 17
3.3.3RAM地址映射图 17
3.3.4指令说明 18
3.4气体压力检测模块 20
3.4.1引脚定义 20
3.4.2 气压线性关系 21
3.5全模块分析 21
3.5.1 数据采集模块 23
3.5.2控制模块 24
3.6拓展功能 25
3.6.1风机转速测量模块 25
3.6.2 无线通信模块 25
第4章 软件实现分析 26
4.1软件代码实现 26
4.1.1延时函数 26
4.1.2硬件设置函数 27
4.1.3通信协议函数 30
4.1.4数模模数转换函数 34
4.1.5电压转温度,气压函数 36
4.1.6主函数 39
4.2代码分析 41
第5章 仿真验证 42
5.1测温电路仿真验证 42
5.2单片机控制电路仿真验证 44
参考文献 46
致 谢 48
附件 49
第1章 绪论
1.1研究背景
随着工业化进程的加快,电力这一重要能源在生产生活中已经变的越来越重要了。随着电力需求的越来越大,电力设备的容量也越来越大。作为配电网系统的关键设备——电力变压器的保护也越来越重要。其中对于电力变压器的保护,最重要的就是电力变压器的热保护。由于变压器取得绕组存在一定电阻,所以在变压器正常工作时必然会产生损耗。由于涡流而产生的铁损耗和由于电阻而产生的铜损耗。这些损耗都会产生热量,导致变压器绕组温度的升高,进而危害变压器的正常运行。所以如何将产生的热量及时、高效的送出变压器,是目前变压器保护的关键一点。
按照变压器导热材料的区别,分为干式变压器和油浸式变压器。干式变压器靠空气对流进行冷却。只依靠自然散热的方法效率低下,一般用于小容量变压器。目前在配电网系统中基本上已经被淘汰掉。油浸式变压器的冷却方式有很多种,可分为油浸自冷、油浸风冷、强迫油循环等方式。油浸式变压器就是利用变压器油的自然对流作用将热量带到油箱壁和散热管,然后依靠空气将热量散发掉。
本文使用油浸风冷方式散热,这种方式比自冷式的效率高,比强迫油循环式的成本更低,是配电网上的电力变压器比较好的散热方式。
目前的大型变压器冷却控制仍然是传统的继电式控制方式,不能实现对于风机转速的无级调节,冲击电流比较大,严重影响风机的使用寿命。且无法实现远程控制。同时存在抗干扰能力差、扩展能力差等弊端。而采用单片机控制,不仅可以实现对风机的无级调速,且大大增强了运行稳定性。同时可以通过增加无线通信模块,实现无线远程遥控。
1.2研究目的
通过查阅资料,设计一套智能化温度监控系统,对变压器内油温进行实时监控,从而调节风机冷却效果,保障变压器正常稳定工作。
(1)测温电路要求:测温的温度传感器测温范围上限必须达到变压器所能承受的最高温度。目前变压器的顶油温度正常情况下的高温度为95℃,且流过测温电阻的电流要足够小,以减小由于电流产生的温升的误差。且电路的输出电压要在可以采集的范围内。
(2)数模模数转换电路要求:数模模数转换芯片应为串口通信,以减少51单片机的I/O口的使用,为以后的拓展接口做准备。且可以实现数模模数双向转换。
(3)控制芯片要求:控制芯片可以实现使用LCD1602液晶显示实时温度,并且通过一系列决策控制风机的转速实现随温度的变换而变化,当温度升高时,转速加快。当温度降低时,转速减慢。且可以通过无线通信模块与上位机进行数据的交换。
第2章 系统设计及硬件介绍
2.1系统控制流程分析
图 2-1 系统结构示意图

如图2-1所示,整个系统从测温电路开始,测温元件检测变压器的顶油温度,并将温度信号转换为电压信号。之后将电压信号放大后送入数模转化芯片,数模转换芯片将模拟量转变为数字量送入单片机,作为单片机做决策的依据。并将数据在液晶上显示出来,以便更加直观的看到温度数据。单片机做出决策后,将结果送入模数转换芯片,将数字量转变为模拟量并控制变频器的频率,进而控制风机转速。系统同时添加了气体压力传感器,利用气压传感器实现对密封式变压器内部进行气压监测,气压传感器将压力信号转变为电信号,并通过模数转换芯片送给单片机,当气压超出设置的阈值时,控制继电器打开泄压阀门。以保证压力正常。本系统还可以外加无线通信模块,实现远端控制室与现场的无线交互。
2.2硬件实现方式
本课题使用AT89C52的作为控制芯片,使用可编程控制器件可以在软件层面上实现控制决策,大大简化了系统的电路。使用基于Pt100的铂电阻作为测温元件,Pt100具有较好的线性性,且测温范围广泛。数模模数转换使用PCF8591芯片,PCF8591是一种四路A/D输入,一路D/A输出的数模模数双向转换芯片。不仅可以实现多路模拟量的采集,且可以实现模拟输出,实现对变频器的直接控制。显示芯片采用LCD1602液晶显示,不仅操作方式比数码管简单,且可以实现双行16个字符的直接显示。显示信息更加全面、直观。拓展功能的单片机与上位机的通信,采用无线射频方式。
2.3 PT100铂电阻
当铂电阻被放置的环境温度在-200~800℃之间变化时,其所置环境温度变化与电阻阻值接近线性的关系,国标规定PT100铂电阻在0℃时,其电阻值=100Ω。其温度和电阻的关系满足如下函数表达式:
(2-1)
式(2-1)中,为t℃时铂电阻的电阻值,为0℃时铂电阻的电阻值,本文设计过程中选用的电阻是PT100,标准PT100的等于100。A、B、C的值分别为:A=3.9082,B=-5.80192,C=-4.02735。
2.4 PCF8591数模模数转换芯片
PCF8591是一种基于IIC总线通信模式的数模模数转换芯片,是一种双向转换芯片,既可以由模拟量向数字量转换,也可以由数字量向模拟量转换。其固定地址部分在IIC总线上的地址位1001。此芯片有四组模拟输入,AIN0、AIN1、AIN2、AIN3,可以将四组模拟输入都变成8位的数字量,并且可以通过一定的方式按顺序输入给单片机;1路D/A模拟输出,AOUT为模拟输出量,控制器通过IIC总线将8位数字量传输给PCF8591,PCF8591将数字量转变成模拟量从AOUT输出。这就是说,它既可以作A/D转换也可以作D/A转换。三个地址引脚A0、A1、A2用来确定芯片的可编程地址部分,若A0=1、A1=0、A2=0,则在确定PCF的地址码时地址为1001001x。由可编程地址可以知道,在单组IIC总线上,每一组总线最多可以连接8个相同的芯片,因为再多的芯片也无法通过IIC总线识别并使用。IIC总线为单双工的通信模式,在同一时间下,只能单向传输。

图 2-2 PCF8591芯片引脚图
(1)地址码
当一个控制器通过IIC总线接上了很多的芯片时,当需要和芯片通信时,需要能找到芯片并建立通信,这是一个复杂的过程。所以IIC总线有了地址码的概念,将芯片按组编码,并给每个芯片分配地址码,按照地址码就能快速准确的找到芯片。地址码可以分成固定的4位芯片码和3位可编程地址码。PCF8591的固定部分的地址码为1001,其他使用IIC总线通信的芯片也有自己的地址码,例如AT24C02A芯片的地址码为1010。可编程部分根据可编程地址引脚A0、A1、A2来设置。所以每一组IIC总线最多可接=8个PCF8591芯片。地址字节的最后一位为读写设置位。设置1为从芯片取数据。如图2-3所示:

图 2‑3 地址码控制
(2)控制字
当控制器和芯片建立连接后,芯片就要和控制器建立一些传输信息的规则,这些规则将保证数据的正确发送和接收。在控制器发送完地址码后,第二个发送的字节就是控制码。8位的控制码可以分成高4位和低4位。除了D7和D3是目前不需要使用而必须置零外,其他的每一位都表示一组重要的控制信息。D6为模拟输出允许位,置1表示允许数模转换输出。D5,D4为模拟输入方式控制。D3为自动增量标志位,置1表示四个模拟输入的数据可以循环采集,每采集一组数据后,通道号就自动加1,例如本次采集AIN0的数据,下一次就采集AIN1的数据。D1,D0表示A/D转换的通道号,例如00为采集AIN0的数据,01为采集AIN1的数据。

图 2‑4 控制字节定义
第3章 硬件电路分析
3.1温度检测电路
电力变压器正常工作时变压器油的顶油温度一般在90℃左右,虽然一般的热电偶都可以测量,但是测量精度和稳定性都不如Pt100。为了保证测量的精度和使用过程中的稳定性,这里我们选择Pt100作为测温电阻。测温电路图如下:
普通四线制恒流源驱动测温系统受温度电流漂移等影响,温度测量准确率较低,很难超过0.1℃量级,因此,本文就采用的是改进后的四线制接线法,以保证测量的精度和稳定度。

图 3-1 测温电路
以电阻的电压值做为基准电压,在本设计中取值为510,基准参考电压、恒流源的设计严重影响着电路的的测量精度和稳定度。基准参考电压是否稳定且低温漂是保证本文中高精度测温仪具有高精度的重要前提。以三极管8550构成的镜像电流源来减小外界干扰,避免误差。在此基础上串联高精密电阻,此高精密电阻的温度变化系数为1ppm,即温度变化1℃,其阻值变化为。设计中取值为100。
由电路知识可知,通过铂电阻的电流I为:
I= (3-1)
PT100传感器和精密电阻的电压分别为:
(3-2)
(3-3)
最终获得PT100传感器的电压和精密电阻的电压的比值, 即
(3-5)
当、、的电阻足够大时,使得I足够小。从而消除了恒流源由于温度漂移等因素影响的电流变化,使得输出电压比值与铂电阻成良好的线性关系。
3.2数模模数转换电路
PCF8591是使用IIC总线协议通信的A/D、D/A转换芯片,在分析电路前,需要对IIC总线有一定的了解。下面我将介绍IIC总线一些知识。
3.2.1IIC总线特征
IIC总线是不同的IC或模块之间的双向两线串行通信方式。这两条线分别位为串行数据线(SDA)和串行时钟线(SCL)。这两条线必须通过上拉电阻连接至电源,数据只能在总线不忙时传输。
(1)传输方式
每一个二进制数都是在一个时钟脉冲期间传输。当SCL上的电压为高电平时,SDA上的数据必须保持稳定。当SCL上的电平为低时,SDA上的数据信号才允许改变。当SCL上为高电平时,如果SDA的电平状态改变,将会把这个改变当作控制信号。
(2)开始或停止信号

图 3‑2 位传输模式
数据线和时钟线在总线不忙时总保持高电平。在SCL(时钟线)上为高电平期间,SDA(数据线)上的电平从高向低的变化定义为IIC总线开启信号,从低向高的变化定义为IIC关断信号。
(3)应答信号

图 3‑3 开始和停止信号
当IIC总线开启后,数据开始在总线上传输。为了确定数据接收端是否正确的接收到数据,需要在每一个次传输8位数据字节后附加一个应答位。当发送端发送完一个字节后,在第9个时钟周期期间,发送端将数据线置高,开放总线。由接收端产生一个应答信号.当应答信号为低电平时,为有效应答,表明接收端成功接收到数据;应答信号为高电平时,为非有效应答,表示接收器没能成功接收数据。因此,一个完整的数据传输过程需要9个时钟周期。

图 3-4 应答信号
当从机作为接收端向主机发送非应答信号,表示本次数据传输失败。当主机作为接收端时,主机向从机发送应答信号,表示继续传输数据;发送非应答信号,从机就认为数据传输结束,并释放数据线。不论是哪种情况都会终止数据传输,这时主机或是产生停止信号释放总线或是产生重新开始信号,开始一次新的通信。
以上是毕业论文大纲或资料介绍,该课题完整毕业论文、开题报告、任务书、程序设计、图纸设计等资料请添加微信获取,微信号:bysjorg。
相关图片展示:







您可能感兴趣的文章
- 一种确定磁探针集总电路参数的标定方法外文翻译资料
- 一种人体可接触的大气压低温等离子体射流装置研究(适合电气B方向)毕业论文
- 氩氧中大气压DBD放电特性研究(适合电气B方向)毕业论文
- 大气压氩等离子体射流放电影响因素的仿真研究(适合浦电气B方向)毕业论文
- 含氧高活性均匀DBD改性聚合物薄膜研究(适合浦电气B方向)毕业论文
- 反应器结构对气液两相DBD放电特性的比较(适合浦电气B方向)毕业论文
- 南京某公司研发楼电气设计毕业论文
- 金帆北苑地块经济适用住房——02栋商住楼电气设计(适用于浦电气1004~06A方向学生)毕业论文
- 扬州人武部大楼电气设计毕业论文
- 金帆北苑地块经济适用住房——04栋商住楼电气设计(适用于浦电气1004~06A方向学生)毕业论文


