电动汽车DCDC变换器信号采集电路设计毕业论文
2020-02-18 11:03:45
摘 要
随着新能源汽车的不断发展,其对内部各种硬件与软件有更高的要求。本文的任务是为电动汽车DC/DC变换器设计信号采集电路,信号采集电路主要是由传感器、信号处理与滤波电路以及A/D转换电路组成。同时本文对仿真出来的测量值与计算值进行比较,所得的结果对于信号采集具有重要的指导意义。
论文主要研究了信号采集电路中关于电压、电流与温度的采集电路设计,对传感器的选型、滤波电路的参数计算以及稳压管的选择等都有详细的分析,对霍尔传感器原理进行详细的分析,以便于选择型号。全面具体的比较仿真结果与计算值之间的差异,进行误差分析。
研究结果表明:本论文设计的DC/DC变换器信号采集电路符合基本要求,证明了该设计方案是可行的。
关键词:电动汽车;信号采集;霍尔传感器;接口电路
Abstract
With the continuous development of new energy vehicles, it has higher requirements for various internal hardware and software.The task of this paper is to design a signal acquisition circuit for the electric vehicle DC/DC converter. The signal acquisition circuit is mainly composed of sensor, signal processing and filtering circuit and A/D conversion circuit.In this paper, the simulated measured values are compared with the calculated values, and the obtained results have important guiding significance for signal acquisition.
The paper mainly studies the design of the acquisition circuit of voltage, current and temperature in the signal acquisition circuit, and has detailed analysis on the selection of the sensor, the calculation of the parameters of the filter circuit and the selection of the voltage regulator.A detailed analysis of the Hall sensor principle, in order to choose the model. The error analysis is performed by comprehensively comparing the difference between the simulation result and the calculated value.
The research results show that the signal acquisition circuit of DC/DC converter designed in this paper meets the basic requirements and proves that the design scheme is feasible.
Key words:electric car;Signal Acquisition;Hall sensor;Interface Circuit
目 录
摘要 Ⅰ
Abstract Ⅱ
第1章 绪论 1
1.1课题研究背景与意义 1
1.2 DC/DC变换器信号采集系统国内外研究现状 1
1.3本文的主要工作及内容安排 2
第2章 DC/DC变换器的信号采集研究 4
2.1 霍尔传感器的原理分析 4
2.1.1 霍尔传感器的工作原理及分类 4
2.1.2 霍尔传感器的优缺点 4
2.2 Pt100铂电阻测温电路原理分析 5
2.2.1 铂电阻原理分析 5
2.2.2 铂电阻桥式测温电路原理分析 5
2.3 滤波电路分析 6
2.3.1 滤波器的功能 6
2.3.2 简单有源二阶低通滤波器分析 6
2.4 运算电路分析 7
2.4.1 理想运算放大器原理分析 7
2.4.2 电压跟随器分析 8
2.5 光电耦合器工作原理分析 8
2.5.1光电耦合器的结构分析 8
2.5.2 光电耦合器的工作原理及特点 9
2.6 继电器工作原理分析 9
2.7 本章小结 10
第3章 电动汽车DC/DC变换器信号采集电路设计 11
3.1电压采集电路设计 11
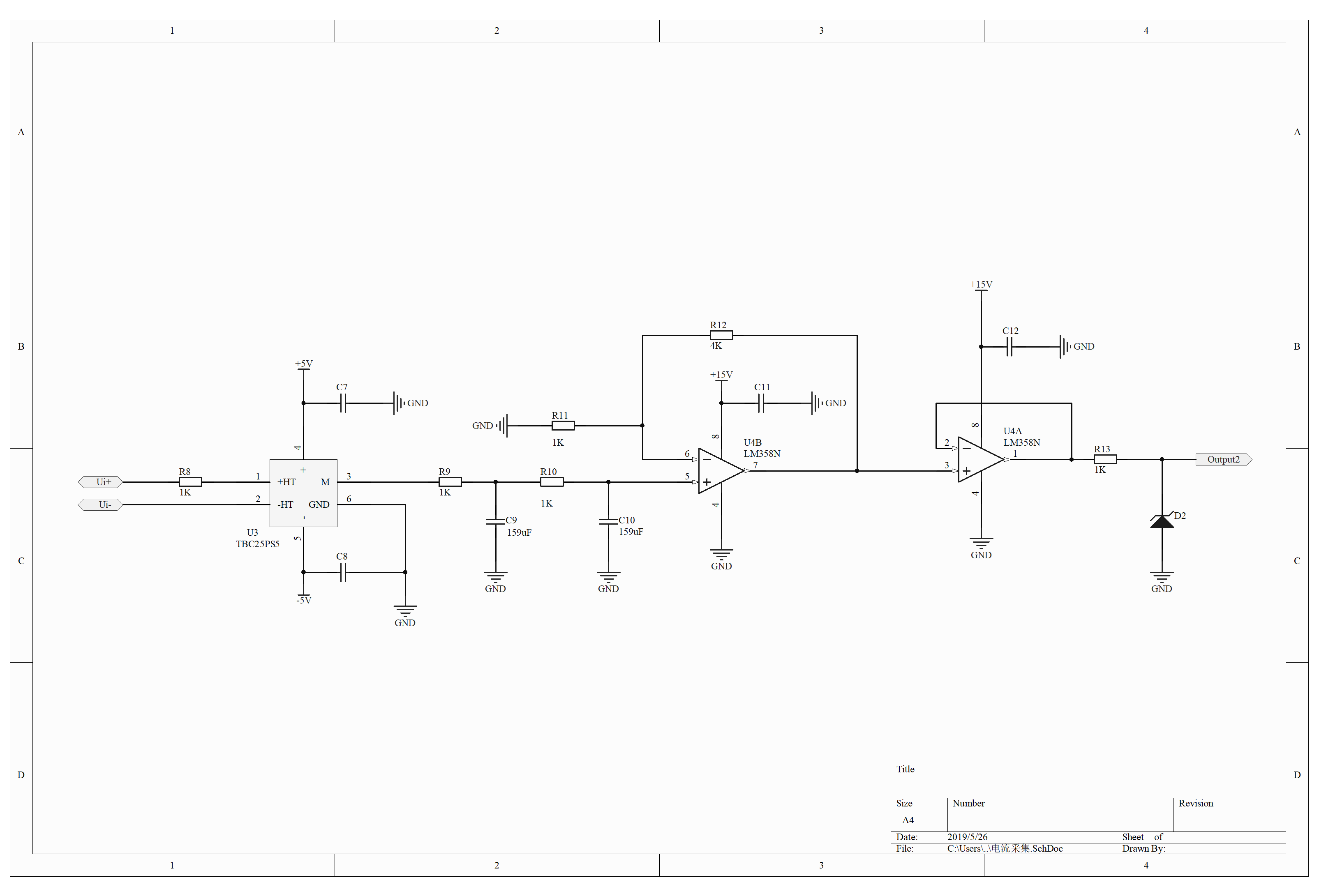
3.2 电流采样电路设计 12
3.3 温度采集电路设计 13
3.4 开关量的输入接口电路设计 14
3.5 开关量的输出接口电路设计 15
3.6 PCB的绘制 16
3.7 本章小结 17
第4章 仿真结果与分析 18
4.1 电压采集电路仿真结果与分析 18
4.2 电流采集电路仿真结果与分析 19
4.3 温度采集电路仿真结果与分析 20
4.4 开关量输入接口电路仿真结果与分析 23
4.5 开关量输出接口电路仿真结果与分析 24
4.6 本章小结 24
参考文献 25
致 谢 26
第1章 绪论
1.1 课题研究背景与意义
到目前为止,世界上的传统能源日渐枯竭,而且消耗这些资源对环境的影响巨大,所以人们一直在竭力寻找替代品,用清洁能源取代这些对环境有害的资源。随着国内外汽车行业的蓬勃发展,给人们的外出带来了极大的便利,但是也造成城市环境更加恶劣,这样不仅加速了传统能源资源的消耗速度,同时还引发了各种环境问题,因此各国都在采取各种方法减少汽车尾气的排放与减弱对环境的影响。电动汽车应运而生,随着燃料电池的飞速发展,电动汽车的研究也有了很大的进步,电动汽车产业正逐步上升为具有重大发展前景的朝阳性产业。正是在这样的背景下围绕电动汽车的课题产生了。
电动汽车DC/DC变换器是辅助动力系统中实现能量流动的重要装置。随着电动汽车的轻型化、商业化和小型化,对DC/DC变换器的要求也越来越高,要求DC/DC变换器重量轻,体积小,系统稳定。而电动汽车DC/DC转换器信号采集系统是用于实时检测并进行相应控制的电子控制系统。该系统可以提高转换器的效率,降低成本,延长使用寿命,提高可靠性和安全性。出色的电气保护和电源管理通常与精确的电气参数测量是分不开的。由于直流电流满足不了法拉第电磁感应定律,因此电流互感器不能直接测量出电流是否为直流,测量的难度和复杂程度也相对较高,其对电路的要求也相对较高。
对于直流信号的采集系统的研究设计已经持续很长一段时间了,从利用欧姆定律电压差的初始测量到利用霍尔效应、磁阻效应等的测量方案,已有数十年的历史。国内外,在研究过程中,开发了各种类型的直流传感器来针对不同大小的直流电流。现如今考虑如何更好地满足规定的要求,开发符合要求的、精度高的、稳定性强的直流传感器已成为业界的热点。
信号采集系统主要包括:电压采集、电流采集、温度采集等。利用采集与检测到的数据进行实时估算,然后将检测到的和估算出来的信息直观的表示在设备上给人们查看,方便驾驶员在驾驶时可以实时观察并采取相应的措施,有效的防止出现失调现象。因此,信号采集系统起着至关重要的作用,在推动整个电动汽车产业以及市场化和产业化方面发挥着重要作用。
1.2 DC/DC变换器信号采集系统国内外研究现状
在电动汽车领域,国外的起步和发展都比较早。随着该领域对DC/DC变换器和动力电池的要求越来越高,许多发达国家和当地汽车制造商加入了很多的人力和财力来发展技术的研发与革新和产品的测试与生产的研究,整个结构框架已经开始在各个国家形成。现有的电动汽车DC/DC变换器信号采集技术已经较为成熟,其基本性能基本满足了电动汽车的需求。文献[1]在电池/超级电容器电动汽车中,采用双向DC/DC变换器,根据能量管理控制器获得的功率参考值对电源进行控制。该变换器的选择对整个系统的效率和容量都有着至关重要的影响。文献[2]中分析了直流变换器的电压和电流控制方式,提出了一种工作在恒压电流状态下的多用途控制器。文中还讲述了采样率的确定、AD转换的比特数、DPWM分辨率和开关频率的原理。同时,提出了一种异步采样方法,保证了反馈信号的精度。此外,针对非线性、参数变化和时变高频开关系统,采用PID调节器用于提高系统的稳定性和动态性能。文献[3]中研究了非隔离双向DC/DC变换器是混合动力电动汽车或燃料电池汽车应用中最流行的低功率或中功率拓扑,这种变换器具有电路拓扑简单、零电压开关、高功率密度和高效率等优点。为此需要复杂的切换策略,该策略优选地通过数字信号处理来实现。
文献[4]中表明新能源汽车是低碳经济快速发展的必然趋势,也是到目前为止汽车行业不断发展的最佳抉择。在当今社会,新能源汽车需要普及,应充分利用新能源,以减少不可再生能源的开发和利用。文献[5]中表示现如今,人们正在不断提高对于环境保护的意识,让人们对环境的保护得到越来越大的重视。只有不断的普及新能源汽车,才能够从根本上节能环保。文献[6]中指出近些年来我国在新能源汽车领域获得了一些之前所没有的收获。在“十一五”、“十二五”的计划中都尤为突出表示了我国需要加快新能源汽车领域发展的决心,并列入“863”重点项目。中国逐步形成了“三纵三横”模式:动力电池、驱动电机和动力总成控制形成的“三横”;由混合动力汽车、燃料电池电动汽车和纯电动汽车组成的“三纵”。文献[7]中表明我国在新能源汽车领域持续的进步,到现在为止已经获得了较好的成果。许多研究场所与汽车领域的企业都以国家制定的“863”计划为向导,展开多方合作开发,各机构充分利用各自的优点,共同开展对电动汽车DC/DC变换器信号采集系统硬件、软件的研发,先后研发出了用于新能源汽车的车载检测系统。文献[8]中详细介绍了电压、电流以及温度变化信号的采样电路,信号采集系统实现了多参数测量与显示。
1.3本文的主要工作及内容安排
随着新能源汽车的不断发展,其对内部各种硬件与软件有了更高的要求。本课题的任务是为电动汽车DC/DC变换器设计信号采集电路,论文工作主要包括以下几方面的内容:了解本毕业设计相关专业知识的发展历史、现状及趋势,以及本毕业设计领域技术发展历史中的重大突破的背景和影响,并理解本毕业设计领域复杂工程问题解决方案的设计/开发背景和意义;了解DC/DC变换器信号采集电路的设计要求,掌握DC/DC变换器原理及基本研究方法;进行电压、电流、温度等传感器选型,设计信号处理与滤波电路,A/D转换电路,开关量输入/输出接口电路,绘制信号采集电路的电路原理图,设计方案应体现节能环保意识和技术经济性能。选择并使用电路仿真软件,对方案进行预测与模拟,并分析其局限性;设计PCB,掌握调试方法。
本文的内容安排如下:
- 、分析讲述了电动汽车DC/DC变换器信号采集系统的研究背景及目的意义,同时也罗列了国内外目前对DC/DC变换器信号采集系统的研究情况以及展望。
- 、简要阐述信号采集系统中传感器的原理分析与其优缺点,然后分析如何信号处理和滤波,考虑要求满足单片机A/D端口对输入电压的要求,构建钳位电路,同时也对开关量的输入/输出接口电路中的光电耦合器与继电器工作原理进行分析,为设计信号采集电路做基础。
- 、使用Altium Designer进行信号采集电路与开关量输入/输出接口电路的原理图设计,并完成PCB的绘制[9]。
- 、使用Multisim进行电路仿真,对仿真结果进行记录和分析,比较仿真结果与测量值之间的差异,并进行误差分析以及分析其局限性。
第2章 DC/DC变换器的信号采集研究
2.1 霍尔传感器的原理分析
2.1.1 霍尔传感器的工作原理及分类
霍尔传感器是依照磁信号的霍尔原理来测量相关电路参数的电磁转换设备。霍尔传感器可以依据工作方式的不同主要分为两种:开环霍尔传感器和闭环霍尔传感器。开环霍尔传感器也叫作直放式霍尔传感器,它里面的磁芯具有一个闭合的磁路,霍尔元件放入到铁芯的正中央,经过检测到磁场信号对输出电压信号进行变换,然后由运算放大电路得到可用于校准电流的电压。闭环霍尔传感器也叫作磁平衡式霍尔传感器,它的工作原理如图2.1所示。其除了拥有直放式霍尔传感器的部分,还增加了推挽电路和二次侧补偿线圈。磁场信号经过霍尔元件变换成为电压信号,然后通过运算放大器和推挽电路,以形成到二次侧线圈的补偿电流反馈[10]。由此,磁芯达到磁平衡状态状态。
图2.1 闭环霍尔传感器
2.1.2 霍尔传感器的优缺点
直放式霍尔传感器电路结构简单,制作成本相对较低,但是该器件的响应时间较为迟缓、所要求的精度不高,还有温度漂移较大,所以在实际电路应用中存在有一定的局限性;磁平衡霍尔传感器能够较为有效的降低影响,同时减少对霍尔传感器线性工作的依赖,可用于各种电流检测,如直流、交流和混合电流。与直放式霍尔传感器相比,它具有较高的精度、良好的线性度和响应时间较快,以及高带宽、低插入损耗和低增益漂移,但缺点是成本较高、功耗较大、结构复杂。此外,霍尔传感器对温度的变化较为敏感,通常都需要额外的温度补偿电路来减少误差影响;对模块的架构要求也相对较高,要保证磁场垂直于霍尔元件;对小电流测量的性能较弱且容易受到干扰。
2.2 Pt100铂电阻测温电路原理分析
2.2.1 铂电阻原理分析
铂电阻最为突出的特点性能有可靠、稳定性好和精度高等。即使在较高温的环境下,铂在氧化环境中的物理性质和化学性质也是及其稳定的。铂电阻的测温范围为-200~850℃。其阻值与其表面温度之间的关系,在温度为0~850℃的条件下可用式(2.1)表示:

在温度为-200~0℃的条件下可用式(2.2)表示:
式中Rt为温度t℃下的铂电阻的阻值;R0为温度0℃下的铂电阻的阻值;A、B、C均为常数,
,
,
;

工业标准铂电阻R0有两种:50Ω和100Ω,并且电阻值Rt与温度之间的对应关系被制成表格以形成铂电阻分度表[11]。
根据上式表明,Pt100铂电阻的电阻阻值的变化与温度的变化成正比,随着温度的上升其阻值匀速的增长。因此,我们利用Pt100铂电阻特性来实现温度与输出量之间的变换。
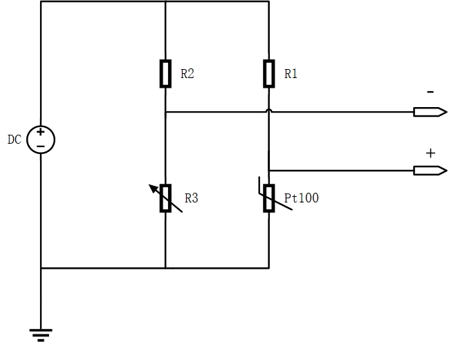
2.2.2 铂电阻桥式测温电路原理分析
该测温电路采用惠斯顿电桥,如图2.2所示。由一个Pt100铂电阻、一个可调电阻和两个高精度电阻组成,当温度发生变化时,电桥输出的差分电压信号也随之改变,实现温度可测量性。在其中一个桥臂上使用可调电阻的目的是调整零点,使电路在常温的情况下通过调节其阻值使电桥输出的差分电压信号为零。
图2.2 惠斯顿电桥
2.3 滤波电路分析
2.3.1 滤波器的功能
通常在电路中,输入信号的频率会有很多,其中一些是所需的工作信号频率,其中一些是不需要的干扰信号频率分量。如果两个信号在频率分量上具有较大差异,则可以通过滤波滤除不需要的信号。可以采用滤波电路来解决如上出现的问题。滤波电路通常是达到信号处理、抑制干扰和传输数据的作用。它允许通过需要的频率信号输出出去,同时抑制通过不需要的频率信号截止下来。滤波器主要分为无源滤波和有源滤波,由运算放大器组成的有源滤波器,或者由电抗性元件组成的无源滤波器[12]。
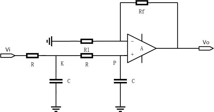
2.3.2 简单有源二阶低通滤波器分析
为了能够使输出电压在较高频段以很快的速率下降,这就需要二阶低通滤波器来改善滤波效果。简单有源二阶低通滤波器(LPF)如图2.3所示。
图2.3 简单有源二阶低通滤波器
该滤波器是由两节RC低通滤波环节与运算放大器组成。其中同相放大器实际上是压控电压源,它的电压放大倍数就是低通滤波的通带电压增益,而此时电容可视为开路,即

根据上图所示,二阶低通有源滤波器传递函数为
(2.4)

(2.5)
(2.6)
联立三式解得
令
。可以得到频率响应的表达式

当
时,根据上式求得分母的模为

解得截止频率为

式中,除了上图中表明的电阻R、电容C,还有
为P点处电压,
为K点处电压。在本次设计中,由于DC/DC变换器的工作频率在500HZ~10kHZ,故选择截止频率为10kHZ。取电阻R为1KΩ,带入上式得电容C为159μF。

2.4 运算电路分析
2.4.1 理想运算放大器原理分析
由于集成运算放大器在正常环境下特性较理想,故在设计电路时可以简化调试过程。理想运算放大器的特性有如下几点:双电源或单电源供电,输出最大值受电源电压限制;具有同相、反相输入端,能够对差分信号进行放大;等效的输入电阻很大,等效的输出电阻很小;开环电压增益很大,这样可以有效的隔离输入输出端。因此理想的运算放大器的线性工作状态是“虚短”和“虚断”这两种状态,“虚短”表示运两输入端电位几乎相等;“虚断”表示两输入端相当于开路。
本次设计采用了LM358N芯片,它内部有两个互相独立的运算放大器。既可适用于电源电压范围很宽的单电源,也可适用于双电源工作模式[13]。LM358芯片的封装如图2.4所示。
以上是毕业论文大纲或资料介绍,该课题完整毕业论文、开题报告、任务书、程序设计、图纸设计等资料请添加微信获取,微信号:bysjorg。
相关图片展示:







您可能感兴趣的文章
- 一种确定磁探针集总电路参数的标定方法外文翻译资料
- 一种人体可接触的大气压低温等离子体射流装置研究(适合电气B方向)毕业论文
- 氩氧中大气压DBD放电特性研究(适合电气B方向)毕业论文
- 大气压氩等离子体射流放电影响因素的仿真研究(适合浦电气B方向)毕业论文
- 含氧高活性均匀DBD改性聚合物薄膜研究(适合浦电气B方向)毕业论文
- 反应器结构对气液两相DBD放电特性的比较(适合浦电气B方向)毕业论文
- 南京某公司研发楼电气设计毕业论文
- 金帆北苑地块经济适用住房——02栋商住楼电气设计(适用于浦电气1004~06A方向学生)毕业论文
- 扬州人武部大楼电气设计毕业论文
- 金帆北苑地块经济适用住房——04栋商住楼电气设计(适用于浦电气1004~06A方向学生)毕业论文


