锂离子电池组均衡电路的设计毕业论文
2020-02-18 11:03:07
摘 要
在如今的现代化的生活中,锂离子电池得到普遍的应用,其具有其他类型的电池不可比拟的优点如使用的寿命很长,良好的锂电池可以充电达到上千次以上,另外锂电池具有容量大、充电速度快、循环能力优越等特点,因此可以设想未来锂电池具有很大的发展空间和良好的应用前景。锂电池技术如今发展趋于成熟,在许多的智能设备如家用电脑、手机、充电宝等得到普遍应用。在人类社会能源问题一直是一个避不开的话题,从煤炭、石油、天然气等化学能源到如今电能、氢能等新能源,人们一直在对新能源进行不断探索并想方设法将其应用到生活中来。然而,锂离子电池在大规模使用时也存在一些问题,锂离子电池通常经过串联和并联满足一些场合大容量、续航久和高性能的要求。
近年来纯电动汽车发展迅速,市场上的纯电动汽车目前以铅酸蓄电池为主,但这种电池容量很难做到很大,体积笨重,续航能力较锂离子电池弱。有些公司已经成功推出以锂离子电池为主的电动汽车如特斯拉。特斯拉汽车电池由上百节的锂离子电池串并联而成,其成功的原因很大程度上在于先进的均衡管理技术。锂离子电池目前的技术难题之一就是电池均衡技术,由于制造工艺的精准度和使用方法等原因锂离子电池在串联使用时不可避免的出现电池的不一致性,这使得电池在循环的充电和放电过程中出现电池容量的不同,造成电池的过度充放电,影响电池的整体使用寿命并且可能造成安全隐患,于是锂离子电池均衡技术应运而生。目前锂离子电池均衡技术复杂多样,主要包括有损均衡和无损均衡两部分,本文将介绍有关的均衡电路并且选择几种均衡电路进行仿真,验证其均衡效果并对其优缺点进行比较。
关键词:锂电池;均衡技术;仿真
Abstract
In today's modern life, lithium-ion batteries have been widely used, it has other types of batteries incomparable advantages such as the use of a long life, good lithium batteries can be recharged more than thousands of times, in addition to lithium batteries with large capacity, fast charging speed, superior cycle capacity and so on, Therefore, it can be envisaged that the future lithium battery has a lot of space for development and good application prospects. Lithium battery technology is now maturing, in many smart devices such as home computers, mobile phones, charging treasure and so on are widely used. In the human society energy problem has been an open topic, from coal, oil, natural gas and other chemical energy to today's electricity, hydrogen energy and other new sources, people have been constantly exploring new energy and find ways to apply it to life. However, there are some problems with lithium-ion batteries in large-scale use, and lithium-ion batteries usually meet the requirements of large capacity, long life and high performance in series and parallel.
In recent years, pure electric vehicles have developed rapidly, the market of pure electric vehicles are mainly lead-acid batteries, but this battery capacity is difficult to achieve a large, bulky volume, the ability to grow is weaker than lithium-ion batteries. Some companies have successfully launched electric vehicles based on lithium-ion batteries such as Tesla. Tesla car batteries are made up of hundreds of lithium-ion batteries in parallel, and the reason for their success lies largely in advanced equilibrium management techniques. Lithium Ion battery One of the current technical problems is battery equalization technology, due to the precision of the manufacturing process and the use of methods, such as the use of lithium-ion batteries in series when the inevitable appearance of battery inconsistency, which makes the battery in the cycle of charging and discharging the battery capacity of different, resulting in excessive charge and discharge of the battery, It affects the overall service life of the battery and may cause safety risks, so the equilibrium technology of lithium-ion battery comes into being. At present, the equilibrium technology of lithium-ion battery is complex and varied, including two parts, such as lossy equilibrium and non-destructive equilibrium, this paper will introduce the equilibrium circuit and select several equilibrium circuits to simulate, verify its equilibrium effect and compare its advantages and disadvantages.
Keywords: lithium battery; equilibrium technology; simulation
目录
摘要 I
Abstract II
第1章 绪论 1
1.1 课题研究背景与意义 1
1.2 国内外研究现状 2
1.3 本文主要研究内容 4
第2章 锂离子电池基本性能参数研究 5
2.1 锂离子电池工作原理 5
2.2锂离子电池组不一致性 6
2.3电池状态估计 7
2.4针对电池不一致性的举措 8
第3章 均衡电路介绍分析 10
3.1均衡电路类别和特点 10
3.2被动均衡介绍分析 11
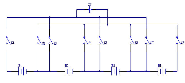
3.2.1恒定电阻式均衡电路 11
3.2.2开关控制均衡电路 11
3.3主动均衡介绍分析 12
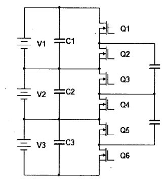
3.3.1电容式均衡电路 12
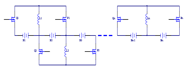
3.3.2电感式均衡电路 14
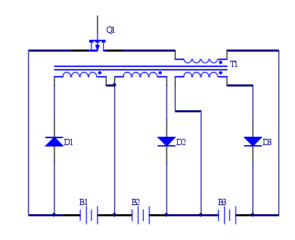
3.3.3变压器式均衡电路 14
3.4制定均衡策略 15
第4章 仿真验证和分析 16
4.1锂离子电池模型 16
4.2被动均衡仿真 18
4.3主动均衡仿真 20
第5章 总结 23
参考文献 24
第1章 绪论
1.1 课题研究背景与意义
从古至今能源对人类社会特别重要,一开始人们主要以煤炭石油等化石能源为主,它们对人类社会的发展起到了极大的促进作用,前两次的工业革命都是利用了这些化石能源促使人们生活方式发生极大的变化,整个人类社会也不断前进。然而化石能源是不可再生能源,如果一直依赖这些不可再生能源总有一天要被消耗殆尽,另外化石能源在燃烧时会散发多种有毒气体,大量使用对生态环境造成很大损害且该能量难以存储、转换效率低,因此人们需要一种新的能源作为替代品。从18世纪开始人类对电开始进行探索至今,电力在人们生活种日趋重要,特别是21世纪的今天人们生活更离不开电能[1]。发电的方式很多,可以使用传统能源也可以使用水力、地热等清洁能源。与传统能源直接燃烧相比电力更加清洁高效,适用多种复杂环境。电池的出现使得人们可以对电力进行存储,能量使用变得越来越简单。一开始广泛使用的电池主要是铅蓄电池,这种电池制造简单,成本较低,但是体积笨重使用寿命也存在短板。 近些年以锂离子电池作为电源的产品越来越多,锂离子电池相比其他种类的电池具有不可比拟的优点,其循环性能出色,良好的锂电池可以充电达到上千次甚至更高,因此寿命很长,另外其体积很小,能量密度缺很高,适合现代社会对能源的要求[2]。
如今锂离子电池在智能家居用品中已经广泛使用,但是有些产品如电动汽车需要电源提供300V左右的输出电压,为了满足这些要求锂离子电池经常多节电池串并联使用。由于制造工艺的精度和多次循环使用等原因,锂离子电池会在电池之间产生荷电状态的不同,其参数包括电压、容量等,电池间的不一致性会造成有些电池过度充放电,串联锂离子电池的寿命由电池性能最差的那节电池所决定,而锂离子电池的过度充放电会严重影响电池的使用寿命。均衡的意义在于利用相关电力电子技术,让单体电池之间的电压或容量差等保持在一个合理范围内,避免电池过度充放电的发生,从而在一定程度上对电池进行保护并延长整体使用寿命。目前多节锂电池串联使用的均衡问题在一定程度上限制了其在生活中的应用,特别是串联数目达上百节时其控制均衡策略更加复杂,但是在现实生活中有这种需求如纯电动汽车若采用锂电池其需要串并联的电池就会达到上百乃至更多,国家目前大力支持新能源汽车,随着有关政策的落实新能源汽车的用户将会越来越多。国内将锂电池作为电源的汽车数目寥寥无几,原因有一部分在于均衡电路设计非常困难让很多厂家望而却步。可见,锂离子电池均衡电路具有实实在在的社会意义,均衡电路将会带动有关产业的兴旺并对社会产生新的变革[3]。
1.2 国内外研究现状
锂离子电池从应用以来都伴随着均衡电路,不同的均衡方法体现出不同的科技水平。均衡技术的研究以两方面为主:一方面重在均衡的控制方法及其策略,其中包括选择测量参数并设定控制体系、完善整体评判标准;另一方面是均衡电路的拓扑设计,包括均衡硬件系统的设计,一般讨论电池组的管理系统来说明均衡系统的发展情况[4]。随着电动汽车研究和使用的不断升温,人们对相关均衡电路愈加重视并研发出多种均衡策略和均衡电路,其中有些已装车使用,经验证有着良好的性能。比较优秀的电池管理系统有:美国Aerovironment 公司研发的SmartGuard系统,其有相关的软件和硬件可以对多种参数进行测量显示,取得不错的效果;德国Mentzer Electronie Gmb H与Wemer Retzlaff联合设计的 BADICHEQ系统与BADICOACH系统,它们可以对电池状态进行监测并在满足一定条件时对电路进行均衡管理。这里不得不提特斯拉,特斯拉汽车在国际具有很高的知名度,其电池选择最不稳定但能量密度最高的三元锂,整个电池由几百节三元锂电池串并联而成,控制难度最为复杂,但是特斯拉做到了,从中可见其先进的电池管理技术。在国内,锂离子电池的使用及其相关研究较西方国家晚,但是近些年国家大力支持新能源汽车,对电池方面的研究也投入财力,锂离子电池作为目前最出色的电池,其相关研究也有序进行,一般各种大学和研究所是研究的主要阵地,研究成果通过和相关企业合作让成果进行转化,比如在08年北京奥运会上就用到了哈工大、北交、北大清华等设计的锂电池管理系统,并成功将其安装在相关交通设施上面。国内的某些汽车生产商如比亚迪已经量产新能源汽车,其电池类型为磷酸铁锂电池,在国内比亚迪的新能源汽车不管是在销量还是技术方面都走在前列,和国外相比技术差距已经很小[5]。另外国内涌现一批优秀的锂电池生产商比如欣旺达等,这里不再一一介绍。
目前出现的各种均衡电路按照有没有消耗能量可以分为耗能性均衡和非耗能性均衡两大类,耗能性均衡将电池间能量差异通过电阻以热量释放出来,非耗能均衡一般通过电感电容等元件实现能量的转移[6]。总的来说,电池组均衡系统发展趋势可以概括如下几点:
(1)降低能量损耗:不管是什么类型的均衡系统,在设计均衡系统时都朝能量 损耗尽可能小的目标发展,不仅可以节约能源,还可以避免电池因散热不良引起
的安全事故。
(2)减小均衡系统的体积:汽车应用级部件对体积有严格要求,并且从汽车整
车的成本出发,希望均衡系统有着体积小、电路简单、可靠性高等特点。
(3)均衡电路的设计适用性强:能对不同串联数的电池组进行均衡,体现了均 衡效率高的要求。
(4)混合均衡控制对象:可以根据电池组的开路电压、电池容量、SOC(电池剩电状态State.of-Charge)等结合的方式作为均衡的控制对象,采用结合的方式能使 得均衡更彻底,并且均衡效率也将提高。
(5)适时性:包括电池组使用的各个过程(充电、放电、搁置)。
具体的均衡方法如下图所示:

图1.1
1.3 本文主要研究内容
本文以锂电池为研究对象,介绍其基本特性和常见的几种均衡电路,在对均衡电路分析的基础上对均衡控制策略进行matlab仿真验证,内容分以下几部分:
第一章为绪论部分,说明为什么对均衡电路进行研究,介绍国内外研究现状并举例进行说明,对锂电池均衡电路进行了简单说明,为后面对均衡电路研究做了铺垫。
第二章为锂离子电池性能参数介绍,说明锂电池的种类和特点,分析锂离子电池组不一致的原因和危害及相应的应对措施。
第三章介绍不同的均衡电路,以均衡电压作为参数,分析不同均衡电路均衡电压原理,对不同均衡电路进行比较,说明在不同环境下各均衡电路实施的可行性。
第四章为仿真结果分析部分,使用simulik模块建立仿真模型,分别针对有损和无损均衡建立仿真模型,验证了方案和控制策略可行性。
最后为总结和展望,说明锂电池组均衡电路的重要意义和发展趋势,对本文所作的工作进行说明,同时提出有待进步之处,为以后的更好更高效均衡电路提出自己的期盼。
第2章 锂离子电池基本性能参数研究
2.1 锂离子电池工作原理
锂离子电池阳极由含锂化合物组成,阴极由含碳原料组成,其中没有金属锂只有锂离子。锂离子电池由锂电池发展而来两者稍有不同,锂电池阴极是金属锂,而锂离子电池无金属锂的存在,使用非水液态有机电解质。当电池为充电状态时阳极产生锂离子并经过电解质溶液运动到电池阴极,由于阴极是含碳的物质它呈现出分层多孔的现象,锂离子运动到阴极后就嵌入到这些微孔之中,不断进行充电就会不断发生以上现象,使得电池的容量升高[7]。当电池放电时,锂离子从含有碳层的阴极经电解质运动到含锂化合物的阳极,若电池一直放电则一直进行此化学过程。图2.1是以LiFeP为例电池内部结构示意图。以此为例说明锂离子电池的工作原理。

图2.1锂离子电池内部结构
正极反应为:LiFePlt;=gt; xL x;
负极反应为:nC xL xlt;=gt;L;
总的反应方程:LiFeP nClt;=gt; L;其中箭头两边代表充电和放电[8]。
2.2锂离子电池组不一致性
由于电池组的寿命由单体电池最差的那节决定,若电池间的不一致性差距过大会降低电池组的使用寿命,使得电池组的性能收到很大程度损害。因此分析动力电池组的不一致性并且采取有效的均衡措施,对于降低电池不一致性和提高电池寿命等有着深远的意义[9]。
锂离子电池的不一致性主要表现为在同一电池包内各单体电池的电压、内阻、 容量、温度等方面参数的差异。不一致性的产生主要分为两个过程:
(1)在电池出厂电动汽车用锂离子电池组电压均衡研究前,由于工艺和材质不均匀使得电池组产生不均衡性。
(2)在装车使用过程中,由于电池箱内的温度梯度的存在、汽车行驶工况的不同、电池组使用不当等因素造成的不一致性。

图2.2
如图2.2是对一组新电池和旧电池的内阻测量绘制的图形,可以看出,新电池的内阻较小,且阻值1mΩ到2mΩ之间徘徊如果对大量新出厂的电池进行内阻测量并分析可知,其阻值呈正态分布而且新电池内阻整体波动较小。但是随着电池使用周期增多和电池老化加重,电池的内阻较新电池的内阻增大许多,并且离散化严重。这会造成电池特性发生改变,不利于使用并且可能造成安全事故[10]。锂离子电池组单体电池之间电压和容量的不一致性同样影响电池的使用,会造成电池过度充电和过度放电,影响电池的整体使用寿命。
以上是毕业论文大纲或资料介绍,该课题完整毕业论文、开题报告、任务书、程序设计、图纸设计等资料请添加微信获取,微信号:bysjorg。
相关图片展示:







您可能感兴趣的文章
- 一种确定磁探针集总电路参数的标定方法外文翻译资料
- 一种人体可接触的大气压低温等离子体射流装置研究(适合电气B方向)毕业论文
- 氩氧中大气压DBD放电特性研究(适合电气B方向)毕业论文
- 大气压氩等离子体射流放电影响因素的仿真研究(适合浦电气B方向)毕业论文
- 含氧高活性均匀DBD改性聚合物薄膜研究(适合浦电气B方向)毕业论文
- 反应器结构对气液两相DBD放电特性的比较(适合浦电气B方向)毕业论文
- 南京某公司研发楼电气设计毕业论文
- 金帆北苑地块经济适用住房——02栋商住楼电气设计(适用于浦电气1004~06A方向学生)毕业论文
- 扬州人武部大楼电气设计毕业论文
- 金帆北苑地块经济适用住房——04栋商住楼电气设计(适用于浦电气1004~06A方向学生)毕业论文


