全钒液流电池瞬时功率预测方法研究毕业论文
2020-02-18 11:02:05
摘 要
随着可再生能源被日益普及,电网的安全、稳定,高效运行很大程度上要依托于储能技术。全钒液流电池(Vanadium Redox Flow Battery,VRB),简称钒电池,是活性物质以液态循环的氧化还原电池。具有工作效率高、充放电周期长、放电深度大、易于维护等优点,钒液流电池不仅适用于电力系统独立储能电站,也适用于风电场抑制功率波动,在电力储能领域应用前景非常广阔。现如今,愈来愈多的国家重视这种储能技术的研究,其发展前景不容小觑。
本文根据钒电池的充放电原理,对钒电池的电化学特性以及物理特性进行了等效,并根据钒液流电池的瞬时变化建立了钒液流电池的等效电路模型,讨论了影响钒电池充放电的因素,这些因素主要是充放电电流、温度、流量等。并且采用Matlab/Simulink仿真软件对钒液流电池的充放电特性进行了测试,对钒电池选择恒流的充放电模式,仿真结果表明,该模型能够较好地反应全钒液流电池的工作特性,全钒液流电池具有良好的充放电性能,同时,还对电流和流量对全钒液流电池工作性能产生的影响进行了讨论。通过仿真对全钒液流电池瞬时功率进行预测,得到不同的荷电状态(SOC)下,全钒液流电池最大可供输出功率,从而确保电池工作在高效的状态。
本文以额定功率为5.5kW的钒电池为例,通过仿真研究了全钒液流电池在恒电流充放电模式下的荷电状态、电池工作特性以及瞬时功率预测。
关键词:全钒液流电池;等效电路模型;工作特性;瞬时功率;仿真
Abstract
As renewable energy is increasingly popular, the grid is safe and stable. Efficient operation depends largely on energy storage technology. Vanadium Redox Flow Battery (VRB), abbreviated as vanadium battery, is a redox battery in which the active material is circulated in a liquid state. It has the advantages of high work efficiency, long charge and discharge cycle, large discharge depth and easy maintenance. The vanadium flow battery is not only suitable for power system independent energy storage power station, but also suitable for wind farm to stabilize power fluctuations, and it has application prospects in the field of power storage. The division is broad. Nowadays, more and more countries attach importance to the research of such energy storage technologies, and their development prospects cannot be underestimated.
According to the charge and discharge principle of vanadium battery, the electrochemical characteristics and physical properties of vanadium battery are equivalent. According to the instantaneous change of vanadium flow battery, the equivalent circuit model of vanadium flow battery is established, and the vanadium battery is discussed. Charge and discharge factors, these factors are mainly charge and discharge current, temperature, flow and so on. The charging and discharging characteristics of vanadium redox flow battery were tested by Matlab/Simulink simulation software. The charging and discharging modes of constant current were selected for vanadium battery. The simulation results show that the model can better reflect the work of all vanadium redox flow battery. Characteristics, all vanadium redox flow battery has good charge and discharge performance, at the same time, the influence of current and flow on the charge and discharge performance of all vanadium redox flow battery is discussed. By simulating the instantaneous power of the all-vanadium flow battery, the maximum output power of the all-vanadium flow battery is obtained under different state of charge, so that the battery works in an efficient state.
In this paper, a vanadium battery with a rated power of 5.5 kW is used as an example. The state of charge and battery operating characteristics of the all-vanadium redox flow batteryin constant current charge and discharge mode have been studied by simulation.
Key Words:VRB; equivalent circuit model; working characteristics; instantaneous power; simulation
目 录
第1章 绪论 1
1.1 课题的研究意义及背景 1
1.2 储能技术 1
1.2.2 储能技术分类及性能对比 1
1.2.2 全钒液流电池储能技术的发展现状 3
1.3 本文的研究意义及内容 5
第2章 全钒液流电池的建模与分析 7
2.1 全钒液流电池的工作原理及特点 7
2.1.1 全钒液流电池的工作原理 7
2.1.2 钒液流电池主要特点 8
2.2 全钒液流电池电化学模型 9
2.2.1 荷电状态 9
2.2.2 全钒液流电池电子交换量 10
2.2.3 温度影响 10
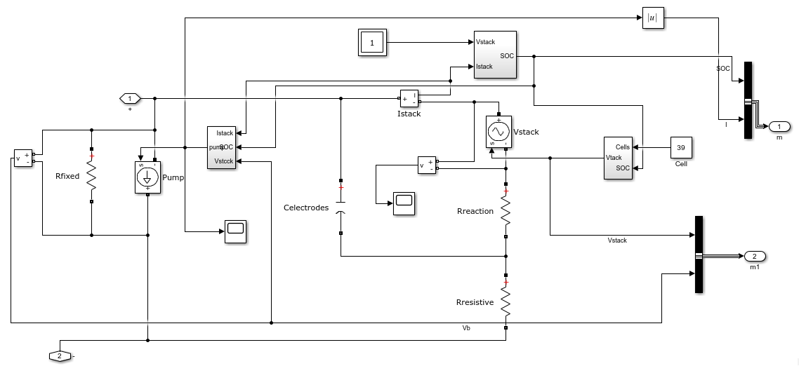
2.3全钒液流电池等效电路模型 11
2.4 全钒液流电池机械模型 14
2.4.1 管道压力损失 14
2.4.2 电堆压力损失 15
2.4.3 全钒液流电池流体力学模型搭建 16
2.5 本章小结 18
第3章 基于Matlab/Simulink建立VRB仿真模型 19
3.1 全钒液流电池模拟仿真 19
3.2 充放电电流对电池运行特性的影响 22
3.3 本章小结 23
第4章 全钒液流电池瞬时功率预测 24
4.1 全钒液流电池瞬时功率预测仿真模型 24
4.2 VRB充电期间的最优流量 26
4.3 VRB放电期间的最优流量 26
4.4 本章小结 28
第5章 结束语 29
参考文献 31
致谢 33
第1章 绪论
1.1 课题的研究意义及背景
二十一世纪以来,世界经济快速发展,尤其随着工业的发展壮大,全球范围内对能源的需求量激增,不可再生的化石能源储量早已不能满足人类需求,甚至因为大规模开发和利用而面临枯竭。核能的大规模发展在很多方面受到阻碍,不可再生化石能源的大规模开采也将导致酸雨、温室效应等一系列环境污染问题,因此,开发和利用可再生能源将是解决能源危机和环境污染的有力举措[1]。开发诸如太阳能、风能等可再生清洁能源,重视环境友好型或无污染能源的利用也是大势所趋。
目前已经开发的储能方式有机械类储能、电气类储能、电化学储能、化学储能等[24]。在被广泛应用于大容量储能领域的储能技术中,全钒液流电池(all vanadium redox flow battery,VRB)作为一种新型的二次电池[2],具有可灵活调节系统容量和功率、使用寿命长、能够深度充放电、快速完成响应,操作和维护方便等优点,使得它发展前景广阔,近年来在世界各国都得到了大规模的应用[3]。此外,VRB还可具有均衡负载、削峰填谷、偏远地区独立电站、紧急备用电源和不间断电源等多种优点,多个VRB示范项目在全球顺利建成,作为储能系统,它在风电并网领域的优势和意义都不容小觑[4]。下文中将会对几类使用范围广,发展相对成熟的储能技术做详细介绍,并进行对比分析。
对电力系统负荷进行建模时,一定要尽可能保证模型的准确性和完整性,正确的仿真模型才能得到得到符合实际运行特性的数字仿真结果,才能对电力系统的运行控制和规划设计提供准确的决策指导[5]。现如今,全钒液流电池已经成为电力系统中一种重要的新型负荷,钒电池储能技术的发展进程正在不断推进,可以预测到未来钒液流电池在大规模储能领域应用中将处于领先地位。因此,VRB储能系统的建模是电力系统建模中迫切需要解决的技术问题之一。
1.2 储能技术
1.2.2 储能技术分类及性能对比
储能技术是一种借助装置或物理介质来储存能量,日后需要时再对能量加以利用的技术[29]。储能电源能够在短时间内吸收和释放电能量,这很大程度上减弱甚至抑制了风电功率波动对电网的影响。对可再生能源的开发应用,以及电网智能化进程的推进也于无形之中加快了储能技术的发展速度。可再生能源的推广应用依托于储能技术的完善,加快储能技术的发展进程也相继被列入各国的能源战略计划之中[6],相对成熟的储能技术有机械储能、电磁储能以及电化学储能三类。各种储能方式都有其自身的特点及适用范围,下面将展开详细对比介绍[7]。
(1)机械储能
电能以动能或势能的形式存储的方式称为机械储能,其中抽水蓄能、压缩空气储能和飞轮储能最为常见。
抽水蓄能是将电能以重力势能的形式存储。电力负荷低谷期,下水库向上水库抽水,负荷高峰期将上水库中的水释放出来从而完成发电。释放能量需要花费数小时或数天,主要应用在电力系统的调峰填谷、调频、调相、事故备用等。建设抽水蓄能电站,需要考虑场地限制,用电区域和电站的距离不宜过大,否则会增加建设成本,同时产生较大的输电损耗。
压缩空气储能是一种在电网负荷低谷期时通过电能进行空气的压缩,在电网负荷高峰期,将压缩空气释放从而推动汽轮机发电的储能方式。建设压缩空气储能电站会受到地形的约束,目前,这种储能系统还没有大规模应用,且世界上只有三座较大型的压缩空气储能系统,我国在压缩空气储能技术领域上的研究主要集中在理论层面,没有具体的应用实例。
飞轮储能是利用电动机驱动飞轮高速旋转,使电能转换为机械能,在电力负荷高峰期,飞轮会根据需要驱动电机发电。飞轮系统具备不产生摩擦损耗、使用寿命长、风阻力小、无需维护等优势,常运行在高真空的环境,用于电网调频,保证电能质量。
(2)电磁储能
电能以电磁能的形式存储的方式称为电磁储能。常见的有超导储能、电容储能、超级电容器储能等。
超导储能系统将电能转换为电磁能储存。超导储能系统在进行功率传输时不需要转换能源形式,提高了转换效率,并且能够快速完成响应。基于上述优点,它可以完成与电网进行大容量能量的实时交换,实现功率补偿等工作。但是其造价高、维护费用高,对环境温度的要求也高。适用于给输配电网进行功率补偿和提高系统稳定性等场合。
超级电容器储能基于电化学双电层理论设计而成。双电层电容器在能量存储释放过程中没有产生化学反应,因此进行充电、放电时很快速,可多次深度循环充放电。
(3)电化学储能
电能以化学能的形式储存的方式称为电化学储能。能量之间的转换、存储和释放都是通过氧化还原反应完成的。下面将介绍几种常见的电化学储能方式。
锂离子电池能量密度高,功率密度大,转换效率高,造价高,适用于电力系统储能电站、航空航天、军用领域、电动汽车、微电网等。铅酸电池技术相对成熟,成本低廉,使用寿命短,适用于通信系统、电动汽车,微电网等领域。钠硫电池属于高比能量蓄电池、使用时零污染、零噪声。但价格贵、国内技术不成熟,需要进行特殊防护等缺点阻碍了电力系统中钠硫电池的大规模化运用。液流电池可多次循环充电放电、能量转换效率高,但能量密度低,占地面积大,主要应用在国外,与分布式电源配合或者用于偏远地区的供电等[8]。表1.1 从几个方面对比了上述3种储能技术的优势和劣势。
表1.1 各类储能技术对比

1.2.2 全钒液流电池储能技术的发展现状
电化学液流电池是一种新型的大型电化学储能装置,正负极电解液为含钒离子的盐溶液的液流电池,又称为钒电池。其中,全钒液流电池,是由同种钒元素,不同种价态的钒离子所构成的电池系统。因为只含有钒离子,所以在发生化学反应时,不会有不同离子相互污染的情况发生。
澳大利亚的新南威尔士大学最早进行全钒液流储能电池的研究。从1984年开始,新南威尔士大学(UNSW)的skyllas-kazaeos研究小组对钒电池进行了多次研发。功率为1kW的电池组在1991年成功组装,引发世界范围内对钒液流电池的关注。1993年,新南威尔士大学与泰国公司合作,第一次在光伏发电领域使用了全钒液流电池储能系统[9]。
20世纪80年代中期以来,日本许多机构顺利研发出了不同功率、不同容量,不同规模的VRB储能系统。日本住友电工和关西电力公司在1985年共同合作研发钒液流电池。日本住友电工在1996年使用24个自己研发的20kW的电池组通过串、并联组装了一个450kW的钒电池组。2005年,一套 4MW/1MWh全钒液流电池储能系统在北海道32MW的风电场落成,用来抑制风电场功率波动及进行电力调峰[10]。2012年住友电工在日本横滨开发了1MW/5MWh全钒液流电池兆瓦级示范项目[28]。
储能技术的不断发展推进了全钒液流电池储能系统的实用化进程。加拿大在VRB储能系统的开发、VRB商业化应用方面的推动作用巨大。2003年11月14日,加拿大VRB Power Systems公司为澳大利亚金岛建立了规模为200kW8hVRB储能系统,和风电场、柴油机进行配合,构成混合发电系统。这个系统能够改善风电场的出力,最大限度地降低柴油机运行时间,使风力发电系统的供电、变电实现平稳化[11]。
液流电池储能系统的开发已经步入产业化进程,包括美国、意大利、德国以及丹麦在内的许多国家对VRB的应用也已进入大规模商业化阶段[12]。表1.2所示为全球范围内部分全钒液流储能电池项目。
表1.2 全球部分钒液流电池项目

从上世纪80年代末开始,我国开始对钒液流储能电池进行基础研究,起步相对较晚,主要研究机构是高校和研究所进行。在中国工程物理研究院电子工程研究所,大连化学物理研究所和中南大学等多所高校的带领下,我国VRB储能技术研发进展巨大,现如今中国也拥有了全球VRB储能技术的领先水平[11]。
2008年11月1日通过辽宁省科技厅专家组的鉴定,鉴定结果表明,成功开发的100kW级全钒液流储能电池系统和10kW级电池模块是国内首创。2003年2月,辽宁电力勘测设计院验收了中国最大的5MW/10MWh全钒液流电池储能系统应用示范项目。这一示范项目的建成对于我国储能电池技术产业化和推广运用可再生能源具有深远的意义[13]。
推广运用可再生新能源是大势所趋,再加上我电力行业、电网技术的快速发展,储能技术、储能设备的研发工作也就显得尤其重要,当务之急是研制出高效的储能系统。如下图是我国现有的全钒液流电池储能示范工程。
表1.3 我国全钒液流电池示范工程

1.3 本文的研究意义及内容
我国自然资源种类丰富,例如风能资源、生物质能资源等,完成对这些自然资源的高效开发、充分利用的意义十分深远。我国风能资源以西北部的偏远地区以及沿海地区居多,新能源又兼具了季节性和间断性的特性,因此必须有相应的储能技术作为使用新能源的有效应用与存储的有力保障[1]。由于钒液流电池具有充放电性能好,可深度充放电、维护简单、操作成本低、电池部件多为廉价的碳材料等独特的优势,使得它在储能领域中关注度极高,也显示出了不容小觑的发展前景。全钒液流电池作为一种高效的储能装置,对VRB的开发研究在电力储存领域具有重要意义。
本文共有五章,每章的内容总结如下:
以上是毕业论文大纲或资料介绍,该课题完整毕业论文、开题报告、任务书、程序设计、图纸设计等资料请添加微信获取,微信号:bysjorg。
相关图片展示:







您可能感兴趣的文章
- 一种确定磁探针集总电路参数的标定方法外文翻译资料
- 一种人体可接触的大气压低温等离子体射流装置研究(适合电气B方向)毕业论文
- 氩氧中大气压DBD放电特性研究(适合电气B方向)毕业论文
- 大气压氩等离子体射流放电影响因素的仿真研究(适合浦电气B方向)毕业论文
- 含氧高活性均匀DBD改性聚合物薄膜研究(适合浦电气B方向)毕业论文
- 反应器结构对气液两相DBD放电特性的比较(适合浦电气B方向)毕业论文
- 南京某公司研发楼电气设计毕业论文
- 金帆北苑地块经济适用住房——02栋商住楼电气设计(适用于浦电气1004~06A方向学生)毕业论文
- 扬州人武部大楼电气设计毕业论文
- 金帆北苑地块经济适用住房——04栋商住楼电气设计(适用于浦电气1004~06A方向学生)毕业论文


