三电平有源钳位逆变器的研究与设计毕业论文
2020-02-18 11:01:31
摘 要
近年来,大功率变换器的需求在中高压大功率工业市场上显得尤为迫切,两电平变换器对于目前的工业应用已经力不从心。目前,随着对电力电子技术研究的不断进步,多电平逆变器渐渐走进工业市场,成为高压大功率场所的主流变换器。其中,三电平变换器也得到了广泛的应用,尤其在3KV或以下等级的低电压电机领域备受欢迎。然而,由于三电平变换器存在功率器件损耗不平衡问题,导致了系统容量无法显著提高,从而致使系统无法得到高等级的电压输出。若想改善电压输出等级就必须采取更多电平数的多电平逆变器。而以往的中点钳位逆变器(NPC)在高压大功率场合的应用中存在开关元件的损耗不均匀、开关元件容易出现局部过热等情况,致使系统性能下降。
而针对以上传统逆变器存在的问题,本文提出三电平有源钳位逆变器,采用开关器件代替钳位二极管。这种逆变器可以降低对器件的耐压要求,改善输出正弦性,平衡器件的损耗。本文对ANPC三电平逆变器进行拓扑结构的设计和功率损耗分析,主要内容为:
介绍多电平逆变器以及ANPC三电平逆变器的发展现状,详细介绍多电平逆变器的不同类别及特点,通过对比分析,得到ANPC三电平逆变器相对传统逆变器的优势,确定了设计的整体结构方案和基本目标。通过对传统的NPC三电平逆变器与本文提出的ANPC三电平逆变器的功率损耗进行对比分析,以及对多种控制方案的分析选择,结合市场调研最终确定了基于PWM 控制方式的设计方案。
分别对NPC三电平和ANPC三电平逆变器的拓扑结构和主电路原理进行分析,主要介绍其结构特点和功率损耗分析,结合现代电力电子学的知识来确定主电路的开关管器件、电容等电子器件的参数值,同时分析控制回路的基本原理来得到其实现方法,为电路的仿真建模做好准备,并在以上研究的基础上探讨五电平逆变器的控制策略。
运用一款实用的仿真软件MATLAB中的SIMULINK模块实现了整体拓扑结构电路模型的搭建,使用PWM的控制方式实现仿真,并对仿真结果进行计算分析,从而验证了本文设计的可行性。
关键词:ANPC三电平逆变器;三电平NPC逆变器;功率损耗;PWM控制;MATLAB
Abstract
In recent years, the demand for high-power converters is particularly urgent in the high-voltage and high-power industrial market. Two-level converters have been unable to meet the current industrial applications. At present, with the continuous progress of power electronics technology research, multi-level inverters gradually enter the industrial market and become the main converter in high-voltage and high-power places. Among them, three-level converters have also been widely used, especially in the field of low-voltage motors of 3KV or below. However, due to the unbalanced loss of power devices in three-level converters, the system capacity can not be significantly improved, which makes the system unable to obtain high-level voltage output. If we want to improve the voltage output level, we must adopt more multi-level inverters. In the past, the neutral point clamped inverters (NPC) used in high voltage and high power occasions have some problems, such as uneven loss of switching elements and local overheating of switching elements, which lead to the decline of system performance.
In view of the above problems of traditional inverters, this paper proposes a three-level active clamp inverter, which uses switching devices instead of clamp diodes. This kind of inverter can reduce the voltage withstanding requirement of the device, improve the sinusoidal output and balance the loss of the device. In this paper, the topology design and power loss analysis of ANPC three-level inverters are carried out. The main contents are as follows:
The development status of multi-level inverters and ANPC three-level inverters is introduced. The different types and characteristics of multi-level inverters are introduced in detail. Through comparative analysis, the advantages of ANPC three-level inverters over traditional inverters are obtained, and the overall structure scheme and basic objectives of the design are determined. By comparing the power loss of traditional NPC three-level inverters with that of ANPC three-level inverters proposed in this paper, as well as analyzing and choosing various control schemes, the design scheme based on PWM control mode is finally determined in combination with market research.
The topology and main circuit principle of NPC three-level and ANPC three-level inverters are analyzed respectively. This paper mainly introduces its structure characteristics and power loss analysis, and combines the knowledge of modern power electronics to determine the parameters of switch devices, capacitors and other electronic devices in the main circuit. At the same time, the basic principle of the control loop is analyzed to get its realization method, which is ready for the simulation and modeling of the circuit. On the basis of the above research, the control strategy of five-level inverters is discussed.
A practical simulation software, SIMULINK module in MATLAB, is used to build the overall topological circuit model. The simulation is realized by using PWM control mode. The simulation results are calculated and analyzed, which verifies the feasibility of the design in this paper.
Key Words:ANPC three-level inverter; NPC three-level inverter; power loss; PWM control; MATLAB simulation
目 录
第1章 绪论 1
1.1 课题研究背景 1
1.2 国内外研究现状 2
1.2.1 多电平逆变器的研究现状 2
1.2.2 多电平逆变器的分类 2
1.3 本文研究内容 5
第2章 ANPC三电平逆变器工作原理 7
2.1 NPC三电平逆变器工作原理 7
2.1.1 NPC三电平逆变器拓扑结构 7
2.1.2 NPC三电平逆变器开关状态及电流流通路径分析 8
2.2 ANPC三电平逆变器工作原理 9
2.2.1 ANPC三电平逆变器拓扑结构及开关状态 9
2.2.2 ANPC三电平逆变器换流路径及功率管损耗分析 10
2.3 ANPC五电平逆变器工作原理 14
2.3.1 五电平ANPC变换器的拓扑结构 14
2.3.2 五电平ANPC变换器的工作原理 15
2.4 本章小结 16
第3章 ANPC三电平逆变器PWM控制方案 17
3.1 调制策略一 17
3.2 调制策略二 19
3.3 本章小结 20
第4章 基于MATLAB的仿真分析 21
4.1 NPC三电平逆变器的仿真分析 21
4.2 ANPC三电平逆变器的仿真分析 23
4.3 本章小结 27
第5章 全文总结和展望 28
5.1 全文总结 28
5.2 展望 28
参考文献 29
致谢 30
第1章 绪论
课题研究背景
有史以来,人类的生存一直离不开能源但随着对自然资源的长期开采使用,伴随着飞速发展的物质文明和科技水平而来的是资源的匮乏以及环境的污染问题。社会在发展,人们对生活的质量要求越来越高,世界各国都已经逐渐意识到能源的重要性和保护生态环境的紧迫性。我国人口基数大,因此对能源的消耗巨大,若要实现可持续性发展,仍需在可再生能源领域进行大力探索[1]。
当下,新能源技术比如潮汐发电、风能发电、太阳能发电等在各个国家成为了科学行业研究的热点。相对传统发电模式,新能源发电技术的资源利用率有着显著提高,这对促进全球资源可持续发展具有积极意义[2]。如今,由于我国的技术水平落后,设备装置工艺不足,从而造成大量的能源浪费,导致我国的能源利用率仅为33%,与发达国家相比仍然望其项背。在我国,能源的利用与工业的不断发展相对失衡,占有天然优良地势的西部地区具有大量能源设备,但其人口基数小,发展较为缓慢,产生电能过剩,而发展过快的东部地区人口密集生活工业用电量大但能源较少,这些使得我国只能进行西电东送、南北互供[3]。再加上我国的能源分配和利用仍存在一些制约因素,目前电网的供电电压和电流仍存在一些电能质量问题,电网传输和发电设备的损耗巨大。因此,为了提高电能利用率,改善电能应用质量,治理谐波污染,目前我国已经将高压大功率多电平逆变器变频调速设备作为研究重点。近几年,市场对于大功率变换器的需求与日俱增,多电平功率变换器技术渐渐成为矿山、电力等中高压大功率工业领域的核心技术,同时电平逆变器在中国高铁技术中也发挥着极其重要的作用[4]。
上个世纪80年代,三电平的拓扑结构被提出,随之而来的,多电平逆变器的思想不断被人们探索。多电平逆变器是指通过将若干电平合成来逼近标准正弦波,从而实现更高电压等级的输出,以及得到更加优质的电流波形。多电平逆变器不需要动态均压电路,且相对传统两电平逆变器降低了开关频率,使其承受更小的电压,同时系统谐波含量相对较少。因此,多电平逆变器的研究具有一定理论价值和工程实用价值,也渐渐成为各领域研发人员的主要关注点之一[5]。
传统逆变器大多采用的是二极管钳位型(NPC)拓扑结构,但这种结构存在功率器件损耗不平衡问题,导致了系统容量无法显著提高,从而致使系统无法得到高等级的电压输出。针对以上问题,有源中点钳位拓扑电路逐渐被人们所重视。不同于传统二极管钳位,三电平ANPC使用开关器件进行钳位。这种方式可以在实现功率器件损耗平衡的情况下,将逆变器扩展至更高电平,提高系统容量,输出更高的电压等级。综上所述,本文对于ANPC三电平逆变器的研究与设计具有非常大的现实意义[6]。
国内外研究现状
1.2.1 多电平逆变器的研究现状
上个世纪80年代,日本学者在传统二电平三相全桥逆变器上进行改进,具体为:在逆变器直流侧并入两个分压电容,在每个桥臂增设两个功率开关管以及两个用于钳位的二极管,并将其命名为二极管中点钳位逆变电路。后来,科研人员们在进行高压大容量逆变器开发的过程中,为实现在高压情况下的变频调压,渐渐将三电平逆变器推广到多电平逆变器。多电平逆变器的发展建立在电力电子器件的发展之上,随着GTO/IGCT/IGBT等全控型开关器件的研发,多电平逆变器技术也实现了长足的进步。上世纪90年代,德国研究人员摒弃了传统的二极管钳位,使用IGBT开关器件反并联二极管进行钳位,并将其应用于三电平逆变器中,从而实现有源中点钳位型三电平结构的逆变器。20世纪初,瑞士研究人员在三电平中点钳位逆变器基础上,提出了五电平拓扑的ANPC逆变器。自NPC三电平逆变器问世以来,经过大批学者的研究和探索,更多新型的逆变器拓扑结构产生并投入到生产实践中[7]。
目前,有源中点钳位型三电平逆变器拓扑结构简单,控制方法灵活,损耗分布均衡,已经投入市场并受到很多公司的青睐;其中,瑞士的ABB集团就推出了使用ANPC五电平拓的一系列逆变器。有源中点钳位型逆变器从三电平发展到五电平拓扑结构,这是一种具有实用性的多电平逆变器拓扑结构,主要有以下优点:解决了内外管损耗不均衡的问题;解决了母线中存在的中点电压不平衡问题;系统无需变压器;使用市场常见的IGBT开关器件提高的输入/输出的电压等级。
1.2.2 多电平逆变器的分类
就目前来看,多电平逆变器主要有:二极管钳位型、电容器钳位型、独立直流电源的级联型三种结构,下面分别作详细介绍。
(1)(Neutral Point Clamped,NPC)
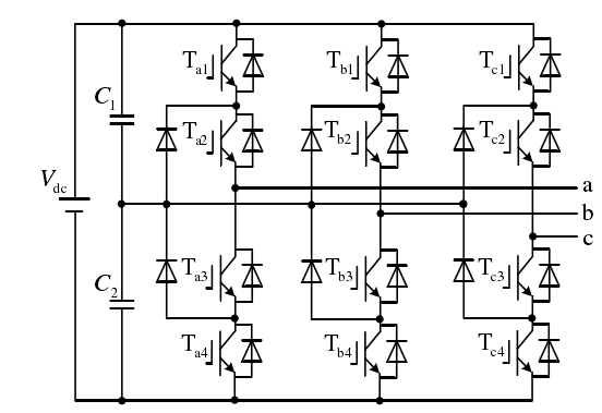
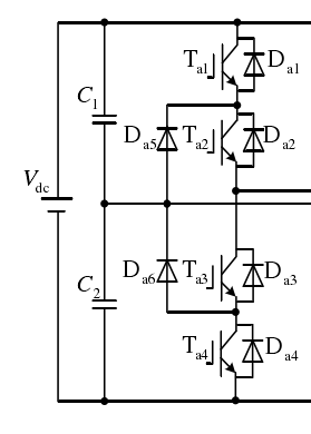
二极管钳位型三电平逆变器是高压大功率领域中最常见的一种拓扑结构,其电路原理图如图1.1所示。其中,两个电容器并联在输入直流侧,用于分压;在每个桥臂上设置钳位二极管,用于将开关管的电压进行钳位,使其保持在指定电压上,同时解决开关器件串联时分压不均问题;通过控制不同的开关器件组合的导通从而得到不同的输出电平,形成类似台阶的电平输出,最终逼近于正弦波。

图1.1 二极管钳位型三电平逆变器电路原理图
接下来对二极管钳位式三电平逆变器的各个开关器件的导通状态以及输出电压进行分析。在此,以A相为例,同理可得B相桥臂和C相桥臂的工作状态。
1)若Ta1、Ta2开关状态为ON,Ta3、Ta4开关状态为OFF,相电压UAO= Vdc, 其等效电路如图1.2(a)所示;
2)若Ta2、Ta3开关状态为ON,Ta1、Ta4开关状态为OFF,相电压UAO=0,其等效电路如图1.2(b)所示;
3)若Ta1、Ta2开关状态为OFF,Ta3、Ta4开关状态为ON,相电压UAO=-Vdc/2,其等效电路如图1.2(c)所示。



- (b) (c)
图1.2 二极管钳位式三电平逆变器A相的等效电路
二极管钳位型三电平逆变器特点如下:
- 主电路结构简单,不需要高成本、大体积的变压器进行升压,但由于电源侧的上下两电容充放电的不均衡,相应电位会产生一定的偏移,从而影响输出质量,这是其拓扑结构固有的缺陷。
- 桥臂上每个功率开关器件承受的直流电压小,只为母线电压的二分之一,且不存在动态均压问题,弥补了开关器件耐压不足的缺点;由于二极管的数量过多,设备成本增加,流过每相桥臂的功率器件的电流不能保证完全一致,从而会出现损耗不均匀的情况,为确保安全,系统的散热标准要以开关器件的最高损耗为基础设置;逆变器的电平数一般不超过五电平,从而可以确保系统的可靠性。
- 有较低的du/dt和THD值,输出的电压波形质量较高。
(2)飞跨电容钳位式多电平逆变器拓扑结构(Flying Capacitors,FC)
与二极管钳位式多电平逆变器相比,电容钳位式在直流母线侧依旧使用电容器进行分压,而在对开关器件电压进行钳位时,采用钳位电容代替二极管。工作原理为:使用飞跨电容用于通过将功率开关器件保持在直流侧电压的一半从而实现三电平的输出。由于飞跨电容是一种无源储能元件,可以承受较大的电压负荷,从而解决了NPC三电平逆变器拓扑结构中存在的开关管电压不平衡的缺点,电容钳位式三电平逆变器结构如图1.3所示。
以上是毕业论文大纲或资料介绍,该课题完整毕业论文、开题报告、任务书、程序设计、图纸设计等资料请添加微信获取,微信号:bysjorg。
相关图片展示:







您可能感兴趣的文章
- 一种确定磁探针集总电路参数的标定方法外文翻译资料
- 一种人体可接触的大气压低温等离子体射流装置研究(适合电气B方向)毕业论文
- 氩氧中大气压DBD放电特性研究(适合电气B方向)毕业论文
- 大气压氩等离子体射流放电影响因素的仿真研究(适合浦电气B方向)毕业论文
- 含氧高活性均匀DBD改性聚合物薄膜研究(适合浦电气B方向)毕业论文
- 反应器结构对气液两相DBD放电特性的比较(适合浦电气B方向)毕业论文
- 南京某公司研发楼电气设计毕业论文
- 金帆北苑地块经济适用住房——02栋商住楼电气设计(适用于浦电气1004~06A方向学生)毕业论文
- 扬州人武部大楼电气设计毕业论文
- 金帆北苑地块经济适用住房——04栋商住楼电气设计(适用于浦电气1004~06A方向学生)毕业论文


