船舶电力系统建模与故障仿真毕业论文
2020-02-18 11:01:22
摘 要
随着科技不断革新,航海船舶逐渐朝着大规模、集成化、自动化、智能化的方向发展。大功率用电设备不断增多,用以驱动和控制船用设备的电能需求日益增大,电站的复杂程度逐渐增加,船舶电力控制系统正朝着向多功能、高度工业化的方向推进。为了改善船舶电力系统的可靠性和抗扰能力,确保船舶在各种情况下维持最优化配置,进行电力系统建模及故障仿真具有重要的参考意义。
本文选用191001EU集装箱船“大西洋”轮的中压电力系统作为研究对象。利用模块化的建模方法,对柴油机调速系统、发电机组控制模块、同步发电机并车控制模块、变压器以及负载模块进行建模。通过将上述模型组合起来,搭建出船舶电力系统模型。针对船舶电力系统的典型运行情况、常见故障以及并车操作进行了仿真。
由仿真分析可知,本文中的建模比较准确地反映了“大西洋”轮船舶电力系统实际运行及故障特征的情况,对船舶相关故障容错控制算法的制定起到很好的应用效果。
关键词:中压船舶电力系统;同步发电机;建模;仿真;MATLAB/Simulink
Abstract
With the continuous innovation of technology, nautical ships are gradually developing in the direction of large-scale, integrated, automated and intelligent. The number of high-power electrical equipment is increasing. The power demand for driving and controlling marine equipment is increasing. The complexity of power stations is gradually increasing. The ship power control system is moving toward multi-functional and highly industrialized. In order to improve the reliability and anti-interference ability of the ship's power system, it is important to ensure that the ship maintains the optimal configuration under various conditions, and the power system modeling and fault simulation have important reference significance.
In this paper, the medium voltage power system of the "Atlantic" wheel of the 191001EU container ship is selected as the research object. Using the modular modeling method, the diesel engine speed control system, the generator set control module, the synchronous generator parallel vehicle control module, the transformer and the load module are modeled. By combining the above models, a ship power system model is built. The typical operation, common faults and parallel operation of the ship's power system were simulated.
It can be seen from the simulation analysis that the modeling in this paper accurately reflects the actual operation and fault characteristics of the "Atlantic" ship power system, and has a good application effect on the formulation of ship-related fault-tolerant control algorithms.
Key words: medium voltage ship power system; synchronous generator; modeling; simulation; MATLAB/Simulink
目录
第一章 绪论 7
第二章 船舶电力系统结构分析 8
2.1 船舶电力系统结构 9
2.1.1发电系统 9
2.1.2 配电系统 10
2.1.3 电力网 10
2.1.4 电力负载 11
2.2 船舶电力系统基本参数 11
2.2.1 电源种类 11
2.2.2 额定电压、额定频率及线制的选择 11
2.3 本章小结 12
第三章 船舶电力系统数学模型的构建 12
3.1 柴油机及调速系统建模 12
3.1.1 柴油机电子调速器数学建模 13
3.1.2 柴油机及调速系统数学模型 15
3.1.3 原动机及其调速系统仿真模型 17
3.2 同步发电机建模 17
3.2.1同步发电机七阶数学模型 17
3.2.2 模型简化 20
3.2.3 标幺化处理 22
3.3 发电机励磁系统建模 24
3.3.1 励磁系统原理 24
3.3.2 相复励无刷交流励磁系统数学模型 25
3.3.3 励磁系统仿真模型 27
3.4 负载建模 28
3.5 变压器建模 29
3.6 同步并车模型 30
3.6.1 同步并车条件 30
3.6.2 同步并车数学模型 31
3.6.3 自动准同步并车控制模型 32
3.7 本章小结 35
第四章 船舶电力系统仿真 35
4.1 船舶电力系统整体仿真模型 35
4.2 发电机组控制系统验证 36
4.2.1.发电机组调压性能验证 36
4.2.2.发电机组调速性能验证 37
4.3 典型工况仿真实验 38
4.3.1 发电机组空载启动仿真 38
4.3.2 单机投切静态负载仿真 39
4.3.3 单机投切异步电机负载仿真 41
4.4 双机并联运行仿真 44
4.5 典型故障仿真实验 46
4.5.1电网故障仿真 46
4.5.2发电机组故障仿真 48
4.5.3发电机组跳闸仿真 51
4.5.4 发电机并车失败仿真 53
4.6 本章小结 54
第五章 总结与展望 55
5.1 总结 55
5.2 展望 55
参考文献 57
致谢 57
- 绪论
1.1 研究背景
船舶电力系统是一个由船载小型独立电力系统,包括电源设备、配电系统和负载。船舶电站产生连续电能,为整船提供电能,提供辅助机械动力,是船舶电力系统的重要组成部分。船舶电站由原动机、发电机、附属发电机组及配电板组成。随着电力电子技术、计算机领域的不断突破,船舶电站结合智能自动控制,可以实现无人值班机舱。船舶控制技术正朝着自监控,自诊断,自适应的方向发展。因此,船舶电站运行的稳定性和鲁棒性对保证船舶的安全航行起到了极其重要的作用。
二十世纪中叶,国外很多国家已经开始对船舶电力系统领域的深入研究,在船舶电力系统稳态、暂态过程等方面取得成效。近些年来,挪威挪控公司、英国船商公司(TRANSS)、德国西门子公司(SIEMENS)、日本三菱公司(MITSUBISHD)等大公司相继开展船舶电力系统的建模分析的工作。国内针对船舶电力系统的研究起步较晩,在理论先进性、系统完整性等方面还存在一定差距,导致了目前国产船电设备耐久度、稳态性能以及装船率偏低等一系列问题。
目前,国内外最常用的建模软件有四种,分别是:MATLAB、Lingo、 Mathematica和SAS。 MATLAB主要包括 MATLAB和 Simulink两大部分,利用高级技术计算语言为数学建模、可视化、算法分析以及数值计算提供交互式环境。 内置各种数学函数库,对矩阵运算和大数据处理有着良好的开发效果支持好。 Lingo常用于求解非线性函数,阿紫非线性时变系统建模、求解优化物理模型等方面有良好的应用效果。Mathematica是一款科学计算软件,包含数值和符号计算引擎、图形系统、编程语言、文本系统。可以和其他应用程序进行交互。SAS是由数十个专用模块构成,包括数据访问、数据储存及管理、应用开发、图形处理、数据分析、运筹计算、计量经济学与预测等功能的集成化大型应用软件系统。
船舶电力系统建模的主要模型包括柴油发电机,螺旋桨,同步发电机并车控制模块,励磁系统,船舶主电站以及负载模块等。
1.2 选题依据及意义
建模仿真具有很多优点:首先,在基于实际理论值条件下,可以在模拟情况下对理想问题进行模拟,从而对理论问题提出解决方案;其次,成本低,便于调试效果,针对复杂环境有很好的理论指导作用。
目前,在电力系统问题时,首先会选择对电力系统进行建模仿真,验证新理论,新思想,对实际生产起到指导意义,从而降低生产成本、评价电力系统设施应用设计方案,以及寻求实际电力系统问题最优解。具有良好的经济性和参考意义。
本文利用MATLAB软件搭建船舶模型与仿真,在Simulink环境下搭建船舶电力系统模型。Simulink可以很方便地创建和调试数学模块,对算法结构进行演示,评估系统的性能。由于其模块化组合方式,可以使用户能够快速、准确的搭建动态系统的计算机模型,可以根据研究对象的物理特征推导其数学模型,通过封装和自定义函数集构建模型库,具有优越的运算性能和交互特性。特别是对复杂环境下的非线性系统,更为方便。近几年来, Simulink广泛应用于学术研究和工业生产,已成为动态系统建模和仿真领域中应用最为广泛的软件之一。
1.3 研究内容及技术方案
本文基于目前电力系统常用的建模方法及相关的建模软件,结合船舶电力系统的特点,采用Simulink进行建模,针对典型故障进行仿真,对相应的波形进行分析总结。具体技术方案拟定如下:
- 收集当前国内外船舶电力系统建模与故障仿真方法,分析和总结各种算法的优缺点;
- 建立发电机组模型、推进电机模型、输电线、负载模型、变压器等系统的数学模型,并整合成为船舶电力系统模型;
- 模拟人为误操作和绝缘损坏导致的短路故障,计算船舶综合电力系统中各支路电流和电压的变化情况;
- 以“大西洋轮”船舶为例,分别对不同部位的故障进行模拟,通过对比分析总结船舶综合电力系统故障特性,提出综合电力系统设计的规则。
- 总结与展望。
- 船舶电力系统结构分析
船舶电力系统主要由电源、配电装置、电网、负载组成。与地面无限大电网相比,现代船舶电力系统存在以下差异:船舶电网负载接近发动机功率,功率较大,以异步电机为主;在大系统干扰情况下,频率和电压动态波动较大;系统电压低于岸电电压,电力传输距离短,电流大,因此需要更严格的工程措施,以确保工人的安全和设备安全;控制系统采用集成协同控制方式,而陆地电网控制系统多采用集散控制系统,多个子系统相互协同配合工作。
2.1 船舶电力系统结构
中压电力系统指的是额定电压大于1kV且小于10kV的电力系统。中国船级社规定船舶电力系统电压不超过15kV。其额定电压可根据额定频率分为不同等级,额定频率为60Hz的中压电力系统对应电压额定值2.3kV,4.16kV,6.6kV;额定频率为50Hz的电力系统对应3.3kV,6.0kV,10.0kV。目前各国海船中压电力系统普遍使用的是60Hz/6.6kV的等级向船舶供电。
船舶电力系统的基本特征是高压和低电流。在恒功率条件下,高压使工作电流较小,降低了输电线路的功率损耗,实现了更高的经济性;低电流确保短路电流小,中压配电板电流保护阈值较小,故障过程中不易发生大损耗,延长了设备使用寿命。高压对系统等级防护和电气保护有更严格的要求。
该船的中压电力系统由四部分组成:发电系统、配电系统、电网和电力负载构成船载发电、输电、配电和电力消耗。图2.1显示了“大西洋”轮船电力系统单线图。

图2.1 船舶电力系统单线示意图
2.1.1发电系统
从图2.1可以看出,电力系统包括中压发电部分,低压发电部分和应急电力。除了推进器由6.6kV中压供电系统供电外,其余部分由低压供电系统供电。
中压部分由四个5400kVA、AC6.6kV、60Hz的主发动机组通过四个发动机主开关连接到6.6kV中压开关板,可以依据负载百分比实现自动启动,并且可以单独或并联地向系统供电,高负荷时可以自动并车、均功,当负载低时,负载可以自动转移,并解列、停机发电机。中压发动机缸体电压由变压器降压至450V或220V,以提供低压负载;低压部分包括1台437.5kVA、AC450V、60Hz的应急发电机,连接到440/220V的应急配电板。同时,低压电源还包括许多24V电池组。如果主发动机出现故障,为了保证船舶电力系统正常运行与巡航安全,应急发电机将自动开始发电,为应急设备供电。
2.1.2 配电系统
配电系统由各种电源开关、控制和保护设备,测量仪器,连接母线,自动化设备和其他辅助设备组成,电力系统的保护、监测、转换和控制功能通过接受和分配电力来实现。如图2.1所示,配电系统主要包括中压配电板、低压配电板、应急配电板和本地控制箱。
2.1.3 电力网
船舶电网是所有船舶电线的总称,其在配电板到负载之间分配和传输电能。由图2.1可见,中压母线分为两部分,通过母线开关连接。每侧有两个主发电机可以接入并为电网供电。当整船电力负荷较低时,母联开关保持闭合状态,并且只需要在网络中操作一台发电机即可提供全船负载用电。如果一侧负载发生故障,则断开总线耦合器开关以切除故障侧负载,就只对正常侧供电,来确保全船用电安全性和稳定性。
船舶两侧推进器由6.6kV中压配电板供电、一些负载(冷藏集装箱等)通过中压配电盘逐步通过变压器。其他负载均由低压配电板供电。中压与低压配电板通过变压器连接,变压器将6.6kV电压转换为440V电压,为低压配电板供电。虽然低压配电板直接向440V负载供电,但它也会继续通过变压器降压至220V,并对相对应的负载供电。
2.1.4 电力负载
电力负载是一种电力设备,可将电能转化为其他形式的能量。船用电气设备的特点是多样性和复杂性,是一个多功能的独立系统。根据负载的目的,它可以大致分为两种类型:动力负载和静态负载。
动力负载约占总量的70%,主要包括甲板机械和客舱机械,静态负载主要包括船舶照明设备、通信通导设备、生活保障设备等。
2.2 船舶电力系统基本参数
船舶电力系统的基本参数为:电流种类(电制)、额定电压、额定频率和线制。正确地选择电力系统基本参数是确保系统稳定性、可靠性的基本条件。
2.2.1 电源种类
电流种类也称为电制:直流电制和交流电制。一般选择优点较多的交流电制。
2.2.2 额定电压、额定频率及线制的选择
目前,世界各国设计和制造的船舶通常使用50Hz/380V、60Hz/440V。中压电力系统多用60Hz/6.6kV。理论上使用60Hz具有较高的同步转速,50Hz具有较低的电磁损耗,但在实践中,两者之间没有明显差异。
2.3 本章小结
本章简要分析了船舶电力系统的结构,并介绍了发电系统、配电系统、电网以及电力负荷四个部分,为了掌握船舶电力系统的工作原理,根据中国船级社《钢质海船入级规范》,明确了船舶电力系统基本参数的选择标准。为下文数学模型及仿真模型的搭建提供参考。
- 船舶电力系统数学模型的构建
由字母、数字和符号等建立起来的等式,取决于被研究实物的特征或它们之间的定量关系,用来表达和近似表示事物关系的不等式和数学结构,例如图表、图像、结构图,叫做数学模型。
船舶电力系统的建模主要包括柴油机和调速子系统的建模、发电机和励磁系统的建模、变压器建模及负荷建模(动态和静态负荷),构建模型的这些部分基本上满足系统仿真的要求。另外,根据不同目的及不同状态下的仿真需求,系统中还需要控制和保护装置模型,如并联控制、功率调整、速度检测和配电等。当有多套发电机组和小容量并网电机时,则建立理想电网模型十分必要。
3.1 柴油机及调速系统建模
由于电力负荷或电力系统故障的变化,当柴油发电机运行时电网功率趋于波动,并且由于发电机输出功率的变化,发电机速度不稳定。为了稳定电网频率,柴油发动机必须以恒定速度运行,且必须能够在良好状态下长时间工作。
3.1.1 柴油机电子调速器数学建模
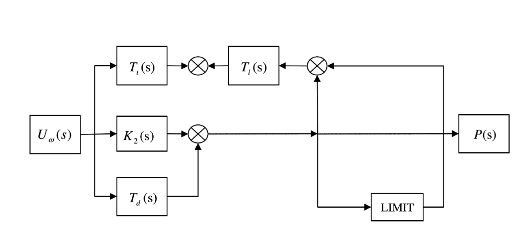
柴油机已经被广泛用作船舶电力系统的原动机,实际上,柴油机的调速器类型很多,原理也较为复杂,所以很难建立很精确的数学模型。图3.1为电子调速器结构图。

图3.1 电子调速器结构图
其工作原理是:设定速度调节电位计的值并将其传送到控制器。并获得偏差值,然后将偏差值传输至执行器,执行器根据反馈信号控制燃油喷射泵调节柴油机转速,图3.1.2为简化的调速系统原理框图。

图3.2 调速系统原理框图
如图3.2所示,速度控制系统主要由转速控制单元、执行单元和转速反馈单元组成,下面对这三个部分分别建立数学模型。
首先是对转速反馈单元建立数学模型:
以上是毕业论文大纲或资料介绍,该课题完整毕业论文、开题报告、任务书、程序设计、图纸设计等资料请添加微信获取,微信号:bysjorg。
相关图片展示:







您可能感兴趣的文章
- 一种确定磁探针集总电路参数的标定方法外文翻译资料
- 一种人体可接触的大气压低温等离子体射流装置研究(适合电气B方向)毕业论文
- 氩氧中大气压DBD放电特性研究(适合电气B方向)毕业论文
- 大气压氩等离子体射流放电影响因素的仿真研究(适合浦电气B方向)毕业论文
- 含氧高活性均匀DBD改性聚合物薄膜研究(适合浦电气B方向)毕业论文
- 反应器结构对气液两相DBD放电特性的比较(适合浦电气B方向)毕业论文
- 南京某公司研发楼电气设计毕业论文
- 金帆北苑地块经济适用住房——02栋商住楼电气设计(适用于浦电气1004~06A方向学生)毕业论文
- 扬州人武部大楼电气设计毕业论文
- 金帆北苑地块经济适用住房——04栋商住楼电气设计(适用于浦电气1004~06A方向学生)毕业论文


