统一电能质量调解器的自抗扰控制研究毕业论文
2020-02-18 10:58:25
摘 要
如今,电力系统结构复杂、电力负荷多样化,不断引起电能质量问题,传统电能调节装置无法连续调节暂态电能质量问题,因此,提出了统一电能质量调解器(Unified Power Quality Conditioner,UPQC)对电压跌落、谐波等电能质量问题进行连续调节。
本文以UPQC作为研究对象,介绍了其基本结构和工作原理、谐波检测技术、跟踪控制技术,确定了串并联两侧的控制策略,均采用dq0旋转坐标法检测谐波,电压跟踪用三角波跟踪控制,电流跟踪用滞环控制。同时,为了保证UPQC正常工作,在并联侧控制中加入了PI控制器,控制直流侧电压维持不变。基于此,利用MATLAB/Simulink,搭建了UPQC的仿真模型,得到了仿真结果。
其次,介绍了PI控制的原理、优缺点,引入了本文的研究内容,即自抗扰控制(Active Disturbance Rejection Control,ADRC),将其代替PI控制,维持UPQC直流侧的电压不变。介绍了其原理和结构,详细介绍了线性ADRC的设计方法,搭建了适应于UPQC直流侧的一阶线性自抗扰控制器,并得到仿真结果。
最后,对比PI和自抗扰控制时的两个仿真结果,结果表明,两种控制方法都可以维持直流侧基本不变,使UPQC正常工作,且补偿电压电流能力良好。但是,自抗扰器控制时,直流侧电压响应速度更快,补偿电压电流能力更好,有效降低了输出波形的谐波含量。为了研究两种控制器的鲁棒性和抗干扰能力,对两个模型施加多种干扰、改变控制对象参数,对比两个仿真模型结果后,表明自抗扰控制器抗干扰能力较强、鲁棒性较好。
关键词:电能质量调节;统一电能质量调解器;PID控制;自抗扰控制;谐波检测;跟踪控制;鲁棒性
ABSTRACT
Nowadays, the complex structure of power system and the diversification of power loads constantly cause power quality problems. Traditional power regulation devices can not continuously regulate transient power quality problems. Therefore, a Unified Power Quality Conditioner (UPQC) is proposed to continuously regulate power quality problems such as voltage sags and harmonics.
This thesis takes UPQC as the research object, introduces its basic structure and working principle, harmonic detection technology and tracking control technology, determines the control strategy of both sides of series-parallel connection, adopts dq0 rotating coordinate method to detect harmonic, uses triangular wave tracking control for voltage tracking and hysteresis control for current tracking. At the same time, in order to ensure the normal operation of UPQC, PI controller is added to the parallel side control to keep the DC side voltage unchanged. Based on this, the simulation model of UPQC is built by using MATLAB/Simulink, and the simulation results are obtained.
Secondly, the principle, advantages and disadvantages of PI control are introduced, and the research content of this paper, namely Active Disturbance Rejection Control (ADRC), is introduced to replace PI control and maintain the voltage of UPQC DC side unchanged. This thesis introduces its principle and structure, introduces the design method of linear ADRC in detail, builds a first-order linear ADRC controller for UPQC DC side, and obtains the simulation results.
Finally, comparing the simulation results of PI and ADRC, the results show that the two control methods can maintain the DC side basically unchanged, make UPQC work normally, and have good compensation voltage and current capability. However, the DC side voltage response speed is faster and the compensation voltage and current capability is better when the ADRC is controlled, which effectively reduces the harmonic content of the output waveform. In order to study the robustness and anti-jamming ability of the two controllers, a variety of disturbances are applied to the two models and the parameters of the control object are changed. The comparison of the results of the two simulation models shows that the ADRC has strong anti-jamming ability and good robustness.
Key words: Power quality regulation;UPQC;PID control;ADRC;Harmonic detection; Tracking control;Robustness
目录
第1章 绪论 1
1.1 课题研究价值与意义 1
1.2 UPQC研究现状 1
1.3 本文研究内容 2
第2章 UPQC工作原理和数学模型 3
2.1 UPQC的结构和工作原理 3
2.2 谐波检测方法 4
2.2.1 瞬时无功功率理论 4
2.2.2 dq0旋转坐标法 6
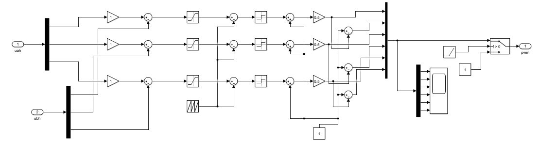
2.3 跟踪控制方法 8
2.3.1 三角波控制方法 8
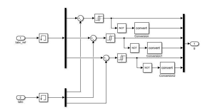
2.3.2 滞环控制方法 8
2.4 UPQC直流侧控制 9
2.5 本章小结 9
第3章 UPQC直流侧PID控制仿真 11
3.1 PID控制原理简介 11
3.2 PID控制仿真实现 11
3.3本章小结 15
第4章 UPQC直流侧自抗扰仿真 16
4.1 自抗扰简介 16
4.1.1 跟踪微分器 16
4.1.2 扩张状态观测器 17
4.1.3 非线性误差反馈控制规律 18
4.2 线性自抗扰控制 18
4.3 UPQC直流侧的线性自抗扰控制器 19
4.3.1 UPQC的数学模型 19
4.3.2 线性自抗扰控制器的设计 20
4.4 自抗扰控制仿真实现 21
4.5 仿真对比 24
4.6 本章小结 27
第5章 抗干扰性及鲁棒性分析 28
5.1 谐波干扰 28
5.2 a相电压跌落 31
5.3 改变控制对象电容参数 34
5.3.1 电容参数增加10% 34
5.3.2 电容参数减少10% 38
5.3.3 电容参数增加5% 41
5.3.4 电容参数减少5% 44
5.4 白噪声 47
5.5 脉冲干扰 50
5.5.1 幅值300V的脉冲干扰 50
5.5.2 幅值3000V的脉冲干扰 53
5.6 结果分析 56
5.7 本章小结 57
第6章 总结与展望 58
6.1 总结 58
6.2 展望 58
参考文献 59
致谢 62
第1章 绪论
1.1 课题研究价值与意义
电能因其清洁、传输范围广、使用方便等优点,广泛应用到了各行各业当中。电能质量会严重影响到人们生活,电压的瞬间波动会使敏感元件受到损害,可能使一些器件无法正常运行,带来巨大的经济损失。谐波会使系统有功功率损耗增加,降低电能利用率、对周边环境产生电磁污染、引发串并联谐振,从而使谐波加重、电气测量仪器产生误差、导致继电保护装置误动、引发电容局部放电,加速电介质老化等问题[1]。
电力系统发展初期,对电能质量的要求较低,主要是电压偏移和频率变化方面。随着电力电子技术和信息工业化的发展,电力电子变流装置、变频调速装置等大量非线性负荷投入使用,使电网中谐波源大大增加[2],另外,一些冲击性负荷在使用时会产生大量高次谐波,同时也会带来电压波动、三相不对称等多种电能质量问题,另一方面,更多的精密设备对电网的质量也有更高的要求[3],而且,保证电能质量是电力系统稳定运行的条件,也是满足人们日常生活所需,保证国民经济效益的必须条件。因此,电能质量调节的研究也是近年来各位学者们研究的热点。
电能质量的控制比较复杂,涉及到了多个领域。传统电能质量调节装置就是采用各种开关元件、断路器等组成的无功补偿器、滤波器等。但是在现今电网中,很多暂态电能质量问题出现,传统调节装置对此并没有很好的效果,需要可以连续调节、响应迅速的电能质量调节装置,而统一电能质量调解器就是理想的装置。
1.2 UPQC研究现状
1996年,日本学者H.AKAGI首次提出统一电能质量调解器(Unified power quality conditioner,UPQC)的概念[4]。UPQC由串并联部分和直流侧组成,可以起到同时治理电压跌落和谐波的作用。
对UPQC的研讨主要集中在结构、控制方法等方面[5-20]。文献[5]提出了一种采用串联双变换器和三个单相耦合变压器的新型UPQC拓扑结构,三个变压器在变化侧没有直接相连,该结构的UPQC可以补偿同时含有正、负、零序的电压谐波分量,可以提高系统的安全可靠性。文献[6] 介绍的UPQC采用模块化多电平变换器结构,可以提升电压暂将抑制能力。文献[7]提出的UPQC拓扑结构在光伏集成的基础上,并采用了基于陷波滤波器锁相环的控制算法,正确检测并消除掉电压电流扰动,在电网电压畸变严重时,可以避免多次过零。文献[8]提出的UPQC结构减少了开关拓扑,该结构只采用了10个开关,同时在不增加开光VA额定值情况下将其利用率降到最低。文献[9]的UPQC是以桥臂为中性点的四线性结构。文献[10]是对传统PI控制的研究。文献[11]介绍了在同步参考框架基础上的功率角控制方法,利用解耦之后的负载电流,对负载电压进行补偿,减少额外计算量。文献[12]提出了UPQC的二阶广义积分器控制算法,采用二阶广义积分器-锁相环作为UPQC的指令电压电流信号,其动态效应快、跟踪精度好,可以有效抑制电压电流谐波。文献[13]采用了一种新型混合神经网络控制器,可以补偿线性和非线性负载下的电压暂减、电压电流谐波。文献[14]介绍了模糊逻辑控制器控制方法,消除了PI控制中采用固定增益的缺点,与传统的PI控制器相比,能有效抑制谐波。文献[15]提出了UPQC的定有功电流限值控制,在限制并联侧电流和串并联子模块电容释能、从系统吸能的共同作用下,使串联侧器件不发生过电流、提高电压补偿能力。文献[16][17]介绍了UPQC的无源控制,无源控制是首先寻找与被控量相关的能力储存函数,同时确定与期待系统平衡点的能力储存函数,之后根据系统设计无源控制器。文献[18]提出了在p-q-r轴上的交流等效PI控制器,提出了分别适应于串并联两侧的传统PI控制器和交流等效PI控制器共同控制的控制策略。文献[19]提出了UPQC的模型预测控制方法,可以克服不确定性和非线性,适应于多输入输出系统。文献[20]介绍了UPQC的分数阶控制,通过改变中和的大小,使得控制范围更广。
1.3 本文研究内容
本文针对电网中的电能质量问题、传统PI控制器的不足问题,开展了统一电能质量调解器(UPQC)的自抗扰控制研究,主要研究内容如下:
(1)介绍UPQC的结构,通过分析其串并联部分组成,得到其工作原理和实现功能、介绍UPQC的谐波检测方法、跟踪控制方法,确定了串并联两侧控制方法。
(2)介绍PID控制的原理、结构,搭建由PI控制UPQC时的MATLAB/Simulink仿真模型,得到仿真结果。
(3)介绍自抗扰控制的原理、结构,详细介绍线性自抗扰控制的原理、结构,设计出UPQC直流侧的自抗扰控制器,搭建相应的仿真模型,得到仿真结果,并与PID控制结果进行对比分析。
(4)通过施加干扰、改变控制对象参数来对两个控制器控制的UPQC仿真结果对比,研究两个控制器的抗干扰能力和鲁棒性。
第2章 UPQC工作原理和数学模型
2.1 UPQC的结构和工作原理
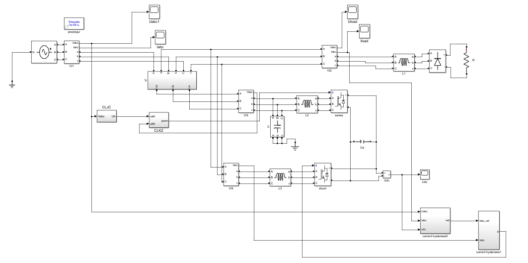
图2.1给出了UPQC的基本结构,UPQC由两个有源电力滤波器(APF)组成,通过直流侧电容相联,采用左串右并结构,即左侧滤波器靠近电网电压,通过变压器与输电线路连接,补偿除了基波正序电压以外的电压分量,使负载侧电压输出为标准正弦波,右侧滤波器靠近负载,与输电线路直接连接,补偿除了基波正序电流以外的电流分量,使电源侧电流输出为标准的正弦波。直流侧电容电压维持在固定值,保证UPQC的正常运行。

图2.1 UPQC 基本结构
图2.2是UPQC的单相等效模型,其中、代表电网电压、电流,、代表负载电压、电流,、代表补偿电压、电流,、代表谐波电压、电流,、代表基波电压、电流。

图2.2 UPQC单相模型
当电源侧发生电源幅值波动,与额定值不相同或产生谐波时,串联部分发挥作用,进行调节,使输出的负载侧电压为标准正弦波,即:
当由于非线性负载等因素,负载侧电流波形产生谐波时,并联部分发挥作用,进行调节,补偿谐波电流,使输出的电源侧电流波形为标准的正弦波,即:
所以UPQC的功能具体就是,根据电源侧电压电流的信号计算出补偿电压信号进行调节,使负载电压输出为标准正弦波,根据负载侧电压电流信号计算出补偿电流信号进行调节,使电源电流输出为标准的正弦波。
2.2 谐波检测方法
电压、电流谐波检测准确是UPQC工作的重要基础,如今,被提出的谐波检测方法有很多,包括瞬时无功功率理论方法[21-22]、同步坐标转换法[23]、逐次分析检测法[24]、基于一阶矢量谐振器谐波检测方法[25]、人工神经网络[26]、傅里叶分析法、自适应与预测算法相结合的智能算法、带阻滤波法等。其中,UPQC比较常用的是瞬时功率理论法和同步坐标转换法。
2.2.1 瞬时无功功率理论
日本学者Akagi.H在1983年首次提出了瞬时无功功率理论,该理论被称为p-q理论,学者们在此基础上不断对其进行完善和发展,产生了新的ip-iq理论。
p-q检测法原理图见图2.3所示,p-q方法是先利用三相电压和三相电流来计算出三相瞬时有功功率和无功功率,采用低通滤波器将谐波瞬时功率滤除,只得到基波瞬时功率和,经过反变换以后,可以提取出基波电流,基波电流与三相电流作差,便得到谐波电流。

图2.3 p-q检测方法原理图
p-q方法中,先进行坐标转换,把三相电压、电流变换到坐标系中:
其中,。
有功、无功功率P和q表示为:
通过低通滤波器后,只得到基波瞬时功率和,经过反变换后得到指令电流信号:
p-q变换法只适应于电网电压不发生畸变,一旦电网电压以及出现谐波货值幅值改变的情况,采用此方法会使补偿不准确,产生较大误差。因此提出了ip-iq检测法,ip-iq检测法不需要用到三相电网电压,只需要采用锁相环来获取到a相电压的相位并产生相应的正弦和余弦信号参与到矩阵变换的运算中,具体结构如图2.4所示。

图2.4 ip-iq检测方法原理图
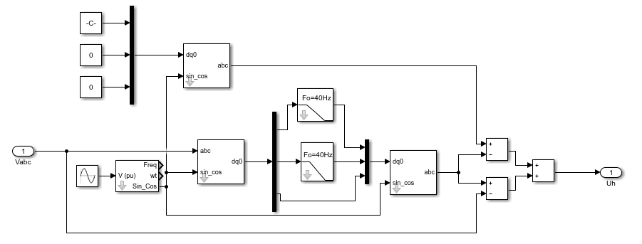
2.2.2 dq0旋转坐标法
假设,三相畸变电压分别为,经过傅里叶变换后,每一相的电压都可以用正序、负序、零序三者的和表示出来:
其中,是基波电压正序分量,是基波电压负序分量,是基波电压零序分量,是i次谐波电压正序分量,是i次谐波电压负序分量,它们分别表示为:
其中,是基波电压正序和负序幅值,是基波电压初相位;是i次谐波电压正序和负序幅值,是i次谐波电压初相位。
以上是毕业论文大纲或资料介绍,该课题完整毕业论文、开题报告、任务书、程序设计、图纸设计等资料请添加微信获取,微信号:bysjorg。
相关图片展示:







您可能感兴趣的文章
- 一种确定磁探针集总电路参数的标定方法外文翻译资料
 - 一种人体可接触的大气压低温等离子体射流装置研究(适合电气B方向)毕业论文
 - 氩氧中大气压DBD放电特性研究(适合电气B方向)毕业论文
 - 大气压氩等离子体射流放电影响因素的仿真研究(适合浦电气B方向)毕业论文
 - 含氧高活性均匀DBD改性聚合物薄膜研究(适合浦电气B方向)毕业论文
 - 反应器结构对气液两相DBD放电特性的比较(适合浦电气B方向)毕业论文
 - 南京某公司研发楼电气设计毕业论文
 - 金帆北苑地块经济适用住房——02栋商住楼电气设计(适用于浦电气1004~06A方向学生)毕业论文
 - 扬州人武部大楼电气设计毕业论文
 - 金帆北苑地块经济适用住房——04栋商住楼电气设计(适用于浦电气1004~06A方向学生)毕业论文
 

        
            
