不同类型及电压等级的电动车用电池包自适应在线识别技术研究毕业论文
2020-02-18 10:50:22
摘 要
本文主要针对不同类型及电压等级的电动车用电池包充电需要人为拨动开关来设置电池充电类型及电压等级的问题,重点研究了不同电池类型的性能及充放电特性,并对不同电压等级及类型的蓄电池制定自适应识别策略。
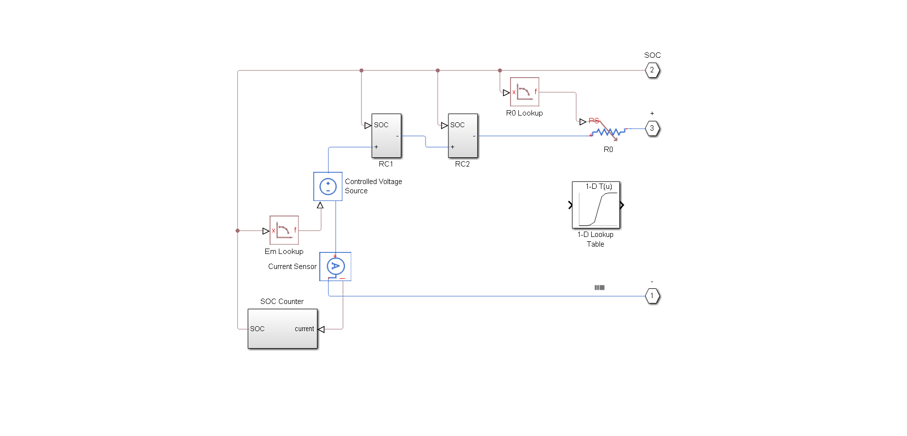
首先,本文分析了目前国内外电动车充电器的研究现状,提出了自适应识别的必要性。在比较蓄电池的各种数学模型后,分别建立了铅酸蓄电池三阶动态数学模型、锂电池二阶RC数学模型,并利用Matlab/Simulink对其进行仿真得到其充放电特性曲线。
然后研究制定了不同电压等级及类型蓄电池自动识别的策略,设计了蓄电池端电压检测模块、电压调整模块以及充电状态指示模块,得到了自动识别的详细流程图。
最后,根据识别后的蓄电池类型,进行蓄电池充电的研究,本文最后对锂电池的充电系统进行了研究,提出了其自适应充电系统,使充电器更具有智能型,并在最后对锂电池充电数据进行了拟合分析,得到其准确的特性曲线。
本文的特色在于条理清晰,重点研究了不同类型电池的特性,提出了自适应识别的方案,并最后对结果进行分析,同时提出对未来研究的期望。
关键词:自适应识别;锂电池;铅酸电池;Simulink
Abstract
In this paper, the charging types and voltage levels of battery packs for electric vehicles with different types and voltage levels need to be set by human toggle switch. The performance and charge-discharge characteristics of different battery types are studied with emphasis, and adaptive identification strategies are developed for batteries with different voltage levels and types.
Firstly, this paper analyzes the current research status of electric car charger at home and abroad, and puts forward the necessity of adaptive identification. After comparing various mathematical models of the battery, the third-order dynamic mathematical model of lead-acid battery and the second-order RC mathematical model of lithium battery were established respectively, and the charging-discharging characteristic curves were obtained by Matlab/Simulink simulation.
Then the strategy of automatic identification of different voltage levels and types of batteries is studied and developed. The terminal voltage detection module, voltage adjustment module and charging status indicating module are designed. The detailed flow chart of automatic identification is obtained.
Finally, according to the identified battery type, the study of battery charging, this paper finally on the lithium battery charging system, put forward its adaptive charging system, make the charger more intelligent, and at the end of the lithium battery charging data fitting analysis, get its accurate characteristic curve.
The characteristics of this paper are clear, focusing on the characteristics of different types of batteries, put forward an adaptive identification scheme, and finally analyze the results, and put forward the expectations for future research.
Key Words: adaptive identification; lithium battery; lead-acid battery; Simulink
目录
摘要 I
Abstract II
目录 1
第1章 绪论 1
1.1课题的研究背景和意义 1
1.2国内外发展状况 2
1.2.1国外电动车充电设施发展状况 2
1.2.2国内电动车充电设施发展状况 2
1.3常用充电方法与其选择 3
1.4本文主要研究内容 4
第2章 铅酸蓄电池建模与仿真 6
2.1 铅酸蓄电池充放电原理 6
2.2 铅酸蓄电池重要参数 7
2.3铅酸蓄电池数学模型 7
2.4基于Simulink的铅酸蓄电池三阶动态模型仿真 9
第3章 锂离子蓄电池建模与仿真 11
3.1 锂离子电池充放电原理 11
3.2 锂离子电池数学模型 12
3.3 基于Simulink的锂离子电池仿真 13
第4章 不同类型蓄电池自适应识别 15
4.1充电器所用最大直流电压设计 15
4.2 充电器自适应识别电压等级的设计 15
4.2.1 蓄电池电压数值检测部分 16
4.2.2 充电器电压调整部分 17
4.2.3 充电状态显示部分 17
4.3 充电器自适应识别电压等级控制程序设计 17
第5章 锂离子电池充电 19
5.1 锂离子电池自适应充电系统 19
5.1.1锂电池最佳充电曲线 19
5.1.2 充电系统总体结构设计 20
5.1.3 充电系统软件部分 21
5.2 锂电池充放电实验测试 22
第6章 结论 24
6.1 工作总结 24
6.2 未来展望 24
参考文献 26
致谢 27
第1章 绪论
1.1课题的研究背景和意义
科技的发展进步使得汽车的数量逐年增加,而汽车燃烧的不可再生能源,随着使用量的增加,其以逐渐增加的速度减少,并且化石等燃料的燃烧也会带来严重的环境污染等问题,这不得不使得人们开始意识到节能减排的迫切性。而近代开始出现的电动汽车以节能环保的优势渐渐的得到推广和普及,将来会成为人们所使用的主要交通工具之一。
电动车不但能解决能源危机,实现能源的循环利用,符合低碳经济的理念,促进社会的发展和进步。近些年来,电动车逐渐完善发展,全国生产商也在加大电动车的研发优化,国家政策方面也提供相应的支持,可见电动车有非常大的未来前景。从开始出现的绿色燃料电动汽车,其优点在于燃烧绿色燃料,减少环境污染;现在有纯电动汽车,其仅仅由蓄电池提供动力,当电力不足时,可以驾入充电站进行充电,但也需要对应地配置相当类型和数量的充电站,以供不同类型电动汽车地使用[1]。
目前,电动汽车的普及还存在许多待解决的问题,比如电动汽车相应的基础设施建设、其动力电池的寿命和性能等。同时,动力电池的寿命和性能问题则与动力电池的研制与后期的使用状况相关,其中动力电池的充电技术是影响其性能和寿命的重要因素之一。现在许多科研人员都在进行相关研究,我相信在未来,在新技术的不断发展下,问题都会一一解决的。
蓄电池主要包括铅酸蓄电池和磷酸铁锂蓄电池等类型。(1)铅酸蓄电池的优势在于其技术已经成熟,并且来源广泛、成本也较低、目前仍广泛应用于小型电动汽车、电动工具车、电动自行车上。(2)目前使用得最多的动力电池是锂离子电池,它的优点在于高能量密度以及单体电池中增长的功率,因此这类电池能够用具有竞争力的价格发展出更小的质量和密度。并且研究表明,锂离子电池相比铅酸电池其具有质量更小,体积更小的优势[2]。
如今电动自行车由于其便利性应用越来越广泛,且传统电动自行车车采用铅酸电池驱动,目前正逐步向锂离子电池包转化,因此市面上存在24V铅酸电池组、48V铅酸电池组、48V锂离子电池包以及72V锂离子电池包等多种不同规格不同电压等级的电池组,在线充电器如何自适应识别电池包的类型及电压等级是亟待解决的关键问题。目前电池包的充电器在对不同电压等级以及不同类型蓄电池充电时仍需要人为的更换充电参数,这显然不利于效率的提高,因此实现在线充电器自动识别电池包类型及电压等级是具有非常现实意义的。同时,在给蓄电池组充电时,随着电池容量状态的改变,其电池的性能参数会发生较大的改变,若充电器始终保持充电参数的不变,这种现象会严重影响到电池的充电效率和寿命,因此,在充电器中根据自适应充电原理,通过硬件与软件结合设计控制器实现参数自整定,提高充电系统的灵敏性和智能性[3]。
1.2国内外发展状况
1.2.1国外电动车充电设施发展状况
随着电动车产业的迅速增长,而电动车充电器作为其必不可缺少的一部分,也得到了逐渐的优化和发张,各国也在不断发展完善其相应的配套设施。
1、美国
在美国,电动汽车的主流充电设备主要包括三类——直流Fast Charger充电设施、交流Level1充电设施和交流Level2充电设施,其中,安装数量最多,分布面积最广的充电设施是交流Level2,其已经建立了一定的规模和叫完善的充电网络。基本上电动汽车的充电设施已经基本覆盖了整个美国[4]。特别是近几年来,美国政府和一些科研机构、汽车生产厂商联合积极进行相关研究,投资了众多电动汽车充电基础设施建设规划的项目,相信将来电动车充电器会得到更加智能的优化。
2、日本
日本将电动汽车进行基本的推广,并在各地建立各种充电站是在2000年,而到2013年时,全国公用充电站以及充电桩已经达到3万多个,日本2014年推出计划再建立1000个充电站以满足用户需求[5]。日本各大汽车生产商也在积极进行进行电动汽车的研发,有些汽车品牌还会免费安装家用充电桩,其可以安装在室外也可以时室内停车库。由于日本政府的重视以及支持,各大企业、研究院加快科学技术的发展,日本电动汽车将进入高速发展时期
1.2.2国内电动车充电设施发展状况
近几年来,国家对电动车发展的重点支持以及重视,使得我国已取得一批重大研究成果,也得到了国内外的肯定,随着电池技术不断发展进步,人们对电动车充电器的要求越来越高,这必将促进电动车充电器的不断完善,未来将在提高电动车充电器的效率和智能方面做进一步的深入研究。
未来我国对电动车充电器的发展研究方向将主要研究充电时间的不断缩短,使得电动车充电更加便利,得到普及。现在充电器快充技术已经将充电时间大大减小,而现在发展的无线快充以及动态充电技术,将会使充电时间进一步减小,并未来可能实现在行驶道路上完成充电的过程。随着科技的发展,技术的成熟和成本的下降,这两项前沿技术若应用到电动车充电器里,将改变人们的生活出行方式,满足未来消费者更多的需求,带来更大的便利性的同时也保护了环境,实现低碳环保的理念。
虽然我国电动汽车充电基础设施有了很大的进步与发展,但是目前我们还没有达到实现智能化、动态化等更加便利性的目的,还具有完善和进步的空间。相信未来在国家政府的大力支持下,科研工作人员的不懈努力下,人们环保意识的不断提高,电动车会因其便利性越来越普及,为保护环境贡献一份力量。
1.3常用充电方法与其选择
对于不同类型的蓄电池其充电方式都不相同,常用的充电方法主要有以下几种:
- 恒压限流充电方法:在充电过程中,保持充电电压不变,充电电流随充电时间逐渐减小,当充电电流小到设定值,系统认为蓄电池已充满。这种充电方式成本较低,控制简单,容易实现。但也存在一些不足,在充电过程中,当电池电压较低时,其电流就会很大,使得电池内部温度过高,很大程度上损坏了电池的性能,减小了其使用寿命。
- 恒流限压充电方法:蓄电池充电过程中,充电电流保持恒定,电压随充电时间逐渐增大,当电压达到一定数值,系统将会停止充电,认为蓄电池已充满。恒流充电的控制方式比较复杂,电流过大会导致电池过充的现象产生,损伤电池;电流过小又会加长充电时间,削弱充电效率。
- 恒流-恒压充电方法:蓄电池开始充电的时候保持电流不变,等电压增大到一定数值后,切换到恒压充电方式,当检测到电流的数值减小到设定值后即认为充电完成。
- 脉冲充电方法:脉冲时刻对蓄电池充电,脉冲空隙时间让蓄电池放电,其优势在于可以保证蓄电池在充电过程内部温度恒定不变。
- 变电流间歇充电方法:蓄电池充电初期采用高压恒流充电方式,随着蓄电池的电量増加,充电电压逐渐降低,充电电流逐渐减小,到蓄电池充电后期,为了能将蓄电池完全充满,采用电压不变,电流变化式充电过程。这种间歇式变化电压与电流,可提高电池的充电率。
- 变电压间歇充电方法:蓄电池在充电过程中,间歇时间保证恒定电压不变,而电流成指数规律下降。
- 多阶段充电方法:充电初期,保持电流不变,其值较小,来解决恒压造成的初期电流过大的问题,随着端电压的渐渐上升,到达一定值之后,充电机再以恒压方式充电直到电池两端电压保持不变,同时减小充电电流,最后充电结束。其充电过程电流电压变化如图1.1所示:
图1.1 多阶段充电方式
目前普遍使用的充电方法是三阶段充电方式,其克服了恒压恒流充电的诸多问题,对电池性能和充电效率的影响较小,其充电过程如图1.2所示。铅酸蓄电池充电主要采用三阶段充电法,其可以解决充电末期析氧和铅酸蓄电池自放电的问题。三阶段充电法在充电后期增加了一个浮充阶段,以较小的电压进行补充充电。
图1.2 三阶段充电方式
铅酸电池和锂电池充电器充电控制方式是不同的,并且锂电池也有很多种,电池性能和参数都具有明显的差异。锂电池充电控制是先按照恒定电流充电,然后当电池电压上升到一定值的时候,电压就不再上升,充电器对电流进行检测,如果电流小于一定值,就结束充电。锂电池对过充敏感,保护电路复杂,锂离子电池充电大多采用三阶段充电方法,充电开始为恒流阶段,电池的电压较低,随着充电的过程,电池电压逐渐上升到一定值后,充电器应即转入恒压充电,而充电电流逐渐减小。当电流减小到某一范围时便进入涓流充电阶段[3]。
1.4本文主要研究内容
本文主要是针对不同类型及电压等级蓄电池在线识别技术的研究,因为锂电池与铅酸电池的充电器是不匹配的,它们电池性能及参数都因其材料不同而有明显不同,给不同蓄电池充电需要人工切换充电模式,所以实现在线充电器自适用识别电池包的类型及电压等级的技术研究是提高电动车充电便利性的关键。
本文研究内容主要分为两大块:
- 由于现在市面上电动汽车蓄电池主要是铅酸蓄电池和锂离子电池,因此本文通过分别对铅酸蓄电池以及锂离子电池进行建模仿真,得到它们各自的充电特性曲线。
- 通过比较两者充放电特性曲线,研究制定充电器自适应识别策略,建立自动识别流程图,实现电动车不同电压等级及类型电池组的自适应在线识别,解决市面上往往需要人为在充电前拨动开关来设置电池类型的问题。
- 因为现在锂电池以其优势渐渐取代了铅酸电池,所以本文还将在后面初步研究锂电池的充电系统,对锂电池充电进行优化和设计。
第2章 铅酸蓄电池建模与仿真
铅酸蓄电池自发明以来,成为广泛应用的电化学电池之一,其因为价格低廉,成本不高,易于实现,又具备一定的可靠性,一直是市面上广泛应用的蓄电池。本章主要研究铅酸蓄电池的特性,将依次介绍其充放电原理、认识蓄电池重要参数、建立铅酸蓄电池数学模型,最后通过仿真得到其特性曲线几部分来逐渐认识了解铅酸蓄电池。
2.1 铅酸蓄电池充放电原理
铅酸蓄电池含有硫酸电解质、海绵状铅和过氧化铅电极,其属于二次电池,可以在放电的任何阶段对其充电。充电时,电流从电池正极流入;电池放电时,将负载连在电池两端,电子通过负载从海绵状铅电极向氧化铅电极运动,电流方向与充电时相反。
铅酸蓄电池充电时蓄电池内部的化学反应过程为:正极的硫酸铅(
)与水反应生成二氧化铅(
)、电子和离子,而负极的硫酸铅(
)与氢离子和电子结合生成铅(
),充电时正负极化学反应式如式(2.1)和式(2.2)所示。其蓄电池内部的总化学反应为硫酸铅(
)与水反应生成铅(
)、二氧化铅(
)和硫酸,所以充电时硫酸的浓度会提高,充电总化学反应如式(2.3)所示:
充电正极化学反应:
以上是毕业论文大纲或资料介绍,该课题完整毕业论文、开题报告、任务书、程序设计、图纸设计等资料请添加微信获取,微信号:bysjorg。
相关图片展示:







您可能感兴趣的文章
- 一种确定磁探针集总电路参数的标定方法外文翻译资料
- 一种人体可接触的大气压低温等离子体射流装置研究(适合电气B方向)毕业论文
- 氩氧中大气压DBD放电特性研究(适合电气B方向)毕业论文
- 大气压氩等离子体射流放电影响因素的仿真研究(适合浦电气B方向)毕业论文
- 含氧高活性均匀DBD改性聚合物薄膜研究(适合浦电气B方向)毕业论文
- 反应器结构对气液两相DBD放电特性的比较(适合浦电气B方向)毕业论文
- 南京某公司研发楼电气设计毕业论文
- 金帆北苑地块经济适用住房——02栋商住楼电气设计(适用于浦电气1004~06A方向学生)毕业论文
- 扬州人武部大楼电气设计毕业论文
- 金帆北苑地块经济适用住房——04栋商住楼电气设计(适用于浦电气1004~06A方向学生)毕业论文


