1.5kW LLC谐振变换器设计毕业论文
2020-04-13 11:13:02
摘 要
当今电力电子向着高频化发展,但是在提高开关频率的同时会加大开关损耗。针对开关损耗问题,软开关出现了。近几年所研究的软开关技术不再是有损耗的缓冲电路,是真正减小开关损耗而不是转移开关损耗。
LLC谐振变换器能够在较宽的电源和负载波动范围内调节输出,且全负载范围内切换可实现原边开关管零电压开关和副边整流二极管的零电流关断,在高频领域备受关注和应用。但该变换器工作过程复杂,如果参数设计不当使得谐振变换器工作在容性区域还有可能烧毁变换器。
本文的研究目标就是针对1.5KW的LLC变换器,利用变频的工作方式来实现降压和稳压的功能。以下是本文的主要工作内容:首先利用基波分量简化法建立了变换器的等效电路,依据此模型对LLC全桥变换器的工作特性进行分析,再确定了主开关管实现 ZVS 的条件和变换器的三个工作区域,然后综合以上分析设计出可靠的LLC谐振变换器的参数,最后通过MATLAB对LLC的主电路参数及控制器的设计进行仿真验证。
关键词: LLC变换器,软开关,开关损耗,零电压开通
Abstract
Nowadays, power electronics develop towards high frequency, but increase switching frequency and increase switching losses. In view of the switch loss problem, the soft switch appears. In recent years, the soft switching technology is no longer a lossy buffer circuit. It is a real reduction of switching losses rather than switching losses.
The LLC resonant converter can adjust the output in the wide range of power supply and load fluctuation, and the switching in the full load range can achieve zero current switch off of the zero voltage switch of the original side switch and the secondary rectifier diode. It has attracted much attention and application in the field of high frequency. However, if the converter works in a complicated way, if the parameters are not properly designed, the resonant converter may also burn down the converter in the capacitive region.
The research goal of this paper is to realize the function of voltage reduction and voltage regulation by using the way of frequency conversion for the LLC converter of 1.5KW. The following is the main work of this paper: first, the equivalent circuit of the converter is established by using the fundamental component simplification method. According to this model, the working characteristics of the LLC full bridge converter are analyzed, and the conditions of the ZVS and the three working regions of the converter are determined, and the reliable LLC is designed after the comprehensive analysis. Finally, the main circuit parameters and controller design of LLC are simulated by MATLAB.
Key words: LLC converter;soft switching;switching loss;zvs
目录
摘要 I
Abstract II
第1章 绪论 1
1.1 课题背景 1
1.1.1 设计的目的及意义 1
1.1.2 国内外研究现状 1
1.2 设计的基本内容和目的 2
第2章 全桥LLC变换器的原理及特性 3
2.1 全桥LLC谐振变换器的主电路结构 3
2.2 全桥LLC谐振电路的等效电路 4
2.2.1 基波分量法 4
2.2.1 整流部分等效电路 4
2.2.2 谐振变换器等效电路 5
2.3 谐振变换器工作区域 7
2.4 全桥LLC谐振变换器各工作区域的工作原理 9
2.4.1 工作在
区域原理 	9
2.4.2 工作在
区域原理 	12
2.4.3 工作在
区域原理 	13
2.5 本章小结 15
第3章 变换器谐振腔参数设计 16
3.1 变换器额定工作点选择 17
3.2 计算参数 m 18
3.3 计算励磁电感Lm 18
3.4 设计参数校验 19
3.5 本章小结 19
第4章 变换器仿真验证 20
4.1 主要内容 20
4.2 设计目标 20
4.3 LLC谐振变换器仿真 20
4.3.1 驱动电路 21
4.3.2 谐振电路 22
4.3.3 变压器及整流电路 23
4.3.4 反馈电路 24
4.4 仿真结果 24
4.5 本章小结 27
结论 28
致谢 29
参考文献 30
第1章 绪论
1.1 课题背景
1.1.1设计的目的及意义
电力电子技术在不断增加开关电源功率密度时受到器件尺寸的限制。采取高频运行,可以大大降低器件尺寸,但是高频运行会导致过高的开关损耗。于是各种软开关随之出现,软开关技术本质上是利用电容和电感的特性来改变开关管的开关过程的电压或者电流轨迹,从而达到减小开关损耗的目的。最开始的方法是采用RLC缓冲电路来实现。从能量的角度来说,它是把开关损耗转移到缓冲电路中然后消耗掉,但是这种方法对变换器的变换效率没有提高反而会使效率有所降低。所以近几年所研究的软开关技术不再是使用传统有损耗的缓冲电路,是真正减小开关损耗而不单单是开关损耗的转移。而谐振式开关因其可在电压过零点开通器件,实现零电压开通,尤其是适合采用mosfet作为开关器件的装置。
最普遍的谐振转换器为LC串联谐振转换器。在该电路结构中,LC谐振网络与负荷在一起,形成分压器。通过改变驱动电压频率调节输出电压。由于分压作用,LC串联谐振变换器的增益始终是小于1的。所以在轻载条件下,与谐振网络的阻抗相比较,负载阻抗会显得很大,导致全部输入电压都是加在负载上,所以在轻载情况下会很难有效地调节输出。LLC的转换器的出现,突破了串联谐振变换器的限制。通过在变压器初级绕组放一个并联电感而实现,是LC串联谐振转换器的一种改进版本。它具有许多超越串联转换器的优点,能够在较宽的电源和负载波动范围内调节输出,且全负载范围内切换可实现零电压开关(ZVS)。但因为其设计复杂困难,所以在过去很少受到关注。不过,这几年,ic制造商已开发出了LLC谐振转换器的控制器,而且发表了许多相关技术说明和设计工具,让其LLC的设计变得更容易,因此这种技术越来越获得更多的关注。
1.1.2国内外研究现状
80年代初期,因能解决高频率是低效率的问题谐振变换器得到了快速的发展,受到了国内外研究者的关注和重视。90年代LLC谐振电路被提出,但是因为其设计复杂困难等原因没有得到充分重视。2000年后,因为分布式电源系统的出现使得研究者们又重新开始研究起了LLC谐振变换器。
2001年,台达公司申请了关于LLC谐振变换器的专利。之后2003年,美国弗吉尼亚大学的博士杨波在他的博士论文中,细致地分析了LLC半桥谐振变换器的工作原理,对LLC谐振变换器的飞速发展和广泛应用作出了很大的贡献。
近些年,LLC谐振变换器成为国内研究的热点。浙江大学对LLC半桥和全桥谐振变换器以及三电平LLC谐振变换器的参数优化设计方面做出了大量的研究工作。南京航空航天大学则对LLC谐振变换器的控制策略进行了许多研究。
1.2设计的基本内容和目的
本次设计的目标是完成1.5kW LLC谐振变换器设计。设计要求:输入电压为直流500V-600V,稳压输出电压为直流400V,额定输出功率1.5kW,输出电压稳态误差小于1%,额定工况效率不低于95%。近年来,LLC谐振全桥电路因为成本低、效率高而且结构简单,获得了电源工程师的广泛认可,从而迅速在中低功率(100W-2000W)范围内得到了广泛应用。
第2章 全桥LLC变换器的原理及特性
2.1全桥LLC谐振变换器的主电路结构
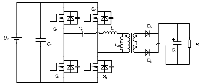
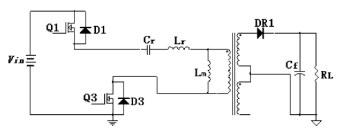
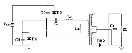
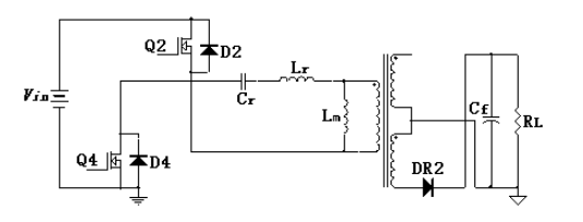
LLC谐振变换器的主电路功能是实现电压的升降和稳压功能,这与变换器的谐振腔和变压器参数密切相关。因为其设计复杂困难,所以在本章要利用基波分量法(FHA)对变换器的主电路拓扑图进行简。下面先介绍LLC全桥谐振电路图,如图2-1。Q1,Q2,Q3和Q4为一次MOSFET。C1,C2,C3和C4是MOSFET源极和漏极两端的寄生电容器。D1,D2,D3和D4是MOSFET的体二极管。Cr与Lr是谐振电容器和谐振电感器。Lm为变压器的磁电感器。n为一次和二次线圈的匝数比。D1和D2是副边的整流二极管。Cf是输出稳压电容。RL是负载。Vin是变换器输入电压,而Vo则是谐振变换器输出电压。

以上是毕业论文大纲或资料介绍,该课题完整毕业论文、开题报告、任务书、程序设计、图纸设计等资料请添加微信获取,微信号:bysjorg。
相关图片展示:







您可能感兴趣的文章
- 一种确定磁探针集总电路参数的标定方法外文翻译资料
 - 一种人体可接触的大气压低温等离子体射流装置研究(适合电气B方向)毕业论文
 - 氩氧中大气压DBD放电特性研究(适合电气B方向)毕业论文
 - 大气压氩等离子体射流放电影响因素的仿真研究(适合浦电气B方向)毕业论文
 - 含氧高活性均匀DBD改性聚合物薄膜研究(适合浦电气B方向)毕业论文
 - 反应器结构对气液两相DBD放电特性的比较(适合浦电气B方向)毕业论文
 - 南京某公司研发楼电气设计毕业论文
 - 金帆北苑地块经济适用住房——02栋商住楼电气设计(适用于浦电气1004~06A方向学生)毕业论文
 - 扬州人武部大楼电气设计毕业论文
 - 金帆北苑地块经济适用住房——04栋商住楼电气设计(适用于浦电气1004~06A方向学生)毕业论文
 

        
            
