单相逆变器中有源功率解耦模块设计毕业论文
2020-04-12 16:19:31
摘 要
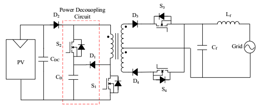
在单相光伏系统中,因为输出端功率带有二倍工频的瞬时脉动功率,这个脉动功率会传递到直流侧从而产生二倍频纹波电流,该低频纹波会影响系统的可靠性:在光伏发电系统,降低MPPT效率;燃料电池发电系统中,引起燃料电池内部迟滞现象,导致过热和寿命衰减;LED应用系统中,导致LED频闪,给用户带来不适和降低LED使用寿命。目前实现功率解耦最传统的方法是并联电解电容在DC-Link处平滑功率脉动,但由于电解电容较低的能量利用率,导致所需的容值很大,并且其ESR也很大,所以损耗、温升等方面十分不理想,可靠性很低,因此,并联电解电容实现功率解耦的方案需要在其可靠性方面进行改进。而本文将采用的改进方案是通过使用有源功率解耦方法实现功率解耦。有源功率解耦方法通常利用解耦模块(开关管、电感、储能薄膜电容),通过开关管控制电容电压,将低频脉动功率转移至储能电容中,可以明显减小电容所需容值,能量利用率高,提高系统的可靠性。
本文首先通过数学计算,对二倍工频脉动功率的产生原理进行了阐述,然后对buck降压型交流电容功率解耦方案和boost升压型交流电容功率解耦方案两种有源功率解耦方案进行介绍,并非别对两种方案在Matlab/Simulink软件上进行电气建模仿真,在PLECS中进行热建模与仿真,最终选择了交流电容功率解耦方案。然后介绍了如何在Altium Designer18软件上进行PCB设计。然后根据所画PCB搭建实验平台,进行测试。
关键词:有源功率解耦,可靠性,buck电路,boost电路
Abstract
In a single-phase photovoltaic system, because the output power has twice the instantaneous power of the pulse frequency, this ripple power will be transmitted to the DC side to generate double-frequency ripple current, which will affect the reliability of the system: In photovoltaic power generation systems, MPPT efficiency is reduced; in fuel cell power generation systems, internal hysteresis of fuel cells is caused, resulting in overheating and life decay; in LED application systems, LED flashing is caused, discomfort is caused to the user, and the service life of the LED is reduced. At present, the most traditional way to achieve power decoupling is to use parallel electrolytic capacitors to smooth power ripple at the DC-Link, but due to the lower energy efficiency of the electrolytic capacitors, the required capacitance is large and the ESR is large. Loss, temperature rise and other aspects are not ideal, and reliability is very low. Therefore, the parallel decoupling of electrolytic capacitors requires improvement in their reliability. The improved solution that will be used in this paper is to achieve power decoupling through the use of active power decoupling methods. The active power decoupling method usually utilizes a decoupling module (switch tube, inductor, energy storage film capacitor), and the capacitor voltage is controlled by the switch tube to transfer the low-frequency ripple power to the energy storage capacitor, which can significantly reduce the required capacitance value of the capacitor. The energy utilization rate is high and the reliability of the system is improved.
In this paper, firstly, the principle of the generation of double-frequency power is described through mathematical calculations. Then two types of active power decoupling for the buck buck AC capacitor power decoupling scheme and the boost boost AC capacitor power decoupling scheme are performed. The introduction of the scheme is not to perform electrical modeling and simulation on the two programs in Matlab/Simulink software. Thermal modeling and simulation are performed in PLECS. Finally, the AC capacitor power decoupling scheme is selected. It then describes how to design the PCB on the Altium Designer 18 software.
Key Words: Active power decoupling,Reliability,buck,boost
目录
摘 要 I
Abstract II
第一章 绪论 1
1.1 课题的研究背景 1
1.1.1 传统DC-Link电容功率解耦 2
1.1.2 有源功率解耦方法的国内外发展现状 4
1.1.3 电力解耦方法的比较 11
1.1.4 潜在技术路线的可行性分析 12
1.2 本文所研究的有源功率解耦方法 13
1.3 本文主要研究内容 14
第2章 含有源功率解耦模块的单项变换器设计 16
2.1单相并网逆变器拓扑结构设计 16
2.1.1 LCL滤波器参数设计 16
2.1.2 LCL滤波器谐振尖峰的阻尼方法 19
2.2 带无源阻尼的1kW单相并网逆变器仿真结果 22
2.3 buck型功率解耦电路 23
2.3.1 buck型功率解耦电路的原理分析 23
2.3.2 Buck型功率解耦模块工作时的控制框图 24
2.4 半桥差分电容型功率解耦电路 25
2.4.1 半桥差分电容型功率解耦电路的原理分析 25
2.4.2 半桥差分电容型功率解耦电路工作时的控制框图 26
2.5 应力分析 26
2.5.1 逆变桥开关器件应力 27
2.5.2 buck型功率解耦模块器件应力 27
2.6 半桥差分电容型功率解耦模块器件应力 28
2.7 两种解耦模块的器件应力对比 29
2.8. 两种功率解耦单相逆变器损耗对比分析 30
2.8.1 MOSFET损耗计算 30
第3章 含有源功率解耦模块的单相变换器仿真 33
3.1 含buck型功率解耦模块的LCL单相并网逆变器仿真 33
3.3含半桥差分电容型功率解耦电路的LCL单相并网逆变器仿真 35
第4章 电路设计以及PCB绘制 37
4.1原理图部分 37
4.1.1 所用元器件 37
4.1.2 Buck型有源功率解耦模块原理图电路 38
4.1.3 开关管驱动部分 38
4.2 根据原理图绘制PCB 38
第5章 总结和展望 41
5.1 本文总结 41
5.2 展望 42
致 谢 43
参考文献 44
- 绪论
- 课题的研究背景
 
 
在国民经济以及国家安全领域,电力电子技术的重要性越来越突出,已成为电力系统的重要支撑技术。从作用对象来看,电力电子技术可以使各种能源在转变为电能的过程中的效率更高,质量更好。从作用结果看,电力电子技术极大改善了人民的生活质量,减少污染与能源浪费。其在执行当前国家节能减排、发展新能源、实现低碳经济的基本国策中起到重要作用。
随着光伏市场的快速发展,预计2020年全球太阳能电能装机容量将达到700GW的高峰[1]。在光伏一体化建设中发挥重要作用的功率解耦模块有助于光伏市场的发展。
对于微型逆变器,其优点很多:(1)高效率,(2)易扩展性,(3)即插即用,(4)节省空间,(5)高可靠性等等。在并网微逆变器系统(GTMIS)中,网格线是单相连接的。然而,它有一个明显的缺点,即输入功率是恒定的,而跟随电网的功率随时间的变化是由单相系统中的双线频率振荡引起的[2,3]。通常,在PV面板上采用电容器来处理由单相系统的输入和输出端子之间的差分功率引起的功率脉动。尽管上面提出了很多优点,但即使使用大型电解电容器,它也不能满足GTMIS的可靠性要求[4]。由于电解电容随着时间的推移电解液损失而降解[5],在105°C的工作温度下,其典型寿命为1000〜7000小时。这与半导体器件的寿命相比太短了。众所周知,许多半导体器件以GTMIS长寿命为特征。据报道,低功率开关可以运行至少10,000小时,而光伏电池板保证25年的运行时间常规可用。上述问题仅存在于单相GTMIS中。三相GTMIS自然地满足功率平衡,因此可以取消去耦电容。然而,三相GTMIS在成本、体积等方面通常不适用于小于10kW的小功率应用。受现有技术限制,对长寿命电解电容器的研究仍然停滞不前。关于低压长寿命电解电容器的研究由于水化反应而遇到很大挑战,在微逆变器中开发无电解电容器的电力解耦技术成为研究的热点[8-11]。微型逆变器可以处理功率脉动,并使用电源解耦技术替代可靠的长寿命薄膜电容器用于电解电容器。许多研究人员提出了用于微反转的各种功率解耦方法。此外,功率解耦技术常用于发光二极管(LED)照明应用[12]。
- 传统DC-Link电容功率解耦
 
PV面板应该在恒定的最大功率点(MPP)下工作,以最大限度地提高能量收集。 PV面板的发电功率PPV由下式给出:
                             (1)
以上是毕业论文大纲或资料介绍,该课题完整毕业论文、开题报告、任务书、程序设计、图纸设计等资料请添加微信获取,微信号:bysjorg。
相关图片展示:







您可能感兴趣的文章
- 一种确定磁探针集总电路参数的标定方法外文翻译资料
 - 一种人体可接触的大气压低温等离子体射流装置研究(适合电气B方向)毕业论文
 - 氩氧中大气压DBD放电特性研究(适合电气B方向)毕业论文
 - 大气压氩等离子体射流放电影响因素的仿真研究(适合浦电气B方向)毕业论文
 - 含氧高活性均匀DBD改性聚合物薄膜研究(适合浦电气B方向)毕业论文
 - 反应器结构对气液两相DBD放电特性的比较(适合浦电气B方向)毕业论文
 - 南京某公司研发楼电气设计毕业论文
 - 金帆北苑地块经济适用住房——02栋商住楼电气设计(适用于浦电气1004~06A方向学生)毕业论文
 - 扬州人武部大楼电气设计毕业论文
 - 金帆北苑地块经济适用住房——04栋商住楼电气设计(适用于浦电气1004~06A方向学生)毕业论文
 

        
            
