基于PLC的变频调速恒压供水系统毕业论文
2020-04-12 16:09:22
摘 要
随着经济的快速发展,我们日常生活中不可或缺的水资源也日益紧张,节约用水势在必行。同时我国的城镇化建设速度大大加快,城市里建筑密度逐渐加大,高层建筑林立,这也导致了对于水源供应的稳定性和效率也越来越高。所以说设计一种节能性好,供水效率高的系统是很有必要的。
目前,我国有很多公司都在做变频恒压供水的项目,比较典型的产品有日本Samco公司推出的恒压供水基板以及艾默生电气公司和成都希望集团(森兰变频器)曾经推出专门用于恒压供水的变频器。但是这些设备都是属于集成度很高的设备,而且价格昂贵。不一定适合广泛应用于所有的供水系统中。
所以本文设计了一种基于三菱FX系列可编程控制器为核心,以三台水泵电机为动力设备的变频恒压供水系统。该系统能够通过实时监测管道压力,并通过改变电机的频率使转速不断调整,来控制水流速的一直能维持在使管道压力近似恒定的状态。自己设计的系统优势是比较灵活,接口可以自己设置并且可以自行安装连接多台水泵。适用范围广,同时结构更简单易于操控。
本文首先描述了课题设计研究的背景和意义,随后简单介绍了变频恒压供水设备以及相关的原理。后面又进行了PLC控制的程序编写,并在电脑上通过手动控制完成了了仿真测试。最后运用组态王软件设计了控制界面,控制界面上包括了手自动控制和数据查询报警曲线等功能。在仿真状态下观察到理想设计的控制效果。
关键词:变频调速 恒压供水 变频器 可编程控制器 组态王
Abstract
With the rapid development of economy, the indispensable water resources in our daily life are becoming more and more intense. At the same time, the speed of urbanization in China is
greatly accelerated. The density of buildings in the city is increasing and the high-rise buildings
are standing, which also leads to the increasing stability and efficiency of the water supply.
Therefore, it is necessary to design a system with good energy efficiency and high water supply
efficiency.
At present, many companies in our country are doing the project of constant pressure water supply with frequency conversion. The typical products are the constant pressure water supply
base plate of Samco company of Japan and Emerson electric company and Chengdu hope group (Sen Lan frequency converter) once introduced the frequency converter specially used for
constant pressure water supply. But these devices are highly integrated devices, and they are
expensive. Not necessarily suitable for wide application in all water supply systems.
Therefore, this essay designs a variable frequency constant pressure water supply system based on MITSUBISHI FX series programmable logic controller and three water pump motors as power equipment. The system can monitor the pressure of the pipe in real time and adjust the speed continuously by changing the frequency of the motor to control the water velocity to keep the pipe pressure approximately constant. The advantages of the system designed by myself are relatively flexible, the interface can be set up by itself, and it can install and connect multiple pumps by itself. It has wide application scope, simple structure and easy operation.
This essay first describes the background and significance of the subject design and research, and then introduces the frequency conversion constant pressure water supply equipment and the related principles briefly. After that, the PLC control program was written, and the simulation test was completed by manual control on the computer. Finally, the control interface is designed by using Kingview software. The control interface includes functions of automatic hand control, data query and alarm curve. The control effect of ideal design is observed in the simulation state.
Keywords:frequency control constant pressure water supply inveter PLC EMC
目 录
第1章 绪论..................................................................1
1.1课题研究的背景、目的和意义............................................1
1.2国内外研究现状概述...................................................1
1.3本文主要研究内容.....................................................2
第2章 变频恒压供水系统简介和原理分析........................................3
2.1供水的基本模型与主要参数.............................................3
2.1.1基本模型.......................................................3
2.1.2供水系统的主要参数.............................................3
2.1.3供水系统的特性.................................................3
2.1.4供水系统的工作点...............................................4
2.2变频调速的原理.......................................................5
2.3变频调速的节能原理分析...............................................6
2.4 PID的基本概念.......................................................7
第3章变频恒压供水系统硬件设计及设备选型.....................................8
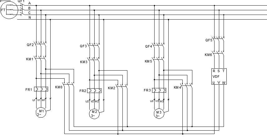
3.1电气控制结构图.......................................................8
3.2系统主电路...........................................................8
3.2.1主电路接线图...................................................8
3.2.2主电路器件选型................................................10
3.3变频器..............................................................10
3.3.1变频器的基本概述..............................................10
3.3.2变频器的基本结构..............................................11
3.3.3变频器的选型..................................................13
3.3.4变频器的接线和功能说明........................................14
以上是毕业论文大纲或资料介绍,该课题完整毕业论文、开题报告、任务书、程序设计、图纸设计等资料请添加微信获取,微信号:bysjorg。
相关图片展示:







您可能感兴趣的文章
- 一种确定磁探针集总电路参数的标定方法外文翻译资料
- 一种人体可接触的大气压低温等离子体射流装置研究(适合电气B方向)毕业论文
- 氩氧中大气压DBD放电特性研究(适合电气B方向)毕业论文
- 大气压氩等离子体射流放电影响因素的仿真研究(适合浦电气B方向)毕业论文
- 含氧高活性均匀DBD改性聚合物薄膜研究(适合浦电气B方向)毕业论文
- 反应器结构对气液两相DBD放电特性的比较(适合浦电气B方向)毕业论文
- 南京某公司研发楼电气设计毕业论文
- 金帆北苑地块经济适用住房——02栋商住楼电气设计(适用于浦电气1004~06A方向学生)毕业论文
- 扬州人武部大楼电气设计毕业论文
- 金帆北苑地块经济适用住房——04栋商住楼电气设计(适用于浦电气1004~06A方向学生)毕业论文


