10kW双向DCDC变换器功率电路设计毕业论文
2020-04-12 15:57:54
摘 要
近来随着我国国民经济和工业的迅猛发展,化石能源短缺以及环境污染问题越来越严重,所以研究开发电动汽车极具前景,而且现在的发展得越来越快。双向DC/DC变换器作为其主要部件,是组成能量双向活动实现能量高效管理和改良动力机能等不可或缺的环节。
论文主要研究了以锂电池和超级电容为储能装置的电动汽车的双向DC/DC变换器。本文对双向DC/DC变换器的各种拓扑结构进行了分析,并选择了双向半桥结构作为最合适的的结构,然后对该变换器的主电路拓扑结构中的主要元器件进行参数计算与选型,最后进行了调压系统的控制器的设计并进行了仿真验证。
结果验证了该双向DC/DC变换器能够基本保证输出电压在要求范围内,实现双向传输能量,有效减小输出纹波。
关键词:电动汽车;超级电容;双向半桥式变换器;双向流动
Abstract
Recently, with the rapid development of China's national economy and industry, and some problems like fossil energy shortages and environmental pollution have become more and more serious, so the electric vehicles have developed rapidly and have great potential for development. The bidirectional DC/DC converter is the main component of the electric vehicle's power system, and it is the key link to form energy two-way activities to achieve energy efficient management and improve power performance.
The thesis focuses on bidirectional DC/DC converters for electric vehicles using lithium batteries and super-capacitors as energy storage devices. In this thesis, we have analyzed the bi-directional DC / DC converter and selected bi-directional half-bridge converter as the best one. Then we calculated and selected the main components of the converter's main circuit. Finally, the controller of the voltage regulating system is designed and verified by simulation.
The results verify that the bi-directional DC / DC converter can basically ensure the output voltage within the required range, realize bi-directional transmission of energy, and effectively reduce the output ripple.
Key Words:electric vehicle; super-capacitor; bi-directional half-bridge converter; bidirectional flow
目 录
第1章 绪论 1
1.1研究背景与意义 1
1.2研究现状 1
1.3主要研究内容 2
第2章 双向DC/DC变换器总体方案设计 5
2.1需求分析 5
2.2双向DC/DC变换器拓扑结构分析与选择 5
2.2.1非隔离型直流变换器分析 5
2.2.2隔离型直流变换器分析 8
2.2.3 DC/DC变换器分析总结与选择 8
2.3双向DC/DC变换器主电路工作原理分析 9
2.3.1 双向半桥式DC/DC变换器工作原理分析 10
2.3.2两相交错式双向半桥DC/DC变换器工作分析 12
2.4本章小结 13
第3章 主要器件的参数计算和选型 14
3.1双向DC/DC变换器设计技术指标 14
3.2电感参数计算 14
3.3电容参数计算 16
3.4功率开关器件选取 16
3.5本章小结 17
第4章 双向DC/DC变换器仿真 18
4.1双向DC/DC变换器控制策略 18
4.2双向DC/DC变换器控制系统的双闭环控制设计 19
4.3双向DC/DC变换器控制系统的仿真分析 21
4.3.1双向DC/DC变换器仿真模型的设计 21
4.3.2双向DC/DC变换器仿真实验的结果与分析 22
4.4本章小结 23
第5章 结 论 24
参考文献 25
致 谢 26
- 绪论
1.1研究背景与意义
对于双向DC/DC变换器的研究,早在1980年初,就有美国的学者成功的将其应用于人造卫星的太阳能电源系统,就从此开始,双向DC/DC变换器在很多地方得到了发展,同样的在电动汽车中也得到了应用,实际上,可以说双向DC/DC变换器的发展是是随着太阳能电源、风力发电、燃料电池这些新型的能源以及利用化学能源、超级电容这些的电能储存设备的发展而不断发展的[13]。
电动汽车用电能替代传统的化石能源作为动力能源的供方,然而在现有的技术条件下,提供电动汽车动力的电池的仍是限制着电动汽车的发展。而电动汽车的动力系统在运作时性能较差,而且不支持能量的双向流动,使得电动汽车的动力系统在为汽车行驶提供动力的功能还不够完善[10]。所以根据于此,我们提出使用多种储能设备互相作用共同为电动汽车提供动力。然而,这些各种各样的辅助能量裝置的电气特性通常存在着各种差异,如何让这种动力系统能够稳定运行,并且能够在高效的运作下保证它的可靠,这就成为提高电动汽车的动力系统的性能的主要需要解决的问题。
所以基于解决现实问题,研究开发这种绿色、清洁、智能的电动汽车是一种未来的发展趋势。本文采用多能源匹配构成动力系统的方案,将对双向DC/DC变换器作为电动汽车的重要环节,保证其功能的实现,进行研究与设计。所以提出本次课题的主要任务:10Kw双向DC/DC变换器功率电路的设计。
1.2研究现状
电动汽车由电能来驱动电机驱使车辆行驶,作为一种绿色清洁能源汽车,在现在环境问题日益严重的驱使下,其发展迅速。电动汽车有着优异的加速和减速性能,运行平稳。然而电动汽车行驶里程短的问题会导致其不足以取代现在的燃油汽车。为解决这问题,可以通过延长车载电池寿命、提高电机驱动效率和类似回馈制动回收制动能量等方式来寻求出路。在不断的创新中,电动汽车的技术不断突破,国内外都在加大对于电动汽车的研发力度,进展显著。而且我国节能减排的政策方针,不断促进着我国的电动汽车的发展,电动汽车的技术水平也在接近国际先进水平。
双向DC/DC变换器在电动汽车当中起着重要的作用,在电动汽车不断的发展中,双向DC/DC变换器的技术也在不断地进步。在单向的电力变换器产生的时候,双向的变换器也被提出来了,比如说最早的,在晶闸管直流电机调速系统中运用了交-直双向变换器以实现直流电动机的启动与制动运行[13]。但是双向变换器仍然可以说是在电力变换器中属于一个比较新的研究方向,在航空航天技术和电动汽车技术这些新兴技术的发展中,双向变换器也同样在不断发展,其前景广阔[15]。
在基于目前电动汽车的蓄电池水平,采用多能源匹配即利用两种或者多种能源电池混合储能驱动,可以延长电池寿命满足大概率输出的要求,像在本文中采用的超级电容与锂电池的联合,在匹配使用中,超级电容能提供较大的瞬时功率,锂电池作为主要的电能储存设备,将其联合使用,利用双向DC/DC变换器对电动汽车的能量流动管理,改善电动汽车的性能。
20世纪80年代初,为将人造卫星的太阳能电源系统的体积与重量均减轻,美国有学者提出利用Buck/Boost型双向直流变换器代替蓄电池的充放电器,实现汇流条电压的稳定[1]。此后对人造卫星的蓄电池调节器进行了深入研究并发表了大量文章,从而使其进入实用阶段;1994年F.Caricchi等成功研制电动汽车的20kW水冷式双向DC/DC变换器;同时,香港大学陈清泉教授(C.C.Chan)也对电动汽车的双向DC变换器开展了研究工作[13]。1998年美国弗吉尼亚大学李泽元教授(F.C.Lee)开始从事与燃料电池配套的双向DC/DC变换器的研究[10]。可见,航天电源、电动汽车的需求推动着双向DC/DC变换器的发展,与此同时开关直流变换器技术的发展为双向DC/DC变换器的发展奠定着技术的基础[13]。
1.3主要研究内容
在大力推行电动汽车的发展背景下,本文的主要研究内容有以下几个方面:
- 对多种双向DC/DC变换器的拓扑结构进行了解,在考虑了在电动汽车中的设计性能要求后,通过分析和比较,确定一个最合适的主电路结构,并对其工作原理进行分析。
- 根据设计要求,在对满足双向DC/DC变换器的需求下,对主电路的主要元器件进行参数计算与选型。
- 对双向DC/DC变换器进行了控制策略的分析与选择,以数字控制方法实现控制器设计,保证了输出电压的稳定和该系统的良好的动态性能,最后在MATLAB中对其进行了仿真验证。
- 双向DC/DC变换器总体方案设计
2.1需求分析
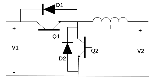
DC/DC变换器的输入和输出均是直流电,它可以对直流电进行转化再输出。作为一种电能变换器,在直流开关电源中经常用到。相对于单向变换器只能实现能量的单向流动,双向电能变换器可实现电能的双向传输,其基本结构如图2.1所示:

以上是毕业论文大纲或资料介绍,该课题完整毕业论文、开题报告、任务书、程序设计、图纸设计等资料请添加微信获取,微信号:bysjorg。
相关图片展示:







您可能感兴趣的文章
- 一种确定磁探针集总电路参数的标定方法外文翻译资料
- 一种人体可接触的大气压低温等离子体射流装置研究(适合电气B方向)毕业论文
- 氩氧中大气压DBD放电特性研究(适合电气B方向)毕业论文
- 大气压氩等离子体射流放电影响因素的仿真研究(适合浦电气B方向)毕业论文
- 含氧高活性均匀DBD改性聚合物薄膜研究(适合浦电气B方向)毕业论文
- 反应器结构对气液两相DBD放电特性的比较(适合浦电气B方向)毕业论文
- 南京某公司研发楼电气设计毕业论文
- 金帆北苑地块经济适用住房——02栋商住楼电气设计(适用于浦电气1004~06A方向学生)毕业论文
- 扬州人武部大楼电气设计毕业论文
- 金帆北苑地块经济适用住房——04栋商住楼电气设计(适用于浦电气1004~06A方向学生)毕业论文


