三相六开关PFC及其控制技术研究毕业论文
2020-04-12 15:48:46
摘 要
近年来,电力电子技术得到了飞速的发展,并且运用到了社会的方方面面,但是在电力电子装置通过整流装置与电力网连接的时候会在电网中产生大量的电流谐波,减少谐波的方式有两种,一是采用有源或者无源滤波电路来控制,二是发明一种新型的整流装置,而且这种装置要需要正弦波的输入电流,而且不能有谐波污染,而且功率因数也要比较高,其实说白了就是能够将原本较低的功率因数提高。消除电网中的谐波有许多好处,能将经济效益最大化,也能减少线路的隐患,为社会的发展也有帮助。所以功率因数校正(PFC)在这些年得到了很大的发展,其中单相功率因数校正技术已经趋于成熟,然而由于三相的较之单相的功率更大,因此对于电网的污染也就更大,所以三相功率因数校正是研究的重中之重。
关键词:电力电子装置;整流;功率因数校正
Abstract
In recent years, the power electronics technology has been rapidly developed and applied to all aspects of the society. However, when power electronic devices are connected to the power grid through a rectifier device, a large amount of current harmonics are generated in the power grid. There are two ways to reduce harmonics. The first is the use of active or passive filter circuit to control, the second is the invention of a new type of rectifier device, and this device requires sine wave input current, and can not have harmonic pollution, and power factor is also compared High, in fact, when it comes to whitening, it can increase the original low power factor. Eliminating the harmonics in the power grid has many benefits. It can maximize the economic benefits, reduce the hidden dangers of the line, and help the development of the society.Therefore, the power factor correction (PFC) has been greatly developed in these years, in which the single-phase power factor correction technology has matured. However, since the three-phase power is larger than the single-phase power, the pollution to the power grid also occurs. Larger, so three-phase power factor correction is the top priority of the study.
Key Words: Power electronics;Rectification;Power factor correction
目录
第1章 绪论 1
1.1论文的研究背景与意义 1
1.2国内外PWM整流器的研究现状 2
第2章 电压型PWM整流器的控制与分析 3
2.1单相电压型PWM的拓扑结构及原理 3
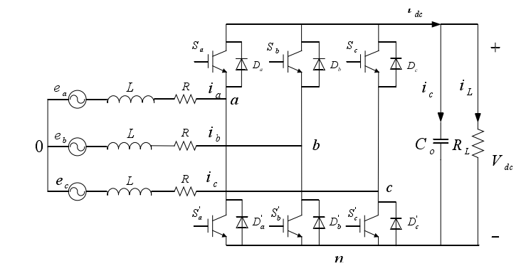
2.2 三相电压型PWM的拓扑结构及原理 3
2.3三相电压型PWM整流器的数学模型 4
2.3.1 三相静止(abc)坐标系下的数学模型 5
2.3.2 两相静止(α-β)坐标系下的数学模型 6
2.3.3 两相旋转(dq)坐标系下的数学模型 8
2.4 本章小结 9
第3章 三相PFC控制方式 10
3.1 PWM整流器的间接电流控制 10
3.2 PWM整流器的直接电流控制 11
3.3 基于同步旋转坐标下的PWM整流器的双闭环控制 13
3.4 本章小结 14
第4章 系统仿真分析 15
4.1 MATLAB介绍 15
4.2 仿真研究 15
第5章 总结与展望 19
参考文献 20
致谢 21
第1章 绪论
1.1论文的研究背景与意义
在理论上的系统中,所用的电流和电压都应该是标准的正弦波,但是在现实中这基本上是不可能的,因为有着各种各样的因素能够影响电压和电流,使它们从原本的正弦变成了不标准的,这就会给各种系统带来许多问题,所以我们必须采取一些措施来防止那些因素影响电压与电流。
随着电科技发展的日新月异,电力、化工、采矿等众多领域中广泛应用了多种电力电子产品,这个时候由于种种需要的缘故需要使用变流装置改变电能的各种参数,让它按照理论上最完美的方案走,来保证不会出现事故,有时也是因为所连接的用户的特殊需要来改变那些参数,保证电路的顺畅,也能够保证经济的最大化[1]。目前,科技的发展也推动了电力方面半导体的发展,也导致越来越多的电力电子换流装置源源不断的出现,尤其是交流电机传动传动用逆变器的性能逐渐完善,为工业方面的经济效益和生产技术的提高都做出了很大的贡献。相关数据表明,未来十年电力电子设备的产量将以每年超过10%的速度增长。
近年来,随着科学技术的飞速发展,电力电子技术也有了很大的进步。它不但被运用于电力、化工、采矿等各个行业,而且在各种电力电子设备和家用电子器件设备比如开关电源、变频器、逆变器等等也运用的比较广泛。电力电子装置一般是通过整流器与电网连接,在这种连接方式下,电网里面会出现大量谐波,污染电网,谐波的危害主要有:
(1)谐波电流会导致电网损耗变多,尤其是有功功率损耗会大大增加,然后导致电能的利用率减少,额外负载也会变多。
(2)谐波电流还会导致电网中的无功功率变多,甚至会引起谐振,到时候可能会导致电力事故的发生。
(3)谐波会让电力电子设备的损耗增加,降低经济效率。
(4)谐波的存在也许会让继电保护装置和自动保护装置的可靠性变低,到时候就可能会产生误动作,造成安全隐患。
这些年来人们的环保意识越来越高,即使是在电力电子技术中也要提倡节约环保,这就要让电网中没有谐波污染,保障高效稳定的运行。
治理谐波的方式有两种:第一种就是在电网中注入谐波相互抵消或者采用无功补偿方式。第二种就是PFC,在输入端输入正弦电流电压,直接不产生谐波。这种方法也是最最有效和根本的方法。
整流器的发展是必经之路,从电路的拓扑结构和外特性可以将PWM整流器分为电流型和电压型。本文就电压型PWM做重点分析。
电压型PWM的特点有:
- 可以任意调节功率因数,实现能量的双向流动.
- 整流器网侧的电流波形是接近正弦的波形,而且其中谐波含量很低,就算是存在的高次谐波,它的幅值也很低。
- 对于系统中得变化灵敏度比较高,在变化很多的场合也可以使用。
- 直流端存在的是非常稳定的电压,输出电压中谐波的占有率特别低。
本文的目的就在于设计出一种全新的PWM整流器将电网的谐波消除,让电网具有更高的效率已经经济效益。
1.2国内外PWM整流器的研究现状
在1978左右,PWM整流器问世。到1980年的时候,PWM整流器的发展趁着电力电子技术发展的东风也前进了一大步。1982年,三相全桥PWM整流器及其网侧电流幅相控制策略被发明了出来,能够使PWM整流器网侧功率因数为1[2]。无功补偿器控制策略也被提出,这是电压型PWM整流器的刚开始怎么设计思想灵感的来源[3]。
当PWM整流器连续动态数学模型和离散动态数学模型的控制策略被提出的时候,这也代表着PWM整流器发展到了一个新的阶段[4]。到1900年之后,PWM整流器的研究主要集中在建模和分析、电流的控制策略、主电路拓扑结构、系统控制策略研究等方面。
二十一世纪,当PWM整流器被运用到社会的方方面面,PWM研究也在大势的推动下往更深层次发展。
由于PWM整流可以使谐波对电网的污染降到很低的地步甚至没有,这就是所说的绿色环保的电力电子装置,经过这些年的研究和改善,PWM整流器技术已经变得越来越好,主电路也从刚开始的半控桥式到如今的全控;同时,拓扑结构也得到了很大的发展。它一开始就不能满足单相和三相的要求。开关器件也由单纯的硬开关到如今的软开关;在功率等级上也有了很大的提升。
在那些容量不怎么大的电力电子装置中运用PWM整流器,谐波基本不会产生,无功功率的消耗也特别少。这是电力电子技术发展中所必须经历的,随着科技在半导体开关器件的发展,让PWM能够大规模的应用,在生活中也有 越来越多的场合需要用到PWM整流器。在这种趋势下,许多国内外知名的大公司都推出了自己的PWM整流器产品。但是国内在此技术的研究时间较短,在这一方面比不上那些工业发展的很迅速的国家。
第2章 电压型PWM整流器的控制与分析
这些年来飞速发展的电力电子科技也带动并提高了PWM整流器的运用技术,PWM整流器的拓扑结构也从最开始的单相、三相发展到多相和多电平组合的形式,开关器件也从最初的硬开关到如今的软开关,而且在功率的等级上也有了显著的提高。
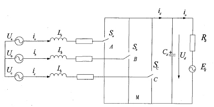
2.1单相电压型PWM的拓扑结构及原理
在保持系统的基础上,将复杂的电路变成简单的,尽可能的少使用开关元件,减少经济支出,让系统变得更加稳定,不会出现误动作,这就是PWM整流器主电路拓扑结构的设计原则。
图(2.1)中所示就是单相桥式PWM整流器的主电路拓扑结构,PWM波形中包含基波分量,而且这个基波分量与正弦信号波的频率振幅都有着正比的关系,同时它还含有高频率的谐波,这个谐波和三角载波是相关联的,但是它是不含有低次谐波的。由于电感器的滤波效应,高次谐波电压只会引起交流电的非常小的脉动,这在理论上可以忽略不计。因此,当正弦波的频率与电源的频率相同时,交流电也是与工频相同的正弦波。PWM波中的基 波分量的幅值和AC电源电压的相 位差来确定交流电流的幅值和相位。
在各种变换下,PWM整流电路既能在整流状态下工作,又能在逆变器状态下工作。当它在整流状态下运行时,能量从AC侧输送到DC侧。如果传输处于逆变器状态,则从DC侧传输到AC侧发送能量。另外,这两种方法可以在单位功率因数下工作。
以上是毕业论文大纲或资料介绍,该课题完整毕业论文、开题报告、任务书、程序设计、图纸设计等资料请添加微信获取,微信号:bysjorg。
相关图片展示:







您可能感兴趣的文章
- 一种确定磁探针集总电路参数的标定方法外文翻译资料
- 一种人体可接触的大气压低温等离子体射流装置研究(适合电气B方向)毕业论文
- 氩氧中大气压DBD放电特性研究(适合电气B方向)毕业论文
- 大气压氩等离子体射流放电影响因素的仿真研究(适合浦电气B方向)毕业论文
- 含氧高活性均匀DBD改性聚合物薄膜研究(适合浦电气B方向)毕业论文
- 反应器结构对气液两相DBD放电特性的比较(适合浦电气B方向)毕业论文
- 南京某公司研发楼电气设计毕业论文
- 金帆北苑地块经济适用住房——02栋商住楼电气设计(适用于浦电气1004~06A方向学生)毕业论文
- 扬州人武部大楼电气设计毕业论文
- 金帆北苑地块经济适用住房——04栋商住楼电气设计(适用于浦电气1004~06A方向学生)毕业论文


