水中高压脉冲放电机理与效能研究毕业论文
2020-04-10 16:58:23
摘 要
近年来,随着社会经济状况的不断提高,人民的物质生活需求也不断提高,工业迅猛发展而产生的废液的数量也随之几何倍数的增加,产生的污染物类型也变得更为复杂,开发有效、廉价和环保的消毒和降解水中有机污染物的方法也变得愈发紧迫。由于脉冲高电压放电技术可以产生大量具有氧化性的羟基自由基与原子氧来降解有机污染物,脉冲高电压放电技术逐渐走进了人们的视野之中。高压脉冲放电技术可以使有机物转化为危害性较低的物质,或者更容易处理的化合物。
液相放电等离子体脱除有机物的理论研究已经进行二十年,但是形成工业产品用来降解有机污染物的却少之又少。为此,本文在第二章介绍了液相等离子体发生的基本原理及其性质,之后对液相等离子体的放电形式进行了分述,为后文分析不同结构的水中高压放电装置类型打下理论基础。液相放电在环境治理、材料合成、生物灭菌与医疗等领域均有很多方面的应用,本文着重介绍了液相放电等离子体用于环境污染物脱除方面的应用。
本文第四章对液相放电脱除有机物的反应机理与降解有机物能量效率进行阐述,在本章最后列出了近年来有关不同有机污染物在不同条件下的降解能量效率。最后一章是具有实用性的一章,本章举出了实际的用于脱除酚类有机污染物的不同结构水中高压放电装置,描述了各自的基本参数与实验结果,在文章的最后介绍了一种用于脱除有机污染物的水中高压脉冲放电装置。
关键词:水处理;非热等离子体;能量效率;反应器;有机污染物
Abstract
In recent years, with the continuous improvement of social and economic conditions, the people’s life needs are increasing continuously and the number of waste fluids produced by the rapid industrial development is also increasing rapidly.The types of pollutants produced have become more complex.The development of effective,cheap and environmentally friendly methods for disinfecting and degrading organic pollutants in water has become more and more urgent. Because pulsed high-voltage discharge technology can produce a large number of oxidizing hydroxyl radicals and atomic oxygen to degrade organic contaminants,pulsed high-voltage discharge technology has gradually entered the field of vision.Pulsed high-voltage discharge technology can convert organic matter into less harmful substances, or compounds that are easier to handle.
Theoretical studies on the removal of organics by liquid-phase discharge plasma have been carried out for two decades, but few industrial products have been used to degrade organic pollutants.Therefore, in Chapter 2, the basic principle and properties of liquid plasma generation are introduced. After that, the discharge patterns of liquid-phase plasma are described, which lays the foundation for the analysis of different types of high-voltage discharge devices in water.
Liquid-phase discharge has many applications in environmental management, material synthesis, biological sterilization and medical treatment.This article focuses on the application of liquid-phase discharge plasma for the removal of environmental pollutants.In Chapter 4,the reaction mechanism of organic matter removal by liquid phase discharge and the energy efficiency of degrading organic matter are described. At the end of this chapter, the energy efficiency of degradation of different organic pollutants under different conditions is listed.The last chapter is a chapter which is very practical for research.In this chapter, the actual pulsed high-voltage devices used in the removal of phenol organic contaminants in different structures are described.The basic parameters and experimental results are described.A pulsed high-voltage discharge device in water for removing organic pollutants presented at the end of the article.
Keywords: water treatment; non-thermal plasma; energy efficiency; reactor; organic pollutants
目录
第1章 绪论 1
1.1课题研究背景与意义 1
1.2国内外研究现状 2
1.3本文主要研究内容 3
第2章 液相等离子体发生基本原理及其放电形式 4
2.1液相等离子体的基本概念 4
2.2液相等离子体发生的基本原理和特性 4
2.2.1液相放电类型及特性 4
2.2.2液相等离子体发生的基本原理 5
2.3水中直流放电 6
2.3.1液相直流辉光放电 6
2.3.2直流微弧氧化放电 9
2.4水中脉冲放电 9
2.4.1水中脉冲流光放电 9
2.4.2水中脉冲火花放电 10
2.4.3水中介质阻挡放电 11
2.5液相射频及微波放电 12
2.6本章小结 12
第3章 液相放电脱除有机物反应机理与特性 13
3.1液相放电等离子体脱除有机物的反应机理 13
3.1.1羟基自由基反应 13
3.1.2氧自由基反应 14
3.1.3臭氧的反应 14
3.1.4芬顿试剂的作用 14
3.2液相放电脱除有机物的能量效率 15
3.3本章小结 19
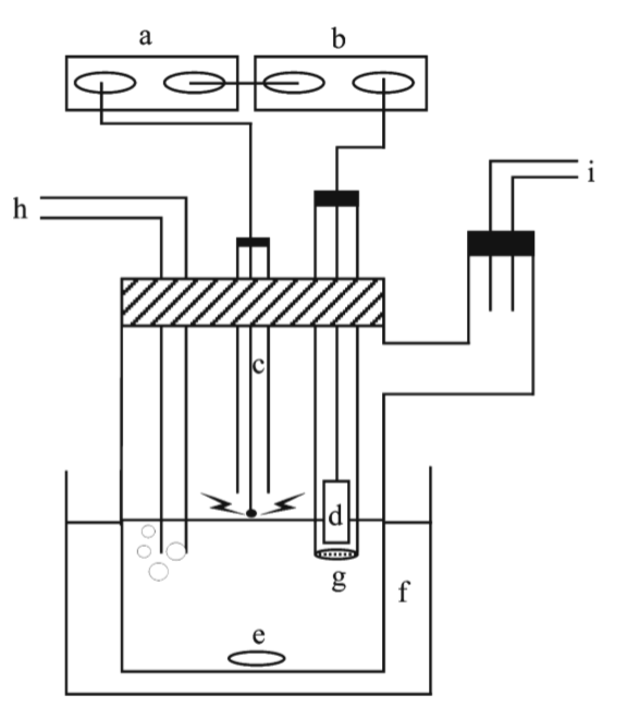
第4章 不同结构的水中高压放电装置 20
4.1针-板型脉冲流光电晕放电等离子体反应器 20
4.2接触辉光放电等离子体反应器 22
4.3隔膜辉光放电等离子体反应器 24
4.4气液混相放电等离子体反应器 26
4.5针-孔-板气液混相等离子体反应器 27
4.6本章小结 28
第5章 总结与展望 29
参考文献 30
致谢 32
绪论
1.1课题研究背景与意义
由于现代化不断推进,工农业也得到了长足的发展,与此同时,有机污染物对环境的污染的问题也越来越严峻,一些重工业工厂,特别是化工、造纸、石油等行业,会排出大量包含高浓度有机污染物的废水,而其中很大一部分未经处理就排放入江河湖海,造成严重的水体污染。另一方面,被污染的饮用水每年导致了全球几千人的死亡,处于第三世界国家此问题格外严重,生活用水也普遍需要提供新型、低成本的污染物脱除与灭菌技术。传统的氧化技术在社会生活中一直在被使用,然而存在不少有机物如除草剂、杀虫剂,传统的氧化技术已显得无能为力,因此寻找一种高效、无污染、无选择性的降解有机物污染物技术变得极为重要。由于人口基数庞大与工农业的不断发展,对于工农业所产生的污染物变得越来越不可忽视。大量的论文已经论证了关于水溶液污染物的脱除方法,例如电子束辐射法、碳吸附法、紫外光照射法、声化法、臭氧氧化法以及TiO2光催化法。这些方法大多的核心方法在于使得水溶液中直接产生羟基自由基,由于羟基自由基是一种具有高能量、非选择性的氧化剂,可以杀死氧化有机物和细菌。高压脉冲放电技术利用高压放电产生等离子体,可以生成羟基自由基与有机污染物反应,由于高压脉冲放电对处理对象没有选择性,且不会产生二次污染,因此存在广阔的研究前景。最近,高压电处理水溶液技术,例如电晕流光放电法、电化学法、火花放电法和电弧放电法,已被应用在降解水溶液内的微量污染物。
水体中的天然有机物主要部分为腐殖质类物质,天然有机物本身对人体不会有什么危害,但是大量有机物则会对水处理的工艺造成影响。例如,采用臭氧与二氧化氯进行消毒时通常会降低水的生物稳定性。人工合成有机物通常的来源是从工业产生的废水与农业工作中所使用的除草剂和杀虫剂,一般来说,造成水体污染的有机物定义为持久性难降解有机物(Persistent Organic Pollutants, POPs)。大多数的持久性难降解有机物具有疏水亲脂的性质,由于此特性,这类污染物将会沿食物链放大,对人类健康威胁极大,不仅具有致癌性,而且还会使得内分泌系统紊乱,对人类的影响会持续数代,所以我们需要对水体的净化作出应有的行动。
水中放电形成等离子体是20世纪50年代发展起来的一门新学科,对其研究的动力来自于其重大的应用价值,液相放电在环境治理、生物灭菌、材料合成和医疗等领域的应用十分广泛,其中有些应用如岩石破碎、液相放电成型等方面已经形成产业化,有些应用还处于研究阶段。水中高压脉冲放电可以形成紫外光和冲击波,同时可以在水中形成原子氧、原子氢、羟基等具有高氧化性的自由基,而由于最强的氧化物实际上是羟基自由基,其次是原子氧和臭氧,所以活性物质羟基自由基,原子氧,臭氧和过氧化氢是重要的反应物,因此可以将水中的有机污染物进行氧化降解,即水中放电等离子体可以通过在液相中高压脉冲放电形成的紫外光、冲击波、臭氧、自由基等协同降解。
1.2国内外研究现状
Yutkin于1955年首次将液电效应用于工业加工,水中脉冲放电可以瞬间生成具有很高能量的等离子通道,应用于特种加工和岩石破碎等领域。而通过高压脉冲放电产生非平衡等离子体来进行有机污染物处理开始于1987年Clements采用针-板反应器进行高压脉冲放电,实现了蒽醌染料的污染物降解,脱色率可达80%以上[1]。20世纪90年代中期,日本、美国学者开始着手探究此领域,而探究的核心放在高压脉冲放电的物理及化学反应过程、活性粒子的判别以及难通常分解的污染物的降解效率、染料脱色、水体的灭菌等应用性研究。近年来,探究核心逐渐转移到考虑如何增加污染物的降解效率与如何提升非平衡等离子体反应装置的能量利用率等方面,而反应器装置也由起初的针-板结构发展到如今线-板结构、棒-棒结构、线-筒结构及其更复杂的其他类型反应器,对水中脉冲放电探究过程也从起初的脉冲放电走向与催化剂或其他工艺联用的方向发展。
Sun等研究了水中放电的自由基特性,证实了水中放电产生羟基自由基、氧原子、氢原子等自由基和长寿命的活性物质臭氧和过氧化氢[2]。
1996年,D.M.Will berg等人通过高压脉冲放电技术对废水溶液中的氯酚、二氯苯胺与TNT实现降解,在一分钟的时间内进行了约为200次的高能放电(一次放电耗能为4-7kJ),三种有机污染物的脱除率达到了99%[3]。
我国运用高压脉冲放电技术来进行水处理始于1996年,李胜利等人通过高压脉冲放电技术实现了蓝2B废水的降解和染料废水的脱色试验[4],在此过程中发现了高压微秒脉冲产生的非平衡等离子体与废水直接接触时可以有效地破坏染料的生色基团,可以使得色度降低90%左右。在这些系统中,降解有机污染物的主要活性物质是羟基自由基,臭氧和过氧化氢,而羟基自由基可以高效地氧化这些有机污染物。臭氧可以直接与有机化合物反应,或分解成与有机化合物反应的其他自由基。过氧化氢对有机污染物降解很重要,因为在铁的存在下它通过芬顿反应可以产生大量的羟基自由基参与反应。
陈银生等人进行了通过高压脉冲放电技术降解苯酚废水的研究,考察了如脉冲电压、气源、频率、电极间距以及pH值等对降解效率的影响[5]。由实验数据可知100 mg/L苯酚废水溶液放电处理 180 min,最高降解效率可达 67.3 %。
文岳中等人开展了通过脉冲高压放电技术降解水中苯乙酮、对氯苯酚以及考察臭氧对降解效率的影响的研究实验[6-8],最终可使得苯乙酮与对氯苯酚的降解效率打到90%与96%,在实验过程中,发现了向反应器中通入气体对降解十分有利,提高了二者的降解效率。
已经可以证明,直接在液相中或在水上的气相(非热等离子体)中进行高压放电会产生过氧化氢[9-13]、分子形式的氧气和氢气[14-15]和·OH、·O、·H和其他类型自由基[12,16-17],并且在高压电极处可添加空气、氧气或臭氧[16,18-19]。此外,取决于溶液电导率和放电能量的大小,高压放电也可形成冲击波和紫外线[20-21],以上所述的反应物质和物理条件又被证明可以快速有效地降解许多有机污染物,包括酚类[12,22-26]、三氯乙烯[27]、醚类[28]、苯乙酮[6]、苯胺[4,29]、苯、甲苯、乙苯[30]、三十余种有机染料[31]等。
1.3本文主要研究内容
本文对液相放电等离子体的产生原理及其应用进行了综述,对各形式的液相等离子体放电以及液相等离子体性质进行了介绍,分析了液相放电等离子体用于脱除有机物的反应机理以及对液相放电脱除酚类物质以及三十余种染料的能量效率进行了整合。具体对液相放电的类型、特性及其发生的基本原理进行了细致的描述,在液相放电等离子体的放电形式中对水中直流放电的两种形式与水中脉冲放电的四种形式作出了图示以及各放电形式的性质阐述。
不同的放电形式、鼓入不同的气体、不同的催化剂、不同的峰值电压以及不同的电导率均会导致一个不相同的有机污染物的降解效率,因此为了获得一个降解效率更优的水中高压放电装置,本文研究了不同结构的水中高压放电装置,对不同结构的放电装置基本参数进行了介绍,对针-板型脉冲流光电晕放电等离子体反应器、接触辉光放电等离子体反应器、隔膜辉光放电等离子体反应器给出了具体的图示,对实验得到的数据进行了统一的分析,之后得出从实验数据中得到的结论,最后在上述的基础上提出了一种针-孔-板式反应器,给出了概念原理图以及对它的材料及优点进行介绍分析。
液相等离子体发生基本原理及其放电形式
2.1液相等离子体的基本概念
等离子体是由部分电子被剥夺后的原子及原子、分子被电离后产生的正负粒子组成的离子化气态物质。等离子体是良好的导体,由电离形成的导电气体构成,整体呈现为中性粒子团状态,等离子体包含有六种基础粒子,即电子、正离子、负离子、激发态的原子或分子、基态的原子或分子、以及光子[32]。
截至目前,学者们通常在文章中所述形成的等离子体都是于气相中形成的,气相中产生的等离子体也已经应用在如今的诸多行业之中。随着学者们对等离子体的研究逐步深入,转变了发生等离子体的条件,尝试由气相中形成等离子体过程转为在水中生成等离子体,冠以“液相等离子体”的名字,这样命名可以与气相等离子体区分开来;液相等离子体的定义是在水中放电生成等离子体,而并非等离子体的物质状态为液态,在液相的新条件下生成的等离子体基本性质与通常意义的气相中生成的等离子体基本性质大致相同。气体和液体中产生等离子体的最大区别在于气体是电绝缘性的,而液体大多为导电体,存在大量的导电离子,因而液体中生成等离子体比在气体中更为困难。
等离子体通过状态进行分类可分为平衡等离子体与非平衡等离子体两大类。平衡等离子体的气体压力值相对较高,其电子温度与气体温度大致相等,例如常压下的电弧放电等离子体;非平衡等离子体通常处于低气压下或常压下,其电子温度远远大于其气体温度,例如低气压下的直流辉光放电等离子体。
由于非热平衡等离子体具有较高的电子能量和较低的离子与气体温度,这使得非热平衡等离子体对化学反应十分有效。由于电子拥有较高的能量,因而碰撞过程使得粒子处于激发、电离的特殊状态,而反应体系又能够保持于低温状态,这样就会使得反应体系内的能量减少,可以通过这种手段来减少了投资规模。所以,非平衡等离子体在物化反应、环境污染管理与材料表面改性中拥有广泛的应用。
2.2液相等离子体发生的基本原理和特性
2.2.1液相放电类型及特性
在液体中,放电技术包括局部放电即电晕流光放电、火花放电和电弧放电。电晕流光放电的放电区域集中于曲率半径较小的电极区,放电通道并没有到达对面电极。在部分放电区域内,放电的初始电场为108V/m的数量级,在水中可以产生较高电场而放电电流相对较小,形成非热平衡等离子体。火花和电弧放电不同于局部放电的电晕流光放电,电极间电流较大,电场较高,脉冲持续时间较长。火花放电和电弧放电之间的差别仅在于持续时间的不同,也和电源的供电能力有关。在电源的供给能量较小时,火花持续时间就相对较短;在电源供电能力足够强的情况下,就可由火花放电过程过渡到电弧放电过程。表2.2汇总了这三种不同形式的液相放电系统特性。
表2.2 不同液相放电类型的特性
参数  | 数值  | ||
脉冲电晕放电  | 脉冲流光放电  | 脉冲电弧放电  | |
频率/Hz  | 102~103  | 10-2~102  | 10-2~10-3  | 
峰值电流/A  | 10~102  | 102~103  | 103~105  | 
峰值电压/V  | 104~106  | 104~105  | 103~104  | 
电压上升时间/s  | 10-7~10-9  | 两者之间  | 10-5~10-6  | 
压力波  | 弱,中  | 中  | 强  | 
紫外光  | 弱,中  | 中  | 强  | 
由上表可知,脉冲电晕放电系统特点可以概括为高频、快速上升脉冲电压、低电流放电。会在水中产生类流光电晕形式,形成相对弱的冲击波,而在高溶液电导率的情况下会形成弱至中强度的紫外光(ultraviolet,UV)辐射,系统在靠近电晕放电电极的区域时则会产生各类自由基与活性粒子。
以上是毕业论文大纲或资料介绍,该课题完整毕业论文、开题报告、任务书、程序设计、图纸设计等资料请添加微信获取,微信号:bysjorg。
相关图片展示:







您可能感兴趣的文章
- 一种确定磁探针集总电路参数的标定方法外文翻译资料
 - 一种人体可接触的大气压低温等离子体射流装置研究(适合电气B方向)毕业论文
 - 氩氧中大气压DBD放电特性研究(适合电气B方向)毕业论文
 - 大气压氩等离子体射流放电影响因素的仿真研究(适合浦电气B方向)毕业论文
 - 含氧高活性均匀DBD改性聚合物薄膜研究(适合浦电气B方向)毕业论文
 - 反应器结构对气液两相DBD放电特性的比较(适合浦电气B方向)毕业论文
 - 南京某公司研发楼电气设计毕业论文
 - 金帆北苑地块经济适用住房——02栋商住楼电气设计(适用于浦电气1004~06A方向学生)毕业论文
 - 扬州人武部大楼电气设计毕业论文
 - 金帆北苑地块经济适用住房——04栋商住楼电气设计(适用于浦电气1004~06A方向学生)毕业论文
 

        
            
