5KVA逆变器设计毕业论文
2020-04-09 15:41:15
摘 要
逆变器是一种电能变换器,它的作用是将输入的直流电转化成交流电,它的分类有很多种,例如,按照电能的电压和频率,主要分为两类,恒压恒频和变压变频,现实生活中很多地方都用到逆变器,例如,稳压电源大多用前者,电动机的变频调速主要用后者,逆变器主要由主电路,驱动电路,控制电路,滤波电路等部分构成,各种各样的逆变也被运用在现实生活中很多情形,例如航天、船舶工业以及可再生能源发电系统等方面。
在文章的最初,介绍了逆变器的研究背景、意义及其研究现状,然后介绍了逆变器的主电路,驱动电路,控制电路,以及SPWM调制的原理,SPWM包含单极性和双极性两种调制方法,接着如何利用DSP实现SPWM,本文中采用的DSP芯片型号是TMS320LF2407A,接着说明了对逆变器设计控制策略的理由以及电压电流双闭环控制的分析,最后设计主电路、滤波电路、驱动电路和控制电路等硬件电路,最终达到采用DSP控制芯片设计输入DC120V,输出AC220V,频率50Hz的单相逆变器,设计硬件电路并计算各器件的参数并选型的目的。
关键词:逆变器;SPWM;TMS320LF2407A
Abstract
The inverter is a kind of electric energy converter, its function is to convert the input direct current into alternating current, its classification has many kinds, for example, according to the voltage and frequency of electric energy, mainly divides into two kinds, constant voltage constant frequency and change Pressurized frequency conversion, inverters are used in many places in real life, for example, the power supply is mostly used in the former, the frequency conversion speed regulation of the motor is mainly used in the latter, and the inverter is mainly composed of a main circuit, a drive circuit, a control circuit, and a filter circuit. Constituted in other parts, a variety of inverters are also used in many situations in real life, such as aerospace, shipbuilding, and renewable energy power generation systems.
At the beginning of the article, the research background, significance and current research status of the inverter are introduced. Then the main circuit, drive circuit, control circuit, and principle of SPWM modulation of the inverter are introduced. The SPWM includes unipolar and bipolar Two kinds of modulation methods, and then how to use DSP to achieve SPWM, the DSP chip model used in this article is TMS320LF2407A, and then explained the reasons for the inverter control strategy design and voltage and current double closed-loop control analysis, and finally design the main circuit, filtering The hardware circuit such as circuit, drive circuit and control circuit, finally reached the single-phase inverter with input DC120V, output AC220V, frequency 50Hz using DSP control chip design, and designed the hardware circuit and calculated the parameters of each device and the purpose of selection.
Key Words:inverter;SPWM;TMS320LF2407A
目录
摘 要 I
Abstract II
第1章 绪论 1
1.1研究背景 1
1.2研究目的 1
1.3研究意义 1
1.3.1促进新能源的开发和利用 1
1.3.2逆变技术具有优越性 1
1.4国内外研究现状 3
1.5本章小结 4
第2章 逆变器主要结构和控制方式 5
2.1逆变器主要结构 5
2.2逆变器控制方式 6
2.3利用DSP产生SPWM波 7
2.4本章小结 8
第3章 逆变器控制策略 9
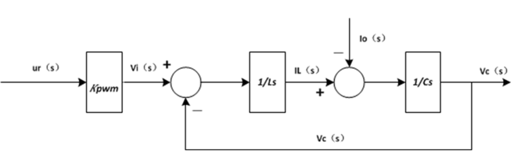
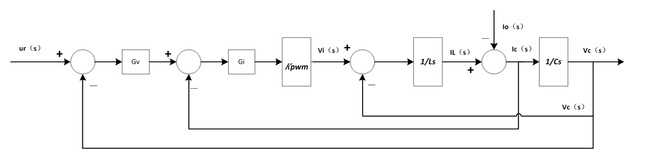
3.1逆变器模型分析 9
3.2控制策略分析 10
3.3本章小结 12
第4章 逆变器硬件设计 13
4.1硬件结构框图 13
4.2主电路和滤波电路的设计 13
4.3驱动电路的设计 15
4.4控制电路的设计 16
4.4.1电源电路 17
4.4.2复位电路 17
4.4.3 JTAG接口电路 17
4.4.4 晶振电路 18
4.5采样电路的设计 18
4.6本章小结 19
第5章 结论与展望 20
参考文献 21
附录 22
致谢 26
第1章 绪论
1.1研究背景
随着现代科技的不断发展,人们在很多行业中对控制技术的要求以及很多器件工作时的稳定性的要求不断提高,因此,直接使用电网中的交流电不能满足人们的要求,人们越来越趋向于将电网中的电能进行各式各样的变换,以满足精密器件的要求。例如电脑为什么要采用专用的电源适配器,电动汽车也是同样如此,都并不是直接接上电网中的电,但尽管各种设备对电源要求不一样,但得到的电能一般是通过整流和逆变组合变换得到的。
一般来说,整流就是,交流变直流的过程,而实现这个过程的电路就是整流电路,与之相反地,逆变就是,直流变交流的过程,而实现这个过程的电路就是逆变电路。
不同场合和设备需要各式各样的逆变器,因此,研究各种各样的逆变器是必要的。
1.2研究目的
逆变器的研究是为了想获得多种多样的可靠地且高质量的电能。 例如:
(1)从设备的蓄电池获得电能,首先,蓄电池发出的是直流电,如果设备需要用到的是交流电,就需要逆变过程,例如应急灯电源。
(2)获得变频交流电源,如交流电机调速器。
(3)实现电能回馈,例如有的电机制动的时候,可以采取回馈制动,这样既达到了制动的目的,而且还把能量回馈到了电网,还达到了节能的目的。
(4)可以减小电力设备体积,这样自然而然也就节省了材料,也就节省了能源, 不仅如此,小体积的设备就有更高的可靠性和调节能力,比如直流变换器。
(5)利用涡流效应来发热,例如电磁炉。
1.3研究意义
1.3.1促进新能源的开发和利用
随着科技不断发展,逆变器不断地被利用到生活中各行各业,例如航空、轮船以及行业控制之中,但是传统的能源是有限的,石油等等能源慢慢短缺,人们把眼光慢慢转向了新能源的利用。但是,利用新能源发电,例如太阳能、风能、燃料电池等等发电,它们发电都是先转化为直流电,要想把这些电能并网,必须先将直流电逆变才行,所以,研究透逆变技术,才能开发利用新能源,也只有研究逆变技术才能促进新能源的利用。
1.3.2逆变技术具有优越性
(1)灵活调整输出电压或电流幅度和频率
很多行业中,我们要控制电压或者电流的幅值或者频率,逆变器的控制电路可以帮我们做到这点,通过调整控制开关管的控制信号,我们将可以控制输出电压或者电流的幅值和频率。例如,交流电机的调速系统,再例如利用涡流效应来发热时,对电压的频率和幅值的控制。
(2)用蓄电池中的直流电转变成其他形式的直流电
在日常生活中,这个经常被用到,例如:
不间断电源设备在停电时,UPS可以将电池中的直流电逆变成交流电供给设备使用,例如电脑等电器设备的连续工作的情形,这样不会对用户造成很大损失。
程控电话交换机内部电源含有DC / DC转换器。它将电池中的直流电(或主电源)转换成交换机使用的其他形式的直流电。这样即使电网瘫痪或者电网电能发生变化,也不会影响到设备工作。
(3)用电设备的体积和重量明显的减小,节省材料
许多用电设备,其体积和重量大部分由变压器和电抗器决定,变压器公式有:
(1.1)  | 
其中U——绕组电压(V);
K——波形系数;
f——工作频率(Hz);
N——绕组线圈匝数;
S——变压器的铁芯部分的横截面积();
——铁芯的最大磁通密度(T)。
由式(1.1)可知,当U,K和都不变时,NS与f成反比关系,即
(1.2)  | 
变压器电路中,一般的有,接的电压U是市电中的电压不会变化,构成变压器的磁性材料的磁通密度也不会变化,及式(1.2)中的U、K和一般不会变化,即绕组线圈匝数N与变压器的铁芯部分的横截面积S的乘积与工作频率f成反比,因此,如果改变工作频率f,就能改变绕组线圈匝数N与变压器的铁芯部分的横截面积S,如果f从50Hz变化到50kHz,那么NS会变成原来的千分之一,理所当然,匝数和铁芯横截面积的减小利于用电设备的体积和重量明显的减小,节省材料。
(4)高效节能
采用变频技术具有高效节能的优点,主要表现在以下三个方面:
很多用到交流电机的地方,例如风扇,液体泵,牵引力,牵引力等,当负载改变时,或者当电机完成的工作量要改变时,常规方法是调整电机通电所用的时间。电机会按比例制动并频繁启动。电机启动和制动消耗的能量通常非常大。如果使用频率控制来调整电机工作量,则可节省大部分能量。
电机的回馈制动。电机制动有很多方法,一般的方法是增加能耗电阻,消耗电机制动产生的能量,这会造成严重的浪费。如果使用电力回馈制动,然后利用逆变器将这部分能量回馈到电网,则既可以达到制动的目的,又可以达到节约能源的目的。
变频技术的使用大大减小了变压器的体积和重量,即铁芯横截面积和线圈匝数。变压器本身的损耗主要包括一次和二次铜损和铁损。铁芯横截面积的大大减小导致非常低的铁损:铁芯横截面积的大大减小和绕组中匝数的大量减少也显着减少铜损。所以,我们在变压器工作时,如果运用变频技术来提升其电压频率,可以使变压器的工作损耗降低很多,以此来达到节能的目的。
1.4国内外研究现状
逆变器最主要的部分是其主电路,主电路最为关键的部分当然是开关器件,那么,逆变器的发展自然而然与电力电子装置的发展撇不清关系,电力电子装置的发展影响着逆变器的发展,电力电子技术发展的提速于20世纪中叶,也就在这个时候,逆变电源也逐渐被人们发明利用,从逆变器的的开端到现在,根据主电路的开关器件可以将它的发展划分为三个部分,最初的逆变器的开关器件是晶闸管,晶闸管是半控型开关器件,所以想控制其开通与关断,就必须有换流电路,然而加上换流电路的逆变器的缺点也是显而易见的,电路结构元器件很多,结构复杂,工作时噪声也很大,体积也很大,稳定性和可靠性很低,因此,寻找新的开关器件来改善逆变器的缺点迫在眉睫。后来人们将主电路的开关器件换成全控型器件,例如绝缘栅双极型晶闸管,即IGBT等等,用上全控型开关器件的逆变器自然而然就不需要换流电路,这使得原先的一些缺点都没了,电路不再复杂,体积也变小了很多,与之对应的,制作成本也会降低,另一个优点是,由于采用全控型器件,开关频率也自然比之前的逆变器高了很多,那么更有利于后级滤波,而且降低了低次谐波,滤波电路部分尺寸也减小,增加了系统的稳定性和可靠性。在对逆变器的控制上大多利用SPWM,这种控制方法有很多好处,例如谐波较少,易于控制,可靠性高。
最初的控制方式是利用模拟量来控制的,这种控制方式的缺点是,第一,拥有过于繁多的控制电路的器件,所以体积庞大。第二,硬件电路死板,如果确定了,那么逆变器的控制策略便固定了,灵活性低。第三,模拟控制使得不同电路采用的器件差异较大,这导致电源差异也很大,不便于调节。第四,模拟电路的器件工作时会有漂移的特点,导致电路参数对应也会有漂移。这些缺点使得人们追寻一种新的对逆变器的控制方法。随着DSP的发展,人们逐渐将眼光由模拟控制转向数字控制,这种控制方式的优点有,会更加减小控制电路的复杂程度,电路也更加灵活,控制信号不会像模拟量那样有失真的情况,因此更加可靠,调试也更加方便,由逆变器输出的电能可靠性和稳定型也更高。
最初人们为了控制逆变器的输出,采用的是开环控制,没有将输出进行瞬时反馈,这种控制策略的优点是结构简单,成本低,但它的缺点也是很明显的,带非线性负载时,输出的电能质量低,谐波多,而且当负载变化时,会导致输出电压剧烈变动,而且恢复得非常缓慢,动态性能很低。后来,人们采取了闭环控制,它能将输出的电压瞬时反馈给系统,以便于系统调整输出来提高动态性能,这样,当接非线性负载时,输出的电能的质量非同日而语,当然这种控制方式也并不是没有缺点,例如,采取闭环反馈,必定要有采样电路,那么逆变器的成本自然会提升,而且,控制环节没有设计好的话,输出的电能可靠性还会很低,因此,系统可靠性会降低。采用单闭环控制系统稳定性还是很低,这并不是意味着这种控制思路的错误,而是因为单闭环反馈方式反馈的状态信息太少,于是,人们为了改善,便采取了电流电压双闭环控制。不仅如此,人们也发现了更多的控制策略,例如,滞环控制、无拍差控制、重复控制、滑模变结构控制、神经网络控制和模糊控制等等。不同的控制逐渐没有优劣之分,他们也逐渐适合不同的场所。
现在逆变器的控制策略的理论部分已经十分领先实际运用了,这些现代数字化控制技术难点在于如何将其运用到具体的逆变器当中,所以,继续研究逆变器的控制技术和实现,这将推动逆变器进一步向前发展。
1.5本章小结
本章主要介绍了逆变器的研究背景、研究目的、研究意义以及国内外研究现状。研究背景是许多用电设备都不是直接用市电作为电源,一般将原始电能经过整流逆变组合后,得到各自所需的电能。因此,逆变技术的研究是有必要的。 研究目的是为了想获得多种多样的可靠地且高质量的电能。研究意义是为了想获得多种多样的可靠地且高质量的电能。研究意义主要有促进新能源的开发和应用和逆变技术具有优越性。逆变器的研究发展主要分为,开关管的发展、控制方式的发展和控制策略的发展。
第2章 逆变器主要结构和控制方式
2.1逆变器主要结构
逆变器主要包含三个部分,主电路,驱动电路,控制电路。
(1)主电路
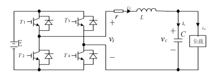
逆变器的分类有很多,根据相数,可以分为单相逆变器和三相逆变器,那么三相逆变器的主电路可以是三相半桥,当然也可以由三个单相逆变器构成,因此单相逆变器的主电路是关键。单相逆变器的主电路主要有三种,半桥式,全桥式和推挽式,如下图2.1

图2.1 主电路的三种拓扑结构
半桥式电路较其他两种拓扑结构不同的是有两个大电容和,因此它的优点是可以自动补偿不对称波形,但是,它也有缺点,电压利用率低,这是因为,它的输出电压仅为母线电压的一半。
全桥式电路经常被中、大容量逆变器采用,它的优点是电压利用率比半桥式电路大1倍,控制方法灵活。它的缺点是存在直流不平衡的问题,如果不采取解决措施的话,对系统有很大危害。
推挽式电路主要适合低压输入的情况,它的优点是,电压利用率比半桥式电路大一倍,另外,由于只有一个管压降的损失,所以这种拓扑结构电压损失小,而且驱动电路简单,因为由图可知,这种结构的开关器件可以共用驱动电路,当然,它也有缺点,和全桥式一样存在直流不平衡的问题,如果不采取解决措施的话,对系统有很大危害,另外由于这种结构的原边绕组匝数少,并绕方式用的比较多,来增加电路中两绕组对称性,导致工艺难度大。
至于开关管器件选择,特大容量逆变器多用GTO,大容量逆变器用IGBT,小容量逆变器则用MOSFET。
(2)驱动电路
因为主电路中控制晶闸管开关功率较大,而控制电路发出的信号功率很小,要想利用控制电路发出的信号来控制主电路中的晶闸管,必须要将控制信号放大,而实现这一作用的电路就是驱动电路。在小容量逆变器中,开关器件一般为MOSFET,它们大多采用高压隔离驱动的集成芯片,在中大容量逆变器中,开关器件一般是IGBT,它们大多采用厚膜集成驱动电路模块。
(3)控制电路
控制电路的作用是通过控制开关器件的开通和关断来控制输出电压。
2.2逆变器控制方式
不同容量的逆变器会采用不同的控制策略,但目前应用广泛的是PWM控制,即脉宽调制控制技术,主要有直流脉宽调制和SPWM,SPWM又称为正弦脉宽调制。它主要运用了采样控制理论中的面积等效原理。
直流脉宽调制输出的是方波,它的优点是,电路简单,易于闭环控制,电压输出比较稳定,由于运用直流电源控制技术,大多应用的是直流控制芯片,因此成本低。然而,它的缺点也很明显,方波含有很多低次谐波,而且波形严重畸形。正弦脉宽调制正是改善以上缺点而被人们所应用。
采用SPWM的逆变电路几乎不包含低次谐波,这是因为大多逆变器的三角波频率为8kHz-40kHz,而谐波分量大多在载波频率及其整数倍附近,因此谐波分量频率都在几千赫兹以上,这样,自然而然可以很大程度的减小滤波电路尺寸。
以上是毕业论文大纲或资料介绍,该课题完整毕业论文、开题报告、任务书、程序设计、图纸设计等资料请添加微信获取,微信号:bysjorg。
相关图片展示:







您可能感兴趣的文章
- 一种确定磁探针集总电路参数的标定方法外文翻译资料
 - 一种人体可接触的大气压低温等离子体射流装置研究(适合电气B方向)毕业论文
 - 氩氧中大气压DBD放电特性研究(适合电气B方向)毕业论文
 - 大气压氩等离子体射流放电影响因素的仿真研究(适合浦电气B方向)毕业论文
 - 含氧高活性均匀DBD改性聚合物薄膜研究(适合浦电气B方向)毕业论文
 - 反应器结构对气液两相DBD放电特性的比较(适合浦电气B方向)毕业论文
 - 南京某公司研发楼电气设计毕业论文
 - 金帆北苑地块经济适用住房——02栋商住楼电气设计(适用于浦电气1004~06A方向学生)毕业论文
 - 扬州人武部大楼电气设计毕业论文
 - 金帆北苑地块经济适用住房——04栋商住楼电气设计(适用于浦电气1004~06A方向学生)毕业论文
 

        
            
