单相逆变器双闭环控制策略的设计毕业论文
2020-04-09 15:21:04
摘 要
逆变是电力领域最基本的能量转换方式之一,逆变器被广泛应用于感应电源、UPS、交流调速等电力电子装置中,因此逆变器必须具有高质量的波形,较强的抗干扰性,较快的响应速度。但是如果只是单纯的使用逆变器,当负载发生变化时,动态过程仅由逆变器自然特性决定,需要很长的调节时间并且动态性能较差。所以引入逆变器的控制方案很有必要。故而针对抗干扰性的增强,本文采用电压外环,电容电流内环的双反馈设计。当把滤波电容上得到的电流当做系统内环的反馈变量时,这时电容电流就成为了被控的对象,系统中的电容电流起到的微分作用会使电容输出的电压得到一个提前的矫正,这种双闭环控制的优点是对线性和非线性负载均有很好的动态抑制作用。并采用最简单,最经典的PID控制,具有结构简单,调试方便,动态响应快,鲁棒性强等特点
关键词:单相逆变器;PID控制;双闭环控制;MATLAB
Abstract
Inverter is one of the most basic energy conversion methods in the power sector. Inverters are widely used in power supplies such as inductive power supplies, UPSs, and AC speed controllers. Therefore, inverters must have high-quality waveforms and strong resistance. Interference, faster response speed. However, if the inverter is simply used, when the load changes, the dynamic process is determined only by the natural characteristics of the inverter, requiring a long adjustment time and poor dynamic performance. Therefore, it is necessary to introduce an inverter control scheme. Therefore, for the enhancement of anti-interference, this paper uses the double feedback design of the voltage outer loop and the capacitor current inner loop. When the filter capacitor current is used as the feedback amount of the inner loop, the capacitor current becomes the controlled object, and the differential action of the capacitor current will make the output voltage of the capacitor be corrected in advance. This dual closed-loop control has the advantages of both linear and nonlinear loads. Very good dynamic inhibition. And adopt the simplest and most classic PID control, has the characteristics of simple structure, easy debugging, fast dynamic response characteristics, strong robustness and so on.
Key Words:Single-phase inverter;PID control;Double closed loop control;
目 录
第1章 绪论 1
1.1目的及意义 1
1.2国内外的研究现状分析 2
1.2.1单相逆变器 SPWM 及其控制策略 2
1.2.2单相逆变器 SPWM 的模拟控制方式和数字控制方式 3
第2章 设计基本原理 5
2.1逆变器基本原理: 5
2.1.1半桥逆变电路结构: 5
2.1.2全桥逆变电路结构: 6
2.2 SPWM控制 7
2.2.1 SPWM基本原理 7
2.2.2 SPWM脉宽调制方法: 8
2.3 PID控制 9
2.3.1比例关系: 9
2.3.2积分关系 9
2.3.3微分关系 9
2.3.4 PID控制器的时域表达式 10
2.3.5 PID控制器的传递函数: 10
第3章 单相逆变器数学模型 13
第4章 控制策略 15
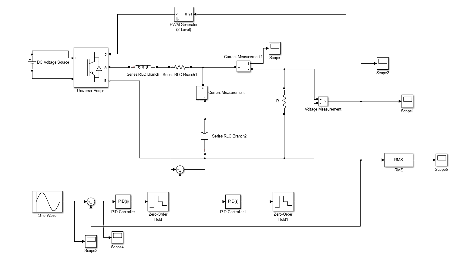
第5章 算法 Simulink建模仿真分析 17
第6章结论 19
总结 19
不足和展望 19
参考文献 20
致谢 21
第1章 绪论
1.1 目的及意义
逆变器将直流电能(电池,电池)转换为交流电(通常为220V,50Hz正弦波)。它通常可以分为逆变桥,控制逻辑和滤波电路。广泛应用各种电子器件之中。在国外由于汽车的普及率高,可以通过变频器连接蓄电池来驱动电器和各种工具在外面工作或旅行。一般而言,点烟器输出设备逆变器的功率规格为20W,40W,80W,120W至150W等。较大的逆变器通过电缆连接到电池。 将家用电器连接到电力转换器的输出端使得可以在车辆中使用各种电器。
变频技术在未来新能源发展中起着决定性的作用,未来的发展方向是高功率密度,高转换效率,高可靠性,无污染,智能化。 具有广泛的应用前景。
上世纪70年代,当代工业陷入化石燃料危及,越来越多的国家意识到新能源和可再生能源技术的重要性。现目前的热门研究方向主要集中在风力发电、太阳能电池和燃料电池方面。为了提高能源的使用安全性和转换效率,分布式的发电系统、电能质量的研究和开发也被更多人重视。可再生系统中都涉及到很多大功率、高效、高质量的能量传递和控制,电力电子是其中的关键技术之一,而 PWM 逆变电源是电力领域最基本的能量转换方式之一,其中PWM 逆变器的应用范围分为以下几类:
(1) 恒频恒压不间断电源 UPS。以不间断电电源为代表的交流稳定电源是 PWM逆变器应用较多一个的领域。UPS安装在通信系统,财务部门,医疗中心,空中交通管制系统和武器控制系统等需要高质量和不间断电源的大量重要电力部门。以及所有信息处理设备。 随着全社会信息化进一步深入,电力供应中断造成的损失不断增加,对UPS电力的需求将进一步扩大。
(2) 电力传动与变频电源。电力传动与变频电源。 PWM变频器在运动控制中的应用主要体现在交直流交流变换器的核心部件 - 高性能调速驱动系统和各种交流电机组成的一个满功率系统。,比如各类同步电机、异步电机、开关磁阻电机传动系统等。这些使用 PWM 逆变器的运动控制系统被广泛运用在工业生产、交通、国防、科学研究等各个领域。[5]
(3) 电力系统和可再生能源供电系统中的应用。目前,PWM逆变器在电力系统中的应用最为显着的体现在柔性交流输电系统(FACTS)所需的各种电力系统控制器和有源电力滤波器中。FACTS是高功率,高性能电力电子元件的应用,用于制造受控的有功或无功功率以及电网的主要设备等,把原本不可控的电网变得全面可控,来提高电力系统的高度灵活性和安全稳定性。[4]逆变器是FACTS系统的重要组成部分。如静止同步补偿器(STATCOM)、综合潮流控制器(UPFC)、统一电能质量控制器(UPQC)的核心就是一个高压或多个高功率电压型PWM逆变器。用于抑制电力负中荷峰谷差异的超导磁铁储能系统(SMES)也需要用到大功率PWM变换器作为与电网的中介。HVDC系统是FACTS的重要组成部分,使用PWM逆变器作为HVDC的变换器可以克服传统晶闸管变换器的许多缺点。[2]
1.2国内外的研究现状分析
1.2.1 单相逆变器 SPWM 及其控制策略
单相逆变器的结构有半桥和全桥两种,其中半桥电路结构简单,输出电压相对较低,通常被应用于中小型容量场合,而全桥的桥臂输出电压存在零电压的续流状态,因此可以实现倍频,在较低的开关频率下也可以获得更好的谐波控制。逆变器在不断的实践应用中,经历了从原来的方波逆变器到SPWM 逆变器的发展过程,方波逆变器电路拓扑简单,使用器件数目少,电压的效率高,输出电压可调节,输出电压含有较大谐波,滤波器的体积也相对较大,至于阶梯波合成逆变器素则刚好与方波逆变器完全相反,阶梯波合成逆变器电路构建过程繁琐,其中包含了大量的功率器件,输出电压完全不可控,但优点在于其输出电压谐波含量很小,滤波器的体积小,通常在实际应用中采用两组阶梯波合成逆变器来进行移相控制从而达到控制输出电压量基波的目的。
当今电子电力领域中,普遍使用的技术有:
(1)电压瞬时值单闭环反馈控制
电压单回路瞬时值反馈的瞬时值反馈控制采用瞬时电压值反馈,输出电压瞬时值反馈,PI误差调整和输出控制。这是是一个后续调节系统,由于系统中积分环节有相位滞后,系统不可能达到无净差,所以该控制方法的稳态误差比较大,但速度较快。
(2)电压电流的瞬时值双闭环滞环控制
其控制思想是:由于在逆变桥输出的电压经电感的积分产生滤波电感电流,所以在电压迟滞环控制中,直接把滤波电感得到的电流直接作为反馈信号,此时电感电流成为一个斜坡函数,在系统中发生自持振荡。然后,使用滞环比较器形成一个以参考电流为中心的滞环,从而控制该滞后环路内反馈电流的变化。控制电路比较简单,但是功率管的开关频率不固定,而且频率较宽,输出电压的谐波频率不固定。
(3)电压电流双闭环SPWM的反馈控制
电压单闭环控制在负载抗干扰方面与直流电机的转速单回路闭环控制具有相似的缺点,具体性能在只有当负载(比如电流和转矩)扰动的影响最终体现在系统输出端(比如电压和转速)时,控制器才开始有反应,为了改善其响应速度,通常在电压外环的基础上加一个电流内环,利用电流内环所产生的及时抗扰性来改善负载波动带来的影响,同时在电流内环中对被控对象的改造作用,使得电压外环调节可以得到大大的简化。
1.2.2 单相逆变器 SPWM 的模拟控制方式和数字控制方式
单相逆变器的SPWM控制策略通常分为模拟控制模式和数字控制模式来控制单相逆变器,其中较为传统的模拟控制方式具有技术成熟、易于控制、控制成本较低的优点,故而在单相逆变器 SPWM 的控制中被广泛应用,但在使用过程中也存在着因技术局限而带来的不足和缺陷。现在伴随着数字信号处理技术的飞速发展,越来越多的控制器件选择使用数字信号处理器,数字化控制逆变器的优点也逐渐显现出来。
(1)传统模拟控制方式的不足和缺陷包括:第一其电路是多个模拟元件组成成的,当使用数量较多的元件后,会导致设备制作流程复杂,无法进行大规模的生产和使用。第二随着时间的流逝和环境的改变,模拟元件会出现老化和风化等现象导致其质量变差,进一步引起系统的可靠性和一致性地降低。第三因为其需要使用的模拟元件数量较多,设计周期长、调试难度大、更换维修复杂。第四传统控制模拟方式进行控制模拟的方式太过单一,故而很难使用复杂的控制算法,第五使用模拟控制后逆变器网络化和智能化的维护管理将很难实现。[7-8]
(二)数字控制方式的优点:首先,数字控制能够通过软件来运行复杂的数字控制策略来系统性能。第二,大幅的简化了硬件的设计,对模拟元件的数量进行了有效地减少,抗干扰性得到增强。第三,在控制过程中,能够利用各类端口对系统进行在线数字控制,发现故障时可以及时排查并进行维修,能够达到控制的网络化管理。第四,数字化控制能够将系统中的多个电源模块进行并联运行,提高供电系统的可靠性。但随着模拟控制器的数字化进程,也随之出现了一些新的问题,并且会对逆变器的性能造成一定的影响,在一些方面限制了逆变器数字化控制的使用,毕竟数字控制的计算能力是有限的,例如当 CPU 运算任务过多或计算占用过多内存以及资源时,此时就无法完成超负荷的数字计算,会造成设计成本的增加,降低产品的竞争力,减缩市场范围,为改善上述问题,在某些控制系统中逆变器的控制就会使用模拟控制方式和数字控制方式混合,由于这两种控制方式的混合具有较高的性价比,并且对上述问题能够有一定程度改善,故而会存在较大的利用价值。[6-10]
当前逆变器数字控制领域中,较为广泛的控制策略有
(1)PID 控制作为一种经典的控制算法,结构简单、易于调试、动态响应特性快、鲁棒性等特点。但是,对于中低频周期信号,该算法无法实现静态控制;当输出波形由于非线性负载变化而失真时,调整能力较弱。
(2)滑膜变结构控制,滑模变结构控制最大优点是对系统具有较高的稳定性,对系统中参数变动和外部扰动有很高的抗干扰能力,具有很强的鲁棒性。
(3)无差拍控制,无差拍是数字控制中特有的控制方式,它是在控制对象离散数学模型的基础上,通过应用精确计算的控制量,在一个采样周期内来纠正被调量的偏差。无差拍最大的优点是动态响应速度快,缺点是它的正确性取决于数学模型的精度。
(4)重复控制,重复控制最重要的控制思想是内模原理,内模原理是将作用于系统的外部信号的动态模型植入到控制器中,形成高精度的反馈控制系统。控制的基本思想是利用控制量的周期性重复。其主要缺点是基于循环控制的动态性能较差。[10]
第2章 基本原理
2.1 逆变器基本原理:
由S1~S4构成桥式电路;S1和S2构成一个桥臂, S3和S4构成另一个桥臂,形成双桥臂结构;具有降压特性。

图2.1单相逆变器
双桥臂逆变电路的工作原理:

图2.2 s1、s4闭合,s2、s3断开时电路和波形图

图2.3 S2、s3闭合,s1,s4断开时电路和波形图
同一个桥臂上的两个开关管是不能同时导通的,否则会导致电路短路。要改变输出交流电的频率需要改变开关器件开关的周期。为电阻时,负载的输出电流和的波形相同,相位也相同;当外部负载为感性负载时,输出电流相位滞后于输出电压九十度,波形也不相同。
2.1.1 半桥逆变电路结构:
半桥逆变电路的特点是电路结构简单,使用器件少;两端输出交流电压的幅值为Ud / 2,需要在直流两侧串联一个电容来控制两端的电压平衡。 这种结构的多用于低于几千瓦的低功率逆变器。。因为结构简单,但原理相似所以单相的全桥和三相桥式逆变电路都可看做是几个半桥逆变电路的组合。
半桥逆变电路工作原理:V1和V2的栅极信号在一周期中有半个周期反偏、半个周期正偏,刚好互补,输出电压就形成一个矩形波,幅值为 ;当V1或V2导通时,输出电流和输出电压同一方向,能量从直流侧流向负载;VD1和VD2通常被称为反馈二极管,同时它又可以使使负载电流连续,故也被称做续流二极管。

图2.4 半桥逆变电路结构
2.1.2 全桥逆变电路结构:

图2.5 全桥逆变电路结构
如图2.5所示,全桥逆变电路由两个桥臂上的四个开关管IGBT和四个续流二极管,因为原理相似可以看做是两个半桥电路的组合;其输出的电压和电流波形与半桥电路所输出的波形形状相同,电压和电流幅值是半桥电路的两倍;全桥逆变电路在单相逆变中应用广泛。

图2.6 全桥逆变电路工作原理波形
全桥逆变电路的工作原理如图2.6,同一个桥臂上两个开关器件不能同时导通;V3的基极信号与V1相差θ(0<θ<180 );V3和V4的栅极信号分别比V2、V1的前移180-θ ;其输出的电压是正负各为θ宽度的脉冲,只要改变θ就可调节输出电压。
单相全桥逆变器的电路结构如图2.7所示,其中为输入电压,是直流母线上的电压,,是经过滤波后的输出电压。滤波电感L ,滤波电容C ,r包括线路电阻、电感电阻等是逆变器的等效串联电阻。

图2.7 单相逆变器
2.2 SPWM控制
SPWM控制: 是一种相对成熟并得到广泛使用的PWM方法。冲量相等但形状不同的窄脉冲施加在具有惯性的环节上时,其效果是基本相同的。
优点:开关频率固定,等于载波频率,高频滤波器设计方便。这种控制方法在输出电流中包含较少的谐波。
2.2.1 SPWM基本原理
如图2.8所示,将一个正弦半波分解为N等分,用面积相等的等高矩形脉冲波来代替每一个等分中的正弦曲线和横轴所包围的面积。 以面积等效原理为依据,每个等分的正弦半波就相当于一个矩形方波,将每一个等分的半波中点作为矩形波的中点,就这样用N个等高但是不等宽的矩形波来表示半个正弦波,其面积相等,故而效果基本相同。

图2.8 PWM原理图
逆变器预计输出的波形可以看作是一个正弦波,将一个频率较高的三角波作为载流波,与期望的正弦波进行比较,当载流波大于调制波时输出高,低于时输出低电平,这样可以得到正弦调制波的半个中期内的pwm波形,逆变器的开关器件的交点由调制波的交点决定。从而得到在正弦波的半周期中,在中间宽度的两侧形成一系列度宽度不等高度相等的矩形波。
SPWM的基本原理在于将波形在控制电路中进行比较,然后作为控制波来对开关管进行控制,以输出期望的波形。如图2.9在控制电路中,将频率为幅值为的参考正弦波与频率为幅值为的三角波进行比较后,可以得到一个pwm波形,用这个波形来控制IGBT的导通与关断,就能够实现pwm控制。

以上是毕业论文大纲或资料介绍,该课题完整毕业论文、开题报告、任务书、程序设计、图纸设计等资料请添加微信获取,微信号:bysjorg。
相关图片展示:







您可能感兴趣的文章
- 一种确定磁探针集总电路参数的标定方法外文翻译资料
 - 一种人体可接触的大气压低温等离子体射流装置研究(适合电气B方向)毕业论文
 - 氩氧中大气压DBD放电特性研究(适合电气B方向)毕业论文
 - 大气压氩等离子体射流放电影响因素的仿真研究(适合浦电气B方向)毕业论文
 - 含氧高活性均匀DBD改性聚合物薄膜研究(适合浦电气B方向)毕业论文
 - 反应器结构对气液两相DBD放电特性的比较(适合浦电气B方向)毕业论文
 - 南京某公司研发楼电气设计毕业论文
 - 金帆北苑地块经济适用住房——02栋商住楼电气设计(适用于浦电气1004~06A方向学生)毕业论文
 - 扬州人武部大楼电气设计毕业论文
 - 金帆北苑地块经济适用住房——04栋商住楼电气设计(适用于浦电气1004~06A方向学生)毕业论文
 

        
            
