热电发电系统用高效降压型DCDC拓扑优化与设计毕业论文
2020-04-08 14:31:17
摘 要
近年来,电子技术不断发展,汽车开始朝着电子化的方向发展,催生出大量汽车电子产品,使得汽车对电能的需求量进一步扩大。汽车发电是将石油转化为电能,而汽车发电系统转化率较低,加上尾气排放、发动机冷却等,损耗大量能量。在此背景下,通过运用热电发电技术,能够将尾气等废热转化为电能,从而增强汽车燃油经济性。基于热电发电技术的积极作用,得到各国的重视,该技术具有广阔的应用空间,是未来汽车辅助动力系统的发展趋势。
本文在以上研究背景的基础上,针对汽车的节能减排问题,基于武汉理工大学自主设计的汽车发动机尾气热电发电堆,研究和设计用于热电发电系统的高效降压型DCDC转换器。在本次研究中,首先对选题背景、热电发电系统未来发展趋势、电力电子技术进行论述;其次,介绍热电效应的基本原理,并在理论基础上,得出热点发电输出功率的公式,阐明TEG系统的热电耦合关系,论述热点发电系统输出特性和DCDC变换器性能要求;最后对三种变换器拓扑进行说明,进行优化设计了一种适用于热电发电系统的高效降压型Buck电路。
关键词:热电发电系统;TEG;高效降压型;Buck变换器
Abstract
In recent years, with the continuous development of electronic technology, the automotive industry has begun to develop in the direction of electronicization, which has spawned a large number of automotive electronic products, which has further increased the demand for electric energy from automobiles. Automobile power generation converts oil into electricity. However, in view of the current situation, the conversion rate of automotive power generation systems is low, and exhaust emissions, engine cooling, etc., consume a lot of heat energy and cause energy waste. In this context, a thermoelectric power generation technology is proposed. By using this technology, waste heat such as exhaust gas can be converted into electric energy, thereby enhancing vehicle fuel economy. Based on the active role of the thermoelectric power generation technology, it has received the attention of various countries. This technology has a broad application space and is the development trend of the future automotive auxiliary power system.
Based on the above research background, this paper aims at the energy-saving and emission-reduction problems of automobiles, and researches and designs high-efficiency step-down DCDC converters for thermoelectric power generation systems based on automotive engine exhaust gas thermoelectric power generations independently designed by Wuhan University of Technology. In this study, the background of the topic, the future development trend of the thermoelectric power generation system, and the power electronics technology are discussed first; secondly, the basic principle of the thermoelectric effect is introduced, and on the basis of theory, the formula of the output power of the hotspot power generation is obtained and the formula is clarified The thermoelectric coupling of the TEG system discusses the output characteristics of the hotspot power generation system and the performance requirements of the DCDC converter. Finally, the topologies of the three converters are illustrated, and an efficient Buck circuit suitable for thermoelectric power generation systems is optimized.
Keywords: Thermoelectric power generation system; TEG; High efficiency step-down type;Buck converter
目录
摘 要 I
Abstract II
第1章 绪论 1
1.1选题背景以及研究意义 1
1.2 热电发电系统的发展及趋势 2
1.3 热电发电中电力电子技术的研究 3
1.4 本文研究的主要内容 3
第2章 热电发电系统工作特性分析 5
2.1 热电效应基本原理 5
2.1.1 塞贝克效应(Seebeck Effect) 5
2.1.2 珀尔帖效应(Peltier Effect) 6
2.1.3 汤姆逊效应(Thomson Effect) 7
2.1.4 附加效应 7
2.2 热电耦合关系 8
2.2.1 开尔文关系式 8
2.2.2 热电耦合输出功率 9
2.3 热电发电系统的输出特性及DCDC变换器特性要求 10
2.4 本章小结 10
第3章 DC-DC变换器比较研究 12
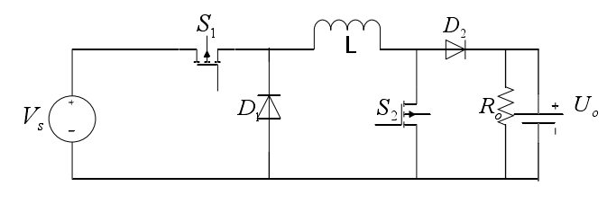
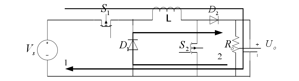
3.1 基本Buck变换器 12
3.2 交错并联型Buck变换器 14
3.3 Buck-Boost级联变换器 16
3.4 本章小结 17
第4章 Buck电路的优化与设计 18
4.1拓扑简介 18
4.1.1 场效应管替代二极管 18
4.1.2 死区时间的产生和二极管续流 19
4.2 仿真搭建及仿真结果 19
4.3 本章小结 23
第5章 总结与展望 24
5.1总结 24
5.2展望 24
参考文献 25
致 谢 26
第1章 绪论
1.1选题背景以及研究意义
人类各项活动都离不开能源的支持,可以说能源是人类赖以生存和人类文明发展的重要基础,能源安全直接关系到一个国家经济是否发展、社会是否和谐[1]。近年来,现代工业发展对不可再生能源的消耗急剧增加,导致常规能源的储量告急,能源供需矛盾越来越突出。图1.1[2]显示了世界和中国主要常规能源的储量预测。

图1.1世界和中国主要常规能源储量预测
但目前人类能源利用率仅为34%,其余能量均化为废热进入大气,不但造成能源损失,并且排除的气体含有大量CO2,碳尘等,此类物质是温室气体的主要构成部分,破坏生态环境,引发生态困境。汽车产业是我国支柱型产业之一,对推动国民经济增长做出巨大贡献,随着民众收入水平不断提高,汽车保有量持续攀升,相应地,其消耗的能源量也不断增多,节能问题已成为制约汽车产业发展的重要因素,并引起了全球的关注。调查研究表明,汽车的动力转换效率仅为40%(柴油机动力输出只占燃油燃烧总热量的30%~40%,而汽油机仅有25%~30%),以废热排出车外的高达百分之六七十,主要包括汽车尾气和循环冷却水带走的热量。废气余热带走热量占总能量的25%~45%(柴油机)或30%~40%(汽油机),可再次使用废热量约占16%[3]。另外,由科技进步带动生产力的提高,各类车载电子设备如移动音响设备、导航仪、行车记录仪等开始为大众所使用。当下市场主流汽车供电基本由蓄电池、发电机及其调节器组成,发电机既为蓄电池充电,又为其它车载用电设备提供电能。随着汽车发动机转速变化,发电机效率只有40%~60%,若再考虑发动机自身效率,这种由发动机和发电机组成的发电系统的整体发电效率非常低,仅为10%至15%。
半导体温差发电(TEG,热电发电)技术是一种将热能转换为电能的绿色发电技术。该技术可以从包括工业废热、汽车废热、垃圾燃烧废热和地热等地球已知低品位热源中获取能量,热电发电相较其他发电方式结构简单、可靠性高、无噪音、使用寿命长、热源范围广,同时其可以降低尾气排气温度,改善全球温室效应,由与以上一系列优点,近年来热电发电的利用已成为新能源领域的研究热点。
在热电发电系统中,输出的电压与功率两个参数的设置很大程度上由发电模块冷热端的温差所决定。然而,大量实践表明,冷热端温度控制难度较大,经常出现模块两侧温度不稳定、热能分布不均等问题。若冷热源不稳,会导致发电系统输出电压发生波动,并且波动范围可能会超出允许值,导致电能无法被负载使用。而热能分布不均会造成不同发电模块输出功率不相匹配,最终导致的结果就是系统发电效率大幅降低。为解决上述问题,通常在系统中装配电力电子变换器,从而给负载提供稳定电能,提高系统运行稳定性[4]。此外,通过电力电子技术对系统进行优化和概率,选用分布式结构,使不同模块的功能保持平衡状态,以此增大系统输出电能和发电功率。基于此,对电力电子变换器进行研究具有积极的现实意义。故本文以汽车节能减排为目标,基于武汉理工大学自主设计的汽车发动机尾气热电发电电堆,研究并设计一套用于热电发电系统的高效降压Buck型DCDC转换器。
1.2 热电发电系统的发展及趋势
1821年,德国科学家赛贝克(Seebeck)发现了塞贝克效应。1834年,法国科学家珀尔帖(Peltier)发现了珀尔帖效应。1855年,W·汤姆逊(W·Thomson)基于其自身提出的热力学原理,对以上现象进行全面探究,同时剖析了Seebeck与Peltier两个系数间的内在关联。基于此,他从理论上预言了汤姆逊效应(Thomson effect)。这些热电系统基本效应是热电发电技术的理论基础。
然而,在早期,人们对于热电材料缺乏了解,主要研究对象为金属及相关合金,然而,由于金属的塞贝克系数普遍较小,发电效率较低,使得热电发电技术的额研究一度陷入困境,当时尽管已经提出温差发电效应,然而由于相关技术的不成熟,并未应用于实践。上世纪30年代,约飞(Yofei)通过一系列研究,指出把半导体材料应用于热电发电,能够有效提高发电效率,同时,其还提出固溶体合金的定义,为热电发电应用于实践奠定了基础。然而,由于输出功率、成本等因素,使得热电发电的应用存在很大局限性,早期仅用于航天、军事等领域。近年来,热电发电器的研发成功,为热电发电技术的普及化创造了条件,使得热电发电技术的应用范围不断扩大。
基于热电发电技术的重要作用,受到各国的重视,对此方面投入大量资源以推动该技术的发展。不同国家对热电发电技术的研究重点有所不同,美国主要将该技术运用于前沿科技领域,如航天、军事等方面;日本则将技术应用于国家发电项目中,并将研究重心放在陶瓷热力材料方面;欧洲侧重于利用该技术研发温差电源、传感器等产品;对于我国而言,关于热电发电方面的研究还处于较为初级阶段,主要偏向于功能材料的研究[5]。
1.3 热电发电中电力电子技术的研究
近年来,各类新型技术不断涌现,给热电发电技术的发展创造了有利条件。目前,热电发电正朝着实用化和工程化的方向发展,且应用范围不断拓宽。基于此,为满足不同领域的需求,进一步提高系统不同层面的效率,对此方面的研究不断增多,研究人员逐步意识到,TEG系统性能的提升不但与热电材料相关,同时还与系统设计的合理性密切相关,设计合理性主要涉及电力电子变换电路和回路控制两个部分。实践研究显示,若系统电气部分的合理设计,即便是常用热电模块,依然能够使热电转换效率处于较大水平。基于此,探究TEG系统和电力电子转换器彼此间的关联就显得极有必要。
热电发电技术应用于不同场景,TEG输出电能电特性会存在一定差异。由此来看,需根据应用场景调整和改进变换器的拓扑结构。现阶段,该技术应用最多的场景就是汽车尾气,在排气管位置装配热电发电模块,回收废热和余热,将其转化为电能,并利用DC—DC变换器给电池充电。尾气温度主要与车速相关,由于车速变化区间较大,使得尾气温度也会在很大区间内进行变化。在此情况下,为保证系统在不同电压下的稳定运行,通常会在TEG系统中装配升降压DC—DC变换器,如图1.2[6-10]。

(a)Buck-Boost电路 (b)SEPIC电路

(c)Cuk电路 (d)Boost-Buck级联电路
图1.2 升降压DC-DC变换器
1.4 本文研究的主要内容
在本次研究中,重点研究TEG系统的运行原理及其工作特性,同时探究符合TEG系统运行要求的降压型DCDC变换器。文章共分为四个部分,各部分内容为:
第一部分论述热电发电技术的发展状况以及未来发展趋势,探究了电力电子技术在热电发电的积极作用,进而简要阐述了TEG系统中电力电子的研究情况。
第二部分主要是介绍热点发电系统的工作特性。首先对相关原理进行论述,并通过数据公式分析热电发电的工作机理。其次,基于理论推导,获得热电发电输出功率的公式,从而探究热电耦合关系。最后,分析系统的输出特性,指出DCDC变换器的特性要求。
第三部分主要是DC-DC变换器的比较研究,首先对三种形式的变换器进行介绍:基本Buck变换器、交错并联型Buck变换器和Buck-boost级联变换器,并详细分析和研究了三种变换器的工作原理和工作特性。按照TEG发电特性,设计了一种高效降压型Buck电路,并进行了仿真研究验证。实验表明:该设计具有很强的降压能力,且能保证电路在较宽的输入电压范围内具有较高的工作效率,满足TEG系统场合应用要求。
第四部分主要总结全文的工作,并针对设计过程中所遇到的问题提出相应的改进意见及就下一步工作进行了展望。
第2章 热电发电系统工作特性分析
为了提高热电发电系统性能,有必要了解热电发电工作效应和热电耦合关系,也就是:热源、热电模块(TEM)和电力电子变换器三者之间的相互作用,并优化设计电力电子变换器,提高系统的热电转换效率。本节主要介绍了热电发电中的基本效应,并进一步研究热电模块中的热电耦合效应,分析电力电子变换器对热源和热电转换的影响机理,为提高输出功率和热电转换效率提供理论依据。
2.1 热电效应基本原理
热电效应指温差与电压间的转换,主要有三种效应:塞贝克效应(温差转为电压)、汤姆逊效应(电压转为温差)以及珀尔帖效应(温差与电压交融转换)。除这三种效应外,热电发电过程通常还存在其他效应,如傅里叶效应等。
2.1.1 塞贝克效应(Seebeck Effect)
作为热电发电的理论基础,塞贝克效应被称为第一热电效应。塞贝克效应指出,若两种材料连接位置存在温差,而会使生成电动势,若构成闭合回路,材料内部将会产生电流。热电偶热电发电原理如图2.1,从图中可看出,热能经过n、p型两个半导体形成的热电偶到达冷端。当电路为开路时,因为冷热端的温差,材料两侧位置会生成电位差
:
	
	(2.1)
	
	(2.2)
其中,
表示热端温度,
表示冷端温度,
表示温差;
表示相对塞贝克系数(V/K),
,
分别表示p极、n极塞贝克系数(V/K)。
为揭示塞贝克效应本质,从微观层面进行探讨:对于隔离导体而言,若不具备温度梯度,则其载流子会呈均匀分布的形式。若两侧具有一定温差,则内部会产生温度梯度,在温度较高的情况下,载流子会具备较大能量,并朝着冷端移动,最后聚集在冷端,由此使得冷端浓度大于热端,构成一个内建电场[11]。在该电场的作用下,会限制载流子不会从热端向冷端移动,以此实现动态平衡。根据式2.1来看,
为温差电动势,该数值的正负主要取决于温度梯度方向与材料特性。根据图2.1来看,p型半导体载流子为空穴,当其由热端位置朝着冷端移动时,则冷端为正;n型半导体载流子为电子,当其由热端位置朝着冷端移动时,则热端为正。根据图2.1,从接力结构上来看,半导体热电偶的连接方式为并联,而输出电动势的连接方式为串联。对热电偶而言,通常均能产生极小的电动势,因此,在实践应用时,一般将多个电偶以并联的方式连接起来,构成一个较大的发电模块,如图2.2。

以上是毕业论文大纲或资料介绍,该课题完整毕业论文、开题报告、任务书、程序设计、图纸设计等资料请添加微信获取,微信号:bysjorg。
相关图片展示:







您可能感兴趣的文章
- 一种确定磁探针集总电路参数的标定方法外文翻译资料
 - 一种人体可接触的大气压低温等离子体射流装置研究(适合电气B方向)毕业论文
 - 氩氧中大气压DBD放电特性研究(适合电气B方向)毕业论文
 - 大气压氩等离子体射流放电影响因素的仿真研究(适合浦电气B方向)毕业论文
 - 含氧高活性均匀DBD改性聚合物薄膜研究(适合浦电气B方向)毕业论文
 - 反应器结构对气液两相DBD放电特性的比较(适合浦电气B方向)毕业论文
 - 南京某公司研发楼电气设计毕业论文
 - 金帆北苑地块经济适用住房——02栋商住楼电气设计(适用于浦电气1004~06A方向学生)毕业论文
 - 扬州人武部大楼电气设计毕业论文
 - 金帆北苑地块经济适用住房——04栋商住楼电气设计(适用于浦电气1004~06A方向学生)毕业论文
 

        
            
