LED照明驱动电源设计与研究毕业论文
2020-04-07 14:12:00
摘 要
LED照明是现代科技的一大亮点,也是发展低碳经济的必由之路。在目前已有的所有照明方式当中,LED照明因其功耗低、寿命长、发光效果好、外形尺寸小、无污染等特点,被誉为是节能环保型的“绿色照明”,加上政府的支持及相关政策的颁布实施,使LED在照明市场上的地位不断提高,LED已成为当下热门产业。LED灯具的可靠性主要取决于LED驱动电路的可靠性,因此驱动技术是LED照明的核心技术。近年来,LED驱动技术发展迅猛,新的驱动芯片层出不穷,国内外在LED照明驱动领域的竞争日益激烈。但是,目前LED照明驱动电源存在寿命短、功率因数低、成本高等缺点。针对以上事实,论文主要对LED驱动电源的各个功能模块做了主要工作,并详细剖析了其基本工作原理,这对LED照明的普及发展具有重要的意义。
论文首先简要的介绍了LED的发展历史,并全面总结了LED照明的特点及其优势;对LED的结构以及发光原理做了详细的论述。驱动电源是LED照明的关键组成部分,论文对LED驱动电源做了深入的研究,重点研究了LED驱动电源的主电路拓扑结构以及功率因数校正技术。并根据设计需求,设计了一款输出功率为120W的LED驱动电源,其功率因数校正芯片选用了L6561,PWM控制芯片选用UC3843,利用AP4310芯片设计恒流恒压反馈电路,整体电路采用两级式PFC电路结构,实现了低成本、大功率、高效率,高功率因数输出。
最后,基于SABER仿真软件,对该LED驱动电源进行了电路级的仿真,着重分析了功率校正环节、DC/DC变换中PWM控制及恒流驱动输出环节的工作情况,验证了电路结构和控制策略的正确性。
关键词:LED驱动电源;功率因数校正;L6561;UC3843;AP4310;SABER
ABSTRACT
LED lighting is a major highlight of modern technology, and it is also the only way to develop a low-carbon economy. Among all existing lighting methods, LED lighting is known as an energy-saving and environmentally-friendly "green lighting" due to its low power consumption, long life, good lighting effect, small size, and no pollution. The support and related policies were promulgated and implemented, and the status of LED in the lighting market has been continuously improved. LED has become a hot industry in the current era. The reliability of LED lamps mainly depends on the reliability of the LED drive circuit, so the drive technology is the core technology of LED lighting. In recent years, LED drive technology has developed rapidly and new drive chips emerge in an endless stream. The competition in the field of LED lighting drives at home and abroad has become increasingly fierce. However, at present, the LED lighting drive power supply has the disadvantages of short lifetime, low power factor, and high cost. In view of the above facts, the thesis mainly does the main work on each functional module of LED driving power supply, and analyzes its basic working principle in detail, which is of great significance to the popularization of LED lighting.
The thesis first briefly introduces the history of LED development, and summarizes the characteristics and advantages of LED lighting. The structure of LED and the principle of light emission are discussed in detail. Driving power supply is a key component of LED lighting. The thesis has done a deep research on LED driving power, focusing on the main circuit topology and power factor correction technology of LED driving power supply. According to the design requirements, an LED driver with 120W output power was designed. The power factor correction chip used L6561, the PWM control chip used UC3843, and the AP4310 chip was used to design the constant current and constant voltage feedback circuit. The overall circuit used two stages PFC circuit structure. It achieve low cost, high power, high efficiency, high power factor output
Finally, based on the SABER simulation software, a circuit-level simulation of the LED driver is carried out, and the analysis of the power correction, the PWM control in the DC/DC conversion, and the output of the constant current driver output are analyzed. Verify the correctness of the circuit structure and control strategy.
Key Words:LED driving supply;power factor correction;L6561;UC3843;AP4310;SABER
目 录
第1章 绪论 1
1.1 LED的发展历史 1
1.2 LED的发光原理与特点 1
1.2.1 LED的发光原理 1
1.2.2 LED照明应用范围 2
1.2.3 LED照明的特点 2
1.3 LED照明驱动电源的发展现状 3
1.4 本文的主要研究内容 3
1.5 本章小结 4
第2章 LED驱动电源基础知识 5
2.1 LED的伏安特性 5
2.2 LED的主要技术参数以及基本特性 5
2.2.1 LED的主要技术参数 5
2.2.2 LED的基本特性 6
2.3 LED照明驱动电源的基本原理 6
2.3.1 线性型LED驱动电源的基本原理 6
2.3.2 开关型LED驱动电源的基本原理 6
2.4 LED照明的几种驱动方式 7
2.4.1 恒压驱动 7
2.4.2 恒流驱动 7
2.4.3 交流驱动 7
2.5 本章小结 8
第3章 LED驱动电源的设计理论 9
3.1 LED驱动电源的结构以及基本构成 9
3.2 主电路的拓扑结构 9
3.2.1 降压式LED驱动电源 9
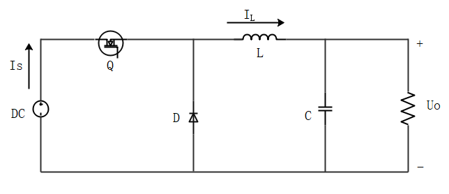
3.2.2 升压式LED驱动电源 10
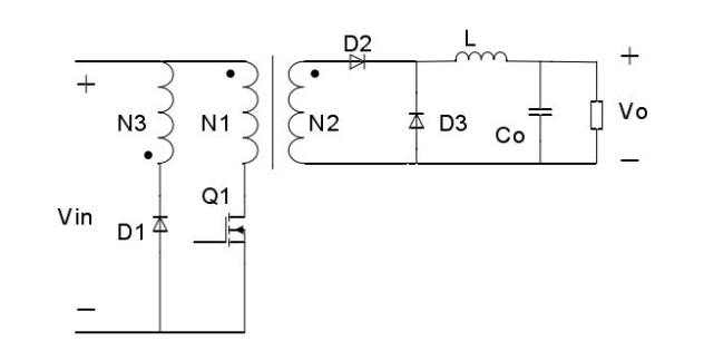
3.2.3 正激式LED驱动电源 11
3.2.4 反激式LED驱动电源 12
3.2.5 电荷泵式LED驱动电源 12
3.3 功率因数校正技术 13
3.3.1 功率因数校正的意义 14
3.3.2 功率因数校正基本原理 14
3.3.3 PFC级数的选择 18
3.4 本章小结 19
第4章 LED驱动电源的整体方案设计 20
4.1 驱动电源整体方案的确定 20
4.2 第一级PFC电路的设计 21
4.2.1 L6561简介 22
4.2.2 L6561反馈电压采样电阻的计算 24
4.2.3 L6561电流采样电阻的计算 24
4.2.4 L6561乘法器分压电阻的计算 24
4.2.5 PFC级升压电感的设计 25
4.2.6 PFC级升压二极管的选择 27
4.2.7 PFC级功率MOS管的选择 28
4.3 第二级DC/DC变换电路的设计 28
4.3.1 UC3843芯片简介 28
4.3.2 UC3843启动电路的设计 31
4.3.3 UC3843工作频率的设计 31
4.3.4 UC3843过流保护电路的设计 31
4.3.5 单端反激变压器的设计 32
4.3.6 功率开关管的选择 33
4.3.7 钳位电路的设计 33
4.4 恒流恒压电路的设计 35
4.4.1 电压反馈环路的设计 37
4.4.2 电流反馈电路的设计 37
4.5 本章小结 37
第5章 LED驱动电源的仿真 38
5.1 LED驱动电源PFC级仿真结果 38
5.2 LED驱动电源DC/DC变换电路的仿真 40
5.3 恒流恒压反馈回路仿真 43
5.4 整体电路仿真结果 44
5.5 本章小结 46
第6章 总结与展望 47
参考文献 48
致谢 49
- 绪论
LED的发展历史
随着全球照明技术的不断发展,LED做为一种绿色、环保、节能的新型照明方式,已经被越来越多的人们所了解。在上个世纪六十年代初,世界上就首次出现了红色的发光二极管,随后相继研发出了红色、蓝色、白色LED,极大的推动了LED照明技术的发展。LED照明以其超高的发光效率、丰富的色彩、极长的寿命以及轻便安全等特点,正在一步一步的取代传统照明方式。可以预测,未来的照明世界一定是属于LED的。
从全球的发展情况来看,美国很早就已经开展与LED相关的研究,并且在上世纪60年代就开始往LED照明技术的方向发展。1962年,美国通用电气公司研发制出了世界上第一只发光二极管,即LED,随后几十年内,其技术一直引领全球。 日本紧随其后,凭借其科技先天优势,在LED全球市场一直保持着高占有率。台湾地区从LED的封装和代工开始做起,其技术虽然不如美国和日本,但是比大陆要先进。 随着近些年来,国家大力度的扶持LED产业,中国内地的LED产业也开始逐渐崛起。越来越多的数据表明,中国的LED产业规模将在最近几年内急剧扩大。
LED的发光原理与特点
LED的发光原理
发光二极管是由半导体材料在衬底上外延生长而成,通常采用双异质结和量子阱结构,其核心是PN结[1]。PN结是由携带电子的n型半导体和携带空穴的P型半导体间的过渡层。其发光原理如图1.1所示:在热平衡状态下,存在着热激发与载流子间的复合。但是,由于P区和n区的少数载流子密度都很小,这种情况下复合作用很弱,因此看不到发光现象。当P区加上正电压,n区加上负电压时,电子在电场力的作用下,由n区迁入P区;空穴在电场力的作用下,由p区迁入n区。在某些半导体中,当多数载流子和注入的少数载流子复合时,会释放出多余的能量,其形式是以光能释放,因此,将电能转换成了光能,实现了能量的转换。
LED照明应用范围

图1.1 LED发光原理图
人类最先利用的照明方式是火光照明,几千年后又出现了白炽灯照明、荧光灯照明,现在,白炽灯和荧光灯正慢慢被LED照明取代。可以肯定,LED照明将是人类照明史上的又一次革命。LED照明具有很多传统照明方式无可比拟的优点,比如它具有功耗低、亮度高、耐震动、外形尺寸小、响应速度快、对环境无污染等显著特点,已被广泛地用于离线照明领域,如汽车照明,液晶显示器(LCD)背光源,路灯照明[2]。
LED照明的特点
发光效率高,高节能:利用直流电驱动,功耗非常低,转换效率高,几乎不浪费能量。与传统的白炽灯、卤素灯相比,相同照明效果至少要节能80%以上。
寿命长:普通白炽灯的寿命为1000小时,普通荧光灯的寿命在3000小时,但LED的使用寿命达到6万至8万小时,是传统照明灯具寿命的几十倍[3]。
色彩丰富:LED光源利用红色、蓝色、绿色三种基本颜色,按照不同的配比,基本可以实现任何一种我们需要的颜色。且色彩逼真度高,视觉享受比普通灯光更加美好。
安全环保:使用LED照明,既没有光线中热量的损失,也没有辐射等危害,对人体十分安全。同时,制造LED的原料中,也不含有重金属,可以安全触摸使用,是一种典型的安全环保的照明方式。
LED照明驱动电源的发展现状
LED驱动电源是LED灯具的重要组成部分,在全球LED照明市场不断增大的今天,研究一款高效率、低成本、长寿命的LED驱动电源对全球LED的发展将具有重要意义。
LED照明刚开始出现的时候,市场上并没有为LED照明专门设计的电源驱动芯片,使用其他芯片来代替LED照明专用芯片造成了部分资源的浪费。后来,出现了LED照明专用芯片,但是按照恒压源的设计来实现的。最后,才出现了恒流源的专用驱动芯片,使LED照明技术迈上上了一个新台阶。
但是,即使在今天,LED照明技术也未完全成熟。纵观目前LED驱动电源的发展情况,还没有制定统一的行业标准;在宽电压输入、特殊环境下使用、过压保护等关于LED驱动电源的稳定性问题没有得到很好的解决。此外,虽然LED的照明理论寿命可以达到100000小时,但与之配套的驱动电源寿命整体偏低,严重制约了LED照明的推广使用。同时,目前驱动电源的整体转换效率不高,造成了能源的浪费,也直接影响了LED的节能效果。为了解决这些问题,科研人员和工程师们正在致力于研究高性能、高功率因数和长寿命的前级AC/DC变换,如对无电解电容的LED驱动电源的研究极大的提升了LED驱动电源的寿命[4]。此外,LED的均流策略、LED的PWM调光和数字调光方式、低成本LED驱动电源、智能化LED驱动器、无源泄放电路、有源泄放电路及有源阻尼电路也是当下LED驱动电源的研究热点。
本文的主要研究内容
LED照明是目前最具有发展前景的照明方式,有望在将来全面替代传统照明方式。所以,研究和发展LED照明技术具有十分重要的现实意义。本文主要针对现在市场上尚不成熟的LED驱动电源技术做了一定的研究,设计了一款高功率因数的具有实用价值的LED驱动电源。全文的主要研究内容如下:
第1章详细的介绍了LED的发展历史以及目前的现状,对LED的发光原理以及性能特点都进行了比较详细的阐述。最后,介绍LED驱动电源的发展历史。
第2章介绍LED驱动电源的一些基本知识,包括其基本原理以及驱动方式的介绍。
第3章对几种常用的开关电源的主拓扑结构进行了详细的分析,并比较了各自的适用场合以及优缺点。同时,全面讨论功率因数校正的意义以及基本原理和实现方法
第4章是本文最重要的内容,涉及到LED驱动电源的整体方案的选择以及各元件参数的确定。根据设计要求,确定了系统的整体方案为两级式PFC驱动电源结构,前级采用校准芯片L6561进行功率因数校正,DC/DC变换级采用UC3843和AP4310实现降压和恒流恒压。
第5章主要是对设计的LED驱动电源利用SABER仿真软件进行仿真,验证设计结果。
本章小结
本章首先详细的介绍了LED照明的发展历史和其发光原理。然后介绍了目前LED照明的应用范围,全面总结了LED照明的特点及优势。然后对LED驱动电源的技术发展过程给出了比较全面的介绍。最后,对本文的主要研究内容做了概述。
- LED驱动电源基础知识
LED的伏安特性
LED的伏安特性曲线如图2.1所示。

图2.1 LED伏安特性曲线
- 正向特性。当正向电压大于0时,此时,LED将处于正向特性区域。分为两种情况:当电压V处于0与死区电压之间时,此时流过LED的电流很小,因此LED不发光;当电压V大于死区电压时,正向电流按指数规律迅速增大,此时LED发光[5]。
- 反向特性。当V小于0时,此时LED将处于反向特性区域。也分为两种情况:当所加反向电压V小于击穿电压时,从图2.1可以看出,此时只有很小的电流流过LED,该电流即为反向饱和电流,并且此电流几乎不随反向电压的变化而变化。
- 击穿特性。当反向电压V大于击穿电压时,此时反向电流急剧增大,二极管PN结的单向导电性被破坏。
LED的主要技术参数以及基本特性
LED的主要技术参数
- 额定功耗:规定的允许加到LED两端的最大功率值。
- 正向压降:在规定的温度和正向电流下,二极管的正向导通时的电压降落值。一般情况下,小电流的硅二极管正向压降大约为0.6V,锗二极管的正向压降大约为0.3V。
- 反向击穿电压:二极管反向击穿电压一般是工作电压2-3倍,即二极管反向击穿时的电压值。击穿时反向电流剧增,此时二极管不再具有单向导电性。
- 最大正向电流:在LED器件上,允许通过的最大电流。
反向电流:当规定的电压值加到LED器件的两端,此时流过LED的电流即为反向电流[6]。由于反向电流受温度的影响较大,所以在温度升高时,反向电流会急剧增加。 在使用时要严格注意温度的影响。
LED的基本特性
以上是毕业论文大纲或资料介绍,该课题完整毕业论文、开题报告、任务书、程序设计、图纸设计等资料请添加微信获取,微信号:bysjorg。
相关图片展示:







您可能感兴趣的文章
- 一种确定磁探针集总电路参数的标定方法外文翻译资料
- 一种人体可接触的大气压低温等离子体射流装置研究(适合电气B方向)毕业论文
- 氩氧中大气压DBD放电特性研究(适合电气B方向)毕业论文
- 大气压氩等离子体射流放电影响因素的仿真研究(适合浦电气B方向)毕业论文
- 含氧高活性均匀DBD改性聚合物薄膜研究(适合浦电气B方向)毕业论文
- 反应器结构对气液两相DBD放电特性的比较(适合浦电气B方向)毕业论文
- 南京某公司研发楼电气设计毕业论文
- 金帆北苑地块经济适用住房——02栋商住楼电气设计(适用于浦电气1004~06A方向学生)毕业论文
- 扬州人武部大楼电气设计毕业论文
- 金帆北苑地块经济适用住房——04栋商住楼电气设计(适用于浦电气1004~06A方向学生)毕业论文


