柔性直流输电系统控制参数优化毕业论文
2020-04-06 11:08:13
摘 要
柔性直流输电技术诞生于上世纪20年代,但是直到20世纪50年代,世界上第一条高压直流输电线路的建成和投入运行,直流输电技术才进入了快速发展的时代。经过多年的发展和研究,柔性直流输电技术的研究有了很大突破,但在核心技术没有发生本质性的变化,依旧采用的是基于晶闸管器件的电网换相技术。直到20 世纪末,才出现了采用可控关断器件和脉宽调制技术的柔性直流输电技术。柔性直流输电是当今电网科技领域的领先技术,具有控制方便、适用领域广泛等显著优势,在风电太阳能等新能源并网、异步电网互联等应用领域具有广阔的发展前景,提高了电力系统的可靠性和稳定性。
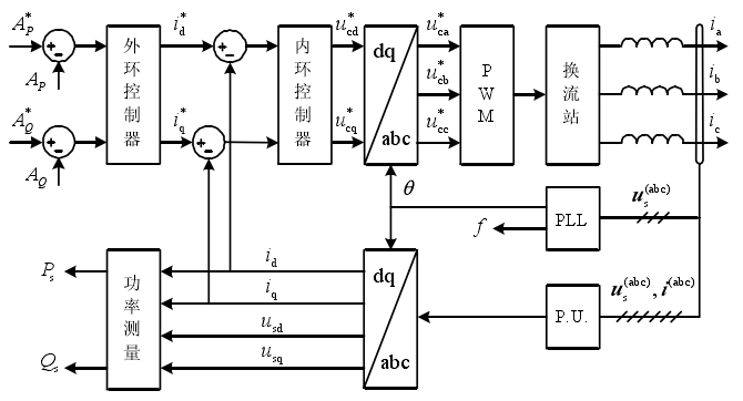
本文首先详细介绍并分析了柔性直流输电系统的控制原理,包括柔性直流输电系统的基本组成部分和系统的控制原理。柔性直流输电系统主要由交流电源、变压器、滤波器、电容器、电抗器以及最核心的组成部分-电压型换流器(VSC)组成。通过两组VSC组件构成两个换流站:整流站和逆变站。
其次,文章介绍并使用PSCAD仿真软件对柔性直流输电系统进行了模型的建立,通过软件中提供的各种基础元件或者已经提供好的元件模型完成了系统的建模。通过观察各个物理量的在示波器上显示的波形变化,就可以判断出来本次建模是否成功。
最后,通过柔性直流输电系统的等效电路的建立,对已建立的模型进行了潮流计算。通过潮流计算的结果可以看出来线路的功率分布和节点电压分布情况,从而知道系统的稳定状态和优化程度。
关键字:柔性直流输电;VSC;电力系统;pscad
Abstract
The flexible DC transmission technology started in the 1920s. In 1954, the world’s first high-voltage DC transmission line connecting Gotland and Sweden was built into the era of commercialization. Over the years, the technical performance of HVDC transmission has been greatly improved, but there has been no fundamental change in technology, and grid commutation technology based on thyristor devices is used. At the end of the 20th century, VSC HVDC with controlled shutdown devices and PWM technology emerged.Flexible HVDC power transmission is a cutting-edge technology in today's power grid technology field. It has significant advantages such as good controllability, flexible operation modes, and large number of applicable occasions. It has unique advantages in remote areas and applications such as onshore new energy grid connection and asynchronous grid interconnection. Earth improves the reliability of power transmission.
This paper first describes and analyzes the control principle of the flexible HVDC transmission system in detail, including the basic components of the flexible HVDC transmission system and the control principle of the system. The flexible DC transmission system is mainly composed of an AC power supply, a transformer, a filter, a capacitor, a reactor, and a core component, the voltage type converter (VSC). Two converter stations are formed by two sets of VSC components: a rectifier station and an inverter station.
Secondly, the article introduces and uses PSCAD simulation software to establish a flexible HVDC transmission system model, and completes the modeling of the system through various basic elements provided in the software or already provided a good component model. By observing the waveform changes displayed on the oscilloscope for each physical quantity, it can be judged whether this modeling is successful or not.
Finally, through the establishment of the equivalent circuit of the flexible HVDC transmission system, the load flow of the established model is calculated. According to the results of power flow calculation, the power distribution of the line and the voltage distribution of the node can be seen, and the system's steady state and optimization degree can be known.
Key words: flexible DC transmission; VSC; power system; pscad
目录
1 绪论 1
1.1课题的研究背景和意义 1
1.2柔性直流输电系统研究现状 3
1.3 本文各章节安排 6
2 柔性直流输电系统建模与控制 7
2.1 系统结构和基本控制 7
2.2 电压源型换流器的基本工作原理 9
2.3 背靠背四象限电压源型变流器的数学模型 11
2.4 直流输电系统模型的建立 13
3 柔性直流系统控制参数优化 21
4 总结与展望 28
4.1 文章总结 28
4.2 展望 28
致谢 30
参考文献 31
1 绪论
1.1课题的研究背景和意义
为了顺应我国高速发展的经济形势,解决环境污染、资源短缺的问题,坚持走可持续发展的道路,改变能源结构刻不容缓。国家已经开始了各项促进新能源开发和利用的举措,积极扶持有关的电力技术,因为这是全球可持续发展的必经之路。这不仅可以改善全球的气候条件,也是一项惠及民生的重大举措。只有坚决落实贯彻国家的能源发展方针,才能真正把我国建设成一个富强民主文明和谐的社会现代化国家。随着大量新技术的出现、市场机制的逐步完善和开发布局的转变,我国的能源结构问题得以改善,但是我国可再生能源的利用问题还是没有得到根本性的解决。要坚持走可持续发展的道路,必须积极发展和利用风能、光能和地热能等清洁能源。在可持续能源资源丰富的地区,要坚持因地制宜的方针,大力开发各种新能源转换为电能并接入电网。但是目前大量的分布式电网无法实现和高度集中的智能电网有效连接,需要柔性直流输电技术的支持。
随着能源危机和环境污染等问题的日益突出,为了解决上述问题,国家开始优化能源结构,大力发展和提倡使用可再生清洁能源。可再生能源转化为电网之后,还需要经过连接器接入输电网络。这些项目都需要大量的成本开支,而且输电距离越长,成本越高。因此,新能源发电工程(风电、光伏发电)也会尽量把发电基地选在靠近电网的边缘地带,不会完全远离电网系统,而去迁就新能源资源最多的地区。一方面为了解决资源短缺的问题,另一方面为了缓解日益严峻的气候环境形势,新能源的开发利用在我国的电力网络中都会得到长期关注和发展。
电网负荷中存在许多无源负荷,如海上钻探平台和孤立小岛,他们的发电形势的成本一般都很昂贵,并且会对当地环境造成污染。
城市人口密度日益增加,城市规模也在不断扩大,城市用电负荷的用电需求也在不断增加,为了满足城市的正常工作和生活供电需求,只能不断扩大电网容量,并且在有限的城市面积配置电网,甚至把配电网络转入地下,
一般来说,新能源发电容量与这个地区的能源丰富程度成正比,资源越丰富,发电容量越大,经济效益更多。电网运营商会向电力消费者索要一定的输电线路建设和使用费用。然而,从能源发电场所到电力系统的接入点有一段距离,这段距离一般也会很长,这就注定会在长距离的输电线路上产生损耗,从而使得收益降低。为了降低损失,配电网必须采用高压输电系统,和一些特殊技术。这时就需要一种更能适应可持续能源发电的输电方式。
柔性直流输电技术发展十分迅速,主要应用的领域有:1)风电、光电等新能源发电并网;2)快速调节有功功率和无功功率,改善电力系统稳定性;3)为孤立小岛、无源负荷供电;4)为特大城市供电;5)直流电网的构建。
国家电网未来的重点是智能电网的建设,而传统的直流输电已经不能满足当前的能源结构需求。比如在远离大陆电网的海上孤岛的供电,偏远地区的大规模风电场的并网,以及城市配电容量的扩充等领域,柔性直流输电技术的应用是独一无二的选择。
经济的迅猛发展意味着我国能源需求的不断提升,能源短缺问题、能源结构优化调整问题、能源开发利用问题和环境污染压力等民生问题都亟待解决。近年来,研究人员对可再生清洁能源发电技术进行了深入的探索,并将技术应用到电力系统当中。
在我国的西部和北部地区,存在着大量的可持续能源,这些地区也是新能源工程建设的重要基地。但是这些地区一般都很偏远,位于我国电网的末端甚至是电网没有触及的区域。经过大量的研究和探索,发现柔性直流输电技术是解决可持续能源消纳的最佳输电方式,他可以大规模的收集和输送可持续能源,并且已经有许多国家开始得以应用。
根据国家能源局 2015 年上半年的报告可知今年与去年国内可再生能源发电总量相比,同比增长 16.0%,其中水电发电总量同比增长13.3%、、核电发电总量同比增长34.8%、风电发电总量同比增长16.0%;全国总发电量有22.9%来自非化石能源的转换电能,较去年同期提升了3%。
风能、太阳能等新能源发电的固有的问题有:选址要求高、电厂分散、远离负荷中心、间歇性和随机性等特点,大大提高了供电成本和输电损耗,并且导致出现“弃风”、“弃光”等现象,2015 年全国全年风电转换的电能达到340 亿千瓦时,与去年比较增加了215千瓦时,风能的平均弃风率达到20%。在太阳能发电方面,甘肃和新疆自治区两大光伏发电区域全年弃光率均高于 26%,出现了较为严重的弃光现象。
当前电力系统的一项任务是调整电网结构和支撑措施来保证电网互联系统的稳定可靠运行,提高新能源发电的利用效率。为了达到这个目标,柔性直流输电技术是当前最适合的解决办法。
风能作为近年来备受推崇的一种清洁能源,在资源利用和电能输送方面也遇到了许多问题。一方面,风能发电需要昂贵的无偿功率设备的成本;另一方面,风电场的电压波动很容易对交流系统产生影响。柔性直流输电技术应用之后,它可以给风电场提供动态无功支撑,并且提高电网并网性能,提高系统的抗干扰能力。最重要的是,海上风电场距离电网系统都很遥远,通过柔性直流输电技术,就不会再受远距离的限制。
柔性直流输电技术,又称轻型直流输电、新型直流输电,“柔性”一词来自于英文单词Flexible。Flexible意为灵活的,是指通过可自动关断的全控性半导体元件,电网可以有更多的控制手段。通过柔性直流输电技术,就可以把风电、光伏发电等清洁能源与电网互联。除此之外,由于直流电网网络本身具有的独特优势,每当系统出现故障时,直流电网可以迅速的把故障切除并隔离。
柔性直流输电技术是一种新型的电能传输技术,它主要采用的半导体关断器件是IGBT,并且使用脉宽调制技术调制波形。柔性直流输电几乎拥有特高压直流输电的一切优点,此外,它还可以解决电力系统谐波问题,消除无功功率的需求问题。
传统的交流电网有许多不能解决的问题,比如远海的小岛电力供应、不同步的两个交流系统的联合、以及发展潜力巨大的风能光能发电的并网问题,这就需要柔性直流输电技术来补偿交流电网的这些缺陷。
随着我国电力工业的发展变化,电网的改造升级成为必然趋势,各类特殊情形下的输电需求将急剧上升。因此,柔性直流输电系统的综合性优势更加突出,经济价值也将爆发出来。
柔性直流输电的应用领域有:(1)不同步电网的互联;(2)分布式发电场的连接;(3)实现海上供电;(4)大型城市电网建设;(5)向偏远地区供电;(6)向重要负荷供电。
综上所述,大力发展柔性直流技术是势在必行的,只有把柔性直流输电技术的研究深入,才能实现可持续能源的全面并网,达到国家电网构建智能的现代化电网的目标。
1.2柔性直流输电系统研究现状
1.2.1 国外研究现状
比如在欧洲,地中海上蕴藏了巨大的风能资源,以及在欧洲北部的瑞士和挪威地区有丰富的水电。在距离欧洲不远的非洲北部大陆,由于位于赤道附近,常年的高强度光照提供了丰富的太阳能资源。为了把这些清洁能源连接并集中利用起来,欧洲计划采用柔性直流输电技术建立一个可持续能源发电网络,改善地区的能源结构,缓解由发电污染产生的环境压力和非可持续能源的短缺问题。基于全球追求可持续发展的趋势,柔性直流输电技术的发展显得更为抢手。
欧盟启动了PROMOTioN计划,该计划提倡企业与研究机构积极合作,重点针对对直流电网的深入研究:包括风电转化的更佳途径,电网换流技术的改良,电网拓扑结构的调整,故障维护系统的更新等很多领域的探索。该计划完成之后,欧洲大陆上将会实现跨国的海上直流电网互联,更好的配置风电资源。
美国提出了“Grid 2030”计划,计划指出,采用先进的直流输电技术,目的是构建一个纵穿美国东西海岸的骨干电网,促进可持续能源发电和并网的发展。美国已经率先规划并建设了许多柔性直流输电工程,使得可再生能源的并网更加快捷方便,预计在未来的20年里,美国将逐步构建一个日益完善的柔性直流电网,并且实现与周边国家能源发电之间的互联,快速推进国家可持续能源的利用和发展。
经过大家的一起努力,已经完成了柔性直流输电系统的模型建立和系统仿真工作,提出了许多可行的系统控制方案,也为柔性直流系统的安全稳定运行提出了许多保护措施。
1.2.2 国内研究现状
我国开始接触直流输电技术的时间较晚,高压直流输电技术20世纪50年代就已经开始萌芽,但是直到80年代,我国第一个超高压直流输电工程是葛洲坝-上海直流输电工程才建设起来并投入运行。经过国内学者和高校30多年来的不懈努力,我们在柔性直流输电技术应用上已经有了很大的突破。
我国现阶段不仅有很多科研机构和学者参与研究柔性直流输电技术,还有国家电网公司、南瑞公司、许继公司等企业也在积极发展应用这项技术。让这些组织和机构加强协作,让柔性直流输电技术发展追上国际的步伐,实现技术的全部国产化指日可待。两网公司:南方电网和国家电网在柔性直流输电技术研究上有了突破性的发展,也能独立自主的设计建设柔性直流输电项目,舟山柔性直流输电项目的建设和投入运行就表明我国柔性直流输电技术的发展和应用在世界上达到领先水平。
我国目前有4个主要柔性直流输电示范工程,包括舟山群岛柔性直流、厦门岛柔性直流、渝鄂背靠背柔性直流电网互联以及全球能源换联网张家口创新示范区。
●上海南汇风电场柔直工程
在上海南汇风电柔性直流输电项目建成之前,世界上只有ABB公司,西门子公司两家企业掌握了这方面的关键技术。这个项目的正式投运意味着我国也在风电直流输电并网项目有了巨大突破。
●浙江舟山五端柔直工程
舟山群岛新区是我国第一个以提倡发展海洋经济的国家新区,随着新区的基础设施建设和经济的发展,需要巨大的电能储备来支撑。舟山群岛有众多的小岛屿,每个小岛屿之间的电能应该联合调配,来形成更加坚强的区域配电网。浙江舟山无端柔性直流输电工程中有众多我国独立开发的技术项目,它的建成意味着我国在柔性直流输电技术的应用上已经达到了国家前沿水平。
●厦门±320千伏柔性直流输电工程
作为世界上首个接线方式是真双极接线的柔性直流输电工程,厦门±320千伏柔性直流输电项目在直流电压等级和直流输电容量方面都是世界顶级水平。2015年12月17日这个项目正式投入运行,标志着我国在柔性直流输电技术应用领域达到了世界领先水平。
●张北可再生能源±500千伏柔直工程
随着我国社会经济迅速发展,无论是工业农业用电负荷还是居民生活用电负荷都在不断增加。已经存在的160kv、200kv、320kv的柔性直流输电线路已经不能满足电力负荷供应的要求。河北北部的清洁能源资源丰富,但是资源的消纳问题一直存在,张北柔性直流输电工程把北京和河北北部连接起来。这样一来,不仅解决了河北新能源发电电力的去向问题,还可以缓解京津冀地区的电能负荷紧张的局面,改变地区的能源结构,缓解环境压力和解决资源短缺问题。张北柔性直流工程运用的核心技术是我国自己研发的,采用的关键设备也是国际上第一个应用的,这个工程的投运让电压等级再一次的提升,直流输电容量又有了巨大的突破。
上海南汇风电场柔直工程、舟山五端柔直工程、厦门柔性直流输电工程、张北可再生能源柔直工程的建设和投入运行,标志着我国在柔性直流输电技术领域有了完全的独立国产的能力,在世界范围之内都是领先水平。这些重大工程的投运也有利于改善我国的能源消费结构,促进了我国可持续能源的开发和利用,在缓解环境压力和资源短缺方面都有不可磨灭的作用,也为我国建设智能化的现代化电网打下了坚实基础。
1.3 本文各章节安排
本文主要介绍了柔性直流输电系统的基本结构和工作原理,在柔性直流输电系统的数学模型建立及参数控制等方面进行了研究,主要完成了以下几个方面:
1)介绍了柔性直流输电技术的研究意义和研究背景,阐述柔性直流输电技术是实现新能源并网的最合适的输电方式;
以上是毕业论文大纲或资料介绍,该课题完整毕业论文、开题报告、任务书、程序设计、图纸设计等资料请添加微信获取,微信号:bysjorg。
相关图片展示:







您可能感兴趣的文章
- 一种确定磁探针集总电路参数的标定方法外文翻译资料
- 一种人体可接触的大气压低温等离子体射流装置研究(适合电气B方向)毕业论文
- 氩氧中大气压DBD放电特性研究(适合电气B方向)毕业论文
- 大气压氩等离子体射流放电影响因素的仿真研究(适合浦电气B方向)毕业论文
- 含氧高活性均匀DBD改性聚合物薄膜研究(适合浦电气B方向)毕业论文
- 反应器结构对气液两相DBD放电特性的比较(适合浦电气B方向)毕业论文
- 南京某公司研发楼电气设计毕业论文
- 金帆北苑地块经济适用住房——02栋商住楼电气设计(适用于浦电气1004~06A方向学生)毕业论文
- 扬州人武部大楼电气设计毕业论文
- 金帆北苑地块经济适用住房——04栋商住楼电气设计(适用于浦电气1004~06A方向学生)毕业论文


