超级谐波的产生原理及其仿真验证开题报告
2020-04-04 12:45:58
1. 研究目的与意义(文献综述)
一、 课题来源及研究意义
超级谐波(Supraharmonics)的这一术语于2013年IEEE PES年会上首次提出,其定义为2~150kHz范围内的谐波。随着新型电力电子设备被广泛应用[1],会使用到大量的变流器[2]。其中变流器是通过电力电子器件的频繁通断来实现其电力变换的功能,它的输入输出特性具有明显的非线性特征,因此在其通断过程中会产生大量的谐波[3]。而传统的谐波主要由晶闸管为代表的基于相控原理的电力电子装置产生,除了产生特征谐波外也产生高次谐波。
近些年来由于电力电子器件的发展,绝缘栅双极型晶体管得到了大量的应用,其控制所采用的脉冲宽度调制技术等使得其产生的超级谐波问题越来越突出[4]。电网中超级谐波的存在会给电网带来交互影响和系统谐振等问题[5],同时也会为电力载波线通信造成一定的影响,使得电网中智能电表的测量结果发生偏差等。
而超级谐波与普通谐波的区别在于:(1)超级谐波包含2~150kH频率范围内的所有频率的电量,与基波没有直接的关系,而国际电工委员会对于谐波的定义为谐波分量的傅里叶级数中大于1的n次分量,n时谐波频率与基波频率之比的整数;(2)超级谐波的传播通常在邻近设备之间传播,只有小部分流向电网[1]。
为了进一步区分超级谐波与普通谐波的区别以及解决电网中所存在的超级谐波的问题,在国家自然科学基金项目(N0.51277086)《电力电子混杂系统多模态谐振机理及其多功能复合有源阻尼抑制技术》上提出了《超级谐波产生机理及其抑制策略的研究》这一研究课题。
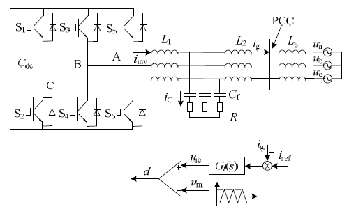
VSC的典型系统框图如图1 所示,本研究将以电压源换流器(voltage sourced converter,VSC)为基本研究对象,来研究其工作状态下的超级谐波的产生机理。对于电力电力器件而言,采用不同的控制方式,其产生的超级谐波状态也是不同的,通过在MATLAB/SIMULINK中对电力电子器件采用相位控制、斩波控制这两种控制方式来对其超级谐波的产生机理进行比较。同时对其抑制可以分别对其采用无源滤波技术(如LCL)与有源滤波技术(如并联有源电力滤波器,SAPF)进行抑制,并对其抑制结果进行比较。
图 1 VSC典型系统框图
二、国内外发展现状及发展趋势
1. 超级谐波产生的研究现状及发展趋势
我国学者刘森指出超级谐波的来源来自用电设备和电力线载波通信[1]。同时在参考文献[28]一文中,电网中的超级谐波主要来自于有源电力电子变换器的开关频率的残余,同时还来自有源功率校正电路相关的“零交叉失真(zero-crossingdistortion)”。同时该文献的作者还提出了对带有高频镇流器的荧光灯所产生的谐波辐射进行了测量,得到了如图2的结果,从图中我们可以看出,当电流过零的时候,电路中电流存在震荡,同时开关频率的残留也很明显。
图 2 带有高频镇流器的荧光灯所产生的谐波辐射
国外学者Daniel等人也通过搭建图3的电路来对紧凑型荧光灯(Compact Fluorescent Lamp, CFL)的应用电路中所产生的超级谐波来进行分析,得到的实验结果如表1所示。从表中得到的数据可以看出当电网阻抗从最大值变为最小值时,电流失真增加,电压失真减小;当EMI滤波器不包含在仿真电路中时,电流的有效值会减小,会导致电压失真增加[18]。AndersLarsson 博士及其团队对依次打开的48盏日光灯的PCC 点和其中某盏灯的超高次谐波电流进行测量。发现在48 盏灯同时打开的情况下,测量到的单盏灯谐波电流幅值和只开一盏灯时的谐波电流幅值大致相同;而在PCC点几乎不含超高次谐波分量[26]。
图 3 CFL的应用电路
| 情形 | [mA] | [%] | [%] | [%] | [V] | [%] | [%] | [%] | |
| 基本情况 | 620.49 | 151.09 | 151.07 | 2.46 | 123.22 | 0.16 | 0.15 | 0.06 | |
| 电网阻抗 | 最小 | 624.59 | 151.07 | 151.95 | 2.40 | 123.21 | 0.06 | 0.06 | 0.01 |
| 最大 | 6.616 | 150.95 | 150.20 | 2.23 | 123.10 | 0.25 | 0.25 | 0.03 | |
| EMI滤波器 | 无 | 473.65 | 104.66 | 99.36 | 32.88 | 123.16 | 0.34 | 0.10 | 0.32 |
| 有 | 619.99 | 151.37 | 151.35 | 2.34 | 123.16 | 0.16 | 0.15 | 0.04 | |
| 平滑滤波器 | 无 | 183.85 | 7.07 | 3.23 | 6.29 | 123.20 | 0.25 | 0.00 | 0.25 |
国内外还有相当多的学者对超级谐波的产生机理进行了一定的研究,然而这些仅仅是不够的。在上文中所提到超级谐波的频率范围为2~150kHz,因此对超级谐波进行判断的主要根据是其谐波频段是否在该范围内,这样还不够准确,因此需要对超级谐波的产生机理进行更准确的研究,从而可以更好的对其指标进行设置,来规范对超级谐波的定义。
2. 超级谐波标准的研究现状及发展趋势
基于对超级谐波产生机理的研究现状的分析,国际与国内的相关组织指定了与超级谐波的标准。在文献[3]中提到了有关超级谐波的标准,如欧洲电压特性标准EN50160、IEC 61000-2-2、IEC61000-4-19等[6-7]。IEC/SC 77A工作组在2015年提出了应建立30~150kHz谐波兼容性标准[22]。CENELEC分别在2010年、2013年和2016年对150kHz以下的电磁干扰做了相应的研究报告[23-15]。2015年,第23届国际供电会议上,GIGRE/GIRED联合工作组C4.24专题讨论了超高次谐波测量问题[27]。
3.超级谐波抑制策略的研究现状及发展趋势
超级谐波的存在对电网的危害是很大的,如电气设备之间的交互影响和系统谐振等,因此需要采取合适的方式对电网中的超级谐波进行抑制。在张璐与朱永强所写的《分布式电源并网的谐波问题分析》一文中提出了两种谐波抑制的思路,一是对谐波源本身所产生的的谐波发生量进行抑制,二是对谐波源附近的谐波分量进行就地吸收或者抵消[3]。而对超级谐波的抑制策略主要有无源滤波技术与有源滤波技术,在有源滤波技术的研究主要集中在有源电力滤波器(APF)上。在文献[8]中提出了多电平转换器这一说法,在本章中他主要说明了多级选择性谐波消除法(SHE-PWM)与空间矢量调制法(SVPWM),对于分布式电源,为了减少其谐波输出,可以采用电力滤波器,如无源滤波器以及有源滤波器[8]。随着现代技术的发展,并联型有源电力滤波器的优点也越来越明显[12,14]。如论文[14]所指出的那样,并联型有源电力滤波器(SAPF)因为其高效与灵活的谐波抑制特点而得到了广泛的研究与应用[14]。
2. 研究的基本内容与方案
1. 研究内容
本课题的研究内容主要有以下几个方面:
(1)对电压源换流器在工作过程中产生的谐波进行数学分析,从得到的数学结果中总结其产生的超级谐波的特点。
3. 研究计划与安排
| 日期 | 工作任务 |
| 3月12日前 | 阅读相关文献,进行文献翻译,并完成开题报告 |
| 3月25日前 | 提交开题报告,导师对开题报告进行评阅审核 |
| 5月25日前 | 开题完成后,根据实际进度上传阶段性成果,指导教师对中期工作情况进行检查、督促 |
| 5月31日前 | 学生上传最终毕业设计(论文)成果,由指导教师和评阅教师完成评分 |
| 6月8日前 | 各学院制定答辩计划,分配答辩小组,务必完成答辩任务。同时在毕业设计管理系统录入答辩记录和答辩成绩 |
| 6月13日前 | 发布学生毕业设计(论文)的最终成绩 |
| 6月25日前 | 根据学校指标分配完成本学院省优秀学士推荐评选工作 |
4. 参考文献(12篇以上)
[1]刘森,黄毕尧,王聪,李建岐. 超级谐波研究综述[j]. 电测与仪表,2017,54(12):7-15.
[2]林海雪. no.4电网谐波问题的新发展——谈超级谐波[j]. 供用电,2016,33(01):35-38.
[3] 张璐,朱永强.第五讲 分布式电源并网的谐波问题分析[j].电器与能效管理技术,2018(01):84-88.
您可能感兴趣的文章
- 一种确定磁探针集总电路参数的标定方法外文翻译资料
- 一种人体可接触的大气压低温等离子体射流装置研究(适合电气B方向)毕业论文
- 氩氧中大气压DBD放电特性研究(适合电气B方向)毕业论文
- 大气压氩等离子体射流放电影响因素的仿真研究(适合浦电气B方向)毕业论文
- 含氧高活性均匀DBD改性聚合物薄膜研究(适合浦电气B方向)毕业论文
- 反应器结构对气液两相DBD放电特性的比较(适合浦电气B方向)毕业论文
- 南京某公司研发楼电气设计毕业论文
- 金帆北苑地块经济适用住房——02栋商住楼电气设计(适用于浦电气1004~06A方向学生)毕业论文
- 扬州人武部大楼电气设计毕业论文
- 金帆北苑地块经济适用住房——04栋商住楼电气设计(适用于浦电气1004~06A方向学生)毕业论文


