基于忆阻器的多谐振荡器电路设计毕业论文
2020-03-20 23:46:49
摘 要
忆阻器是一种新型基本电路元件,具备独特的记忆功能。利用自身的优越特性,忆阻器在存储器、人工神经网络、非线性电路设计等多个领域中均发挥重大作用,基于忆阻器的相关研究也取得了突破性的进展,拥有令人期待的发展前景。
为了深入了解新型基本电路元件忆阻器的特性及基于忆阻器的非线性电路设计方法,论文主要研究了忆阻器物理模型构建方法和特性输出图像,以及基于忆阻器的频率可调无电抗多谐振荡器电路的设计、仿真建模以及输出响应。
本文首先简要的通过理论说明与数学分析的方法研究了理想忆阻器的定义、特性及应用方向;然后对基于HP(惠普)实验室提出的边界迁移物理模型进行了基于Matlab软件的仿真分析,通过构建数学模型观察实际输出的方式来研究忆阻器伏安特性曲线的变化过程;利用忆阻器的电路特性设计了一种无电抗的多谐振荡器电路,给出了频率计算公式,通过Simulink离散化算法进行建模,观察仿真输出验证其性能;最后,还增加了频率可调功能的电路改进,仿真结果验证了电路的有效性。
研究结果表明:设计的基于忆阻器的无电抗多谐振荡器在仿真中能够正常工作,并具有稳定起振,频率可随电压连续调节的优点。基于忆阻器的多谐振荡器所用的元件均为常见元件,易于实现;考虑到实际忆阻器元件为纳米级别,且设计的多谐振荡器电路中不含电容,因此该电路不仅尺寸较小,也十分易于集成,对比传统的频率可调多谐振荡器具备较大优势。
关键词:忆阻器;多谐振荡器;仿真;无电抗
Abstract
The memristor is a new basic circuit element with unique memory ability. Using its own characteristics, memristors play an important part in various fields like memory hardware, artificial neural networks, and non-linear circuit design. The memristor-based research has promising prospect with its big progress in many areas.
In order to deeply study the characteristics of memristors and nonlinear circuit design method based on memristors, this paper mainly studied the construction method of memristor model and the characteristics of output. An adjustable frequency memristor-based multivibrator circuit design is also referred, with its simulation modeling and output response.
This paper first concisely gives memristor’s definition, characteristic and application with theoretical explanation and mathematical analysis. Give a simulation result using Matlab software to built the memristor physical model proposed by HP Labs, analysis its actual output data to study the process of memristor’s V-I graph. Then design a memristor-based multivibrator without capacitor, give out its frequency calculation, use Simulink tool to build discretization algorithm model of designed circuit and get the simulation result, which verify the effect of circuit; Finally, add the frequency adjustable circuit modification, the simulation result also verified the effectiveness of designed circuit.
The result shows that the designed multivibrator circuit can work normally in simulation, the designed multivibrator circuit has the advantage of fast oscillate boot and continuously change of frequency. The element in the proposed memristor-based multivibrator circuit are all simply that means it can easy to test the circuit in hardware; compare to previous frequency-adjustable multivibrator, considered of the nano-size of memristor hardware, the designed reactance-less multivibrator has a great advantage in easy to integrate.
Key Words:memristor;multivibrator;simulation;reactance-less
目 录
第1章 绪论 1
1.1 忆阻器的发展背景 1
1.2 忆阻器的研究现状 2
1.3 本文的主要研究内容 3
第2章 忆阻器的特性分析 5
2.1 忆阻器的理论特性 5
2.2 忆阻器的理想物理模型 7
2.3 忆阻器的数学模型及仿真分析 9
2.3.1 含窗口函数的非线性边界迁移模型 9
2.3.2 基于Matlab的程序仿真分析 10
2.3.3 基于Simulink的建模仿真分析 12
第3章 无稳态多谐振荡器原理及设计 16
3.1 无稳态多谐振荡器的工作原理 16
3.1.1 多谐振荡器的概念及种类 16
3.1.2 无稳态多谐振荡器电路的常见设计方式 16
3.2 基于忆阻器的无稳态多谐振荡器 21
第4章 基于忆阻器的频率可调无电抗多谐振荡器 24
4.1 基于忆阻器的无电抗多谐振荡器电路设计 24
4.1.1 基于忆阻器无电抗多谐振荡器的优势 24
4.1.2 基于忆阻器无电抗多谐振荡器的电路设计原理 24
4.2 基于忆阻器的无电抗多谐振荡器电路仿真 27
4.3 基于忆阻器的频率可调多谐振荡器电路 30
4.3.1 电路原理图及工作过程分析 30
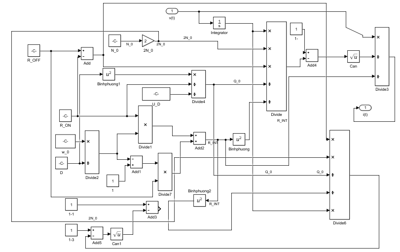
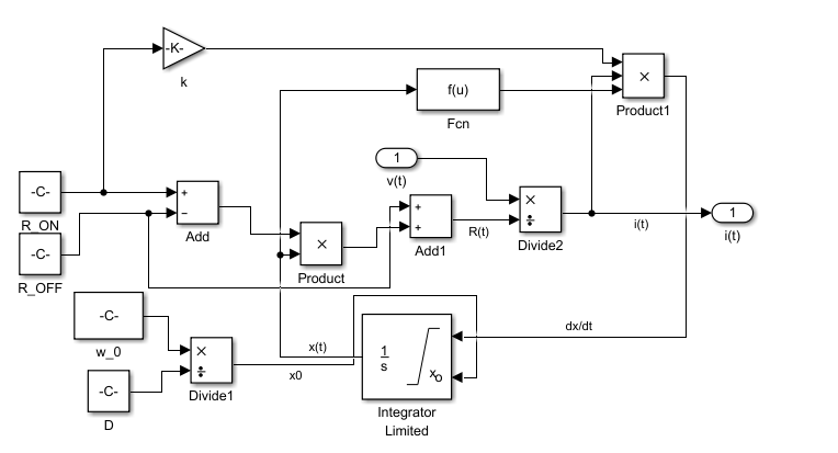
4.3.2 基于Simulink的仿真验证 32
第5章 结论 34
参考文献 35
致谢 36
第1章 绪论
1.1 忆阻器的发展背景
随着材料科学、电路设计技术的不断进步,电子信息领域五十多年一直准确的“摩尔定律”开始逐渐失效,传统的电路元件在体积大小、开关速度、功耗控制、稳定性等方面,都陷入了发展的瓶颈。忆阻器是一种新型电路元器件,拥有利用阻值反映通过自身电流/电压的独特特性,具有非易失性记忆功能,在实际物理模型被成功提出后,它也被证实为一种无源二端口电路器件,成为继电阻、电感、电容后的第四个基本电路元件。
忆阻器的历史可以追溯到1971年,美国加州大学伯克利分校的蔡少棠(Leon Chua)教授根据电路中的四个基本量:电流(I)、电压(U)、电荷量(Q)与磁通量(φ)之间变量组合的对称性和完备性原则,预见性的提出了一种新的电路元件——忆阻器。蔡少棠教授在文章中给出了忆阻器的定义,利用M-R、M-C、M-L三种二端口变类器对忆阻器进行模拟,记录了忆阻器上V-I与φ-Q的波形,并利用这些数据对忆阻器的特性进行了理论性论证与数学性分析[1]。该理论模型对忆阻器上电荷和磁通量之间的相互关系有着严谨的要求,到目前为止也没有实际的物理模型能实现该模型中提出的电荷与磁通量相互作用。
在1976年,蔡少棠教授将忆阻器概念扩展为忆阻设备与系统,忆阻系统与之前提出的忆阻器之间最显著的区别就是忆阻系统不再仅仅局限于φ-Q之间的关系,忆阻器的定义被广义扩展为V-I之间的时间状态依赖[2]。相对于严谨的φ-Q相互关系,表现为非线性的V-I特性适用范围也更广,忆阻器阻值随电流/电压的变化也更为直观。由于当时世界范围内材料科学与工艺技术的限制,没有找到能够令忆阻器物理实现的方法,忆阻器在提出后接近四十年的时间内一直没有物理模型出现,忆阻器的相关研究也陷入了停滞。
直到2008年,HP(惠普)实验室在研究交叉点阵逻辑门的过程中,利用金属电极和电极间的TiO2掺杂薄膜,成功实现了具有电阻记忆功能的新型元件。在进行详细测试之后,HP实验室发现该元件与忆阻器的特性十分相似,可以看做忆阻器的物理模型,并在《Nature》上发表了文章[3]。忆阻器的发展至此产生了突破性的进展,在HP实验室率先宣布了TiO2忆阻器边界迁移模型之后,更多能够物理实现忆阻器的材料,模型与机制被提出,三星、英特尔、海力士等公司纷纷推出自己的忆阻器产品,国内学术界如清华大学、国防科技大学、中科院微电子所等也对忆阻器的研究展现了高度的重视,开展了大量有关课题并取得了丰厚的成果[4]。
鉴于忆阻器的有关研究仍处于实验室阶段,没有进行批量化的工业生产,商业性的忆阻器产品目前很难在市场上见到,无法利用实际物理模型进行研究测试,需要利用数学模型进行仿真分析,这一定程度上限制了忆阻器的发展应用。
1.2 忆阻器的研究现状
忆阻器作为一种无源二端口元件,拥有着与传统的电阻、电容、电感截然不同的性能,其中最突出的特性就是忆阻器能够利用阻值反映通过自身电荷量的大小,并且该阻值具有记忆性,不会因断电而消失。忆阻器的这一特性令它在多种学科领域上都具有巨大的研究价值。
(一)基于忆阻器的新型非易失性阻抗存储器(RRAM)
利用忆阻器特性可进行最简单直接的应用即是RRAM。由于忆阻器本身的阻值是浮动的,可在忆阻器呈现高阻抗的时候记为逻辑的“1”,忆阻器呈低阻抗的时候记为逻辑“0”,这样就通过阻值的形式记录了二进制的数据,实现了数据存储功能。
与传统广泛使用的动态随机存储器(DRAM)相比,新型的忆阻器RRAM具有如下几个优点:1.容量大,同样面积下忆阻器RRAM的存储容量可达闪存的数倍,利用集成忆阻阵列技术,英特尔公司的3D-XPoint在存储密度上达到了DRAM的10倍。2.体积小,传统DRAM使用的晶体管的单个尺寸,忆阻器的尺寸极限能做到单个晶体管的十分之一,因此,基于忆阻器的RRAM在尺寸上能做的更小,且单个芯片的集成度更高。3.开关速度快,忆阻器RRAM的开关速度可以控制在10ns级别,是传统DRAM芯片的10倍以上,这带来的是更快的内存存储和读取速度。4.非易失性,现有DRAM的内存机制不能保存失电时的数据,需要通过失电保存至硬盘、上电从硬盘读取的方式取得数据,利用非易失性内存RRAM就省去了这个步骤,失电也能保存数据,从机制上更快的保存信息,消耗更少的电力,占用更少的存储空间。
(二)基于忆阻器的人工神经网络系统
由于传统的冯诺曼结构的计算机处理指令上与高等生物大脑中处理信息的方式差异较大,很难利用冯诺曼结构的计算机去模仿大脑神经元间复杂的连接,即使在晶体管集成度越来越高的现在,计算机仍然很难建立生物大脑并行计算的模型并进行训练。忆阻器的特性与神经元十分相像,控制流经忆阻器的电荷量改变忆阻器阻值类似神经元突触通过动作电位改变其连接强度,利用忆阻器构建神经元突触权值存储硬件,可使获得的神经网络电路更符合生物神经系统特性。
相较于传统的模拟、数字、混合式人工神经网络硬件存储方式,忆阻器神经元权值存储不存在模拟存储方式存在电容的电易失性,存储精度较只能保留整数的数字式存储方式更高,又因为不需A/D,D/A转换在传输时间和精度上胜过混合式一筹,具有显著的优越性,有着良好的应用前景[5]。
(三)基于忆阻器的非线性电路设计
忆阻器具有记忆电阻的功能,且其阻值随电压变化是非线性的,忆阻器的阻值非线性变化特性为非线性电路及器件提供了新的设计思路[6]。特别是在混沌电路,信号处理电路、振荡器电路等多个方面的电路设计中利用忆阻器取代其他元件或是重新设计电路都取得了不错的效果[7]。例如,利用忆阻器可设计原理简单的无源自适应滤波器电路,可取代之前利用晶体管实现的自适应滤波器;利用忆阻器也可实现无电抗的振荡器电路,新的振荡器电路低频性能表现优异,可广泛运用于生物医疗领域。
1.3 本文的主要研究内容
多谐振荡器是一种自激振荡电路,该电路在接通电源后无需外接触发信号就能产生一定频率和幅值的矩形脉冲波或方波。它可以产生电子电气设备的时钟信号,从而实现对应的功能。现有的多谐振荡器中使用电容的充放电来产生对应的波形。但是,电容的体积比较大,不能集成在电路中,只能连接到芯片的外部。而忆阻器是一种新兴的电路元件,它的尺寸可以制作到纳米级。同时,它具有良好的集成性,便于实现片上系统。因此,基于忆阻器的多谐振荡器电路比传统的多谐振荡器电路有更好的集成度,研究忆阻器的建模仿真与电路设计具有十分重要的现实意义。
全文一共分为五个章节,具体的内容安排如下:
第一章为绪论,简单讲述了忆阻器从蔡少棠教授提出概念至HP实验室宣布找到忆阻器物理模型的几个重要发展节点,而后列举了现阶段国内外学术界对忆阻器的几个主要研究方向。
第二章为忆阻器特性分析,在本章第一节中首先对忆阻器概念进行介绍,并列举了其应有的电学特性,然后介绍了扩展后的忆阻系统,并给出了忆阻系统的伏安特性曲线;之后对HP实验室提出的忆阻器理想线性边界迁移模型做出了解释,并给出了HP实验室提供的相关数据;第三节中讲解了利用窗口函数构造的实际忆阻器非线性模型,并通过Matlab程序仿真分析与Simulink建模仿真分析,给出相关仿真结果,根据仿真结果解释了忆阻器V-I滞回曲线的变化过程,做出了非线性边界线仪模型与理想线性边界迁移模型中参数变化时的特性曲线变化以及两种模型的特性对比。
第三章为无稳态多谐振荡器原理及设计,本章简要的介绍了多谐振荡器的概念及分类,并就无稳态多谐振荡器的电路设计做了举例说明,详细的介绍了三种无稳态多谐振荡器电路的电路形式、工作过程以及振荡参数分析;随后,介绍了一种改进的基于阈值开关忆阻器模型的频率可调的无稳态多谐振荡器电路,并对其电路形式、工作过程,振荡参数计算以及优点进行分析。
第四章为基于忆阻器的频率可调多谐振荡器,在第三章中介绍的无电抗多谐振荡器的基础之上,通过在忆阻器负极增加控制电压的方式,来设计一种具备实用价值的频率可调的多谐振荡器电路;本章中主要会对该电路工作原理与频率计算进行分析,最后在通过Simulink仿真来观察多谐振荡器频率对控制电压的响应特性,验证设计电路的性能。
第五章为结论,全面的总结了全文的内容,并对本文展示的基于忆阻器的频率可调的多谐振荡器做了优势分析。
第2章 忆阻器的特性分析
2.1 忆阻器的理论特性
1971年,美国加州大学伯克利分校的蔡少棠教授在文章中指出,根据传统的电路理论,三种二端口电路元件:电阻、电容、电感建立了四种电路变量:电压、电流、磁通量和电荷量之间的联系,上述的四个电路变量两两之间共可建立六种数学关系,其中的五种组合关系可由定义或者定律明确表示,唯独剩下磁通量φ与电荷量q的关系没有明确的给出。因此,蔡少棠教授从电路变量关系的完整性角度出发,利用增量忆阻M(q)与增量忆导W(φ)来描述磁通量与电荷量之间的关系[1],其定义式为:
又由:
将(2.3)、(2.4)带入(2.1)与(2.2)得
由上式可知,反映忆阻器数值大小属性的量纲为欧姆(Ω),与电阻相同。其中,M(q)反映的是电荷量控制型忆阻器的数值大小,记为忆阻值;W(φ)反映的是磁通量控制型忆阻器的数值大小,记为忆导值。
以电荷量控制型忆阻器为例,根据定义可知,其阻值跟通过它的总电荷量相关,即流过忆阻器电流的对时间的积分,且该阻值不会因电流的中断而变化,可视为一个会随两端电流而不断改变阻值的电阻。正因为忆阻器拥有良好的记忆性,故蔡少棠教授将记忆与电阻结合在一起为其命名忆阻器。
蔡少棠教授还在文章中指出理想忆阻器应有的电路特性,包括无源准则,等效性准则,存在与唯一性定理,稳态行为准则,自由度判据等,并通过电磁学分析对忆阻器的真实存在性做了阐述[1]。根据忆阻器的电路特性,蔡少棠教授将其称之为第四种基本电路元件,与电阻、电容、电感相并列,四种基本电路元件与四个电路变量的关系如图2.1所示。

图2.1 四种基本电路元件与电路变量的关系
在1976年。蔡少棠教授将狭义的忆阻器扩展为广义的忆阻系统,其显著区别就是将狭义的忆阻器严格的磁通量与电荷量间的依赖关系转换为系统状态与输入输出之间的关系[2]。忆阻系统的定义可表达为如下形式:
其中u是系统的输入,y是系统的输出,x是系统的状态变量。f是连续n维矢量函数,g是连续标量函数。当系统的输入变量为电流I,输出变量为电压V时,可由上式得到n阶电流控单端口忆阻系统的表达式:
在时间变量t不影响系统状态的特殊情况下,取系统状态变量x为电荷量,则上述两式的形式与狭义忆阻器的定义形式相同。根据该状态方程可作出电流控制型单端口忆阻器的V-I特性曲线如图2.2所示。
以上是毕业论文大纲或资料介绍,该课题完整毕业论文、开题报告、任务书、程序设计、图纸设计等资料请添加微信获取,微信号:bysjorg。
相关图片展示:







您可能感兴趣的文章
- 一种确定磁探针集总电路参数的标定方法外文翻译资料
- 一种人体可接触的大气压低温等离子体射流装置研究(适合电气B方向)毕业论文
- 氩氧中大气压DBD放电特性研究(适合电气B方向)毕业论文
- 大气压氩等离子体射流放电影响因素的仿真研究(适合浦电气B方向)毕业论文
- 含氧高活性均匀DBD改性聚合物薄膜研究(适合浦电气B方向)毕业论文
- 反应器结构对气液两相DBD放电特性的比较(适合浦电气B方向)毕业论文
- 南京某公司研发楼电气设计毕业论文
- 金帆北苑地块经济适用住房——02栋商住楼电气设计(适用于浦电气1004~06A方向学生)毕业论文
- 扬州人武部大楼电气设计毕业论文
- 金帆北苑地块经济适用住房——04栋商住楼电气设计(适用于浦电气1004~06A方向学生)毕业论文


