应用于电力系统中的DSR装置建模与仿真研究毕业论文
2020-03-14 12:18:38
摘 要
随着我国的不断发展进步,电力行业也有了长足的发展,但随着知识经济时代的到来,信息技术产业成为国家发展的重要支撑,所以社会对电力供应又有了新的更高要求。受用电负荷分布不均衡及电网架构的影响,我国很多电力网络中都存在着潮流分配不均的问题,部分线路长期处于过载状态,而另一部分线路却长期处于轻载状态,这种情况不仅不利于充分发挥线路的输电潜力,还会影响供电的安全可靠甚至引发事故,造成经济损失。电网迫切需要一种有效的潮流调节方法,既可以满足电网运行的经济性和可控性需要,又可以大幅提高电网输送电能的效率,提高电网的运行可靠性。
针对电力系统现状并随着电力电子技术等多学科技术的发展,柔性交流输电技术(flexible AC transmission system,FACTS)被提出并运用于电力系统中,它的出现使原来基本不可控的电力网络变得可以全面控制,改变了传统交流输电的概念,使现代的电力系统发生了重大变化。但随着FACTS装置的应用其自身存在的一些缺陷也逐渐显现出来。因此,分布式柔性交流输电技术(distribution flexible AC transmission system,D-FACTS)应运而生,它主要用来提高供电质量,即减小谐波和畸变、电压波动与闪变、电压暂降与电压中断、消除三相不平衡,使电压的幅值和波形符合要求、提高功率因数等。由于在低压配电系统中电力电子器件的选择范围更广泛,发展D-FACTS技术具有优越性,对于提高供电质量更具有可观的经济效益。同时它有效弥补了FACTS技术的一些缺陷,对降低输电网络损耗,提高电网运行的可靠性具有重要意义。
分布式串联电抗器(distributed series reactor,DSR)是一种D-FACTS技术的潮流控制装置,它通过耦合的形式串联于线路中,能自主取能、无占地需求、均匀分布、易于控制,且能有效改变输电线路潮流,改善供电质量。本论文基于DSR装置的结构及其工作原理主要研究了其主要组成部分,重点研究设计了DSR取能电源电路、控制保护电路、控制策略及无线通讯模块,并对部分电路做出了仿真,并在最后对论文进行了总结和展望。
关键词:D-FACTS;DSR;潮流控制
Abstract
With the continuous development and progress of our country, the electric power industry has also made considerable progress. However, with the advent of the era of knowledge economy, the information technology industry has become an important support for the development of the country, so the society has new and higher requirements for power supply. Affected by the uneven distribution of electricity load and the impact of grid structure, many power networks in China have the problem of uneven distribution of power flows. Some lines are in an overload state for a long time while others are in a light load state for a long time. This situation is not only It is not conducive to giving full play to the transmission potential of the line, but it will also affect the safety and reliability of the power supply, even cause accidents, and cause economic losses. The power grid urgently needs an effective current regulation method, which can not only meet the economical and controllable needs of the power grid operation, but also can greatly increase the efficiency of power transmission from the power grid and improve the operational reliability of the power grid.
Aiming at the current situation of power systems and with the development of multi-disciplinary technologies such as power electronics technology, flexible AC transmission systems (FACTS) have been proposed and applied in power systems, and its appearance has changed the original uncontrollable power network. To be able to fully control and change the concept of traditional AC transmission, so that the modern power system has undergone major changes. However, with the application of FACTS devices, some of its own defects have gradually emerged. Therefore, the distributed flexible AC transmission system (D-FACTS) emerged as the times require. It is mainly used to improve the quality of power supply, that is, to reduce harmonics and distortions, voltage fluctuations and flicker, and voltage dips and voltages. Interrupt, eliminate three-phase unbalance, make the voltage amplitude and waveform meet the requirements, improve the power factor and so on. Due to the wider choice of power electronic devices in low-voltage power distribution systems, the development of D-FACTS technology has superiority and has considerable economic benefits for improving power quality. At the same time, it effectively compensates for some defects in the FACTS technology and is of great significance in reducing the loss of the transmission network and improving the reliability of the power grid operation.
Distributed series reactor (DSR) is a kind of D-FACTS technology power flow control device. It is connected in series through a series of coupling modes. It can autonomously take energy, has no need for land occupation, is evenly distributed, and is easy to control. And can effectively change the power transmission line flow and improve the quality of power supply. Based on the structure and working principle of DSR device, this dissertation mainly studies its main components. It focuses on designing DSR energy-capturing power circuit, control and protection circuit, control strategy and wireless communication module, and simulates some circuits. In the end, the paper was summarized and prospected.
Key Words:D-FACTS;DSR;Power flow control
目 录
摘 要 I
Abstract II
第1章 绪论 1
1.1 分布式串联电抗器研究的背景和意义 1
1.2 分布式灵活交流输电技术 2
1.3 国内外研究现状 3
1.4 本文主要工作 4
第2章 DSR主回路 5
2.1 DSR工作原理 5
2.2 DSR主回路设计 6
2.3 DSR结构设计概述 8
2.4 部分器件选型 8
2.4.1 耦合变压器 8
2.4.2 金属氧化物限压器(MOV) 9
2.4.3 反并联晶闸管开关 11
2.5本章小结 11
第3章 取能电路设计 12
3.1 电流互感器取能原理 12
3.1.1 基本电磁定律 12
3.1.2 电流互感器工作原理 13
3.2 电流互感器设计 14
3.3 取能电源模拟电路 16
3.3.1 电压反馈调节电路 16
3.3.2 整流滤波电路 19
3.3.3 DC/DC电源模块 20
3.4 本章小结 23
第4章 控制保护电路设计 24
4.1 采样电路 24
4.1.1 有源二阶压控型低通滤波器 25
4.1.2 加法器电路 27
4.2 晶闸管驱动电路 28
4.3 机械开关驱动电路 28
4.4 控制电路软件功能概述 29
4.4.1 MSP430F149最小系统 29
4.4.2 串行通信电路 30
4.4.3 存储和显示电路 31
4.4.4 程序框图 31
4.5 控制策略 33
4.6 本章小结 34
第5章 通信模块 35
5.1 通信方案 35
5.2 无线通信过程 36
5.3 本章小结 37
第6章 总结与展望 38
6.1 总结 38
6.2 展望 38
参考文献 39
附录A 41
附录B 43
附录C 45
致 谢 46
第1章 绪论
1.1 分布式串联电抗器研究的背景和意义
随着我国电力系统市场化改革的不断推进、电力系统运行条件也越来越严峻,电网的安全稳定性与其经济性的协调被放在了更加重要的位置上。在线路潮流分布不均的情况下,电力系统的运行既不经济又不可靠。长期以来,为保证电力系统安全可靠运行,同时减少用户因电力故障而造成的不必要的经济损失,国内外电网公司普遍采用环形网络供电方式,这种方式虽能在线路发生故障时减小停电范围,但是系统无法有效调节各线路潮流,所以其无法满足电力系统长期发展的要求。
由于各区域的经济发展水平存在差距,对电能的需求也相应的就有差别,就会出现当前电网设施的建设与地区负载状况不匹配的情况,由电路理论知识可知,电网潮流总会沿着线路阻抗最小的路径流动,从而导致某些线路过载而某些线路轻载情况的出现。为减轻过载而在过载线路上铺设更多的线路,是一种对资源、人力和财力的浪费,在大力推进智能电网建设的背景下,这种方法显然不可取。所以,我们需要考虑的是在充分利用当前线路的输电能力的基础上,再进行电网线路的合理布局,进一步寻求电网经济性与可靠性的最佳平衡点。如果调度中心能够根据用电负荷情况合理调整分配线路潮流,就能在保证经济性的基础上有效提升电网运行可靠性。
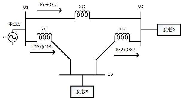
图1.1为环网供电结构图。若线路1-2的阻抗比线路1-3与3-2的阻抗之和小,那么负载2需要的电能多数会从线路1-2传输过来,线路1-2所传输的功率可能超出其输电能力,相比之下线路1-3和线路3-2传输的功率则很轻,这样的运行方式十分不经济。如果可以将线路1-2上的部分功率转移到线路1-3和3-2上,就可以在减轻线路1-2的负担同时进一步发挥线路1-3和3-2的输电潜力[1]。

图1.1 简单的环网供电系统结构图
针对当前网络,可以采取的方法包括增大线路1-2的阻抗或者减小线路1-3的阻抗两种。通过FACT相关设备可以减小线路1-3的阻抗,如在国网输电网络中已广泛应用的晶闸管控制串联电容器(TCSC)以及还没有进行示范工程应用的静止同步串联补偿器(SSSC)、统一潮流控制器(UPFC)等串联补偿装置。但这些设备不仅耗资大,而且在复杂的供电网络中调节范围不大,更不能同时调控多条线路的潮流[2]。所以我们要考虑增加线路1-2的阻抗,通过在线路上安装DSR,可以在需要时及时调整线路阻抗分布的均匀性来平衡各输电线路上的潮流,保证输电可靠。
图1.2所示为简单多通道输电系统,若组成一个输电走廊的3条或3条以上的输电线路间的阻抗差异较大,那么线路间的潮流分布也会有较大差异。假设在正常运行条件下,L1和L2潮流较重,而L3潮流较轻,那么如果L1发生N-1,L1的潮流大部分会转移到L2,小部分会转移到L3,而这会使L2过载。如果在L1和L2线路安装DSR,平衡该输电走廊上的每个通道的潮流分布,来降低L1和L2因N-1而过载的可能性,从而使走廊的输电能力得以提高。

图1.2 简单多通道输电系统示意图
1.2 分布式灵活交流输电技术
随着用电负荷的不断增长,电力系统的运行条件也越来越复杂,随着使用电力电子装置调控直流系统输电功率的方法的应用,人们想到在交流系统中也用这种方法来控制系统潮流、提高系统输电能力,柔性交流输电系统(FACTS)应运而生。
1986年,美国电力科学研究院率先提出FACTS技术的概念:以电力电子技术和控制技术等多学科技术为基础,用电力电子元件制成的可调电网设备、电源等对系统电压、阻抗、相位等快速调控,这使得以前基本不可控的电网变得可以全面控制,大大提高了系统的灵活性和可靠性,使线路输电能力大幅提高[3]。
但FACTS装置大多结构复杂、投资成本高、占地面积大、对日常运维的技术人员要求很高,且装置中的控制保护系统和冷却系统部件的可靠性差强人意。为此,美国佐治亚理工学院的Divan Deepak教授首次提出了D-FACTS。D-FACTS技术可以用来进一步提高电力系统的可控性和灵活性,优化系统运行,改善电能质量,近年来成为研究热点[4]。表1.1所示为FACTS和D-FACTS的比较。
表1.1 FACTS和D-FACTS的比较

分布式串联耦合潮流控制技术是一种典型的D-FACTS技术,它通过在输电线路上串联相关可控模块对线路阻抗进行调控,进而影响线路潮流[5]。本文研究的DSR就是基于该技术的一种重要的潮流控制器,它通过变压器耦合串联在输电线路上,可以实现自主取能、不占用土地且易于控制[6]。在我国能源和用电负荷分布不均衡的情况下,如能广泛应用此类装置,必将充分发掘线路潜力,大大提高电网的输电能力,推进我国智能电网的发展建设。
1.3 国内外研究现状
美国加州智能线电网公司已成功研制出DSR,于2013年在美国南方电力公司的2条115kV输电线路上安装了33个DSR,后又在田纳西州诺克斯维尔市附近的一条长约32km的161kV输电线路上安装了99个DSR。这些DSR模块借助其内置的算法和控制逻辑对线路进行自动监测、控制线路潮流。据悉,这两个工程通过DSR实现了对线路潮流的再分配,达到了减小重载线路潮流的目的,证实了DSR可以有效控制系统潮流。此外,美国德拉瓦优质电力园区示范项目中也安装了DVR、D-STATCOM、SSTS等多台D-FACTS装置。近年来对DSR相关理论和技术的研究在电力行业中一直是热点,国外161kV输电网、115kV和10kV配电网中都有其示范性应用的报道,国内研究机构尚未对相关技术进行过系统的研究,也还没有对相关工程应用的报道[7]。
1.4 本文主要工作
本文以DSR的基本结构和工作原理为基础,对DSR装置逐步展开研究。本文第二章主要介绍了DSR的工作原理和主回路设计,并简要说明了DSR的总体结构设计和部分器件的选型;第三章主要是对DSR取能模块的设计,从电流互感器取能原理入手对电流互感器进行了设计,然后是对取能模拟电路的电压反馈调节模块、整流滤波电路、DC/DC变换电路进行设计,并对部分电路进行了仿真;第四章对DSR控制保护电路进行研究,主要是对采样电路、晶闸管驱动电路、机械开关驱动电路以及控制策略进行研究,并简要描述了控制电路的软件功能;第五章简要说明了DSR与主站之间的通信模块;第六章对本文工作进行简要总结,并针对自身不足提出了展望。
第2章 DSR主回路
2.1 DSR工作原理
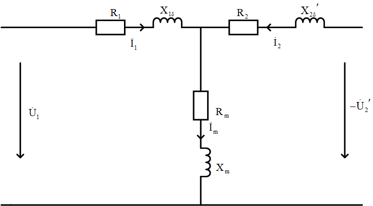
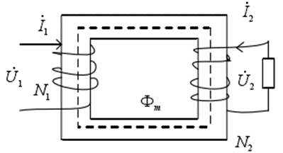
DSR通过变压器耦合串联在输电线路上。耦合变压器铁芯分为上下两块,输电线路穿过其中为其一次绕组,两块铁芯紧密贴合使磁路闭合。通过控制耦合变压器二次绕组实现对线路补偿感抗的投切。图2.1所示为普通双绕组变压器T型等效电路,耦合变压器的工作原理可用其进行说明[8]。

以上是毕业论文大纲或资料介绍,该课题完整毕业论文、开题报告、任务书、程序设计、图纸设计等资料请添加微信获取,微信号:bysjorg。
相关图片展示:







您可能感兴趣的文章
- 一种确定磁探针集总电路参数的标定方法外文翻译资料
- 一种人体可接触的大气压低温等离子体射流装置研究(适合电气B方向)毕业论文
- 氩氧中大气压DBD放电特性研究(适合电气B方向)毕业论文
- 大气压氩等离子体射流放电影响因素的仿真研究(适合浦电气B方向)毕业论文
- 含氧高活性均匀DBD改性聚合物薄膜研究(适合浦电气B方向)毕业论文
- 反应器结构对气液两相DBD放电特性的比较(适合浦电气B方向)毕业论文
- 南京某公司研发楼电气设计毕业论文
- 金帆北苑地块经济适用住房——02栋商住楼电气设计(适用于浦电气1004~06A方向学生)毕业论文
- 扬州人武部大楼电气设计毕业论文
- 金帆北苑地块经济适用住房——04栋商住楼电气设计(适用于浦电气1004~06A方向学生)毕业论文


