馈能式有源交流电子负载的设计毕业论文
2021-11-25 23:21:47
论文总字数:19454字
摘 要
电源是实现电能变换和功率传递的主要设备,其在出厂前都必须进行各种带载试验,功能检测以及长时间运行的老化测试,以考核其技术指标和可靠性。传统的测试方法利用无源器件不仅不能达到精确模拟负载的要求,而且测试电能以热能的形式白白浪费,造成测试成本高,电能浪费,环境污染等问题。因此,针对可以精确模拟各种负载并以高功率因数回馈能量的电力电子负载的研究具有重要意义。
本文研究的馈能式有源交流电子负载采用三相背靠背式拓扑结构,前级PWM整流器实现负载的模拟变换,采用PI 重复控制的改进重复控制策略;后级PWM逆变器实现负载电流的馈网,采用电流滞环控制策略。然后利用Simulink软件搭建整体电路图,仿真分析波形图,验证了电力电子负载的可行性。最后简单介绍了硬件DSP芯片的工作流程,对其功能略作陈述。
关键词:电力电子负载;负载模拟;能量回馈;DSP
Abstract
The power supply is the main equipment to realize the electronic transformation and power transmission. Before leaving the factory, the power supply must carry out various on.load tests, functional tests and aging tests of long.term operation, so as to examine its technical indexes and reliability. The traditional test method using passive devices can not meet the requirements of accurate simulation load, and the test energy is wasted in the form of heat energy, resulting in high cost of testing, waste of energy, environmental pollution and other problems. Therefore, it is of great significance to study the power electronic load which can accurately simulate various loads and feed back energy with high power factor.
The energy.fed active AC electronic load studied in this paper adopts three.phase back.to.back topological structure. The front.stage load analog converter adopts three.phase PWM rectifier, and the improved repetitive control strategy of PI repetitive control is adopted. Three.phase PWM inverter is used in the back.stage energy feedback converter, and current hysteresis control strategy is adopted. Then, Simulink software is used to build the whole circuit diagram, and the waveform diagram is simulated and analyzed to verify the feasibility of the power electronic load. At last, the working flow of hardware DSP chip is introduced, and its function is briefly described.
Key Words:Power Electronic Load;Load Simulation;Energy Feedback;DSP
目录
第1章 绪论 1
1.1 课题研究背景及意义 1
1.2 国内外研究现状 1
1.2.1 直流电子负载研究现状 2
1.2.2 交流电子负载研究现状 2
1.3 本文主要内容安排 3
第2章 馈能式有源交流电子负载设计 4
2.1系统拓扑结构 4
2.2 负载模拟单元 5
2.2.1 负载模拟变换器原理 5
2.2.2 负载模拟变换器控制策略 8
2.2.3 负载模拟变换器参数计算 10
2.3 能量回馈单元 15
2.3.1 能量回馈变换器原理 15
2.3.2 能量回馈变换器控制策略 16
2.3.3 能量回馈变换器参数计算 18
2.4 本章小结 18
第3章 馈能式有源交流电子负载仿真 19
3.1 仿真电路 19
3.2 负载模拟单元仿真验证 20
3.2.1 模拟纯电阻负载 20
3.2.2 模拟阻感性负载 22
3.2.3 模拟阻容性负载 23
3.2.4 模拟非线性负载 25
3.3 能量回馈单元仿真验证 26
3.4 本章小结 28
第4章 馈能式有源交流电子负载硬件设计 29
4.1 DSP最小系统 29
4.2 电流检测电路 30
4.3 电压检测电路 30
4.4 驱动电路 31
总结与展望 32
参考文献 33
附录A 35
致谢 36
第1章 绪论
课题研究背景及意义
电源是实现电能传输和转换的主要设备,目前已广泛应用于交通、教育、军事、航天等领域。其性能好坏直接与人们的生产生活质量挂钩。因此电源在出厂前都必须进行各种带载试验,功能检测以及长时间运行的老化测试,以考核其技术指标和可靠性。传统的测试方法通常采用串并联无源器件,如电阻、电感、电容等,这种方法不仅不能达到精确模拟负载的要求,而且测试电能以热能的形式白白浪费,造成测试成本高,电能浪费,环境污染等问题。当今世界,能源枯竭成为亟待解决的问题,各种传统能源可开采率日益降低,而能源与工业发展、科技进步密不可分,可以说当今世界既是科技的较量,也是能源的竞争。而国内有些电子负载生产厂商在生产过程中将能量白白消耗在传统负载上,有些即使做到了能量回馈电网,却无法实现负载形式的多样化,适用范围小。这些问题若能得以解决,将对缓解我国能源压力,节能环保起到积极作用。因此,针对电力电子负载的研究显得意义深远。
电源测试实质上是通过控制实际输出电流与被测电源电压符合对应的负载关系。若将一台变流装置应用在被测电源上,重点控制电源实际输出电流的相位和幅值,那么从电源侧看去,这台变流装置达到了预期实验要求,就等同于带上了真实负载,实现了模拟负载的目的,这便是电子负载存在的最初目的。如果该电子负载一方面可以实现负载的模拟,另一方面可以实现负载电流回馈电网,实现能量的回收,节约能源,绿色环保,这就可以称其为电力电子负载。
电力电子负载结构由负载模拟变换器(Load Simulation Converter, LSC)和能量回馈变换器(Energy Feedback Converter, EFC)两部分组成。第一部分前端接被测三相电源,模拟不同类型负载;第二部分后端接电网,实现能量的回馈。前后两级通过直流母线电容连接,可单独控制各个单元。整体方案易于实现,且节约能源,绿色环保,具有重要的研究价值。
国内外研究现状
国内外学者通过不断的研究试验,普遍认可用电力电子器件组成的装置代替传统无源器件进行电源测试,这里的电力电子功率器件与模拟负载的功能一样,但是由若干个电子元器件组成,在这基础上采取合理的控制策略,控制功率器件的通断,即可使得被测电源的实际电流精确跟踪指令电流。采用电子负载,其相较于传统负载而言具有如下优势:
(1)适用于不同种类的电源,且不同状态之间可以相互切换;
(2)电能回馈,节能环保。负载模拟变换器输出的直流电流经能量回馈变换器转化为符合电网要求的交流电,实现以高功率因数回馈电网。在整个系统中,只有少部分能量消耗在功率开关管上,实现了能量的高效利用;
(3)生命周期长,维护简单。传统的无源器件负载运行过程中需要白白消耗大量热能,加速了设备的老化,而电力电子负载只有开关器件消耗少量能量,不易损坏,维修方便。
(4)控制器的运用提高了系统自动化程度。
(5)占地面积小。不同于传统负载体积大,电力电子负载不需要很大的厂房面积,且无需配备庞大的散热装置,对环境没有特殊要求。
(6)可以灵活模拟各种类型负载,如纯电阻负载、阻感性负载、阻容性负载以及非线性负载[1],只需要控制负载电流与被测电源电压满足某种负载关系即可,电流控制灵活。
电力电子负载根据被试电源的形式可以分为直流电力电子负载(Direct Current Power Electronic Load,DC.PEL)和交流电力电子负载(Alternating Current Power Electronic Load,AC.PEL)[2]。顾名思义,直流电子负载应用于直流电源的带载测试,交流电子负载应用于交流电源的带载测试。
直流电子负载研究现状
直流电力电子负载采用直接电流控制的方式,将被测电源的输出直流电转化成交流电回馈电网,实现负载的模拟。文献[2]中J.F.Chen 等学者提出通过串联多个直流电源以获取足够高的直流电压,使电流从直流电源经DC/AC变换传递至交流电网。该方法需要控制馈网电流和电压的大小与相位,从而实现负载的模拟。
文献[3]介绍了学者 Ayres C. A.设计的电路,其拓扑结构中包含为下级电路稳定运行提供合适电压的升压变换器、控制输出电流波形的降压变换器、产生与电网电流同步的逆变电流的直流-交流变换器以及滤除高次谐波,降低THD值的输出滤波器。
文献[4]中,学者 Vendrusculo E.A 以前述直流电子负载的结构为基础,采用 Cuk 变换器替代其中的升压变换器和降压变换器,以达到实现输入和输出电流的分开控制,且无需其他辅助电路就能实现开关管的软关断的目的。
国内学者利用 PWM整流器直接将直流电源回馈到电网,通过控制逆变输出电流的大小来控制电源的输出功率[5]。现今,国内外对于直流电子负载的研究已经趋于成熟,并且已逐渐应用到日常生产生活中。
交流电子负载研究现状
为了解决UPS老化问题,学者们尝试采用交流电子负载。文献[6]介绍了Suresh Gupta 等人在1990年提出的在 UPS 电源和电网间增加两个与 UPS 输出电压正交的电压。其控制思路类似于直流电子负载中通过控制输出电流大小来控制电源输出功率,该交流电子负载分别控制被测电源的有功和无功功率。但其相位须与电网保持同步,不具有普遍适用性。
1994 年,两位外国学者提出被测电源与负载统一的思想。如文献[7]所示,文化里采用负载调节器来控制 UPS输出电流。但其要求被测电源具备AC/DC变换器,无法广泛推广使用。
1996 年,文献[8]指出C. A. Ayres 提出新的UPS老化测试电路拓扑结构,该拓扑结构包含具有整流功能的AC/DC 变换电路、控制负载电流大小与相位的Buck.Boost电路以及 确保逆变电流以单位功率因数回馈电网的DC/AC 变换电路,且输入输出端皆有一级 LC 滤波器用以滤除谐波。但局限性在于UPS输出量的频率必须为50Hz。
2000 年,一位外国学者提出一种新型交流电力电子负载拓扑结构,即采用由两级 AC/DC 变换器组成的背靠背式结构,这种结构在近年来成为研究主流[9]。
本文主要内容安排
通过以上分析可知,直流电子负载的研究已经比较成熟,而交流电子负载成为近几年研究的主流,且多采用背靠背式的研究结构。本文研究的馈能式有源交流电子负载,不仅可以模拟各种特性的负载,还可以将负载电流以单位功率因数回馈电网,节能环保。具体行文安排如下所示:
- 查阅近几年的中外文献,详细了解电力电子负载的定义、研究背景以及直流与交流电子负载研究现状,基于此确定本文研究的三相有源交流电子负载的拓扑结构。
- 给出馈能式有源交流电子负载的主电路拓扑结构,大体介绍负载模拟变换器、能量回馈变换器、控制电路以及驱动电路的作用。然后分别详细的介绍负载模拟部分与能量回馈部分的工作原理、控制策略和主要元器件参数计算过程。
- 利用Simulink软件搭建电路,并基于前述理论合理设置参数,验证纯阻性负载、阻感性负载、阻容性负载以及非线性负载条件下实际电流能否精确跟踪指令电流,使得实际电流与被测电源满足相应的负载关系。同时验证逆变电流能否以单位功率因数回馈电网。
- 绘制电力电子负载的硬件控制核心——DSP芯片的工作流程图,并简略介绍外接的检测与调理电路的功能。
第2章 馈能式有源交流电子负载设计
馈能式有源交流电子负载的设计要求:(1)模拟各类负载,包括纯阻性负载、阻感性负载、阻容性负载和非线性负载;(2)能量回馈电网,以单位功率因数回馈电能且逆变电流谐波含量小于5%。本章主要介绍主电路的拓扑结构及工作原理、负载模拟变换器和能量回馈变换器的工作原理以及控制策略。
2.1系统拓扑结构
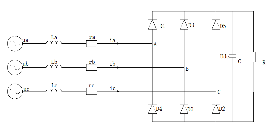
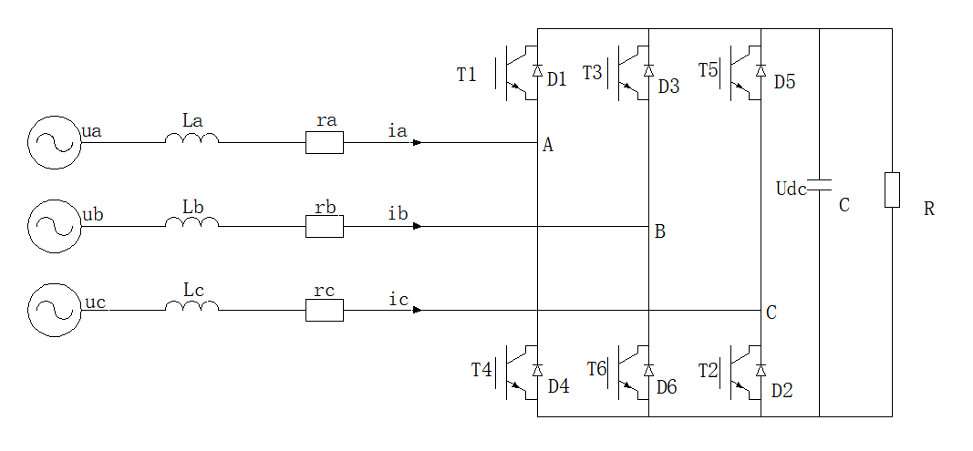
本文采用三相背靠背式双PWM整流器作为主电路拓扑结构,开关管选用IGBT,并采用TMS320F2812型号的DSP做控制部分。主电路原理图如图2.1所示。
请支付后下载全文,论文总字数:19454字
相关图片展示:





您可能感兴趣的文章
- 一种确定磁探针集总电路参数的标定方法外文翻译资料
- 一种人体可接触的大气压低温等离子体射流装置研究(适合电气B方向)毕业论文
- 氩氧中大气压DBD放电特性研究(适合电气B方向)毕业论文
- 大气压氩等离子体射流放电影响因素的仿真研究(适合浦电气B方向)毕业论文
- 含氧高活性均匀DBD改性聚合物薄膜研究(适合浦电气B方向)毕业论文
- 反应器结构对气液两相DBD放电特性的比较(适合浦电气B方向)毕业论文
- 南京某公司研发楼电气设计毕业论文
- 金帆北苑地块经济适用住房——02栋商住楼电气设计(适用于浦电气1004~06A方向学生)毕业论文
- 扬州人武部大楼电气设计毕业论文
- 金帆北苑地块经济适用住房——04栋商住楼电气设计(适用于浦电气1004~06A方向学生)毕业论文


