CdS石墨烯量子点复合材料的制备及性能研究毕业论文
2020-02-17 23:34:39
摘 要
石墨烯量子点(GQDs)具有较大的比表面积,在电子接受和传输方面具有优良的性能,因此在光电化学方面具有广阔的前景。此外它还具备良好的生物相容性、化学惰性、光致发光性能等。利用石墨烯量子点在光电领域的优良特性来制备复合材料,是一项具有重要理论价值和潜在应用前景的课题。本课题以天然鳞片石墨为原料,采用一步法制备CdS/GQDs复合材料,通过各种现代测试手段对复合材料进行表征与测试,研究其对复合材料性能的影响。
测试结果表明,相比纯CdS,CdS/GQDs复合材料的光电性能得到了较大的提升。此外,对纯CdS和石墨烯量子点质量百分比为0.2wt%,0.4wt%,0.6wt%的CdS/GQDs复合材料的测试结果显示,随着逐步增加石墨烯量子点的浓度,CdS/GQDs复合材料的光电性能呈现起伏状态,先逐渐提升,然后再逐渐降低,当石墨烯量子点质量百分比为0.4wt%时,CdS/GQDs复合材料的光电性能达到最优,其光电流可达到4.937μA/cm2。
关键词:氧化石墨、GQDs、CdS、半导体复合材料、一步法、光电性能
Abstract
Graphene quantum dots(GQDs) have a large surface area and have excellent performance in electron acceptance and transmission, so they have broad prospects in photochemistry. In addition, they also have good biocompatibility, chemical inertia, photoluminescence performance and so on. The preparation of composite materials by means of the excellent properties of graphene quantum dots in photoelectric field is an important theoretical value and potential application. In this paper, CdS/graphene quantum dot composites were prepared by one-step method using natural flake graphite as raw material. The composites were characterized and tested by various modern testing methods, and their effects on the properties of composites were studied.
The results show that compared with pure CdS, the photoelectric properties of CdS/GQDs composites have been greatly improved. In addition, the results of CdS/GQDs composites with pure CdS and graphene quantum dots mass percentage of 0.2wt%, 0.4wt% and 0.6wt% show that the photoelectric properties of CdS/GQDs composites increase gradually and then decrease gradually with the increase of the concentration of graphene quantum dots. When the mass percentage of graphene quantum dots is 0.4wt%, the photoelectric properties of CdS/GQDs composites reach to 0.4wt%. Optimal photocurrent can reach 4.937μA/cm2.
Key words: graphite oxide, GQDs, CdS, semiconductor composites, one-step method, photoelectric properties
目 录
摘要 I
Abstract II
第一章 绪论 1
1.1 石墨烯量子点简述 1
1.1.1 石墨烯概述 1
1.1.2 石墨烯量子点的结构与性质 1
1.1.3 石墨烯量子点的性能与应用 1
1.1.4 石墨烯量子点的制备方法 1
1.2 半导体纳米材料简述 2
1.2.1 半导体纳米材料的结构 2
1.2.2 半导体纳米材料的性质 2
1.2.3 半导体纳米材料的研究现状 2
1.2.4 CdS纳米材料的应用 3
1.2.5 CdS纳米材料的制备方法 3
1.3 石墨烯量子点-半导体复合材料概述 3
1.3.1 石墨烯量子点-半导体复合材料的制备方法 4
1.3.2 CdS/GQDs复合材料的研究现状 4
1.4 本实验研究的意义和主要内容 4
第二章 试验方案及表征方法 6
2.1 试验方案与技术路线 6
2.2 表征测试手段 7
2.2.1 X射线衍射仪(XRD) 7
2.2.2 红外光谱仪(FTIR) 7
2.2.3 紫外-可见吸收光谱(UV) 7
2.2.4 透射电子显微镜(TEM) 7
2.2.5 电化学工作站 7
第三章 氧化石墨和石墨烯量子点的制备和表征 8
3.1 实验部分 8
3.1.1 实验试剂 8
3.1.2 实验仪器 9
3.1.3 实验过程 10
3.2 表征与测试 12
3.3 结果与分析 12
3.3.1 XRD测试结果分析 12
3.3.2 紫外—可见吸收光谱测试结果分析 13
3.3.3 傅里叶变换红外光谱测试结果分析 14
3.3.4 石墨烯量子点TEM测试结果分析 15
3.4 本章总结 16
第四章 CdS/GQDs复合材料的制备 17
4.1 实验部分 17
4.1.1 实验试剂 17
4.1.2 实验仪器 17
4.1.3 实验过程 18
4.2 表征与测试 18
4.3 结果与分析 19
4.3.1 X射线衍射(XRD)表征 19
4.3.2 透射电镜(TEM)表征 20
4.3.3 瞬时光电流测试(IT)分析 21
4.3.4 阻抗测试(EIS)分析 22
4.4 本章总结 23
第五章 结论 24
参考文献 25
致谢 28
- 绪论
1.1 石墨烯量子点简述
1.1.1 石墨烯概述
碳材料是一种地球上普遍而特殊的材料,它可以形成多种结构和性质不同的单质,比如石墨、金刚石等。碳基材料种类繁多并且展现出优良的性能,在光电传感领域、交通出行领域以及环境保护领域具有重要的应用价值。在以往的几十年里,科学家们持续的进行对碳纳米材料的探索,1985年发现的富勒烯[1]和1991年发现的碳纳米管[2](CNTs)都在当时被广泛的讨论,碳纳米材料的研究热潮顺势而起。2004年,英国曼彻斯特大学的Geim小组,通过微机械剥离法,初次得到了新型的单层二维原子晶体—石墨烯[3]。
石墨烯凭借其结构上的特殊性以及优良的物化性质,在光电、催化领域大放异彩,是目前电化学传感领域的热门研究对象。但是,石墨烯材料的缺陷也比较明显,比如与介质作用力弱,化学惰性强,石墨烯的团聚导致溶解性差,具有活性的位点少,有效反应面积比较小,界面的通透性比较差等等,极大的限制了石墨烯在催化、光电传感等方面的优良性能,对石墨烯在许多领域的探索创新产生了阻碍,影响了石墨烯的应用环境。2008年,Novoselov等人第一次制备出准零维的石墨烯量子点(GQDs),从此碳材料获得了一个新的研究方向。石墨烯量子点一经发现便引起了研究者的兴趣,科学家将尺寸在100nm以下的石墨烯片层定义为石墨烯量子点,通过它成功的结合了石墨烯和量子点的优良特性。
1.1.2 石墨烯量子点的结构与性质
石墨烯量子点是一种准零维材料,它的尺寸是纳米量级的,因此具有量子局限效应,使其具备了光电磁等多方面的优良性能。另外一个显著的结构特征是石墨烯量子点具有带隙,在外界条件的刺激下可以产生电子跃迁,因此拥有了半导体的性质。同时它具备一种电子能带结构,这种结构使量子点的催化性能得到显著提升[4]。
1.1.3 石墨烯量子点的性能与应用
石墨烯量子点结合了量子点和石墨烯的优良性质。比如好的化学惰性,大的比表面积,丰富的活性基团,良好的导电性,优良的生物相容性,以及显著的量子局限效应[5]、使其在光催化[6],光电子学[7],生物成像[8],发光分析[9],金属离子及有机小分子的传感[10]等各种领域得到了重视和研究,成为石墨烯家族的新星。
1.1.4 石墨烯量子点的制备方法
科学家对石墨烯量子点的制备方法进行了很对探索,现在有两种方法在制备石墨烯量子点比较常用,分别是自上而下法和自下而上法。
自上而下法:利用一些物理和化学手段,得到的石墨烯量子点尺寸在100nm以下,主要方法有:水热反应法[11]、化学剥离碳纤维法[12] 、电化学法[13]等。缺点是生产成本较高、生成的材料边缘不够光滑、生产效率较低,因此这种方法不适合大规模的生产。
自下而上法:自下而上法主要是在实验室进行操作,方法有溶液化学法[14]、超声波[15]和微波法[16]等。这些方法比较稳定,但是实验过程繁琐,不容易操作,对反应条件的控制也难以达成。
1.2 半导体纳米材料简述
1.2.1 半导体纳米材料的结构
半导体纳米材料是一种新型半导体材料。这种材料在自然界不存在,仅能通过人工设计制造。通常是指除了三维体材料之外的二维超晶格、量子阱材料,以及一维量子线和零维量子点材料。半导体纳米材料各种优良性质,奠定了它未来在各种光电材料的设计和应用等领域具有重要的地位,因此也成为了国内外研究的热点。科学家对半导体纳米材料的各种性能也作了深入研究,特别是它的光电磁学以及敏感特性等性质[17]。
1.2.2 半导体纳米材料的性质
半导体纳米材料具有与传统材料显著差别的性质,这是因为当半导体材料尺寸减小到特定尺寸时,便会因为结构的原因具备四大效应,即量子尺寸效应,表面效应,小尺寸效应和宏观量子隧道效应[18-19]。半导体纳米材料在声光电磁热等领域具备一系列奇特的特性正是因为这些效应。比如,量子尺寸效应会导致能带不连续,使得材料出现与块状材料显著不同甚至截然相反的特性;表面效应会显著的增大颗粒的比表面积,粒子活性也大大增强;小尺寸效应能够打破晶体的周期性边界条件;宏观量子隧道效应与人们的常规认识有显著不同,奠定了微电子器件的基础[20]。
1.2.3 半导体纳米材料的研究现状
新世纪以来,研究者对二维平面结构中的原子厚度产生了强烈的兴趣,实验中已经成功的合成出具有六角蜂窝状的CdS纳米面。这种材料在光开关、发光二极管、场效应晶体管中已经被广泛应用,并具有重要的作用。1991年以后,一系列的一维纳米材料(以碳纳米管最具代表性)凭借其优异的物理和化学性质,广泛的应用在纳米器件中。截止现在,在各种各样的纳米器件中,ZnO、碳纳米管等材料应用范围已经很广 [21-23]。在这种情况下,CdS纳米线具有可以做成高效的发光二极管[24]、纳米光纤[25]、纳米激光器[26]等等广泛的应用,科学家对一维CdS纳米结构产生了强烈关注[27-28]。
随着深入研究半导体纳米材料,半导体材料越来越优良的性能也被科学家所关注,并且其在光电领域的地位也越来越重要。为了实现更好地发掘材料的性能,人们做了许多的尝试和努力:减小材料的尺寸,降低材料的维度,以及对材料进行有效的掺杂,生成复合材料。目前,半导体材料想要实现在光电器件方面发光发彩,掺杂是展示其良好特性的最佳途径,如生物显示[29]、调制激光器[30]以及太阳能电池[31]等。研究者们对半导体材料掺杂的种种优势产生了兴趣。
1.2.4 CdS纳米材料的应用
CdS具有优异的性能和巨大的潜力,在光电探测、二极管、显示器、生物探测等领域已经得到了很好的体现。下面对它已经用于的领域以及将来可能运用到的领域做一些简单的介绍:
(1)发光材料。CdS量子点凭借可调照明光、较低的成本、稳定的输出光源等优点,已经被广泛应用在照明光源器件中 [32]。
(2)非线性光学。研究者已经制备出了新型非线性光学纳米材料,这种材料以掺杂CdSxSe1-x半导体微晶体玻璃作为基板,在各类电子器件中具有重要的价值[33]。
(3)光催化。环境问题作为社会关注的热点,能够有效治理环境污染的材料具备非常重要的研究价值,而CdS作为良好的可见光吸收载体而备受关注。
(4)光电探测。纳米材料可以探测到非常微量的光照,这是得益于它的表面效应和小尺寸效应。纳米材料在光电探测方面具有很高的灵敏度。
除了主要的光学性质方面的应用,CdS纳米材料在生物检测、太阳能转换、测定金属离子、生物成像等各种领域都有其独特的功能。
1.2.5 CdS纳米材料的制备方法
CdS纳米材料的制备方法比较丰富,目前常用的方法包括气相沉积法、溶液法、模板法和自组装法等。
气相沉积法是一种特殊的方法,它可以制备高效能的纳米线并且制备过程中的许多参数可以得到稳定的控制,如气压、温度、反应气体以及反应时间等。气相沉积法主要分为两类:化学气相沉积和物理气相沉积[34]。
水(溶剂)热合成法是以水(溶剂)溶液作为反应介质,在高温高压的环境下,将一些物质(主要为难溶难解的物质)进行溶解,然后再进行重结晶的一种方法。这种方法具有良好的密闭性,杂质也难以混入,反应过程也较温和,是一种被科学家广泛使用的方法 [35]。
模板法是最简单的制备一维纳米材料的方法[36],在模板的帮助下,制备出的纳米线阵列生长有序。纳米线的许多参数,比如长度、密度、直径,都可以通过控制模板来进行改变。
除了上述制备CdS纳米材料的方法外,还有微波法、辐射合成法、溶胶-凝胶法、分子束外延法等。
1.3 石墨烯量子点-半导体复合材料概述
科学家将尺寸在100nm以下的石墨烯片层定义为石墨烯量子点。由于量子点具有独特的结构,因此具有生物毒性低、表面修饰性强、水溶性好、化学惰性强、光致发光稳定等特点。这些优秀的性能引起了研究者的兴趣,使得石墨烯量子点在光电领域、催化领域、传感领域、生物医学领域等方面发展迅速 [37]。
最近一段时间,石墨烯量子点与CdS、CdSe、ZnS和ZnSe等半导体材料合成的复合材料发展十分迅速,是科学家研究的热点。石墨烯量子点-半导体复合材料结合了半导体量子点优良的光电特性以及石墨烯材料良好的电学性能,表现出了优异的光电性质,在生物成像、光催化、光电探测、太阳能转换等领域具有重要的研究价值 [38]。
1.3.1 石墨烯量子点-半导体复合材料的制备方法
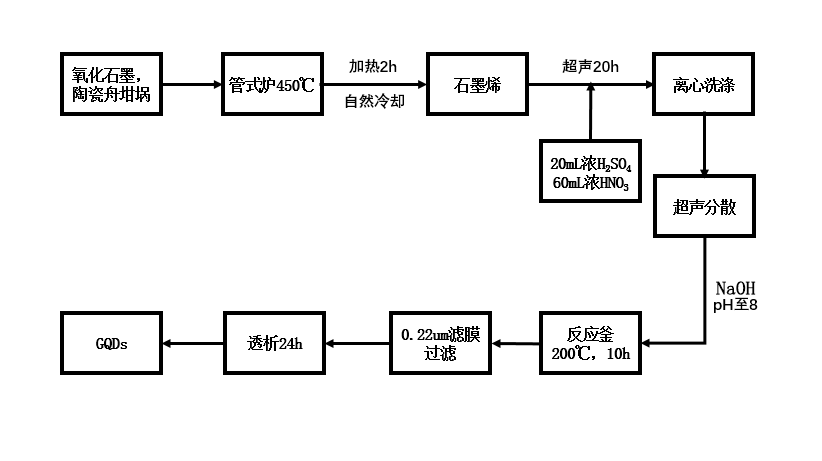
石墨烯量子点-半导体复合材料有许多的制备方法,以下列举几个主要的方法:相转移法、电化学模板法、静电复合法、微波辅助法、水/溶剂热法等[39]。本课题是采用溶剂热法来制备CdS/GQDs复合材料:首先水热剪切石墨烯制得石墨烯量子点,再采用一步法制备CdS/GQDs复合材料。
1.3.2 CdS/GQDs复合材料的研究现状
2010年,Feng[40]等采用苄硫醇作为偶联剂,通过π-π堆叠相互作用,将尺寸为3nm的CdS纳米粒子和石墨烯纳米片结合,制备了具有良好非线性吸收特性的纳米复合材料。2013年,林新浩[41]等以氧化石墨烯和N,N—二甲基甲酰胺作为原材料,通过溶剂热法制得了石墨烯量子点。2013年Gao[42]等人研究表明利用CdS和石墨烯量子点制备出复合材料(CdS占石墨烯的摩尔比例为70%时)能够有效的催化降解罗丹明(RhB),催化降解率可达93%。2015年,Lei[43]等人利用水热法在不同的Cd/S摩尔比例条件下制备了CdS/石墨烯纳米复合材料,结果发现,当Cd/S比例为1:3时,光电流密度达最大值1.05×10-4A/cm2,电容值达最大值17.6 F/g,说明此比例生成的CdS/石墨烯纳米复合材料的光电性能最佳。
1.4 本实验研究的意义和主要内容
本课题以天然鳞片石墨为原料,采用一步法制备CdS/GQDs复合材料,通过使用各种先进测试手段进行复合材料的表征与测试,研究不同质量百分比的石墨烯量子点对CdS/GQDs复合材料性能的影响。实验研究具体内容制定如下:
1.采用Hummers法制备氧化石墨,热还原法制备石墨烯,水热剪切石墨烯制得石墨烯量子点。本实验采用X射线衍射、傅立叶红外光谱、紫外-可见吸收光谱(UV)和透射电子显微镜(TEM)等测试对样品进行测试和表征。
2.采用一步法制备CdS/GQDs复合材料,并对制得的CdS/GQDs进行表征与测试。本实验通过使用X射线衍射、紫外光谱等表征手段对纯CdS和不同质量百分比的石墨烯量子点生成的CdS/GQDs复合材料的结构进行表征。
第二章 试验方案及表征方法
以上是毕业论文大纲或资料介绍,该课题完整毕业论文、开题报告、任务书、程序设计、图纸设计等资料请添加微信获取,微信号:bysjorg。
相关图片展示:









