数控倒角机床刀架动静态分析及优化设计毕业论文
2020-07-16 20:26:07
摘 要
刀架的动静态特性和性能对机床整机的加工精度,稳定性和抗振性具有重要影响,是优化设计的关键零部件。本文以数控倒角机床刀架为研究对象,结合理论分析和有限元仿真分析,并且结合实际情况对数控倒角机床刀架进行轻量化设计。本文的研究主要包含以下4个部分:
(1)三维建模。采用Solidworks软件,建立刀架的三维模型,保持滑块的相对位置不动,可以拖动滑块查看刀架的运动路径。
(2)动静态特性分析。依据所建立的三维模型,确定好刀架在加工时的载荷、边界条件、选取分析参数,对上述模型进行动静态特性分析。
(3)结构优化。确定倒角机刀架所要优化的尺寸和位置,并且确定好目标函数和限制条件,在优化之前需要在三维模型里面建立全局变量,导入Ansys Workbench中变成可识别的参数。
(4)结果验证。将尺寸圆整修改后的刀架模型再次分析验证是否满足预期目标,比如质量和低阶固有频率是否减小。
关键词: 刀架静态分析 模态分析 结构优化
Dynamic and static analysis and optimization design of CNC chamfering machine tool rest
ABSTRACT
The dynamic and static characteristics and performance of the tool holder have an important influence on the machining precision,stability and vibration resistance of the machine tool and are the key components for optimal design.This article takes the numerical chamfering machine tool holder as the research object,combines the theoretical analysis and the finite element simulation analysis,and combines the actual situation to carry on the lightweight design to the numerical control chamfering machine tool holder. The research in this article mainly includes the following four parts:
(1) Three-dimensional modeling and simulation. Using solidworks software,a three-dimensional model of the tool holder was established. The relative position of the slider was maintained, and the slider could be dragged to view the motion path of the tool holder.
(2) Analysis of static and dynamic characteristics. According to the established three-dimensional model,the load,boundary conditions,and analysis parameters of the tool holder are determined,and the dynamic and static characteristics of the model are analyzed.
(3) Structural optimization. Determine the size and position of the chamfering tool holder to be optimized,and determine the objective function and constraints. Before optimization,global variables need to be created in the 3D model and imported into the Ansys Workbench to become recognizable parameters.
(4) Verification of results. The tool holder model modified by rounding the dimensions is again analyzed to verify whether it meets the intended target.
Keywords: modeling static analysis modal analysis tool holder optimizatio
目录
摘 要 I
ABSTRACT II
第一章 绪论 1
1.1课题来源 1
1.2课题研究的背景和意义 1
1.3数控铣床刀架的研究发展概况 3
1.3.1刀架的动态特性 3
1.3.2刀架的静态分析 4
1.3.3刀架结构的优化设计 5
1.4课题主要的研究内容 6
1.5本章小结 9
第二章 刀架的静态分析 10
2.1刀架有限元静态分析简介 10
2. 1.1静态分析介绍 10
2.1.2静态分析边界条件的介绍 10
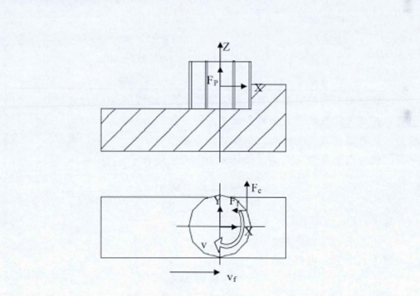
2.2切削力的计算和刀架受力点 11
2.2.1切削力计算 12
2.2.2确定刀架的受力点 12
2. 3刀架静态分析 13
2.3.1建立刀架三维模型 13
2.3.2设置材料库和材料属性 14
2.3.3网格的划分 15
2.3.4施加载荷和约束条件 16
2.3.5静态分析分析结果处理 16
2.4 本章小结 18
第三章 刀架的模态分析 19
3.1.模态分析理论 19
3.2在有限元中的模态分析 20
3.2.1建立刀架有限元模型 20
3.2.2施加约束和求解 20
3.2.3模态分析处理结果 21
3.3 模态结果分析 23
3.4 本章小结 24
第四章 刀架的优化设计 25
4.1优化设计概述 25
4.2确定刀架优化的三要素 26
4.2.1刀架的目标函数 26
4.2.2选择参数变量 26
4.2.3变量的约束 28
4.3刀架尺寸的优化 28
4.3.1设置全局变量 28
4.3.2灵敏度分析 28
4.3.3刀架尺寸优化求解 29
4.4刀架优化结果验证 30
4.5 本章小结 32
第五章 结论与展望 33
5.1研究总结 33
5.2研究展望 33
参考文献 35
致 谢 37
绪论
1.1课题来源
此次毕业设计任务来自南京工业大学和南京工大数控有限公司,研究对象为立式的数控铣床倒角机,这是本校成立的公司实际正在研究设计,并且投入生产加工的机床,在生产制造行业领域对数控智能加工的要求越来越高,刀架是安装刀具的重要零部件,所以就有必要对数控机的刀架进行研究设计。本次论文是采用了有限元静态分析、动态特性分析、优化设计方法对SKDL系列的数控倒角机床的刀架部件进行分析设计。
1.2课题研究的背景和意义
在现代制造业飞速发展的当下,美国提出“工业互联网”概念,德国 “工业4.0”,就连日本也在人工智能领域不断寻求新的突破。我国紧随时代潮流,“中国制造2025”的策略正在实施,为了能够在制造行业赶超欧美国家,在数控机床加工技术方面的改进就显得尤为重要[1]。数控不仅仅是具有加工速度快,效率高,减少加工成本这些基本的优点。另外一方面,它综合了机械加工工艺,自动化控制,计算机编程语言和电子技术这些重点学科,在诸多领域发挥了不可替代的作用。比如军工阀门行业,汽车零部件制造业,电力设备以及电子设备,重型机械行业。
数控机床的进给系统为什么可以满足高精度要求的生产?这是因为机床布置了多种位移传感器回路,在电机选择上采用了伺服电机,这使得它的精度和强度远高于普通机加工生产机床。数控机床可以在只对刀一次的情况之下,对刀具进行刀补,然后进行加工。蜗杆传动的特性使得数控机床的传动精度很高,只要设备数码允许,其回转分度都可以达到很高的精度,比传统的手摇式刻度轮盘机床的精度高得多。而且现在数控机床建立了自己的刀具数据库,在工件加工之前
相关图片展示:









