150吨汽车起重机下车液压系统设计毕业论文
2020-02-19 19:25:10
摘 要
本次设计是在分析汽车起重机机构与液压系统功能的基础上,通过实际工况选择液压回路,对150吨汽车起重机下车液压系统这一题目进行分析与选型计算。本次液压系统设计中,主要研究了特大型汽车起重机的作业状态,完成实际作业动作的液压系统设计需求,对液压系统原理分析与方案拟定的内容,其中,支腿液压回路采用了自动调平系统,省去了人力调平的麻烦,本来费时费力,采用了此设计可大大降低司机工作强度。本文设计思路是分析市面上已有的同类型机械装备产品,获得汽车起重机整机性能参数的相关数据,再由汽车起重机的工作特点对下车液压回路进行系统性分析;结合所学的液压知识确定下车液压回路方案,然后对各类参数进行计算,最后完成元器件的选型,接着编写说明书。
关键词:汽车起重机;下车液压系统;支腿机构;自动调平系统
Abstract
Based on the analysis of the functions of the truck crane mechanism and the hydraulic system, this design selects the hydraulic circuit through the actual working conditions, and analyzes and selects the hydraulic system of the 150-ton truck crane. In the design of the hydraulic system, the main working conditions of the super-large truck crane, the design requirements of the hydraulic system for the actual operation, the analysis of the principle of the hydraulic system and the formulation of the scheme are mainly studied. Among them, the hydraulic circuit of the leg is automatically leveled. The system saves the trouble of manpower leveling, which is time consuming and laborious. This design can greatly reduce the driver's work intensity. The design idea of this paper is to analyze the same type of mechanical equipment products available on the market, obtain the relevant data of the performance parameters of the truck crane, and then systematically analyze the hydraulic circuit of the vehicle by the working characteristics of the truck crane; combined with the hydraulic knowledge learned Determine the hydraulic circuit scheme for getting off the vehicle, then calculate the various parameters, and finally complete the selection of components, and then write the manual.
KeyWords: truck crane, hydraulic system, leg mechanism, automatic leveling syst
目录
第1章绪 论 1
1.1汽车起重机简介 1
1.2汽车起重机国内外发展现状 1
1.2.1汽车起重机的国内发展状况 1
1.2.2汽车起重机的国外发展状况 2
1.3课题研究内容、目的、意义 3
第2章汽车起重机液压系统组成及典型工况 4
2.1整机性能参数 4
2.2汽车起重机液压系统简介 4
2.2.1起升系统 5
2.2.2伸缩系统 6
2.2.4回转系统 8
2.2.5支腿系统 8
2.2.6转向系统 9
2.3典型工况的分析 9
2.3.1典型工况的确定 9
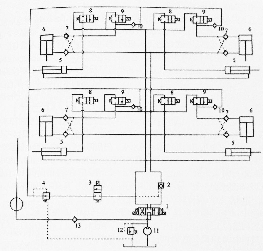
第3章下车液压系统原理图设计 11
3.1起重机支腿形式的选择 11
3.2支腿液压回路设计 11
3.2.1支腿液压回路性能要求 11
3.2.2支腿液压回路原理图 11
3.2.3自动调平水平仪调平原理 11
3.2.4支腿液压回路功能实现及工作原理 12
3.3转向系统液压系统设计 14
3.3.1转向系统任务要求 14
3.3.2转向液压回路原理图 14
3.3.3转向液压回路功能实现及工作原理 14
第4章下车液压系统设计计算 16
4.1支腿系统压力计算 16
4.1.1支腿反力计算 16
4.1.2确定支腿液压系统的工作压力 19
4.1.3垂直支腿液压缸基本参数的计算 19
4.1.4水平支腿液压缸的基本参数计算 20
4.1.5 垂直液压缸伸缩速度及流量的计算 21
4.1.6 水平液压缸伸缩速度及流量的计算 22
4.2液压转向系统 22
4.2.1转向系统压力的设计参数 22
第5章液压元件选择计算 25
5.1液压缸的选择 25
5.2液压泵的选择 25
5.2.1液压泵的工作压力 25
5.2.2液压泵额定流量计算 26
5.2.3液压泵的选择 26
5.3油路通径 26
5.3.1管路内径 26
5.4滤油器的选择 27
5.5液压油箱的设计 27
第6章经济性分析 28
第7章结论 29
参考文献 30
致谢 31
第1章绪 论
目前在全球工程起重机里,主要有全路面起重机、轮胎式起重机、履带起重机、汽车起重机等数个种类。近几年,国家不断开展各种公共事业建设,各类工程建设规模都在不断地扩大,更高的需求促使着起重机迅速发展,在以上几类起重机里,就数汽车起重机的运用领域最宽广。
液压汽车起重机以其转移迅速、适宜公路行驶、作业性能高、作业辅助时间少等特点而广泛应用于城市建设、水利水电工程、矿业工作及国防施工等方面,其在国际市场的销量中占据着最大的份额,尤其是城建工程、港口装卸等大型起重安装作业对于大吨位起重机的综合需求也越来越高。汽车起重机相较于其他起重机而言驾驶移动更轻松,操作不笨拙。随着液压传动技术的不断发展,汽车起重机的研发普遍抓住了所有液压同行的眼球。
1.1汽车起重机简介
汽车起重机是工程机械中重要的机种之一,其构造如图1.1所示,主要是由起升机构、回转机构,变幅机构、支腿机构等组成[1]。汽车起重机可以吊起各种人力所无法举起的重物,有利于解放人力资源、降低人们的工作强度,这样不仅可以降低建设成本,加速建设,还能提高工程质量,实现工程建设机械化。几十年来我国一直以无与伦比的速度进行着经济发展、基础设施建设,各种大型项目的出现也促使我国的汽车起重机行业获得飞跃式的发展,并逐步加入到全球化的时代浪潮中,当然这是机遇也是挑战,我们自己也必须提高液压汽车起重机的生产标准。
汽车起重机按起重量有以下几种类别:小型汽车起重机(起重量小于5t),中型汽车起重机(起重量在5t~15t之间),重型汽车起重机(起重量在15t~50t,超重型汽车起重机(起重量在50t以上)。近期,由于工程建设需求,生产出来的起重机起重量是越来越高了,甚至于已经能够制造出100t~200t的特大型汽车起重机[2]。
1.2汽车起重机国内外发展现状
1.2.1汽车起重机的国内发展状况
我国汽车起重机行业从1970年之后开始起步发展,在超过了30年的时间里,主要有三次主要生产技术革新,引进了包括70年代的苏联技术、80年代初的日本技术和90年代初的德国技术。但归根究底,我们汽车起重机产业的发展一直都没有偏离大胆开拓革新的康庄大道,属于我们自个儿明确的技术进步路线。在最近几年我们更能清晰地感受到,国内汽车起重机行业实现了巨大的进步,尽管与国际同行相比依旧略有差距,但是我们永远不会殚于向前追赶,我们正在缩小差距。
为满足飞快增长的工程建设市场规模,国内汽车起重机改进要素也根据工程建设要求发生了某些变动,可是当前国内的生产商总体还是把焦点投放在中小型汽车起重机的的制造上,多数产品吨位都不到50t,大吨位汽车起重机的生产更是极少,这样的生产能力难以填补国内市场在大型汽车起重机领域的大缺口的。
图1.1汽车起重机外形图
1-汽车;2-转台;3-支腿;4-吊臂变幅液压缸
5-基本臂;6吊臂伸缩液压缸;7-起升机构
所以对车起重机液压系统开启新一步的开发研究势在必行。
值得一提的是,国内也有知名生产厂家,在不断的摸爬滚打中获得了不少经验,也把握住了有关起重机的大部分技术,已经具备了自主研发与创新的实力,现已成功生产出了200吨级及以上的超大型机械设备,虽然与国际顶尖产品仍旧有差距,但其中的阻碍不过是个小门槛,我国汽车起重机的生产即将跨过这道门槛,抵达国际领先水平,相信在并不遥远的将来我们都有望亲眼见证[3]。
1.2.2汽车起重机的国外发展状况
汽车起重机销售主阵地为东亚和西方世界。其中以日本为主的东亚约在总销售量中占比四成,以美国为主的北美和以德国为主的欧洲国家各约占两成。国外汽车起重机一般来说产品种类具有多样性,标准化程度得到提高和多功能集合。
针对这三大市场的汽车起重机来说,欧洲市场产品主要以全地面起重机为主,占据了市场份额的八成;利勃海尔公司销售汽车起重机的获利有七八成来自于特大型吨位的汽车起重机;技术水平也相对有所领先。
在东亚和北美市场,越野汽车起重机占据了七成至八成的市场份额,注重工作环境需求与生产经济性。在维持产品性能和功能的条件下,大量选取国际标准配套件,不一味盲目求新,在产品的可靠性上更胜一筹。
在大型汽车起重机这一领域,西方世界有着比我们更牢固的基础,在技术和实践上都远远胜过我们,随着全世界各地对汽车起重机的需求规模一直在不断扩大,国际上的汽车起重机生产商更是早早地将机械自动化和自动化设备应用于实际制造当中。现在大吨位的起重机主要都依靠国外企业生产,并且他们还着重培养了许多优秀的研发人员,不断地开展创新研究和完善设计体系,我们应当从中学习[3]。
1.3课题研究内容、目的、意义
本文主要是对特大型汽车起重机的工作情况的探讨,其中专门针对下车液压系统的进行设计,包括支腿系统和转向系统,据此来设计一款能够适应国内外工程建设的150吨汽车起重机下车液压系统。通过本次液压系统的设计可以让学生了解国内外液压行业的整体发展情况,同时也是对大学期间所学液压知识系统性的回顾,可提升同学们的信息采集、数据分析,综合实际应用等方面的能力,是同学在毕业进入工作前的一次大练兵。
此外,我国目前汽车起重机的生产主要中小型汽车起重机为主,大型乃至于特大型汽车起重机的产品还较少,但也正在飞速发展,我们还需要更多的工程师携手助力我国汽车起重机乃至于液压行业取得更大的进步与突破。亲自动手设计计算无疑比枯燥的课本教学更为有效,加强了师生之间的交流,促进学生获得长足的进步。
第2章汽车起重机液压系统组成及典型工况
2.1整机性能参数
表2.1主要性能参数
参数 | 数 值 | 备 注 |
工作性能 | 最大额定总起重量 kg | 150000 |
主臂最大起升高度 m | 60 | |
副臂最大起升高度 m | 78.4 | |
工作速度 | 单绳最大速度 m/min | 115 |
尺 寸 | 外形尺寸(长×宽×高) mm | 15230×3000×3860 |
支腿跨距(纵×横) m | 7.2×8.5 | |
主臂长 m | 13~59 | |
主臂仰角 ° | -1.5 ~ 80 | |
质 量 | 总质量kg | 64500 |
发 动 机 | 发动机最大功率 kw/r/min | 390/1800 |
2.2汽车起重机液压系统简介
汽车起重机液压系统包括了上车和下车两个液压系统。其中上车液压系统包含起升、伸缩、变幅、回转四个回路,下车液压系统则是包含底盘和支腿系统两个回路。由图2.1能够了解到,每一个回路都有每一个回路自己独特的机构组成,分别完成不一样的动作。
图2.1汽车起重机回路组成简图
2.2.1起升系统
起升回路的系统组成如下图1.3所示。
对于起重量在5吨—50吨的汽车起重机普遍都包含了有主、副两个起升工作机构。主起升机构作为起升动作的最主要机构多用于吊起更大的重物,副起升机构则是用在其他相对轻量化的起吊工作。以液压系统作为驱动装置的汽车起重机起升机构在工作状态中具备良好的稳定性,操作精度也相对有所提高。
图2.3起升机构基本液压回路
1-液压泵;2-溢流阀;3-换向阀;4-平衡阀
5-起升液压马达;6-制动气缸;7-减速箱;8-起升卷筒
2.2.2伸缩系统
汽车起重机伸缩回路主要在同步伸缩和非同步伸缩之间做出选择。同步伸缩顾名思义就是各节臂在伸缩过程中,以相同的行程比率进行伸缩,采用同步伸缩机构,在相同工况下,因臂受力较好,各臂重量可轻些,对起重机构还可提高中等幅度的起重量,因而具有很大的优越性,但也相对复杂。
图1.4伸缩机构有三节臂和两个液压缸,采用分集流阀的同步伸缩机构。分集流阀是液压传动中的流量分配阀,它可将一路流量按一定比例分成两路或两路按一定比例集成一路,而不受复杂变化影响。
图2.4采用分集流阀的同步伸缩机构
1-基本臂;2-第一节伸缩臂;3-第二节伸缩臂;
4,5-液压缸;6-软管卷筒;7-分集流阀;8,9-换向阀
2.2.3变幅系统
图1.5表示适用单作用柱塞液压缸变幅机构,其使用双缸驱动变幅机构。缸伸出靠油压顶升,下降靠重力负载完成的。换向阀处左位,高压油经单向阀2并联进入两液压缸,柱塞伸出,驱动臂向上变幅。换向阀处中位时,锥形单向阀2和液控单向阀3处封闭状态,密封效果好,保证长时间锁紧定位。要使变幅臂下降时,移动脚踏缸6,打开液控单向阀3,液压缸塞在重力载荷下缩回。控制脚踏缸行程,以使液控单向阀有足够小开度,确保在回油路上建立足够背压,防止出现超速现象。
图2.5采用单作液压缸的变幅机构
1-单作用液压缸;2-单向阀;3-液控单向阀;
4-电磁阀;5-压力油箱;6-脚踏缸
2.2.4回转系统
回转回路可使整机上部机构相对下部机构进行回转,作用是扩大作业范围、工作效率和提高整机的机动性。
回转机构的起动、制动频繁,运动时间占比较大,因此在设计回转机构的液压回路时,我们需要通过实际工作中会出现问题进行有针对性的设计,优化整个液压系统。
2.2.5支腿系统
支腿机构的存在是为了加强起重机械的稳定性,譬如汽车起重机,在伸出支腿之后,支腿撑住地面,将整台机械向上抬起,虽然车轮腾空,但是由于汽车起重机的重量以及支腿牢牢撑住地面的关系,使汽车起重机进行吊重工作的时候自身不易受到重物力矩的影响而产生位移以致影响作业状态和工作效率。汽车起重机的支腿有多个种类,起重机普遍都设置有四个支腿。
图2.6回转机构及其液压回路
1-回转液压马达;2-小齿轮;3-带大齿轮的回转支承
4-下部机构;5上部机构
2.2.6转向系统
汽车起重机在未处于工作状态中时,要通过转向系统来使车轮转向,以此达到改变前进路线的目的。转向系统的主要是由方向盘、液压泵、计量马达、液动阀、转向缸等结构组成。合理地去设计转向机构系统的目的主要是提高起重机械的的机动性能,即使在较为窄小的工作环境中也能迅速转弯。转向系统可以由机械转向机构组成,但是机械系统的弱点很明显,只适用于小型的机械装备,起重机越大型,司机所要克服的车轮转向阻力就越大,甚至于大到无法转向,高强度的劳动并不是我们设计并使用起重装备的初心。相对于机械转向,液压转向机构的优点就非常明显了,驱动车轮转向的任务交给了转向液压缸,这样起重车司机就非常轻松了,所以液压系统目前在工程机械领域广受欢迎,本次的设计就是采用的液压系统。
2.3典型工况的分析
2.3.1典型工况的确定
根据汽车起重机在工作环境中的表现,以及几十年来起重机行业发展所设计并不断完善的试验标准,可确定如表2.1的3种工况,一次作为150T汽车起重机的典型工况。在进行本次汽车起重机液压系统的设计时,必须考虑到各个系统机构之间的配合,他们各自的工作动作不能相互干扰。
表2.2汽车起重机典型工况表
序号 | 工 况 | 一次循环内容 | 特 点 |
1 | 基本臂; 以上是毕业论文大纲或资料介绍,该课题完整毕业论文、开题报告、任务书、程序设计、图纸设计等资料请添加微信获取,微信号:bysjorg。 相关图片展示:
您需要先支付 50元 才能查看全部内容!立即支付
最新文档
|









