风力自锁防爬器结构有限元优化设计毕业论文
2020-02-19 19:22:02
摘 要
Abstract II
第1章 绪论 1
1.1目的及意义 1
1.2国内外研究现状分析 2
第2章 风力自锁防爬器结构的优化设计 4
2.1风力自锁防爬器的原理简述 4
2.2风力自锁防爬器的优化设计方案 5
2.2.1 优化设计方案的基本内容 5
2.2.2 采用的技术方案及措施 5
第3章 风力自锁防爬器的特征参数 6
3.1风力自锁防爬器滚轮支座的模型尺寸参数 6
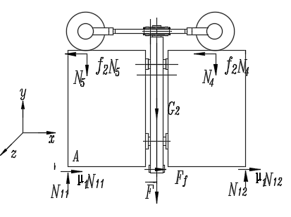
3.2风力自锁防爬器滚轮支座的静力学分析及载荷参数 8
第4章 风力自锁防爬器结构参数化设计与分析 12
4.1风力自锁防爬器滚轮支座的特征参数设置 12
4.2前处理程序 13
4.2.1材料属性设置 13
4.2.2几何模型建立 13
4.3约束加载 21
4.4结构分析 24
第5章 经济性与环保性分析 26
第6章 总结与展望 27
参考文献 28
附录A 30
致谢 47
摘要
防风抗滑问题是在近年来随着港口规模不断扩大的情况下越来越被重视的一个问题,风力自锁防爬器是一个较好的防风抗滑的安全防护装置,由于是新开发出来的设备,为了实现其标准化,需要对其进行有限元优化设计。随着计算机技术的高速发展,有限元分析以及参数化建模技术越来越广泛的应用于现在的各种机械设计过程中。针对目前对于风力自锁防爬器的有限元建模分析和求解的步骤比较繁琐并且复杂,提出了利用ANSYS的二次开发平台APDL语言对风力自锁防爬器结构建立有限元模型的方法,实现对风力自锁防爬器的有限元优化设计。
本文对风力自锁防爬器的滚轮支座结构进行了结构的静力学分析和运用ANSYS的二次开发平台APDL语言对结构进行参数化建模,通过输入参数可以按要求实现快速自动的风力自锁防爬器的有限元建模并且完成相应的计算求解,对不同的参数的风力自锁防爬器的模型不需要重新建模,减少了分析的时间和成本,极大的提高了设计人员的分析效率。
关键词:参数化建模;风力自锁防爬器;APDL;优化设计
Abstract
The wind and anti-slip problem is a problem that has been paid more and more attention in recent years with the continuous expansion of the port scale. The wind self-locking anti-climbing device is a better wind and anti-slip safety protection device. It is a newly developed equipment, in order to achieve its standardization, we use finite element analysis technology to do optimization design for it. With the rapid development of computer technology, finite element analysis and parametric modeling technology are more and more widely used in various mechanical design processes. Aiming at the cumbersome and complicated steps of finite element modeling analysis and solving for wind self-locking anti-climbing device, a method of establishing finite element model for wind self-locking anti-climbing device structure by using ANSYS secondary development platform APDL language is proposed. The finite element optimization design of the wind self-locking anti-climbing device is realized.
In this paper, the static analysis of the structure of the roller bearing structure of the wind self-locking anti-climbing device and the parametric modeling of the structure using the APDL language of the secondary development platform of ANSYS can realize the rapid and automatic wind self-winding according to the requirements through input parameters. The finite element modeling of the lock anti-climbing device and the corresponding calculation solution are completed. The model of the wind self-locking anti-climbing device with different parameters does not need to be re-modeled, which reduces the time and cost of analysis and greatly improves the analysis efficiency of designers.
Keywords: parametric modeling; wind self-locking anti-climbing device; APDL; optimization design
第1章 绪论
1.1目的及意义
近年来,随着世界经济的迅速发展和世界贸易的增加,港口的生产建设也因此得到了快速发展,与此同时,大型港机设备越来越多,并且在港口现代化生产中发挥着越来越重要的作用。但是因为大型港机设备的结构高大,迎风面积较大,所以在台风或突发性阵风发生的时候,就很容易受到风力的影响,从而发生事故[1]。如2015年,强台风“彩虹”袭击湛江港,导致港口设备设施遭受巨大损失。2016年曹妃甸港由于突发风侵袭导致4台门机碰撞,圆筒、梯子平台等结构发生塑性变形。2017年的台风“天鸽”登陆珠海,使三一海工珠海基地损失惨重,4台总装完成岸桥倒塌等等一系列典型案例。由于这一系列的案例存在,所以我们对大型港机设备的防风工作相应的提出了更高的要求。而风力自锁防爬器较好的解决了对于大型港机设备的防风问题,目前的问题风力自锁防爬器是一个新开发出来的安全防护设备,还有许多不成熟的地方所在,所以需要对其实现标准化,为了实现这一目的,需要对风力自锁防爬器进行优化设计。
图1.1 湛江港遭遇“彩虹”强台风袭击
在计算机的高速发展下,FEA在工程设计和分析中得到越来越广泛的重视,其计算结果不仅详尽,而且具有很高的可靠性[2]。采取有限元分析法对风力自锁防爬器进行设计计算,可以提高设计效率。有限元分析的过程包括建立几何模型及施加载荷及约束、求解和查看结果,若求解出来的结果显示需要用户修改设计参数,那么就必须改变模型的几何结构或载荷及约束并且重复上述步骤。尤其是当模型较为复杂或者需要修改许多参数时,这个过程可能会非常消耗时间和精力。并且在进行系列化产品设计时,由于结构形式相同结构不同,逐个进行建模分析会花费大量时间和精力,所以可以借助参数化设计的思路实现通过改变参数来调整结构分析模型,将参数化设计与有限元结构分析相结合,从而来实现结构参数化调整,自动生成模型并进行有限元结构分析,可以极大的优化产品结构,并且有效地缩短产品设计周期[3]。APDL的全称是ANSYS Parametric Design Language(参数化设计语言),是ANSYS软件的一个强大且实用的二次开发平台。借助于ANSYS强大的有限元分析功能,采用APDL编制的程序用于风力自锁防爬器结构优化时可大幅度提高效率[4]。
本次毕业设计的任务是对风力自锁防爬器结构的有限元优化设计,而设计的意义在于通过对风力自锁防爬器结构的参数化建模与设计来进行有限元分析和优化分析,并且编制风力自锁防爬器结构参数化有限元优化程序来对一系列其他尺寸的风力自锁防爬器进行优化分析。
1.2国内外研究现状分析
目前参数化设计方法已广泛被工业界所采用。它具有高效性、实用性等特点,作为一种全新的设计方法其逐渐成为设计工作的发展方向。北京理工大学的梅小宁等提出了一种基于UG二次开发的参数化建模方法。采用UG/Open API的外部模式结合MFC开发了模型更新程序[5]。武汉理工大学的龚道雄以系列化通用桥式起重机为对象,以参数化设计的理论和三维CAD设计技术为依据,并且结合了Access数据库技术,在VisualBasic6.0编译语言环境中对三维CAD软件SolidWorks进行了二次开发设计,建立桥式起重机的参数化设计系统[6]。武汉理工大学的景仁坤充分运用Pro/Engineer的二次开发工具Pro/Program、Pro/Toolkit、Family Table的功能,进行齿轮的参数化设计研究与开发工作[7]。然而SolidWorks等软件并不能对研究对象进行力分析,而ANSYS具有强大的有限元分析功能,所以本次研究采用了ANSYS来进行参数化设计。
ANSYS是一个具有十分强大的功能并且通用性很强的有限元分析软件。国内外的许多研究均用到了ANSYS来进行优化设计。Listiyono Budi等采用有限元法对蜂窝钢梁六角孔的尺寸和距离进行了优化研究[8]。A.A. El Damatty,A.O. Nassef研究了确定壳体结构临界缺陷的有限元优化技术,利用了遗传算法[9]。C. Ayyanar利用ANSYS对6061-T6铝合金蠕变拉伸试验建模与蠕变应变分析[10]。武汉理工大学的刘波建立了以ANSYS为计算核心的,用VC封装的发动机曲轴有限元分析系统。从而实现了曲轴建模和分析计算的自动化、智能化[11]。
近年来,机械优化设计是在现代计算机广泛应用的基础所发展起来的一门新学科,以如C、C 、VC等编程语言作为人机配合方式在计算机上进行自动设计,如前文所提到的例子,从而选出在现有工程条件下最佳的设计方案的设计方法,但这些编程语言对于普通用户比较难以实现,沈阳化工学院的刘洁、张和平利用对悬臂梁的优化设计介绍了ANSYS 在机械结构优化设计中的应用,证明了应用ANSYS优化模块设计并借助APDL语言功能进行机械结构优化设计是一种简单易行的方法[12]。太原重型机械学院的卫良保等以叉车货叉为例成功实现了三维模型的建立与有限元分析的参数化,也表明APDL语言非常适合于编程,并且能够实现具有相同的结构,但尺寸可改变的系列产品建模分析[13]。
WeiLiu等人提出了一种基于体素建模和FGM对象的ANSYS参数化设计语言分析的系统方法[14]。太原科技大学的赵小伟用ANSYS开发了一套基于APDL的集建立模型、结构分析、参数优化于一体的专用桥式起重机桥架结构分析模块,对结构的静态和动态分析来对重要的参数进行优化,从而实现桥架的优化设计[15]。武汉理工大学的徐新辉利用ANSYS为工具,对龙门起重机箱型主梁的变截面翼板进行有限元优化设计,并得出了变截面最优解[16]。昆明理工大学的王露等人基于APDL语言建立立体货架有限元模型的方法自动实现立体货架的快速建模,完成相应的有限元求解,减少了分析成本和分析时间[17]。大连理工大学的赵九峰用ANSYS的内部命令和APDL语言以及参数化技术建立了船用起重机吊臂的有限元参数化模型,运用ANSYS的二次开发技术完成了吊臂的参数化分析,并在此基础上完成优化设计[18]。Mohammad Zehsaz等用ANSYS参数化设计语言编写了代码输入参数来获得机械零件的最佳形状[19]。
综上所述,对于风力自锁防爬器的结构运用ANSYS的优化模块设计并借助APDL语言来进行参数化建模是一种简单易行的方法。减少了设计的时间与成本,并且可以达到最优的方案。
第2章 风力自锁防爬器结构的优化设计
风力自锁防爬器是最新开发的安全防护装置用于港口起重机的防风抗滑。其是由梯形支架,拉杆系统,夹钳装置,滚轮楔板,滚轮支座这五个部分所组成。该防护装置的作用在于当港口起重机的大车行走机构处于非工作状态时,风力自锁防爬器此时便会闭合自锁,并且可以根据设备所承受的风力来提供相应的防风抗滑力防止起重机滑动,这样子可以有效地抵抗阵风所带来的影响,很好的提高设备的防风抗滑能力。

风力自锁防爬器有许多优点,其防风抗滑能力与风力成正比,当风力越大时,产生的防风抗滑力也越大,并且可以保证产生的防风抗滑力能够始终比风力大;风力自锁防爬器具有很高的可靠性,可以自动将风力转化为防风抗滑力,不需要额外的动力驱动其运动;风力自锁防爬器随港口起重机一起运行,所以可以保证在任何位置任何时间进入工作状态,能够随时应对意外阵风;风力自锁防爬器的操作简单并且方便工作人员维护。
图2.1 风力自锁防爬器的实物图 图2.2 风力自锁防爬器的模型
2.1风力自锁防爬器的原理简述
风力自锁防爬器的工作原理比较简单,但是它与传统防风抗滑装置相比还是有着非常明显的不同之处,其防风抗滑摩擦力主要是由两部分构成,一个是由于滚轮支座压紧轨道顶面而产生的摩擦力,另一个则是由于夹紧装置的夹钳夹紧轨道的侧边从而产生的摩擦力。这两部分的摩擦力都是由于风力产生的,并且风力的大小与产生摩擦力的大小成正比。风力自锁防爬器能够提供的用于抵抗风力的摩擦力随风力的增大而增大从而使其自锁。
当港口起重机由自重所产生的摩擦力不足以抵抗风力而与风力自锁防爬器发生相对运动时,风力自锁防爬器感受到起重机发生微动时便会自动开始工作。此时的起重机用于抵抗风力而产生的摩擦力除了有起重机自重产生的摩擦力还有风力自锁防爬器产生的摩擦力,如此从而有更好防风抗滑的效果。所以可以说风力自锁防爬器与传统的港口设备的防风抗滑装置相比具有更加显著的防风抗滑效果。
2.2风力自锁防爬器的优化设计方案
然而由于是新开发的防风抗滑的装置,还有许多不完善的地方,所以现在需要做的是使其标准化,那么对风力自锁防爬器结构的参数化优化设计是非常有必要的。本次选用的是使用ANSYS自带的二次开发平台APDL语言来对其结构进行参数化设计。
2.2.1 优化设计方案的基本内容
1) 风力自锁防爬器载荷工况及结构特征参数化分析;
2) 风力自锁防爬器结构参数化设计;
3) 风力自锁防爬器结构有限元分析及优化;
4) 编制风力自锁防爬器结构参数化有限元优化程序。
2.2.2 采用的技术方案及措施
1) 认识风力自锁防爬器的结构特征,以某组特定的数据在ANSYS中建立风力自锁防爬器滚轮支座的几何模型,划分网格、设置滚轮支座的材料属性、施加载荷及约束。然后找出结构的特征化参数。
2) 对各个工况下风力自锁防爬器滚轮支座的进行静力学分析。
3) 学习APDL语言,根据对特定数据下的风力自锁防爬器结构的有限元分析,将具体模型参数化来编写APDL语言进行结构的参数化建模。
4) 利用编写的程序来进行风力自锁防爬器结构的优化设计,实现输入给定参数,能够自动对一系列其他尺寸的风力自锁防爬器进行有限元分析。
第3章 风力自锁防爬器的特征参数
由风力自锁防爬器的原理可以知道其主要的受力部件为风力自锁防爬器的滚轮支座。所以本次使用ANSYS分析的对象为风力自锁防爬器的滚轮支座。
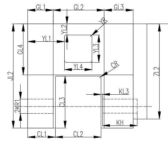
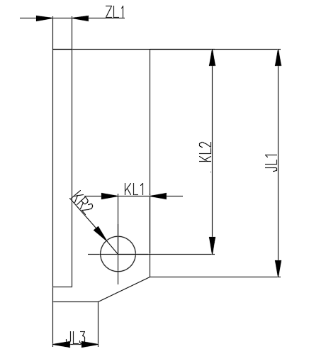
3.1风力自锁防爬器滚轮支座的模型尺寸参数
通过已有的风力自锁防爬器的尺寸数据来在ANSYS建立有限元模型,根据所建立出来的模型来找出命令流中所需要的尺寸特征参数。由于风力自锁防爬器的滚轮支座是对称结构,所以在寻找特征参数时使用的是1/4的模型的几何尺寸,方便用户设计。特征参数图如表3.1:
图3.1 风力自锁防爬器1/4模型的俯视图
图3.2 风力自锁防爬器1/4模型的正视图

图3.3 风力自锁防爬器1/4模型的侧视图
以上是毕业论文大纲或资料介绍,该课题完整毕业论文、开题报告、任务书、程序设计、图纸设计等资料请添加微信获取,微信号:bysjorg。
相关图片展示:









