光纤氢气传感器自动标定测试系统设计毕业论文
2020-02-13 15:08:13
摘 要
光纤氢气传感器作为传感器领域中一个重要分支领域,在社会各行各业中扮演着越来越重要的作用。随着氢气在行业中的广泛和深入应用,光纤氢气传感器的需求量也是越来越大,对于光纤氢气传感器的精度要求也是越来越高。为了提高光纤氢气传感器的精度,光纤氢气传感器在出厂前都需要进行精度标定。要是没有一个高效、高精度的标定平台,光纤氢气传感器的产量必定受到严重影响,从而无法满足社会对于光纤氢气传感器的需求量。
因此基于现实需求本文设计了一套光纤氢气传感器自动标定系统,循环采集光纤氢气传感器在不同浓度氢气下的输出信息并发送给由Labview虚拟仪器构成的上位机系统,利用上位机系统中的标定算法对光纤氢气传感器进行标定处理。
关键词:光纤氢气传感器;自动标定测试系统;Labview虚拟仪器
Abstract
As an important branch of the sensor field, fiber-optic hydrogen sensors play an increasingly important role in all walks of life. With the extensive and in-depth application of hydrogen in the industry, the demand for fiber-optic hydrogen sensors is also increasing, and the accuracy requirements for fiber-optic hydrogen sensors are also increasing. In order to improve the accuracy of the fiber hydrogen sensor, the fiber hydrogen sensor needs to be accurately calibrated before leaving the factory. Without an efficient, high-precision calibration platform, the production of fiber-optic hydrogen sensors must be severely affected, thus failing to meet the demand for fiber-optic hydrogen sensors.
Therefore, based on the actual demand, this paper designs a set of optical fiber hydrogen sensor automatic calibration system, cyclically collects the output information of the fiber hydrogen sensor under different concentrations of hydrogen and sends it to the upper computer system composed of Labview virtual instrument, using the calibration algorithm in the upper computer system. The fiber-optic hydrogen sensor is calibrated.
Key words: fiber-optic hydrogen sensor; automatic calibration test system; Labview virtual instrument
目录
摘 要 I
Abstract II
第1章 绪论 1
1.1课题研究的背景和意义 1
1.2国内外发展现状和发展趋势 2
1.3本文研究内容 3
第2章 氢敏纳米膜的制备 4
2.1纳米颗粒膜感氢机制 4
2.2金钯核壳结构纳米颗粒膜的制备 5
2.3纳米颗粒以及纳米颗粒膜的表征分析 7
2.4小结 9
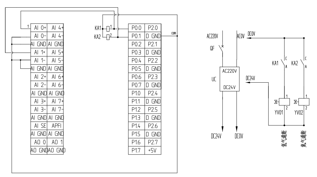
第3章 传感器自动标定系统硬件搭建 10
3.1光纤氢气传感器自动标定系统详细硬件表 11
3.2光路子系统 11
3.3气路子系统 12
3.4上位机信号采集与触发子系统 12
3.5小结 15
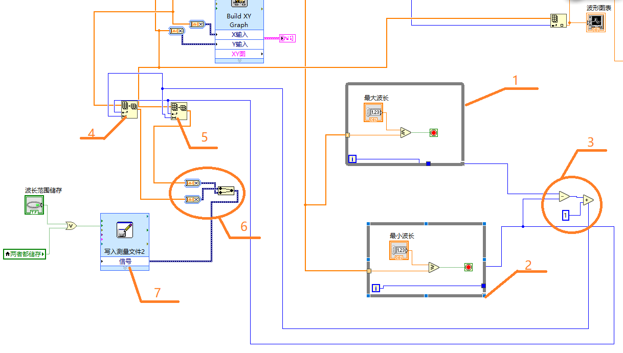
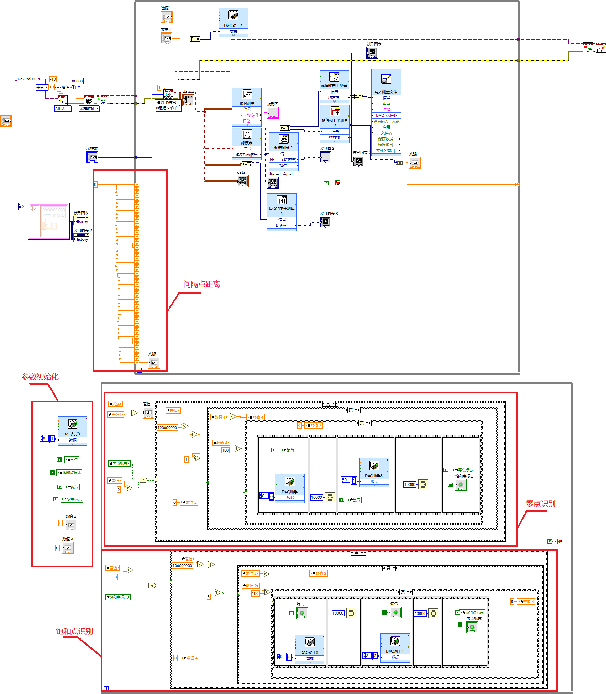
第4章 传感器自动标定系统软件搭建 17
4.1传感器自动标定系统软件框架设计 17
4.2传感器自动标定系统软件功能实现 18
4.2.1光谱仪子vi 18
4.2.2指定测量波长范围子vi 21
4.2.3指定单一测量波长子vi 21
4.2.4 NI采集卡子vi 22
4.2.5斜率算法子vi 23
4.3小结 25
第5章 标定系统功能测试与实验验证 26
5.1标定系统功能测试 26
5.2标定系统实验验证 27
5.3小结 30
第6章 总结与展望 31
6.1 总结 31
6.2展望 31
参考文献 32
致谢 33
第1章 绪论
1.1课题研究的背景和意义
当前我们的社会正处于一个高度信息化的时代,传感器技术作为信息获取和信息交换的重要技术手段之一,受到世界各个国家的普遍关注和大力发展[1]。几年来,传感器在工业制造业领域的发展和应用迎来了爆发性的增长,从2012年到2017年,市场规模由862亿美元突破至2000亿美元,类型和品种达到了2.6万余种。随着信息化时代的不断深入,以新型传感器技术为核心的相关制造业将成为世界主要国家的先导性、战略性支柱产业之一,具有广阔的市场前景。
氢作为一种重要的清洁能源和工业原料被广泛应用于氢能汽车、航空航天、半导体工业、电力设施及化工等领域[2]。然而氢气的化学性质活泼,气态状态下易燃易爆而且易扩散特性使其成为工业生产中的危险源之一。特别是在核电行业中,由于锆-水相互作用而在安全壳中产生和积聚的氢气是核电厂严重事故期间监管机构最关注的问题之一[3]。1986年的切尔诺贝利事件就是由于高温下的水蒸气与石墨慢化沸水反应堆中的石墨发生反应生成氢气,并在高温下发生爆炸,最终造成了一场空前的灾难[4]。2011年福岛核电站由于冷却系统故障,反应堆内冷却水平面下降导致堆芯裸露。燃料棒外壳发生锆-水反应生成大量氢气,封闭在安全壳之内发生了爆炸,最终造成堆芯熔化,产生核泄漏[5]。因此需要灵敏、安全可靠的传感技术对其进行浓度检测或泄露报警以保障人民生产生活的安全[6]。
光纤氢气传感器是利用敏感物质(主要为钯或钯合金)在吸收氢气之后产生的物理性质变化(如折射率、透/反射率或体积膨胀)直接或间接调制光纤器件中的光信号来反映氢气浓度的一种新型传感器。与传统的电阻式和电化学式等基于电特性原理的氢气传感器相比,光纤氢气传感器采用全光信号感知并传输氢气浓度信息,除了可以完全避免由电路短路、火花引起的安全问题外,其具有的单一气体选择性、抗电磁干扰、灵敏度高、体积小、重量轻及易遥测组网等众多优点,十分适合于氢气浓度的测量[7]。
虽然目前国内外已有几大类十余种不同结构的光纤氢气传感器原型机得到报道,但是这些成果还仅限于实验室研究,没有成熟的商业化产品出现。其中难点在于,对传感器关键敏感薄膜元件的制备工艺及其气体响应特性还有待大量的标定测试及分析研究(包括了主要敏感成分配比、物理/化学成膜方法、微纳加工手段和膜层复合保护工艺等等)。为了满足实验室研究需要,减轻科研工作者大量重复性劳动,同时面向实际生产中的产品检验检测要求,本文针对透射式光纤氢气传感器设计了一套自动标定系统。该系统能满足光纤氢气传感器主要响应特性参数的标定工作,对提升传感器敏感元件的实验研发效率,加快传感器产品转化,推动新型传感器产业发展具有重要意义。
1.2国内外发展现状和发展趋势
国内外对于自动标定系统作了大量研究,Ballico等人[8]研制了一套低温恒温器标定系统,通过PID调节控制液氮流量和热量输入实现-202~-250℃温区的自动控温过程,在24h之内完成了全温区共16个点的控温标定;2013年,Enrico[9]使用IMEP,排气温度和爆震强度来定义目标函数,并使用SA和AFR作为控制变量的标定方法,结果表明可以快速的实现燃烧控制参数的设置。2010年,Qinetal[10]提出了一种利用定标色散曲线局部线性特征实现波长标定的方法,节省了人工消耗及标定时间。该方法是在现有理论基础上,利用光谱色散实验测出光谱N条谱线对棱镜的折射率后,通过多项式拟合得到了波长和折射率的经验关系,即色散特性函数,由此完成标定。
虚拟仪器技术,是把传统仪器由硬件实现的数据处理和显示改由功能强大的计算机实现,也就是用户在通用计算机平台上根据测试任务的需要来定义和设计仪器的测试功能,其实质是充分利用计算机来实现和扩充传统仪器功能,灵活、通用,自动化程度高。和复杂、繁琐而且价格昂贵的硬件采集和信号处理相比,Labview开发的软件处理微弱信号效率高,速度快,目前在各个领域得到广泛的应用,具有强大的数据处理功能[11]。虚拟仪器技术综合了计算机技术、数字信号处理技术、标准总线技术和软件工程方法,代表了仪器测量与自动测试系统未来的发展方向。
我国第二炮兵学院的汪立新等人[12]设计了基于虚拟仪器技术的陀螺自动化测试系统,实现了能同时测量八块陀螺仪,完成陀螺仪的各种实验和性能指标的实验。相比于原来人为影响大,精度差,效率低而且测试数据无法进行自动管理的手动测试方法,陀螺自动化测试系统能完成陀螺仪批量自动测试任务,标定其误差参数及其它相关参数,鉴别其技术性能,完成相关实验工作,实现测试数据的自动管理,而且系统测试精度高、测量速度快,已应用于工厂的大批量测试。福州大学物理与信息工程学院的魏榕山等人[13]开发了基于Labview的MEMS传感器自动标定校准系统,解决原来人工标定校正存在耗时长、数据可靠性差和精度不佳的缺点,实现了标定过程自动化,缩短了标定时间,提高了传感器数据精度和可靠性,误差保持在0.49%以内,满足实际需求,并且具有一定的推广和工程应用价值。
目前的光纤氢气传感器方面研究还只是局限于实验室,由于成本和工艺的限制,其发展还存在许多不足。因此设计出能够自动快速多次循环测量光纤氢气传感器的零点漂移、使用寿命、老化特性以及灵敏度的光纤氢气传感器自动标定系统,可以极大加快光纤氢气传感器的产品化进程,有着广阔的市场前景和较高的实际应用价值。
1.3本文研究内容
就国内外关于光纤氢气传感器自动标定方面的不足,本文着重于研究光纤氢气传感器自动标定系统,通过搭建的光路子系统、气路子系统、上位机信号采集与处理系统以及上位机系统实现光纤氢气传感器的自动化标定。本文共六章,分别如下:
第一章,通过分析光纤氢气传感器的优势、市场上日益增加的巨大需求以及大批量生产的困难,阐明了本课题光纤氢气传感器自动标定系统的研究目的及意义。
第二章,通过纳米颗粒膜感氢机制、金钯核壳结构纳米颗粒膜的制备以及纳米颗粒和纳米颗粒膜的表征分析,展示了氢敏纳米膜的制备过程。
第三章,通过光路子系统、上位机信号采集与触发子系统、气路子系统的搭建,展示了传感器自动标定系统硬件的整体搭建。
第四章 通过光谱仪子vi、指定测量波长范围子vi、指定单一测量波长子vi、NI采集卡子vi、斜率算法子vi的建立,展示了传感器自动标定系统软件的搭建。
第五章 通过自动标定系统的功能测试和实验验证过程,展示了传感器自动标定系统的整体功能。
第六章 通过总结与展望,表达了对本文介绍的光纤氢气传感器自动标定系统以取得的成绩的肯定以及进一步深入拓展的可行性。
第2章 氢敏纳米膜的制备
目前,经过大量的研究,纳米颗粒膜的制备方法有原子层沉积法、模板法、热处理法及自组装法等,不过采用这些方法制备的纳米颗粒膜普遍具备粒径、覆盖率不可控的问题。因此本文提出了一种全新的纳米颗粒膜的制备方法,即提拉法。通过多种表征研究表明,提拉法制备的纳米颗粒膜具备粒质均匀、形貌一致、分散性及结晶性良好,通过调制溶液浓度可以得到厚度均匀、致密性好的纳米颗粒薄膜。
2.1纳米颗粒膜感氢机制
早在1866年Graham就发现钯金属可以大量吸收氢气,使氢原子在晶胞内快速扩散,但对其他气体却没有这种特性,进而明确Pd对氢气具有高选择性。因此如今的氢气传感器绝大部分是都是以Pd作为氢敏材料。
纳米颗粒膜的不连续结构,使其在吸氢膨胀后的纳米颗粒之间存在间隙,多次循环后不会出现开裂失效现象,有着良好的可靠性。其中,Au-Pd核壳结构纳米颗粒膜与氢气的相互作用的过程如图2-1。

图2-1 Au-Pd核壳结构纳米颗粒膜与氢气的相互作用[14]
向纳米颗粒膜通入一定浓度的氢气,Pd壳会将吸附到其表面的氢分子分解为氢原子,随后氢原子会在外部压力的作用下从晶格间隙扩散到Pd壳内部,随着Pd壳内的氢原子的不但增加,内部的压力也不断增加。当外部压力不变时,Pd壳吸氢和脱氢速率随着内部压力的增大逐渐接近并最终相同,达到动态平衡状态。而当外部压力下降时,膜内的压力大于外界,导致脱氢速率大于吸氢速率,膜内的压力逐渐减小,最后与外界又达到平衡状态。
2.2金钯核壳结构纳米颗粒膜的制备
研究中分两步制备Au-Pd核壳纳米颗粒膜,包括纳米颗粒合成及薄膜沉积工艺,过程所用的主要试剂及仪器如表2-1、表2-2所示。
表2-1 纳米颗粒合成所用的主要试剂
|
试剂名称 |
化学式 |
纯度 |
生产公司 |
|
三水合氯金酸 |
HAuCl4bull;3H2O |
ge;99.9% |
阿拉丁试剂(上海)有限公司 |
|
氯化钯 |
PdCl2 |
59-60%Pd |
百灵威科技 |
|
抗坏血酸 |
AA |
ge;99% |
阿拉丁试剂(上海)有限公司 |
|
盐酸 |
HCl |
标准溶液 |
天津科密欧化学试剂有限公司 |
|
无水乙醇 |
CH3CH2OH |
99% |
阿拉丁试剂(上海)有限公司 |
|
甲苯 |
C6H5CH3 |
ge;99.5% |
国药集团化学试剂有限公司 |
|
十八胺 |
C18H39N |
ge;97% |
阿拉丁试剂(上海)有限公司 |
|
柠檬酸钠 |
C6H5Na3O7 |
99% |
阿拉丁试剂(上海)有限公司 |
表2-2 纳米颗粒的合成及薄膜沉积所用的主要设备
|
仪器名称 |
规格型号 |
生产厂家 |
|
超声波分散仪 |
KQ-100 |
昆山市超声仪器有限公司 |
|
磁力搅拌器 |
85-1 |
上海司乐仪器有限公司 |
|
高速台式离心机 |
H1650-W |
湘仪离心机仪器有限公司 |
|
分析天平 |
XS-104 |
梅特勒-托利多国际股份有限公司 |
|
等离子表面处理机 |
TS-PL02 |
深圳东新高科自动化设备有限公司 |
相比于连续膜,金钯核壳结构纳米颗粒膜是不连续的单层膜,能够更好的适应于氢气浓度变化的较高灵敏度、较高响应速度测量,使得响应时间大大的缩减。金钯核壳结构纳米颗粒膜包括柔性衬底、金-钯纳米颗粒两部分。
金-钯纳米颗粒的制备:
1. 将三水合氯金酸用标准溶液稀盐酸稀释至0.01wt%氯金酸溶液,随即加热至沸腾,加入1mM柠檬酸钠溶液,剧烈搅拌1h得到直径12nm的金纳米颗粒溶液。依据上述制备方法制备好的金纳米颗粒溶液如图2-2。

图2-2 12nm金纳米颗粒溶液
2. 向100ml所述金纳米颗粒溶液中加入12ml抗坏血酸,将氯化钯用标准溶液稀盐酸稀释的100ml 1mM氯钯酸溶液,超声震荡30s,搅拌1h得到金核直径约为12nm,钯壳厚8nm的金钯核壳纳米颗粒。
另外,在金钯-颗粒的制备过程中氯金酸溶液浓度越高,金核直径越大;氯钯酸溶液浓度越高,钯壳浓度越大。依据上述制备方法制备好的金钯核壳纳米颗粒溶液如图2-3。

图2-3金钯核壳纳米颗粒溶液
柔性衬底的制备:
1. 将石英晶片用无水乙醇超声清洗1min,干燥后等离子清洗3min,提高石英晶片的表面亲水性。
2. 将液态弹性材料和固化剂混合,搅拌均匀后5000-12000rpm离心去气泡,在石英晶片上滴加0.5ml的PDMS,以500rpm、1000rpm、2000rpm、3000rpm依次旋涂5s、5s、5s、60s。
3. 将所述载玻片置于温控箱加热,PDMS固化后得到印有纳米光栅结构的柔性衬底(此时尚不揭下PDMS)。
金钯核壳结构纳米单层膜的制备:
1.向10ml十八烷甲苯溶液(0.02mM)中加入5ml上述金钯核壳结构纳米颗粒溶液,剧烈搅拌30min,使十八烷缀在钯壳表面,将上述纳米颗粒由亲水转换成疏水。
2.在培养皿中加入液面高5mm的超纯水,搅拌完成后取油相溶液滴加到超纯水表面,盖上培养皿,静置30min,等待甲苯蒸发。
3.甲苯完全蒸发后,将所述载玻片垂直液面法线(附有PDMS一面向下)以0.1mm/s的速度缓慢向液面运动,接触液面暂停10s后以0.1mm/s速度脱离液面,蒸发后揭下PDMS,得到印有覆盖单层金钯核壳结构纳米颗粒单层膜的光栅结构的柔性衬底。
2.3纳米颗粒以及纳米颗粒膜的表征分析
2.3.1纳米颗粒的表征分析
纳米颗粒膜进行了表征分析研究,其中所用到的主要设备如表2-3
表2-3 纳米颗粒及纳米颗粒膜表征测试所用主要设备
|
仪器名称 |
规格型号 |
生产厂家 |
|
场发射扫描电子显微镜 |
Zeiss Ultra Plus |
德国蔡司 |
|
场发射高分辨率透射电子显微镜 |
JEM-2100F |
日本电子 |
以上是毕业论文大纲或资料介绍,该课题完整毕业论文、开题报告、任务书、程序设计、图纸设计等资料请添加微信获取,微信号:bysjorg。
相关图片展示:
















