Asup2;O工艺的污水处理的PLC控制系统设计毕业论文
2020-04-12 16:47:56
摘 要
污水处理是如今国家非常重视的环境整治项目之一,污水能否得到好的处理将直接影响水资源的利用率以及对环境的危害程度。我国城市污水处理已经得到了好的发展,但大多数中小型城镇仍处于亟待发展的阶段,如何高效省力地发展城镇污水处理技术已经成为当前的一个重要课题。
本文以宜昌市点军第二污水处理厂项目作为研究背景,点军第二污水处理厂工程设计规模近期5万m3/d,远期10.0万m3/d,近期先实施2.5万m3/d规模。近期拟定污水厂收集的污水中,以生活污水为主。污水处理工艺方案采用预处理+生物处理。预处理工艺采用粗格栅+细格栅+沉砂,生物处理工艺方案采用改良A2/O工艺。污泥处理工艺方案采用机械浓缩脱水处理工艺,浓缩脱水设备采用离心式浓缩脱水一体机,脱水后污泥外运至宜都华新水泥厂焚烧处置。针对该污水处理工艺特点,设计了一套各PLC站对附近设备进行信号采集和控制、上位机通过网络和各PLC站通信、组态软件实现中央控制,由此建立一套污水处理厂的自动控制系统,同时也对污水处理厂的电气控制系统进行设计与实施。项目运用了PLC控制、电气控制、组态软件、以太网通讯以及仪表在线检测等技术,选用了施耐德的PLC及Unity pro编程软件,并确定了各类仪表设备,构建了污水处理厂的电气控制系统。
关键词:A²/O工艺,污水处理,PLC,自控系统,组态软件
Abstract
Sewage treatment is one of the most important environmental remediation projects in the country. The good treatment of sewage will directly affect the utilization rate of water resources and the degree of harm to the environment. The urban sewage treatment in China has been developed well, but most of the small and medium-sized cities and towns are still in the stage of urgent development. How to efficiently and efficiently develop urban sewage treatment technology has become an important issue.
This paper takes the project of the second sewage treatment plant in Yichang as the research background. The project design scale of the No. second sewage treatment plant of the spot army is 50 thousand m3/d in the near future and 100 thousand m3/d in the long term. The scale of 25 thousand m3/d is first implemented in the near future. Recently, sewage treatment plants are mainly collected from domestic sewage. The wastewater treatment process is treated by pretreatment biological treatment. The pretreatment process adopts coarse grille fine grille sand grit, and the biological treatment process adopts the improved A2/O process. The process of sludge treatment was treated by mechanical concentration and dehydration, and the centrifuge condensing and dewatering machine was used for the dewatering equipment. After dehydration, the sludge was transported to the Huaxin Cement Plant in Yidu to be burned. In view of the characteristics of the wastewater treatment process, a set of PLC stations is designed to collect and control the nearby equipment, the upper computer through the network and the PLC station communication and configuration software to realize the central control. Thus a set of automatic control system for the sewage treatment plant is set up, and the electrical control system of the sewage treatment plant is also designed. And implementation. The project uses the technology of PLC control, electrical control, configuration software, Ethernet communication and instrument on-line detection. It uses Schneider's PLC and Unity Pro programming software, and determines various instrument and equipment, and constructs the electrical control system of the sewage treatment plant.
Key words: A ²/O process, sewage treatment, PLC, automatic control system, configuration software
目 录
摘 要 I
Abstract II
第1章 绪 论 1
1.1 课题的来源及研究的目的和意义 1
1.2 国内外现状分析 1
1.3 总体设计内容及章节安排 2
第2章 污水处理工艺设备 3
2.1 污水处理工艺 3
2.1.1污水处理工艺选择 3
2.1.2污水处理工艺流程 4
2.2 污水处理设备 4
第3章 污水处理自控系统总体方案设计 9
3.1 污水处理控制系统的功能及要求 9
3.2 自控系统总体设计 9
3.3 自控系统设备选择 10
3.3.1PLC特点 11
3.3.2PLC选型 12
第4章 PLC控制软件程序设计 14
4.1软件总体设计 14
4.2格栅自动控制 15
4.2.1粗格栅液位计变量设置 15
4.2.2粗格栅进出水闸门控制变量设置 16
4.2.3细格栅变量设置 17
4.3进水泵房自动控制 17
4.4除砂装置的自动控制 17
4.5鼓风机房曝气装置的自动控制 18
4.6生物池设备的自动控制 20
4.7二沉池设备的自动控制 22
4.8出水仪表间自控系统 23
4.9导入变量 23
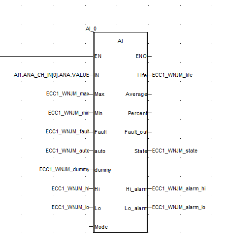
4.10PLC1程序设计 25
4.11PLC2程序设计 28
4.12PLC3程序设计 30
4.13联动调试 33
第5章 组态系统设计 34
5.1组态软件功能 34
5.2通信方式 34
第6章 总结 35
参考文献 36
致 谢 37
第1章 绪 论
随着政府对环境保护工作的日益重视,污水处理工程越来越受到人们的关注。污水处理工程设备繁多,工艺复杂。通过工业自动控制技术、计算机技术、网络通信技术和组态软件的结合,可以设计并实现污水处理的自动控制系统。过程监控层采用光纤冗余工业以太网。并通过PLC控制系统和监控系统软件的设计来实现全场设备的自动控制。通过提高污水处理设施的自动化水平,优化污水处理工艺,达到降低污水处理工作量、提高污水处理效率的目的。
课题的来源及研究的目的和意义
环境整治是国家目前放在重要地位的一个项目,污水处理技术对于水资源的保护有着重要的意义。目前,大中型城市的污水处理已经发展比较成熟,一般能够将污水处理达到排放要求,但在一些乡镇由于技术缺失,污水未能得到及时处理,严重污染水体和环境。因此大力发展污水处理技术能够带来巨大的社会效益和经济效益,但这需要有关部门的大力支持,首先就需要确定适合地方性的污水处理技术。要想实现污水处理系统的持续稳定运行,采用一套有效的污水处理自动控制技术,实现设备的自动化是必不可少的因素。结合工程实例,课题基于宜昌市点军第二污水处理厂项目,充分考虑污水处理工艺技术和自动控制技术,提出了一种A²O工艺的污水处理的PLC自动控制系统,并对此系统进行设计。
1.2 国内外现状分析
目前国外发展的污水处理方法有三种:生物降解法、膜吸附法、过滤法和电磁法。生活污水处理设备具有品种不全、结构不合理、技术水平低、产品质量不稳定等特点。我国生产的设备在很大程度上依赖于国外相关设备的建设,然后通过自身消化、研发和生产实践,逐步填补国内空白,并在此基础上继续发展。因此,国内设备在未来相当长的一段时间内将处于不利地位,特别是先进设备的技术保密性和知识产权保护意识,其竞争力将在未来的市场上得到检验。
目前,在水污染控制技术,中国已能提供多种技术,如传统的活性污泥工艺,各种新的活性污泥工艺,如SBR和氧化沟技术、酸化水解-好氧工艺及各类稳定塘技术。污水处理技术的水污染起到了突出的作用和水环境的改善,这表明中国的工业污水处理已经发展到一个新的阶段。目前,在中国的工业污水处理的重点已经从工艺技术的研究转向对具体项目实施。
1.3 总体设计内容及章节安排
本课题主要设计的内容是工业污水处理工艺及工业污水处理控制系统的组
以上是毕业论文大纲或资料介绍,该课题完整毕业论文、开题报告、任务书、程序设计、图纸设计等资料请添加微信获取,微信号:bysjorg。
相关图片展示:









