基于虚拟仪器的光伏电池电致发光图像采集系统设计毕业论文
2020-04-12 16:24:12
摘 要
近几年,随着绿色能源需求量的急剧增长,太阳能组件的产量也以迅猛之势持续扩大,多种光伏发电技术相继产生,聚光光伏发电是一种可以有效提升发电效率并且成本较低的技术,该技术具有很大的潜力和应用前景。聚光光伏组件中的核心器件是多结太阳能电池,但是由于多结太阳能电池的原材料和制造成本都较高,制造工序比较复杂等原因导致多结太阳能电池的生产效率较低,成本较高。为了使光斑在电池表面均匀分布,提高电池的发电效率,人们常常在电池上粘合二次镜进行匀光。复杂的加工工艺使电池容易遭受损坏,造成一些缺陷,这严重影响了电池的性能以及可靠性,光伏电池在高温和高功率的工作环境下更容易失效,因此需要对光伏电池进行有效并且快速的检测。
针对上述问题,本研究利用砷化镓基光伏电池在正向偏置电压下会发出可见红光的原理,搭建了光伏电池表面缺陷检测系统,系统采用相机拍摄并采集砷化镓基光伏电池的电致发光图像,通过虚拟仪器LabVIEW软件实现对砷化镓基光伏电池表面缺陷比较清晰的辨别以及电池伏安特性曲线的显示、分析和保存,对电池的黑斑、显裂、边缘损坏、局部暗色等缺陷进行归纳总结。实验结果表明,该检测系统可快速、准确地找到缺陷所在的位置,并且为砷化镓基光伏电池的质量检测和组件生产提供一种可靠的依据和参考。
关键词:砷化镓基光伏电池;电致发光;虚拟仪器;缺陷;伏安特性曲线
Abstract
In recent years, with the rapid increase in the demand for green energy, the output of solar modules has also continued to expand with a rapid momentum. A variety of photovoltaic power generation technologies have emerged one after another. Concentrating photovoltaic power generation is a method that can effectively improve power generation efficiency and at a lower cost. The technology has great potential and application prospects. The core device in a concentrating photovoltaic module is a multi-junction solar cell, but due to the high raw material and manufacturing cost of the multi-junction solar cell, and the complicated manufacturing process, the multi-junction solar cell has low production efficiency and high cost. In order to make the light spot evenly distributed on the surface of the battery and improve the power generation efficiency of the battery, people often adhere the secondary mirror on the battery for uniform light. The complicated processing technology makes the battery vulnerable to damage and causes some defects, which seriously affects the performance and reliability of the battery. Photovoltaic cells are more prone to failure in a high temperature and high power working environment, and therefore photovoltaic cells need to be effective and fast. Testing.
In view of the above problems, the present study uses a gallium arsenide-based photovoltaic cell to emit visible red light under a forward bias voltage, and a photovoltaic cell surface defect detection system is built. The system uses a camera to capture and collect gallium arsenide-based photovoltaic cells. Electroluminescent image, through the virtual instrument LabVIEW software to achieve a clear comparison of the surface defects of gallium arsenide-based photovoltaic cells and the display, analysis and preservation of the battery volt-ampere characteristic curve, the black spots, cracks, edge damage, local Dark colors and other defects are summarized. The experimental results show that the detection system can quickly and accurately find the location of the defect, and provide a reliable basis and reference for quality inspection and module production of GaAs-based photovoltaic cells.
Key Words:Gallium arsenide photovoltaic cell; electroluminescence; virtual instrument; defect; Volt-ampere characteristic curve
目 录
第1章 绪论 1
1.1 研究背景 1
1.2 论文研究的目的和意义 2
1.3砷化镓基太阳能电池研究进展 2
1.4论文的主要研究内容 3
第2章 砷化镓基光伏电池检测原理及方法 4
2.1 电致发光原理 4
2.2实验硬件设备 4
2.2.1砷化镓基光伏电池 4
2.2.2电致发光测试硬件 6
2.2.3伏安特性曲线采集硬件 6
2.3实验软件设备 8
2.3.1虚拟仪器 8
2.3.2LabVIEW软件 8
第3章 基于LABVIEW的检测系统开发 9
3.1虚拟仪器测试方案设计 9
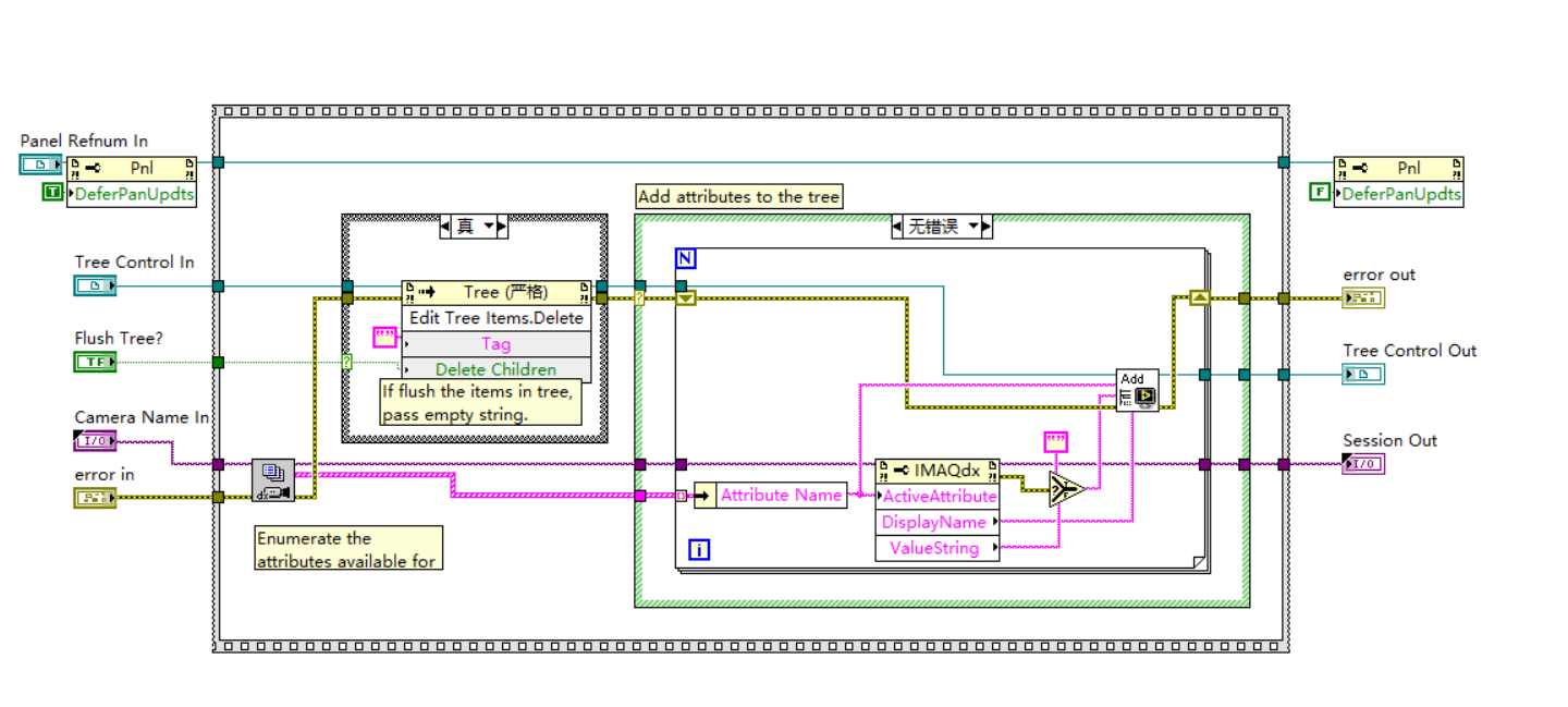
3.2上位机软件开发 10
3.2.1图像采集模块程序设计 10
3.2.2I-V曲线采集模块程序设计 16
3.2.2登录界面的设计 16
第4章 砷化镓基光伏电池电致发光图像分析 24
4.1黑斑缺陷电池 24
4.2局部暗色电池 25
4.3显裂缺陷电池 26
4.4边缘损坏电池 27
第5章 总结 29
参考文献 30
致谢 32
第1章 绪论
随着环境污染的日益加重,人类社会环境逐渐恶化,新型能源越来越受到人们的重视,太阳能作为可以被光伏系统利用的能源,对可持续的能源供应做出了重大贡献。光伏系统也因维护方便、安装简单、成本较低等特点成为了一种新型的技术。而在光伏电池组件的生产加工过程中,除了材料自身的缺陷外,自动化生产线上对电池片的多次加工也会加大电池片的损坏率,使得光伏电池出现黑斑、局部暗色、显裂、边缘损坏等缺陷问题。LabVIEW是一款非常实用的虚拟仪器设计软件,不仅对于数据采集、处理、显示等有规模强大的控件,而且还包括诸如文本、图形等控件,通过LabVIEW 编程,可以实现对光伏电池电致发光图像的采集和处理,大大提高了光伏电池组件缺陷的检测效率。
- 研究背景
21世纪以来,国际化石燃料价格日益波动,化石燃料燃烧造成的环境污染问题日益突出。在中国,煤炭作为主要的燃料使得污染在能源消费活动中大肆传播,因此,传统能源消费方式对环境以及健康的影响将是未来中国社会经济发展的突出问题之一。环境的污染使得经济社会的稳步发展和能源需求之间的矛盾进一步加剧。如何找到可再生清洁能源作为补充或替代品是每个国家的决策者和新能源制造商的重要问题。丰富的太阳辐射作为取之不尽的无污染廉价能源无疑具有很大的发展潜力。近几年光伏发电技术发展迅猛并逐渐实现产业化,然而目前光伏发电成本仍然较高,如何提高太阳能电池的转换效率,降低光伏发电系统的成本是研究中急需解决的问题。
为了解决这一难题,人们将高倍聚光技术应用到光伏发电中,聚光光伏技术是指人们利用光学元器件,例如菲涅尔透镜或者碟式反射镜等将太阳光汇聚成高倍光,然后通过高转换效率的多结太阳能电池,实现光能转化为电能的技术。目前,对该技术研究比较成熟的是美国波音公司旗下的Spectrolab、Emcore公司。Spectrolab公司一直致力于研发四结、五结甚至六结太阳能电池,他们认为太阳能电池的转换效率会随着结数的增加而提高,最高可达到极限理论值72%。Emcore公司主要对IMM三结太阳电池进行研究,在未来几年能够使其转换效率达到45%。在我国,中国电子集团18研究所、三安光电和科达光电等研究机构一直致力于聚光光伏技术的研究,目前国内大型CPV电站已成功建立,但是目前的CPV系统仍存在一些监控维护、使用寿命等问题,需要我们在长期的研究过程中寻找有效的解决方案。我国聚光光伏技术与发达国家相比差距并不大,只要借鉴先进的技术,努力探索,不久便会赶超发达国家[6]。
1.2 砷化镓基太阳能电池研究进展
以上是毕业论文大纲或资料介绍,该课题完整毕业论文、开题报告、任务书、程序设计、图纸设计等资料请添加微信获取,微信号:bysjorg。
相关图片展示:









