回转窑大直径动态测量仪设计 毕业论文
2020-04-12 16:16:10
摘 要
回转窑是水泥生产的核心设备,它的工作情况的好坏决定着企业产品的产量及利润。回转窑主要由传动装置、筒体、轮带和托轮等组成,托轮通过轮带对窑筒体起支撑作用。回转窑长期在高温、重载、多尘的恶劣环境下一年365天不间断旋转运行,导致托轮与轮带之间磨损较快。托轮与轮带之间接触面的圆柱度情况及其直径变化是企业关注的重点,如果其磨损和直径圆柱度变形比较大,会直接影响窑的正常生产。为了保证回转窑正常运行,需要定期对回转窑进行检测,其中对窑托轮与轮带的测量是重要检测项目之一,由此可以获得回转窑托轮与轮带的磨损情况,也为如何调整回转窑提供了数据支持。
本文主要研究工作有:对回转窑轮带与托轮直径测量仪器进行了详细的介绍,先说明基于滚轮法的测量直径原理,再介绍仪器结构各个部分的详细情况。测量仪器主体结构有:机械装置组成有:滚轮和滚轮轴、转动机构、固定装置、延长装置等
电子系统组成有:接近开关、编码器、单片机系统、显示装置。以上各个部分的作用分别是:接近开关通过测量轮带与托轮的旋转周期来控制单片机计数通道的通断,编码器:随着滚轮轴一起旋转并发出脉冲,单片机系统通过对接收到的脉冲数进行处理并通过程序计算出被测量轮带与托轮的直径结果,显示装置:显示测量出来的直径本仪器具有成本低廉、造型小巧、操作简单的优点。
关键字:回转窑;托轮;轮带;直径;测量
Abstract
Rotary kiln is the core of the cement production equipment, its working condition is good or bad determines the enterprise product output and profit.Rotary kiln is mainly composed of transmission device, shell, kiln tire and roller, roller by kiln tire for kiln cylinder supporting role.Rotary kiln at high temperature for a long time, overloading, dusty under the bad environment of 365 days a year non-stop rotation, causes between the roller and kiln tire wear faster.Contact area between wheel and kiln tire of cylindricity and diameter change is the focus of enterprise, if its wear and cylindricity deformation is large in diameter, will directly affect the normal production of kiln.In order to ensure the normal operation of rotary kiln, need on a regular basis to test the rotary kiln, the measuring of kiln roller and kiln tire which is one of important test items, thus can obtain rotary kiln roller and kiln tire wear, also provides data support for how to adjust the rotary kiln.
In this paper, the main research work are: kiln tire for rotary kiln and roller diameter measuring instrument has carried on the detailed introduction, first, on the basis of the principle of roller method of measuring diameter the details of each part of the instrument structure are introduced.Measuring instruments subject structure are: mechanical device are: roller, roller shaft and rotating mechanism, fixed device, extension device, etc.
Electronic system composition are: proximity switch, encoders, single-chip microcomputer system, display device.The role of each part of the above are: proximity switch by measuring the kiln tire and the rotation of the wheel cycle to control the on-off of single-chip microcomputer count channel, encoder, together with the roller shaft rotation and pulse, the number of pulse received by the single-chip microcomputer system is measured and calculated by the program kiln tire and the diameter of the roller as a result, the display: display measured the diameter of this instrument has the advantages of low cost, cabinet modelling, the operation is simple.
Key words:The rotary kiln;Roller;Kiln tire;Diameter;Measurement
目录
第1章 绪论 1
1.1 课题研究的目的、意义 1
1.2 本课题有关的研究现状 1
1.3 研究内容 2
第2章 测量原理及方法介绍 3
2.1 测量原理 3
2.2 测量方法和工作原理介绍 3
第3章 测量仪器介绍 5
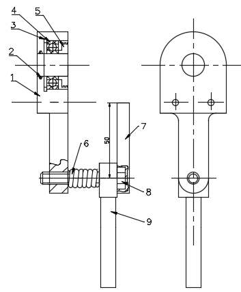
3.1 直径测量仪组成介绍 5
3.2 机械装置介绍 5
3.2.1 滚轮和滚轮轴的结构 5
3.2.2 滚轮轴和旋转编码器间的联轴器型号的选择 7
3.2.3 测量仪器滚轮轴转动机构 8
3.2.4 延长杆和延长杆连接结构 9
3.2.5 底板结构图 10
3.2.6 测量仪器总体结构图 10
3.3 控制部分介绍 11
3.3.1 单片机选择 11
3.3.2 液晶显示器选择 12
3.3.3 霍尔接近开关选择 14
3.3.4 旋转编码器选择 15
3.3.5 电源电路设计 19
3.3.6 复位电路、晶振电路设计 20
3.3.7 硬件电路总体电路 20
3.3.8 测量程序设计 21
第4章 测量仪器误差 23
4.1 误差介绍 23
4.2 测量仪器系统误差分析 23
4.3 滚轮误差分析 24
4.4 编码器计数误差分析 24
4.5 误差结果分析 25
总结 26
参考文献 28
附录一:单片机程序 29
致谢 39
第1章 绪论
1.1 课题研究的目的、意义
在建材、水泥等很多行业中,广泛地利用回转窑来加工或生产成品。回转窑的出现使得水泥行业的成品产量得到了大幅度的提高,加快了水泥行业的发展,由于回转窑产量大的优势吸引了一大批研究人员对其进行研究,使得水泥回转窑的发展越来越快,产量也越来越高。
水泥回转窑从结构上可大致分为5部分,分别是:筒体、轮带、支承装置、传动装置、密封装置。各部分功能如下。筒体:是将预热器预加热的熟料煅烧成水泥的煅烧装置。轮带:回转窑筒体等所有回转部分的重量均通过轮带传递到支承装置上,可以防止筒体磨损过大,起到保护筒体的作用。支承装置:承受着整个水泥回转窑的全部重量,对筒体起着支撑作用,使回转窑的筒体部分可以在半空中安全平稳的运转,支承装置由托轮、托轮轴、挡轮及底座等部分构成。[1]传动装置:通过减速设备将转矩传递到回转窑筒体上的大齿圈上,使回转窑做慢速回转运动。
回转窑的工作环境非常恶劣,水泥回转窑是生产水泥的地方,可以看出现场环境灰尘比较多。而生产水泥的话需要煅烧工艺,并且煅烧温度还在1400摄氏度以上,所以回转窑的筒体也非常热并且也会导致周围环境温度比较高。在水泥生产过程中,回转窑可能一次运转就是半年。回转窑在长期生产水泥过程中,其轮带可能会出现磨损的状况,而托轮也许会因为受力不均匀的原因出现严重的托轮圆度变形问题,因此每年要定时检查回转窑托轮或轮带的直径值有无太大的变化,通过知道回转窑轮带或托轮直径的磨损值的大小,可以了解回转窑整体运转状况,为如何调整窑体提供数据支持。
1.2 本课题有关的研究现状
国内现有测量回转窑等大直径回转体直径的方法有:(1)弓高弦长法;(2)经纬仪测量法;(3)滚轮测量法。其中方法(1)通过对回转体一段圆弧的弓高和弦长进行测量间接计算出该回转体的直径,只能够在停窑冷却条件下进行,不能够得到窑运行时的直径数据;方法(2)利用几何关系,通过直接测量某些边长、高度或角度来间接算出待求直径,需要使用测量设备,测量精度低,测量时难度较大,无法满足便于携带的特点;方法(3)使标准滚轮与被测回转窑在一定压紧力下的作用下,进行无滑动的相对滚动运动,通过两轮的转数比及标准滚轮直径,便可算出被测直径的大小,测量误差小,操作简单,成本低,体积小。[2]
其中,滚轮法作为一种应用最广泛的大直径测量方法,长期被大量研究人员进行各个方面的研究。由于滚轮法设备的简单及误差较小的特性,使之被广泛关注和运用。滚轮法测量中的误差主要是滚轮与托轮或轮带之间的打滑,滚轮的受力变形误差、生产精度误差、热膨胀误差,编码器受到现场恶劣环境影响产生误差等。[3]
以上是毕业论文大纲或资料介绍,该课题完整毕业论文、开题报告、任务书、程序设计、图纸设计等资料请添加微信获取,微信号:bysjorg。
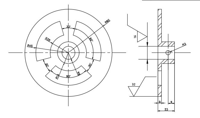
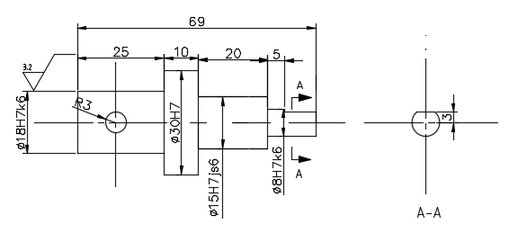
相关图片展示:








        
            
