东风标致308轿车前麦弗逊悬架减震器设计毕业论文
2020-02-17 19:22:32
摘 要
悬架是车辆的重要组成部件,对车辆在行驶过程中的平顺性和操作稳定性有着决定性的作用,同时,平顺性和操作稳定性也是车辆悬架系统设计的目的。
由于汽车的行驶过程就是一个不断随着行驶速度以及路面状况变化的随机振动过程,并且汽车的平顺性以及操作稳定性对悬架的要求是相互影响的,要想提高汽车的平顺性,那么就应该使悬架的阻尼小一些;要是想提高汽车的操作稳定性,那么就应该使得悬架的阻尼大一些。悬架阻尼比的选取往往需要根据汽车的用途以及车辆的悬架系统参数来确定。本文在对汽车二自由度模型进行分析后,选择了基于舒适性的车辆悬架阻尼比设计方法,再确定减振器的复原行程以及压缩行程的阻尼系数,从而确定减振器的速度特性。在确定减振器的速度特性之后,需要对减振器阀系统的参数进行设计。对于减振器阀系统的参数设计大多数是采用经验和反复试验的方法,本文采用黄金分割点的方法对减振器的阀系统参数进行设计。再对减振器的主要部件进行强度校核,以验证减振器的合理性。最后对减振器进行Simulink建模仿真,分析不同的参数对减振器的阻尼特性的影响。
关键词:减振器,参数设计,黄金分割
Abstract
Suspension is an important component of the vehicle. It plays a decisive role in the smoothness and operational stability of the vehicle during driving. At the same time, the smoothness and operational stability are also the purpose of the vehicle suspension system design.
Since the driving process of the car is a random vibration process that constantly changes with the driving speed and the road surface condition, and the ride comfort and operational stability of the car are mutually influential, in order to improve the ride comfort, then The damping of the suspension should be made smaller; if you want to improve the operational stability of the car, you should make the suspension more damped. The selection of the suspension damping ratio often needs to be determined according to the purpose of the vehicle and the suspension system parameters of the vehicle. After analyzing the two-degree-of-freedom model of the car, this paper selects the comfort-based design method of the vehicle suspension damping ratio, and then determines the damping stroke of the damper and the damping coefficient of the compression stroke to determine the speed characteristics of the damper. After determining the speed characteristics of the damper, the parameters of the damper valve system need to be designed. The method is designed for the valve system parameters of the damper. Then, the strength of the main components of the damper is checked to verify the rationality of the damper. Finally, Simulink modeling and simulation of the damper is carried out to analyze the influence of different parameters on the damping characteristics of the damper.
Keywords:Shock absorber, Parameter design, Golden section
目录
第1章 绪论 1
1.1车辆悬架的作用及性能要求 1
1.2悬架的组成及分类 1
1.3减振器的研究历史及现状 4
1.4 技术路线 6
第2章 减振器阻尼系数的确定 7
2.1 双质量系统的振动 7
2.2 车辆悬架阻尼比 9
2.3 减振系统的阻尼系数 10
2.4 减振器分段线性阻尼特性 11
2.4.1 复原行程分段线性阻尼特性 11
2.4.2 压缩行程分段线性阻尼特性 13
2.4.3 总行程的速度特性 13
2.5 小结 14
第3章 减振器阀系统参数设计 15
3.1 减振器阀系统参数的设计顺序 15
3.2 减振器阀参数设计方法 15
3.2.1 经验和试验设计 16
3.2.2 单点近似设计 16
3.2.3 曲线拟合优化设计 16
3.2.4 黄金分割优化设计 16
3.3 复原行程阀系统参数黄金分割设计 17
3.3.1 常通节流孔面积设计 17
3.3.2 节流阀片厚度设计 18
3.3.3 阀片预变形量及最大限位间隙设计 19
3.4 压缩行程阀系统参数黄金分割设计 19
第4章 减振器其他部件的设计及校核 21
4.1 减振器内缸的设计及校核 21
4.2 减振器外缸的设计 21
4.3 减振器活塞杆的设计及校核 22
第5章 减振器特性仿真 23
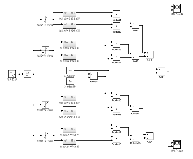
5.1 减振器仿真模型的建立 23
5.2 复原行程模型建立 24
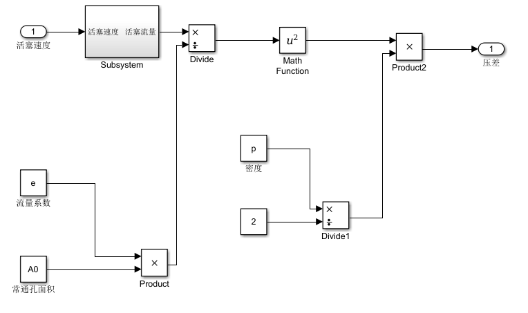
5.2.1 开阀前活塞压力差模型 24
5.2.1 开阀后活塞压力差模型 25
5.3 减振器参数设计影响因素 26
5.3.1 活塞杆直径对减振器阻尼特性的影响 27
5.3.2 活塞孔直径对减振器阻尼特性的影响 27
5.3.3 压缩阀座孔直径对减振器阻尼特性的影响 28
5.4 小结 29
第6章 总结与展望 30
6.1 总结 30
6.2 展望 30
参考文献 31
附录 32
致谢 34
第1章 绪论
悬架的作用是将路面作用在车轮上的力和力矩传递到车身,并且在此过程中,将路面传递到车身的里进行衰减,以缓冲行驶过程中的冲击力,并衰减振动,保证汽车的行驶平顺性和乘坐舒适性,其中,减振器是悬架系统的重要组成部件之一[1]。
1.1车辆悬架的作用及性能要求
评价一台汽车的性能时,首先考虑的一般是发动机的最大功率、最大转矩、百公里加速时间和汽车最高速度等参数。但是如果完全不考虑汽车的操控性能,那么汽车的动力也不能发挥。
汽车悬架的作用是当汽车行驶在不同路面上时,使路面与车轮之间的力保持在一定的范围之内,以提供良好的操纵稳定性,以及保证汽车在不同路面上行驶时,由路面传递到驾驶员与乘客身上的加速度在一定范围内,从而保证良好的乘坐舒适性。汽车行驶在凹凸不平的路面上时,路面将对车轮有作用力,如果没有悬架位于车身与车轮之间,路面传递到车轮的力将直接传递到车身,且在这样的情况下,车轮会与路面完全失去接触,然后由于重力的作用再与地面相接触。这不利于汽车的平顺性、操纵稳定性以及行驶安全性等使用性能。
1.2悬架的组成及分类
图1.1 车辆悬架组成元件示意图
悬架系统的主要组成部件如图1.1所示,包括横向稳定器、减振器、横向推力杆、弹性元件以及纵向推力杆等,有些悬架系统还有其他的构件,比如缓冲块。
悬架具备的基础部件一般包括:弹簧、减振器和稳定杆。其中减振器作为本论文的主要研究对象,作用是使汽车的振幅迅速衰减,将行驶过程中传递到车身的能量快速耗尽,以保证汽车的基本行驶性能。
在车辆悬架中采用的减震器很有,按照能量转换介质、结构和作用方式的不同,减振器可以分成以下几类。
1)按能量转换介质分类
按能量介质的不同,减振器可以分成以下几类,如图1.2所示。其中电磁式减振器又包括电流变和磁流变减振器两种。
图1.2 按能量转换介质减振器分类框图
2)按结构分类
减振器分为摇臂式减振器和筒式减振器,如图1.3所示,不过由于摇臂式减振器在设计上存在着缺陷现在已经很少使用。
图1.3 按结构减振器分类框图
3)按作用方式分类
根据作用方式的不同,减振器可以分为以下两种,如图1.4所示。双向减振器,就
是活塞在向上运动或者向下运动时,减振器都可以起作用,而单向作用减振器只有在活塞向上运动时才起作用。
图1.4 按作用方式减振器分类框图
4)按阻尼是否可调进行分类
根据阻尼是否可调,减振器可以分为以下两种,如图1.5所示。
图1.5 按阻尼调节方式减振器分类框图
液压减振器是目前的主流减振器,图1.6是液压减振器的结构和工作原理图。当减
图1.6 减振器结构及工作原理图
振器中的活塞向上移动时,减振器处于伸张行程。在伸张行程下,活塞上腔油压升高,
使阀门打开,减振器上腔的油液得以流入下腔。并且活塞杆向上移动,由于活塞杆体积
的存在,导致由上腔流入下腔的油液不足以填满下腔[2]。于是只能从储油缸之中吸取油液进行补充,压缩行程的工作原理与伸张行程类似,在此不再赘述。
1.3减振器的研究历史及现状
自从减振器开始出现并且被投入到实际使用当中后,世界各国的减振器研究人员就不断地对其探索,了解减振器的各个特点,并且在此基础上对减振器进行不断地改进,创造了可以根据汽车所工作的环境的不同而具有不同的阻尼特性的减振器 [3]。在对减振器进行设计之前,不可避免得要对减振器的阻尼特性进行研究,这就需要对减振器进行建模然后仿真,并且对减振器进行仿真对减振器的设计具有十分重要的作用。
对减振器建模仿真的方法主要可以分成以下三种:
1)第一种是分析减振器在运动时,减振器内部油液的运动,并且分析在不同速度下,减振器不同的阻尼力的情况下,减振器阀内阀片的开关与变形量,这种建立模型的方法叫做分布参数模型。分布参数模型的优点就是较准确的反应减振器内部在工作时的具体情况。
P.Le Tallec 和 J. Mouro 两人利用流固耦合的方法对减振器内部的阀片的节流特性进行分析 [4]。
李双义等人认为减振器阀片的变形规律符合大挠度变形的特点,基于此理论基础分析得到了减振器内部阀片变形的刚度属性,并以此建立了减振器的仿真模型,并利用实车减振器进行了模型的验证[5]。
吕振华等采用液固耦合有限元的方法分析了减振器内部各各阀系统在工作时的特性,并且在此基础上对减振器的在稳态下的阻尼特性进行了计算,这中方法的计算精度比较高[6]。
王先云通过参数辨识获得了减振器的预充气体压强、各阀片刚度以及开阀压力等参数,并将减振器模型代入理想减振器的平顺性以及操纵稳定性模型,基于整车对减振器进行了虚拟调教[7]。
张志华利用 Simulink 对车辆座椅所包括的减振器进行理论模型,并利用iSIGHT软件对减振器结构参数进行了优化,并验证了减振器对乘员舒适度的改善作用[8]。
2)第二种建模的方法叫做集总参数模型,这种方法将减振器看成许多经典的元件的组合体,然后将这些元件都连接起来。
Lang 博士通过对减振器进行分析,将减振器视为一个由82各经典元件组成的模型,不过由于参数过多,导致对该模型进行计算十分复杂,对减振器的仿真及分析十分不利[9]。
Reybrouck 考虑了减振器内部预先充入的气体,构建了单筒减振器的非线性模型[10]。
崔泽飞等人利用有限元软件 Abaqus 单独分析了减振器内各阀片在减振器工作时的形变,得到了阀片的形变量随减振器内压力变化的特性,之后在 AMESim 模型中建立了详细的阀片模型 [11]。
赵廷香利用 AMEsim 软件基于汽车的行驶平顺性对行程相关减振器的设计参数进行了优化,并试制出样件,通过试验对比验证了模型建立的正确性[12]。
3)第三种方法是非参数模型,与前面两种与参数相关的模型不同,这种模型不考虑减振器内部各种参数,将减振器看成一个整体,研究他的输入及输出,分析输出与输入之间的关系,然后进行建模。这种方法的主要优点是可以避免复杂的参数研究,并且整个模型的准确度也不错。
恢复力曲面法[13]是非参数模型的代表,其主要特点在于以三维曲面的方式表达减振器特性。
Choi et al 对磁流变减振器进行分析及研究,建立了该减振器的非参数模型,且该模型具有良好的精度[14]。
夏品奇等利用多层神经网络建立了磁流变减振器的相应的非参数模型[15]。
王先云等将机器学习应用于减振器建模过程中,成功建立了减振器的模型,并且通过试验,得出利用计算器辅助建立的模型精度高于 BP神经网络的结论[16]。
1.4 技术路线
本文主要是针对东风标致308前麦弗逊悬架减振器进行设计,由于减振器与汽车的平顺性相关,所以首先对汽车的振动进行分析,即对汽车双质量系统模型的振动进行分析,从而确定车辆的悬架阻尼比和减振器阻尼比,最终得到汽车悬架的阻尼特性;然后对汽车减振器内部的油路、阀片的变形等进行分析,从而可以得到减振器阀系统参数的数学设计模型;然后对减振器的主要部件进行强度校核,检验设计的合理性;最后对减振器用Simulink进行仿真分析,研究不同的参数对减振器阻尼特性的影响。
第2章 减振器阻尼系数的确定
2.1 双质量系统的振动
对双轴汽车的简化模型分析可得,如图2.1,可以将车身质量按动力学等效的条件分解为前轴上的集中质量、质心上的集中质量和后轴上的集中质量。这三个质量的大小由以下三个条件决定:
图2.1 双轴汽车简化模型
1)三个质量之和等于汽车车身质量

2)汽车车身的质心位置不变

以上是毕业论文大纲或资料介绍,该课题完整毕业论文、开题报告、任务书、程序设计、图纸设计等资料请添加微信获取,微信号:bysjorg。
相关图片展示:









