中型轿车机械变速器设计毕业论文
2020-02-17 17:09:11
Graduation Design of Wuhan University of Technology
Design of Mechanical Transmission for Medium-sized Car
College (Department): Institute of International Education
Professional Class | : | Vehicle Engineering 1503 |
Student name | : | Wang Han |
Instructor | : | Guo Huiru |
Originality Statement of Dissertation
I solemnly declare that the papers submitted are the results of my independent research under the guidance of my supervisor. In addition to the content cited in the paper, this paper does not include any other works published or written by individuals or groups. I am fully aware that the legal consequences of this statement are borne by me.
Author's signature:
Date:
Authorization for Copyright Use of Dissertations
The author of this dissertation fully understands the regulations of the school concerning the guarantee and use of the dissertation. He agrees that the school shall retain and submit copies and electronic versions of the dissertation to the relevant dissertation management departments or institutions, allowing the dissertation to be consulted and borrowed. I authorize the provincial excellent bachelor's dissertation selection institutions to compile all or part of this dissertation into relevant data for retrieval, and can use photocopying, abbreviation or scanning to save and compile this dissertation.
This dissertation belongs to 1. Confidentiality囗;
- Not confidential 囗.
(Please type√ in the corresponding box above)
Author's Signature:
Date:
Instructor's Signature:
Date:
ABSTRACT
With the rapid development of the automotive industry, the diversification and individualization of automotive models have become the trend of automotive development. The transmission design is one of the important links in automobile design. The design level of automobile transmission has a direct impact on the power performance, fuel economy, reliability and portability of shift operation, transmission stability and efficiency of automobile. With the development of automobile industry, the design trend of car transmission is to increase the ratio of transmission power to weight, and require transmission with smaller size and good performance.
This paper describes the determination of mechanical transmission scheme, initial parameters of automobile, transmission ratio design, gear and shaft design, bearing selection and verification, transmission synchronizer design, CATIA modeling and so on. Under the conditions of determining the output torque, speed, maximum vehicle speed and maximum climbing gradient of Camry engine, the structural parameters of transmission gears and the structural dimensions of axles are emphatically designed and calculated.
Keywords: mechanical transmission; transmission ratio; design; modeling
CONTENT
ABSTRACT Ⅰ
Chapter 1 Introduction 1
1.1 Overview 1
1.1.1 Automotive Transmission 1
1.1.2 Development Status of Automotive Transmission at Home and Abroad 2
1.2 Content and Method of Design 2
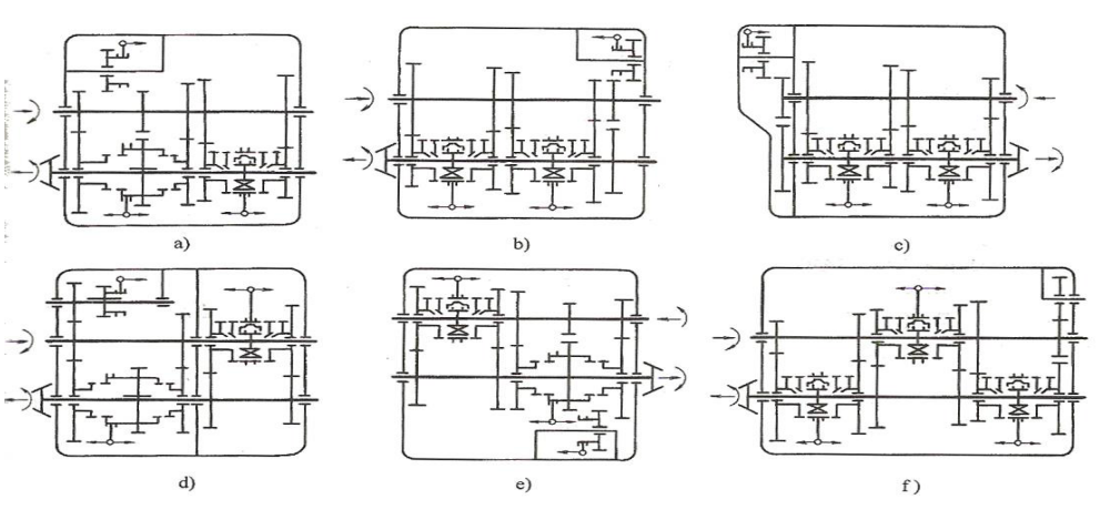
Chapter 2: Selection of Structural Forms and Analysis of Schemes 4
2.1 Functions and requirements of transmission 4
2.2 Analysis of Transmission Mechanism Arrangement Scheme 5
2.2.1 Fixed-axis transmission 5
2.2.2 Reverse Shift Arrangement Scheme 6
2.2.3 Component Structure Scheme Analysis 7
Chapter 3: Selection of Main Parameters of Transmission 12
3.1 Design Initial Parameters 12
3.2 Transmission Ratio Range 12
3.3 Determination of transmission ratio of each gear Determination of Automobile Power 12
3.4 Center distance A 16
3.5 Profile Dimension L 16
3.6 Gear Parameters 16
3.6.1 Modulus 16
3.6.2 Pressure angle 17
3.6.3 Helix angle 18
3.6.4 Tooth width b 18
3.6.5 Tooth Top Height Coefficient 18
Chapter 4: Design, Calculation and Verification of Gears 19
4.1 Distribution of teeth number of each gear 19
4.2 Strength calculation and material selection of gear teeth 22
4.2.1 Damage Form and Material Selection of Gear 22
4.2.2 Computing the Torque of each Axis 22
4.2.3 Bending Strength Calculation of Gears 23
4.2.4 Contact Strength Calculation of Gears 25
Chapter 5: Design and Calculation of Shafts and Selection and Verification of Bearings 29
5.1 Design and calculation of axis 29
5.1.1 Diameter of primary axis 29
5.1.2 Stiffness calculation of axis 29
5.1.3 Strength calculation of axis 32
5.2 Selection and Verification of Bearings 33
5.2.1 Bearing Selection and Verification of Input Shaft 33
5.2.2 Output Shaft Bearing Check 35
Chapter 6 Selection of Transmission Synchronizer and Control Mechanism 37
6.1 Working Principle of Synchronizer 37
6.2 Determination of Main Parameters of Synchronization Ring 37
6.2.1 Thread Groove on Conical Surface of Synchronization Ring 37
6.2.2 Conical half-cone angle α 38
6.2.3 Average Radius of Friction Cone 38
6.2.4 Cone Working Length B 38
6.2.5 Radial thickness of synchronous ring 38
6.2.7 Lock angle β 39
6.3 Control mechanism of transmission 39
6.3.1 Function of Transmission Control Mechanism 39
6.3.2 transmission shall meet the following requirements: 39
Chapter 7 CATIA Modeling 41
7.1 Introduction of Software 41
7.2 Modeling 42
Conclusion 51
References 52
Thanks 53
Chapter 1 Introduction
1.1 Overview
With the rapid development of the automotive industry, the diversification and individualization of automotive models have become the trend of automotive development. The transmission design is one of the important links in automobile design. It is used to change the torque and speed of the engine transmitted to the driving wheel. The purpose is to obtain different traction and speed under various driving conditions, and at the same time to make the engine work in the most advantageous operating conditions. Therefore, its performance affects the dynamic and economic indicators of the car, and its design significance is more obvious for the car. In today's increasingly demanding automobile performance, vehicle comfort is also an important indicator for evaluating automobiles. The unreasonable design of transmission will reduce the comfort of automobiles, increase the running noise of automobiles, and affect the integrity of automobiles.
1.1.1 Automotive Transmission
The automobile transmission system is the core component of the automobile. Its task is to adjust and change the performance of the engine, and transmit the power to the driving wheels effectively and economically to meet the requirements of the use of automobiles [1]. Transmission is an important part to complete the task of transmission system, and it is also one of the main parts to determine the performance of the vehicle. The structural requirements of transmission have a direct impact on the power performance, fuel economy, reliability and portability of shift operation, transmission stability and efficiency of automobiles. With the development of automobile industry, the design trend of car transmission is to increase the ratio of transmission power to weight, and to require smaller size and better performance. Before the design of automobile transmission begins, some main parameters should be selected according to the actual situation of transmission application. The main parameters include center distance, transmission axial size, shaft diameter, gear parameters, the number of teeth of each gear, etc.
The basic design requirements of transmission [2]: to ensure the necessary power and economy of the vehicle; to set up a gap to cut off the transmission of engine power to the driving wheel; to set up reverse gear to enable the vehicle to drive backward; to shift quickly, labor-saving and convenient; to work reliably, the transmission must not have the phenomenon of gear jump, gear disorder, and gear shift impact in the process of driving; High noise, simple structure and reasonable scheme; long service life under full load and impact load conditions; besides, transmission should also meet the requirements of small contour size and quality, low manufacturing cost and convenient maintenance.
以上是毕业论文大纲或资料介绍,该课题完整毕业论文、开题报告、任务书、程序设计、图纸设计等资料请添加微信获取,微信号:bysjorg。
相关图片展示:









