东风K74M悬架系统设计毕业论文
2020-04-12 16:00:43
东风K74M悬架系统设计
学院(系): 国际教育学院
专业班级: 车辆工程专业 1402班
学生姓名: 吴一唯
指导教师: 苏楚齐
Design of Dongfeng K74M suspension system
Abstract
Suspension is one of the important assemblies of modern cars, which connects the frame and axle automatically.
Come on. Its main task is to transfer all the force and moment between the wheel and the frame, ease the impact load of the road to the frame, attenuate the vibration of the bearing system and ensure the ride comfort of the car, and ensure that the wheel has the ideal motion characteristics when the road is uneven and the load changes, so as to ensure the control and stability of the car. It makes the car get high speed.
The suspension design of the suspension system uses a few leaf spring structure. The rear suspension is composed of main and secondary springs, and is also an independent suspension. First, the main structure of suspension is determined, and then the main performance parameters are determined. In the design of the front suspension, the selection of the side angle and the dip angle of the main pin is first carried out, and then the design of the few leaf springs is carried out. Finally, the stiffness matching problem of the front two axle suspension is taken into consideration. The design of the main and the auxiliary steel spring is mainly designed in the design of the rear suspension system, especially the stiffness ratio distribution calculation and stiffness of the steel plate spring. Check, and the choice of shock absorbers. Finally, the ride comfort of the suspension system is analyzed to determine whether the designed suspension meets the requirements. In the analysis of ride comfort, the time domain analysis method is adopted, and two degrees of freedom are adopted. Finally, the results obtained by programming are not uncomfortable. Therefore, it is beneficial to improve the power, economy and handling stability of automobiles.
Keywords Suspension design Leaf spring Truck Smoothness
Contents
Chapter1 Introduction----------------------------------------------------------------------------4
- The role and composition of suspension-----------------------------------------------------4
- Classification of automobile suspension-----------------------------------------------------4
- Design requirements of suspension----------------------------------------------------------3
- Design requirements-----------------------------------------------------------------------5
- Main design parameters-------------------------------------------------------------------5
Chapter2 Design of front and rear suspension system--------------------------------------6
2.1 Main parameters of suspension----------------------------------------------------------------6
2.1.1 The static deflection of the suspension ----------------------------------------------------6
2.1.2 The dynamic deflection of suspension-----------------------------------------------------6
2.1.3 Elastic characteristics of suspension--------------------------------------------------------7
2.2 Design of front suspension system------------------------------------------------------------8
2.2.1 Angle and tilt angle of main pin side of front suspension--------------------------------8
2.2.2 Little leaf spring design-----------------------------------------------------------------------8
2.2.3 Front suspension stiffness matching analysis of 6 x 2 Truck-----------------------------10
2.3 Design of rear suspension system--------------------------------------------------------------13
2.3.1 Structural parameters of main and secondary leaf springs-------------------------------13
2.3.2 Rear suspension’s stiffness distribution of main and secondary spring-----------------13
2.3.3 Strength checking of leaf spring--------------------------------------------------------------30
2.3.4 Design and calculation of shock absorber---------------------------------------------------36
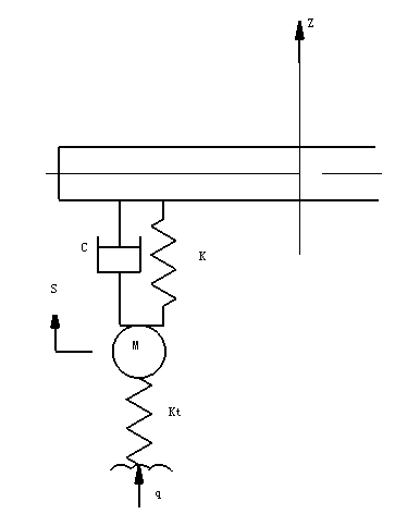
Chapter3 Ride flexibility analysis----------------------------------------------------------------40
3.1 Definition of ride flexibility---------------------------------------------------------------------40
3.2 Research content of ride flexibility-------------------------------------------------------------40
3.3 Research and analysis of ride flexibility-------------------------------------------------------41
以上是毕业论文大纲或资料介绍,该课题完整毕业论文、开题报告、任务书、程序设计、图纸设计等资料请添加微信获取,微信号:bysjorg。
相关图片展示:









