东风风神A60后悬架设计毕业论文
2020-04-12 14:21:40
摘 要
本毕业设计的目的在于依照东风风神A60的悬架性能及舒适性需求,设计出符合行驶要求的后悬架系统。扭力梁式悬架因为低成本、结构简单在紧凑型车型的后悬架而广泛应用,东风风神A60后悬架就采用了单纵臂扭力梁式悬架,它的不同之处在于使用了扭力梁这一构件,进而影响了悬架的整体结构及其他构件的布置形式,因而对扭力梁的总体设计以及其剪切中心的确定、危险截面校核成为本次设计计算过程中的重点。本文在阐明悬架及其构件相应功能的基础上,依照汽车后悬架的设计过程,选取适用本车型的悬架性能参数,对弹性元件、减振器、扭力梁等进行种类选择、计算和设计,并分析可能对悬架性能、减振器性能、扭力梁性能产生影响的各种因素。
关键词:悬架;扭力梁;减振器;螺旋弹簧;单纵臂
Abstract
The purpose of this graduation project is to design a rear suspension system that meets the driving requirements in accordance with the suspension performance and comfort requirements of the Dongfeng Fengshen A60. The torsion beam suspension is widely used in the rear suspension of the compact model because of its low cost and simple structure. The Dongfeng Fengshen A60 rear suspension adopts a single longitudinal arm torsion beam suspension with a stabilizer bar, and its difference is that. The use of a torsion beam component has affected the overall structure of the suspension and the layout of other components. Therefore, the overall design of the torsion beam, as well as the determination of its shear center and the calibration of dangerous sections, have become the key part of this design calculation process. On the basis of elucidating the corresponding functions of the suspension and its components, according to the design process of the rear suspension of the vehicle, the suspension performance parameters applicable to this model are selected, and the elastic components, shock absorbers, torsion beams, etc. are selected and designed, and analyzed. Various factors that may affect the performance of the suspension, damper performance, and torsion beam performance.
Keywords: suspension; torsion beam; shock absorber;spiral spring;single longitudinal arm
目 录
第一章 绪论 - 1 -
1.1课题研究的目的及意义 - 1 -
1.2国内外研究及现状 - 1 -
1.3课题研究内容及预期目标 - 2 -
第二章 汽车悬架概述 - 3 -
2.1悬架基本概念 - 3 -
2.2悬架基本组成 - 3 -
2.2.1弹性元件 - 3 -
2.2.2导向机构 - 3 -
2.2.3减振器 - 3 -
2.2.4缓冲块 - 4 -
2.2.5横向稳定器 - 4 -
第三章 悬架对汽车性能的影响 - 5 -
3.1悬架对汽车平顺性的影响 - 5 -
3.2悬架对操纵稳定性的影响 - 5 -
3.3悬架弹性特性 - 6 -
第四章 悬架主要性能参数的选取 - 7 -
4.1悬架的偏频和静挠度 - 7 -
4.2悬架的动挠度 - 8 -
4.3悬架的工作行程 - 8 -
4.4悬架的刚度 - 8 -
第五章 悬架主要构件设计 - 10 -
5.1螺旋弹簧的设计 - 10 -
5.1.1螺旋弹簧类型的选择 - 10 -
5.1.2螺旋弹簧的初步计算 - 10 -
5.1.3螺旋弹簧的刚度 - 11 -
5.1.4螺旋弹簧的其他计算 - 11 -
1. 变形量 - 11 -
2. 高度 - 11 -
3. 节距t - 12 -
4. 螺旋角α - 12 -
5. 展开长度L - 12 -
5.1.5螺旋弹簧的校核 - 12 -
1. 压缩弹簧稳定性验算 - 12 -
2. 压缩弹簧强度验算 - 12 -
3. 共振验算 - 13 -
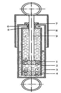
5.2减振器的设计 - 13 -
5.2.1相对阻尼系数ψ - 14 -
5.2.2减振器阻尼系数δ - 15 -
5.2.3最大卸荷力
- 15 -
5.2.4筒式减振器的工作缸直径D - 16 -
5.2.5减振器的活塞总成设计 - 17 -
1. 活塞杆设计 - 17 -
2. 活塞总成设计 - 18 -
3. 缓冲套设计 - 18 -
4. 导向器及油封设计 - 19 -
5.2.6减振器固定连接形式 - 19 -
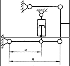
5.3扭力梁设计 - 20 -
5.3.1轮胎的静力半径 - 21 -
1.自由半径r - 21 -
2. 静力半径
- 21 -
5.3.2后悬架硬点设计 - 21 -
1. 扭力梁扭转线刚度 - 22 -
2. 其他尺寸的选取 - 23 -
5.3.3扭力梁概念设计 - 24 -
1. 横梁截面 - 24 -
2. 侧倾中心高度 - 25 -
3. 横梁 - 26 -
4. 纵臂 - 26 -
5. 侧倾角刚度 - 27 -
参考文献 - 28 -
致谢 - 29 -
第一章 绪论
1.1课题研究的目的及意义
悬架是汽车的重要组成部分,它不仅弹性连接车身和车轮,而且传递二者之间的一切力与力矩[1]。它通常由弹性元件、减振器、导向机构三部分组成,主要作用为减缓来自路面的冲击力,衰减振动,传递垂直、侧向力及力矩,同时进行导向,保证车轮相对车身的运动轨迹不发生偏离,从而提高乘客的乘坐舒适性。课题研究的目的以及意义在于在尽可能降低成本、保证性能要求的情况下设计出各方面性能优异的悬架,为汽车的行驶提供良好的平顺性、操纵稳定性,使车身布置、空间利用更为合理。
1.2国内外研究及现状
当前关于悬架系统的研究内容大致可分为两大方向:一是为了改善汽车的平顺性而针对弹性元件和阻尼元件特性的研究;二是为了提高汽车的操纵稳定性而就导向机构展开优化。两种研究方向的侧重点各有不同,前者将路面、轮胎、簧载质量、非簧载质量、悬架作为一个整体进行优化,可认为是悬架系统动力学;后者着重于对车轮的运动、定位及其他影响运动学特性的因素,可认为是悬架系统运动学研究。国内外汽车悬架的应用概况为:双轴汽车上常见的悬架有非独立悬架和独立悬架两大类,三轴汽车的后悬架上常采用平衡式悬架,在一些中高级乘用车、高级商用客车上又出现了主动悬架和半主动悬架等形式[2]。
非独立悬架在结构上通过一根钢件轴将左、右车轮连接起来,并通过悬架与车架相连,纵置钢板弹簧式悬架为其中典型。非独立悬架的优点是结构简单,工作可靠,维修方便,成本低。当车轮上下运动时,车轮定位变化小,轮胎磨损较小,但由于其非簧载质量大,对高速工况下的车辆不能充分保证行驶平顺性,作为前悬架时易发生摆振现象。此外,因左、右车轮相互影响,使车轴和车身倾斜,其行驶平顺性和操纵稳定性都较差。故非独立悬架主要用于商用货车、城市大客车的前、后轮及部分乘用车的后轮。
独立悬架的非簧载质量小,悬架受到并传给车身的冲击载荷小,其弹性元件只承受垂直力,可采用刚度小的弹簧,使车身振动频率低,且前轮采用独立悬架后,有效降低汽车质心高度,提高了行驶稳定性。但结构复杂、维修不便、成本较高,多用于乘用轿车、旅行车和小型商用车的前悬及部分乘用车的后悬。越野车也多采用独立悬架,能保持车轮与不平路面的接地性,提高离地间隙,改善通过性。
主动悬架、半主动悬架和被动悬架三种悬架的区别根据为,当行驶条件改变时,悬架系统的阻尼与刚度有无变化。其中,主动悬架的概念在20世纪60年代方被提出,使用有源或虽然无源但是能够被控制的元件是主动悬架的主要特点,突出优势为阻尼可随输入的变化自行调节。与之相反,被动悬架[3]恰恰是一经选择就无法在汽车行驶时再调节的悬架。半主动悬架减振效果优于被动悬架,成本低于主动悬架,结构简单,应用较广。在现代轿车中,麦弗逊式独立悬架因其行驶稳定性好,非簧载质量低等优点作为汽车前悬架广泛存在,同时因为前轮驱动的普及,后悬架的结构形式大为简化,衍生出的类别多种多样,而综合考虑制造难度、节约成本、节省空间等问题后,纵臂扭力梁式后悬架被渐渐推广[4]。
1.3课题研究内容及预期目标
本课题为东风风神A60后悬架设计,旨在巩固关于悬架结构及各构件特点的深刻理解,了解国内外现有悬架的主要类型及各自的优缺点,通过亲身参与设计过程,锻炼其分析问题、制定解决方案的能力,同时,为熟练使用软件、建立设计流程思维提供机会。课题的具体研究内容包括:分析东风风神A60的车辆性能要求;选取符合车况、驾驶要求的悬架类型;依据已知相关参数进行后悬架及其他组成元件的数据计算;运用软件建立东风风神A60的后悬架模型;对上述模型进行分析。东风风神A60后悬架设计的预期目标为保证汽车的行驶平顺性和操纵稳定性,其衰减振动的能力、隔绝噪声的能力均符合设计要求,侧倾角度合理并尽可能小,同时优化空间利用率,具备足够的强度及寿命。
汽车悬架概述
2.1悬架基本概念
悬架是一个总称,它包括存在于承载式车身与车轮二者之间的一切传力连接装置,其主要功能是传递载荷、减缓冲击、衰减振动,以保证汽车的平顺行驶。
2.2悬架基本组成
悬架通常由弹性元件、导向机构和减振器组成,部分悬架中存在缓冲块、横向稳定器等构件。以上部件中,缓冲块、横向稳定器等构件并非每一种悬架都存在,而是依照现实需求进行匹配。
2.2.1弹性元件
弹性元件主要承担承载及缓冲的功能,它将绝对刚性传递转化为符合乘坐和运载需求的输出,确保悬挂、非悬挂质体之间的弹性。垂直刚度、挠度以及振动频率均由弹性元件决定,同时它也会对汽车的平顺性和动力性能产生影响,并通过决定角刚度进而影响汽车的稳定性以及转向特性。当前而言,弹性元件主要存在有钢板弹簧、螺旋弹簧、空气弹簧、扭杆弹簧、橡胶弹簧和油气弹簧等种类。
2.2.2导向机构
以上是毕业论文大纲或资料介绍,该课题完整毕业论文、开题报告、任务书、程序设计、图纸设计等资料请添加微信获取,微信号:bysjorg。
相关图片展示:









