苗家坪大理河104m跨铁路桥设计(A方案)毕业论文
2020-05-15 21:54:33
摘 要
1. 1引言 6
1.2系杆拱桥的发展 6
1.3拱桥的组成和拱桥的优缺点 8
1.4工程背景 11
2. 工程技术和资料 12
2.1.主拱圈设计 15
2.1.1桥梁结构 15
2.1.2拱肋构造 15
2. 2横撑截面 16
2.3吊杆构造图 16
2.4主梁构造图 16
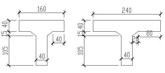
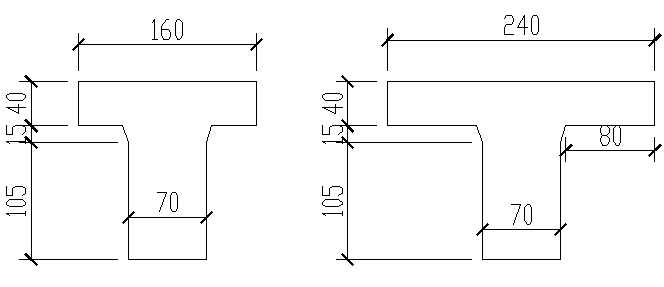
2.5横梁结构设计 17
2.6拱脚结构 18
第三章 荷载组合 20
3.1恒载 20
3.2温度荷载 20
3.3风荷载 21
3.4移动荷载 21
第四章 内力计算 23
4.1荷载组合 23
4.2桥梁结构图 23
4.3边界支撑 23
4.4吊杆的初拉力 24
4.5拱肋截面几何性质计算 24
4.5.1钢管的截面面积As及惯性矩Is 24
4.5.2混凝土的截面面积Ac及惯性矩Ic 25
4.6拱肋在各个荷载组合的作用下的轴力图、弯矩图、剪力图 25
4.6.1在主力荷载作用下 25
4.6.3在主力荷载和风载作用下 26
4.6.3在主力荷载和温度荷载的作用下 27
第五章 桥梁配筋计算 29
5.1.主梁截面预应力配筋 29
5.2预应力损失及有效预应力计算 30
5.3主梁截面弯矩配筋 30
5.2 短横梁配筋 32
5.3纵梁配筋 33
第六章 钢管混凝土应力验算 35
6.1荷载应力计算 35
6.2横撑、K撑内力及强度验算 37
6.3 吊杆内力验算 37
6.4主梁截面内力计算分析 38
6.5拱肋截面稳定性验算 39
6.5.1 稳定系数 40
6.5.2偏心率折减系数 41
6.5.3混凝徐变折减系数 41
6.5.4稳定承载力 42
6.6弦管强度验算 43
6.6.1拱顶截面 43
6.6.2拱脚截面: 45
6.6.3 1/4截面: 46
6.7主梁承载能力极限状态验算 47
6.7.1主梁轴心受拉正截面承载力验算 47
6.7.2、主梁跨中截面正截面承载力计算 47
6.7.3、主梁斜截面承载力计算 49
6.8中纵梁承载能力极限状态验算 49
6.8.1、中纵梁跨中截面正截面承载力计算 49
6.8.2、中纵梁斜截面承载力计算 51
6.9横梁承载能力极限状态验算 52
6.9.1、横梁正截面承载力计算 52
6.9.2、横梁斜截面承载力计算 53
6.10正常使用极限状态计算 56
6.10.1中纵梁正截面抗裂验算 56
610.2中纵梁斜截面抗裂验算 56
6.10.3横梁正截面抗裂验算 57
6.10.4横梁斜截面抗裂验算 58
6.10.6边横梁斜截面抗裂验算 60
6.11参考文献 61
摘要
本次设计的对象是苗家坪大桥。根据所给地形和其他设计参数,联系已建桥梁和相关的文献,结合相关的规定、规范,进行方案设计。采用二次抛物线下乘式钢管混凝土拱桥,主梁的跨径为104米,猪拱圈是等截面对称的哑铃形截面,横梁采用高为2.6米的T型截面形式,主梁采用高为3米的T型截面。
本文主要阐述了该钢筋混凝土拱桥的设计和计算过程。首先对钢管混凝土拱桥的的发展进行阐述,然后对主桥进行总体布置设计,对主梁结构结构进行内力、配筋计算,在进行应力、强度验算,租后阐述了该设计过程中的预应力损失等问题,以及结构的极限承载力验算,稳定性验算,同时,本设计严格遵从交通部颁布的关于此类桥梁设计、注意事项,最终达到了理论与时间相结合的目的。
关键词:钢管混凝土;下乘式拱桥;稳定性
ABSTRACT
The object of this design is Miaojiaping bridge.According to the terrain and other design parameters,contact the bridge and related documents,combined with relevent specifiction,design scheme.Using two times of parabolic CFST arch bridge,the main span is 104 m,the main arch ring is uniform dunbbell shaped cross section,beam with high 20.8m rectangular section beam with rectangular cross section,high 0.9m.
This paper mainly describes the design and calulation process of the bridge.Firstly,the development of CFST arch bridge is described,and then the overall layout design of the bridge,upper part of the structure internal force calculation,reinforcement,and strength,stress checking calculation,finally the cable hoisting construction should be attention and control problems.At the same time,the design of strict compliance with the Ministry of Communications issued about this kind of bridge design,construction specifictions,ultimately achieve a combination of theory and practice.
Key Words:Steelconcrete;arch bridge;stability;
第一章 绪论
- 1引言
桥梁工程的发展与材料的发展息息相关,人类修建桥梁从利用天然材料开始, 随着人工材料的发明与发展,桥梁技术也不断进步.从早期的砖 ,到18世纪的铁、钢和混凝土, 最早应用于桥梁结构之中时,都是先用于拱桥.因此,拱桥在桥梁发展史上具有极其重要的地位.按照主拱结构主要材料,拱桥主要可分为石(圬工)拱桥、钢(金属)拱桥、混凝土拱桥和钢管混凝土(组合)拱桥。凝土拱桥跨径的世界纪录均在中国 ,它们分别是主跨径146 m的山西丹河新桥(石拱桥)、主跨径550 m的上海卢浦大桥(钢拱桥)、主跨径420 m的万州(县)长江大桥(混凝土拱桥)和主跨径 460 m的巫峡长江大桥(钢管混凝土拱桥)。
1.2系杆拱桥的发展
相关图片展示:









