龙江大桥设计毕业论文
2020-04-12 15:41:04
摘 要
本次设计是根据提供的任务书中给出的拟建桥址的水文地质勘测资料和河床断面数据等相关要求,结合规范对龙江大桥进行上部结构设计。内容主要为方案比选,结构设计计算和验算。
在方案比选时提出三种设计方案,分别为预应力简支箱梁桥,预应力连续变截面箱梁桥和下承式钢管混凝土刚架系杆拱桥。最终通过安全性,耐久性,使用性,经济性和美观性方面的考虑选用方案二:预应力连续变截面箱梁桥。其孔径布置为50 80 50m,全长180m,主梁采用单箱单室箱型截面。
施工方法主要采用悬臂挂篮浇筑法。首先浇筑完成0#号块,然后利用悬臂挂篮浇筑完成主梁主体结构。边跨部分采用支架现浇法施工。最后合拢按照先边跨再中跨的顺序完成。
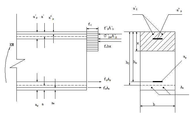
结构设计过程中确定主梁构造及细部尺寸,然后再利用midas软件进行结构内力分析,得出各情况下的内力组合结果,从而估算配筋数量,布置预应力钢束[3]。
最后进行各种验算,包括截面的抗裂性验算,强度验算,拉应力验算,压应力验算和挠度验算等。验算结果表明均符合要求。
关键词:桥梁设计;预应力;连续梁桥;箱梁桥
Abstract
This design is based on the related requirements of the hydro geological survey data and river bed section data provided in the proposed mission book, and the design of the superstructure of the Longjiang bridge is carried out according to the specifications . The main contents are comparison of alternatives, structural design calculation and checking computations.
Three kinds of design schemes are proposed in the comparison of the scheme, which are simply supported box girder bridges, prestressed continuous variable cross section box girder bridges and bottom bearing type concrete rigid frame tied arch bridge . Finally, the plan two is selected through consideration of safety, durability, usability, economy and aesthetics, which is the prestressed continuous variable cross-section box girder bridge. Its diameter is 50 80 50m, and the total length is 180m. The main beam is single box and single chamber box section.
The construction method mainly adopts the hanging basket cantilever casting method. First, the 0# block is placed. Then cantilever hanging basket is used to complete the casting of the main structure of the main girder. The side span is constructed by cast-in-place method. Finally, the closing is completed in the order of first edge span and then middle span.
In the process of structural design, the structure of the main beam and the size of the detail are determined. Then the internal force of the structure is analyzed by Midas software, and the internal force combination results are obtained in each case, thus the number of reinforcement is estimated and the prestressed steel beam is arranged .
Finally, various checking computations are carried out, including checking calculation of crack resistance, checking strength, checking tensile stress, checking compression stress and checking deflection. The checking results show that all the requirements are in line with the requirements.
Key Words:bridge design;prestress;continuous beam bridge;box girder bridge
目录
第1章 设计基本资料 1
1.1桥址水文地质资料 1
1.2主要技术标准 2
第2章 方案设计与比选 3
2.1桥型方案设计原则 3
2.2桥型方案一 3
2.3桥型方案二 4
2.4桥型方案三 4
2.5桥型设计方案比选原则 5
2.6方案比选 5
第3章 基本结构尺寸设计 7
3.1桥梁跨径 7
3.2桥面宽度 7
3.3箱形截面细部尺寸 7
3.3.1底板厚度 8
3.3.2顶板厚度 8
3.3.3腹板厚度 8
3.3.4转角 8
第4章 建立模型 10
第5章 计算内力 11
5.1内力计算 11
5.1.1恒载内力计算 11
5.1.2活载内力计算 13
5.2内力组合计算 14
5.2.1承载能力极限状态内力组合 14
5.2.2正常使用极限状态内力组合 16
第6章 预应力钢筋估算 18
6.1计算方法 18
6.1.1正截面强度要求 18
6.1.2应力要求 20
6.2预应力筋特性值 22
6.3估算数量 22
第7章 预应力钢束布置 23
7.1布置预应力筋的基本要求 23
7.2预应力筋的布置 24
第8章 验算 26
8.1正截面抗裂性验算 26
8.1.1支座截面处 27
8.1.2跨中截面处 28
8.2斜截面抗裂性验算 29
8.3受弯构件正截面强度验算 30
8.3.1支座截面 32
8.3.2跨中截面 33
8.4受弯构件斜截面强度验算 33
8.5压应力验算 35
8.5.1支座截面 36
8.5.2跨中截面 36
8.6拉应力验算 37
8.6.1支座截面 37
8.6.2跨中截面 38
8.7挠度验算 38
8.8验算结果 39
第9章 确定施工方案 40
第10章 总结 42
参考文献 43
致 谢 44
第1章 设计基本资料
1.1桥址水文地质资料
本次设计中计划建桥原址处的场地环境比较复杂,地基土分层多且种类复杂,土质变化大,分布不均匀。总体来看环境复杂,工程地质条件较为一般。详细分布由上至下为9层:
1、人工填土(厚1.4-2.0m);
2、粘土(厚0.3-3.2m);
3、淤泥质土(厚4.1-6.0m);
4、含泥中细—中粗砂夹杂淤泥质土与砂质黏土层(厚5.35-6.4m);
5、砂卵石(厚4.10-7.15m);
6、残积质粘性土(厚3.30-5.10m);
7、强风化花岗岩(厚3.5-5.7m);
8、中风化花岗岩(厚0.4-1.1m);
9、微风化花岗岩
桥址处地势平坦,跨越一条小河流,下表为桥址处河床横断面标高表:
桩 号  | 标 高(m)  | 桩 号  | 标 高(m)  | 
0 000  | 2.80  | 0 110  | -2.60  | 
0 010  | 1.70  | 0 120  | -2.90  | 
0 046.60  | 0.20  | 0 134.60  | -1.10  | 
0 057.60  | -2.60  | 0 166.40  | 0.30  | 
0 070  | -2.95  | 0 180  | 2.60  | 
0 080  | -2.60  | 常水位  | 1.05  | 
0 090  | -3.10  | 设计水位  | 5.10  | 
0 100  | -2.80  | 桥面设计标高  | 10.80  | 
表中高程均采用黄海高程  | |||
表1.1 河床横断面表
1.2主要技术标准
桥面净空:净-12 2×1.0米人行道
设计速度:80km/h
以上是毕业论文大纲或资料介绍,该课题完整毕业论文、开题报告、任务书、程序设计、图纸设计等资料请添加微信获取,微信号:bysjorg。
相关图片展示:








        
            
