40万吨年双氧水法制环氧丙烷的工艺模拟研究毕业论文
2020-07-02 22:41:07
摘 要
简述环氧丙烷的生产方式、发展历程、未来前景等情况分析,列举生产环氧丙烷的各种方式的优缺点,经分析比较,可知HPPO工艺相比于传统环氧丙烷的生产工艺,是投资更低,能耗更少,环境友好的新型工艺。介绍双氧水法制备环氧丙烷的工艺流程,制备过程中所进行的各种反应,以及之后的提纯、循环回收过程中还会进行的一些副反应,设备规格,设备作用,Aspen模拟研究,及对制备过程产生的废物处理装置进行简要阐述,热集成网络的简要分析,本文创新性在于通过Aspen模拟得到的数据应用与工业化中,为过氧化氢发制备环氧丙烷工业化的完善提供理论基础。
关键词:过氧化氢;甲醇;环氧丙烷;工艺流程;丙烯
Process simulation of propylene oxide production by 400 thousand tons / year hydrogen peroxide
Abstract
This article introduces the properties of propylene oxide and three ways to produce propylene oxide. It can be obtained that the HPPO method is a better choice by comparison the advantages and disadvantages of this three methods. It has lower investment and less energy consumption. It is an environmentally friendly process. Introduce the various reactions of HPPO. Computing equipment specifications and analysis of the role of equipment. This article uses Aspen to simulate to perfect the HPPO method. Last of all,this article uses Aspen Energy Analyzer to achieve energy saving. Providing a theory for the preparation of propylene oxide.
Key words: Hydrogen peroxide; Methanol; Propylene oxide; Process flow; Propylene.
目 录
摘要 II
Abstract III
第一章 绪论 1
1.1 环氧丙烷概述 1
1.2 生产环氧丙烷的大致方法 1
1.3 环氧丙烷制备方法的比较 3
1.4 环氧丙烷制备法的发展过程 3
1.4.1 氯醇法 3
1.4.2 间接氧化法 4
1.4.3 直接氧化法 4
1.5 环氧丙烷产品市场存在的主要问题 6
1.6 HPPO法原料及产物的运输与储存 7
1.7 环氧丙烷未来发展前景 8
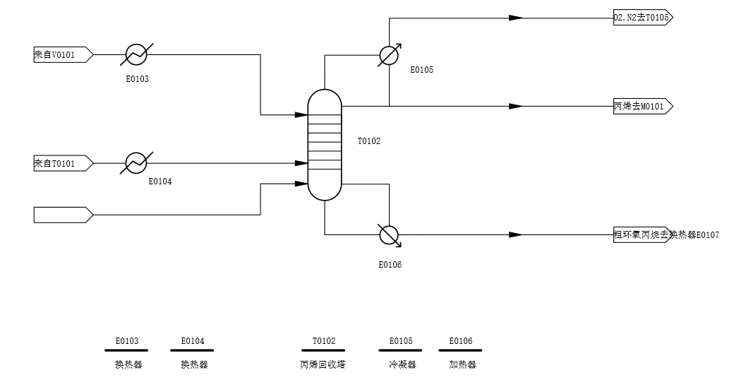
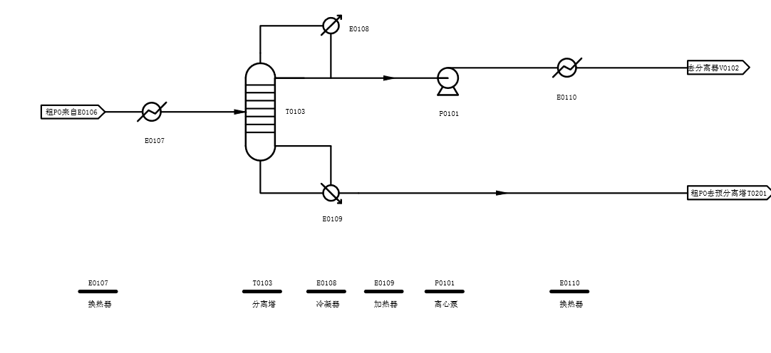
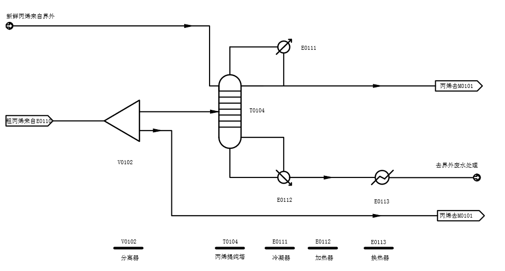
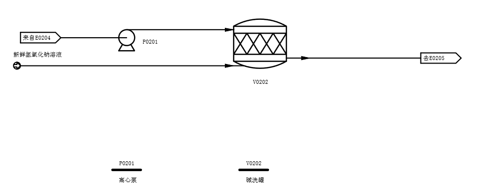
第二章 工艺流程及模拟 10
2.1 氧化循环 11
2.2 环氧丙烷的分离与提纯 14
2.3 废水处理 17
2.4 废气处理 21
2.4.1 氮气回收部分 21
2.4.2 尾气焚烧部分 21
2.5 热力学模型 23
2.6 精馏塔的计算 25
2.7 换热器的工艺计算 26
2.8 热集成网络分析 27
第三章 结论 30
参考文献 31
致谢 33
第一章 绪论
1.1 环氧丙烷概述
环氧丙烷是丙烯类衍生物,又被称作甲基环氧乙烷或氧化丙烯,无色,醚味,低沸点,易燃,有手性,液体,分子量:58.08 ,分子式:C3H6O,沸点:34.2 ℃。主要用于生产聚醚、丙二醇和各类非离子表面活性剂。
环氧丙烷的衍生物被应用到很多地方,是生产众多精细化工产品的十分重要的原料,环氧丙烷的下游产品种类繁多,有将近一百种,在建筑、食品、医疗等众多行业中被广泛使用,是一种十分重要的化工产品。
环氧丙烷具有毒性,且易挥发,所以如果操作不当会刺激到皮肤和粘膜,甚至会灼烧皮肤、产生肿胀等不良反应,在生产过程中要谨慎对待。
1.2 生产环氧丙烷的大致方法
环氧丙烷有很多生产的方法,目前国内外已经工业化的生产方法总体分为三种:1)氯醇法,又叫氯碱法,是先将丙烯经过氯醇化的过程,之后用卤素将丙烯氧化,从而制备出环氧丙烷;2)共氧化法,共氧化法细分的话又可以分为乙苯法和异丁烷法两种,但是这里不做过多的赘述,共氧化法是以异丁烷或乙苯作为载体去氧化,首先将乙苯或者是异丁烷制备成有机的过氧化物,最后将制备出来的有机过氧化物和丙烯进行最终反应,从而制得环氧丙烷;3)直接氧化法,目前用的最多的是过氧化氢氧化法,又被简称为HPPO法,操作简单,直接用双氧水将丙烯氧化,从而制得环氧丙烷,本来这个方法具备很大的问题,但是后来经研究发现了催化剂TS-1,钛硅分子筛,从而解决了问题。
据世界环氧丙烷生产能力的统计,其中共氧化法的产能占比最多,HPPO法占比最少,仅有5%,氯醇法因为工艺成熟占比仅次于共氧化法,可见,HPPO法制备环氧丙烷的工业化还有待研究发展。
氯醇法是最早用于生产环氧丙烷工业化的方法,生产工艺十分成熟,且对丙烯原料的纯度要求不是很高,目前氯醇法的使用已经有60多年,具有生产安全性高、建设投资少等多种优点,是氯醇法具有很强的竞争力,市面上使用氯醇法的工艺流程大致分为三个步骤,第一步是将丙烯进行氯醇化的过程,第二步是将石灰乳进行皂化,最后一步则是对产品进行精制,从而得到最终想要的产品。
但是氯醇法目前逐渐失去了市场竞争力,基本没有新的氯醇法装置在建,究其原因,是氯醇法制备环氧丙烷的生产,存在很大的缺陷,高耗高污染,生产过程中不仅消耗大量能源,还会产生大量废水废渣污染环境,且污染十分严重,据统计生产一吨的环氧丙烷需要消耗大量水、氯气和石灰原料,还会产生大量高污染指标的氯化物和皂化废水,污染严重,且处理起来十分困难,所以氯醇法是一种对环境十分不友好的方法,在未来终将被其他更环保的方式所取代。
共氧化法可以细分为乙苯共氧化法和异丁烷共氧化法。在环氧丙烷的生产方面与氯醇法进行比较,共氧化法的环境污染远小于氯醇法,没有氯醇法产生大量废弃物的缺点,同时,氯醇法的成本很低(联合产品的成本可以分摊)。由美国奥克兰公司开发,现在由美国的伦纳德公司开发。共氧化工艺的工业化始于1969年,一经使用就在全世界迅速发展。
过氧化氢直接氧化法(HPPO法)是直接用双氧水(过氧化氢)将丙烯氧化,从而制得环氧丙烷新工艺,工艺流程简单,生产过程中只生成水和环氧丙烷,产品收率高,基本无污染,属于环境友好的生产系统,是目前为止最为理想的环氧丙烷生产方法。
1.3 环氧丙烷制备方法的比较
表1-1 氯醇法、共氧化法和HPPO法优缺点比较
生产方法 | 优点 | 缺点 |
氯醇法 | 方法实施多年,工业化成熟 | 设备易腐蚀 |
工艺流程简单 | 大量废水 | |
选择性好 | 消耗大量氯气 | |
生产安全 | 副产物 | |
收率高 | 大量废渣 | |
共氧化法 | 产生废水较少 | 产生的废水不易处理 |
设备不会被腐蚀 | 工艺流程繁复 | |
经济价值高 | 需要大量品种不一的原料 | |
对原料丙烯的纯度要求很高 | ||
副产物很多 | ||
建设装置需要大量投资 | ||
HPPO | 污染小 | 投入工业化生产的时间短 |
需要的建设资金较少 | 工艺仍有缺陷 | |
无联产品 | ||
工艺流程简单 |
1.4 环氧丙烷制备法的发展过程
1.4.1 氯醇法
国内在生产环氧丙烷的几种方法中最常用的的是氯醇法,而且至今仍在使用氯醇法。
相关图片展示:







您可能感兴趣的文章
- 用于甲醇制烯烃反应的SAPO-34/ZSM-5复合催化剂的原位水热结晶合成外文翻译资料
- 硫化氢在活体的化学发光探针成像外文翻译资料
- 全色发射型ESIPT荧光团对某些酸及其共轭碱负离子识别的颜色变化外文翻译资料
- 一种用于成像神经元细胞和海马组织中NMDA受体附近内源性ONOO-的双光子荧光探针外文翻译资料
- 表面功能化的Ui0-66/pebax基超薄复合中控纤维气体分离膜外文翻译资料
- 金属有机框架中的可逆调节对本二酚/醌反应:固态固定化分子开关外文翻译资料
- 二维MXene薄片的尺寸相关物理和电化学性质外文翻译资料
- 将制甲烷的Co催化剂转化为产甲醇的In@Co催化剂外文翻译资料
- MXene分子筛膜用于高效气体分离外文翻译资料
- 模板导向合成具有排列通道和增强药物有效荷载的立方环糊精聚合物外文翻译资料


