具有脱硝功能的复合滤料制备和性能研究毕业论文
2020-04-18 20:46:10
摘 要
随着工业的迅速发展,工业排放的尾气越来越得到重视,尾气中含有固体颗粒物以及有毒气体,严重污染环境和影响人们的身体健康。袋式除尘器对处理工业尾气具有很好的效果,由于滤料的限制,袋式除尘器不能有效处理烟气中的氮氧化物。聚苯硫醚(PPS)滤料具有耐高温、耐腐蚀性、抗水解以及良好的阻燃性等性能,研究有重要意义。
将Mn基催化剂作为活性组分,本文采用柠檬酸法制备一系列Mn-Ce脱硝催化剂,发现当Mn/Ce摩尔比为2:3时NOx的脱效率最好,在150℃时接近100%。
将上述制得的催化剂负载到酸化过的PPS上,利用SEM等方法对复合滤料的结构和性能进行了研究,经过对比发现当负载量200g/m2时,脱除NOx效率最高。经过一段时间后,发现脱硝性能下降,催化剂可能发生脱落,可将碳纳米管先进行酸化负载到PPSN上再负载Mn-Ce催化剂或者用TiO2先包覆PPSN再负载Mn-Ce催化剂这两种方法能保持脱硝稳定性。
关键词:PPS滤料 锰氧化物 复合滤料 脱硝活性
Abstract
At present, with the rapid industry, more and more attention has been paid to its. The flue gas contains solid particles, dust and toxic gases, which seriously pollute the environment and damage health.Polyphenylene sulfide hadstrong ability to adapt to high temperature, good corrosion resistance hydrolysis resistance and good flame retardancy. Therefore, most of them were selected from power plant coal-fired boilers and waste incinerator filter bags. If the denitration catalyst was loaded on the bag filter to have a denitration function, the denitration function composite filter material had both dust removal anddenitration functions, but the temperature window of the general denitration catalyst was much higher than the use temperature of the polyphenylene sulfide filter material. Therefore, this paper aims to research and develop a new high-efficiency denitrification function polyphenylene sulfide composite filter.
The Mn-based catalyst was preferred as the active component of the composite filter. A series of Mn-Ce denitrification catalysts were prepared by citric acid method. It was found that when the molar ratio of Mn/Ce was 2:3, the denitrification efficiency of NOx was the best, approaching 100% at 150℃.
The catalyst prepared above was loaded onto the acidified PPS, and it was found that the composite filter had the best denitration activity when the loading amount was 200 g/m2. However, due to the long-time purging, the catalyst may fall off. Therefore, the acid-treated carbon nanotubes were first loaded onto the PPSN and the composite filter material prepared by coating with TiO2 had been found to have stable denitration performance, and these problems were solved.
Keywords:PPS filter material; Manganese oxides; Composite filter material; Denitration activity
目录
摘要 I
Abstract II
第一章绪论 1
1.1课题背景 1
1.2氮氧化物污染 1
1.2.1 氮氧化物来源及危害 1
1.2.2氮氧化物的控制技术 2
1.2.3 低温NH3-SCR技术 2
1.3Mn基低温脱硝催化剂研究现状 4
1.3.1非负载型Mn基低温SCR脱硝催化剂 4
1.3.2 负载型氧化锰基脱硝催化剂 4
1.4 袋式除尘器及滤料简介 6
1.4.1 袋式除尘器 6
1.4.2滤料的过滤机理 6
1.4.3 滤料的发展过程 6
1.4.4 聚苯硫醚滤料 7
1.5 同时除尘和脱硝技术的研究状况 7
1.5.1 滤袋除尘器内部安装过滤器 7
1.5.2 催化剂直接负载的脱硝功能的复合滤料 7
1.6 本课题研究的目的及意义 8
第二章实验材料及分析方法 9
2.1实验材料 9
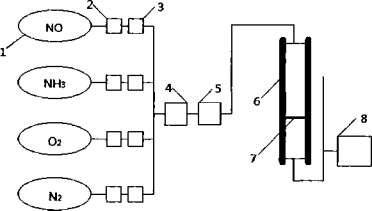
2.2主要仪器及设备 9
2.3主要实验装置的实物图 10
2.4测试与表征分析 11
2.4.1活性测试及其实验装置 11
2.5.2扫描电子显微镜(SEM) 12
第三章低温高效Mn-Ce脱硝催化剂的制备与性能研究 13
3.1 引言 13
3.2催化剂的制备 13
3.3结果与讨论 14
3.3.1脱硝活性性能测试 14
3.3.2催化稳定性能测试 14
3.4 本章小结 15
第四章聚苯硫醚滤料负载Mn-Ce催化剂的制备与性能研究 16
4.1 引言 16
4.2实验部分 16
4.2.1 PPS的酸化 16
4.2.2 催化剂的负载 16
4.3结果与讨论 17
4.3.1扫描电镜(SEM)分析 17
4.3.2脱硝活性测试 18
4.3.3 催化稳定性测试 19
4.4本章小结 20
第五章Mn-Ce/CNTs-PPSN和Mn-Ce/TiO2@PPSN复合滤料的制备与稳定性测试 22
5.1 引言 22
5.2 实验部分 22
5.3本章小结 23
第六章总结与展望 24
6.1结论 24
6.2展望 24
参考文献 25
致谢 30
第一章绪论
1.1课题背景
近年来工业发展迅速,燃料使用量巨大,环境问题十分严峻,主要是大气污染,空气中各种污染物的含量急剧增加超过环境承载力,使得空气质量急剧下降,影响人们的正常生活、破坏自然环境[1]。其主要污染物含有一氧化碳、二氧化碳,二氧化硫等造成酸雨,温室效应一系列环境问题[2,3],严重影响我国大气质量。
我国的煤炭资源十分丰富,同时对煤炭的使用量也是巨大的,经相关资料显示煤炭的能源消费比占65%,粉尘以及氮氧化物的排放量都很高,由于工业化的快速发展,它们的比例也会越来越高[4]。随着经济的发展以及人们环保意识的提高,对燃煤污染物排放的治理方面也会有更高的要求。
我国在大气污染物排放条例中规定电厂产生的不得大于100mg/m3,随着人们环保意识的提升,对烟气排放的要求也会越来越高[5]。目前,一方面我国开始实施对微细颗粒物的控制,另一方面优化火力发电产业机构,希望能促进产业的可持续健康发展。
以上是毕业论文大纲或资料介绍,该课题完整毕业论文、开题报告、任务书、程序设计、图纸设计等资料请添加微信获取,微信号:bysjorg。
相关图片展示:









