立体式装箱流水线系统设计毕业论文
2020-02-17 23:06:05
摘 要
在工业化的社会生产实践中,对产品进行计数装箱是人们经常需要面临的工作。人工计数装箱不但效率低下,而且劳动强度大,所要投入的人工成本也很高,因此自动化的计数装箱系统是很有必要的。随着微型集成电路的普及,尤其是单片机的快速发展和应用,自动装箱系统有了简单高效的实现途径。用高效率的自动化生产线代替低效率的人工劳动可以大大降低企业的生产成本,提高产品生产率,给企业带来更高的利润。自动装箱系统的应用将人们从复杂的脑力和体力劳动以及恶劣危险的工作环境中解放出来,极大提高的劳动生产率。本论文主要设计了一个基于STC89C52RC单片机的立体式自动装箱流水线系统,能够使得对工业自动化生产流水线上的产品进行精确的计数及装箱控制,自动装箱系统相比较于人工计数及装箱有着明显的效益优势。
关键词:STC89C52RC;自动装箱;人工;效益
Abstract
In industrial production practice, people often need to count and pack products. Manual counting and packing system is not only inefficient, but also labor intensive, and the labor cost is also high, so it is necessary to automate counting and packing system. With the popularity of micro-integrated circuits, especially the rapid development and application of single-chip computers, automatic packing system has a simple and efficient way to achieve. Replacing inefficient manual labor with efficient automatic production line can greatly reduce the production cost of enterprises, improve product productivity and bring higher profits to enterprises. The application of automatic packing system liberates people from complex mental and physical work and harsh and dangerous working environment, and greatly improves labor productivity. This paper mainly designs the three-dimensional automatic packing line system based on STC89C52 single-chip computer, which can realize the accurate counting and packing control of products on the industrial automation production line. Compared with manual counting and packing, the automatic packing system has obvious benefit advantages.
Key Words:STC89C52RC;Automatic Packing;Artificial;Benefit
目录
第1章 绪论 1
1.1 研究的目的及意义 1
1.2 国内外研究现状 1
1.3 研究内容 1
第2章 单片机概述 3
2.1 单片机简介 3
2.2 单片机的特性 3
2.3 单片机的应用 4
2.4 STC8952介绍 4
第3章 自动装箱控制 6
3.1 系统原理 6
3.2 硬件系统 7
3.2.1 单片机最小系统 8
3.2.2 步进电机控制电路 9
3.2.3 液晶显示电路 11
3.2.4 光电门电路 15
第4章 程序设计 18
4.1 步进电机控制 18
4.2 LCD1602显示 19
4.3 延时和中断 21
4.3.1 延时 21
4.3.2 中断 22
第5章 系统仿真调试 24
5.1 仿真电路 24
5.2 系统调试 24
第6章 总结 27
致谢 29
第1章 绪论
1.1 研究的目的及意义
单片机是一种集成化程度很高的微型计算机,它可以独自地完成现代工业所要求的智能化控制功能,如今单片机的自动化控制在工业生产中随处可见,可以说人类社会科学技术发展到今天,如果没有自动化控制,人类将无法进行社会劳动,可见自动化控制对于今天的社会是多么的重要。自动装箱就需要用到自动化控制,因此可以考虑使用单片机来完成自动装箱系统的设计。自动装箱系统的控制方法有PLC控制,单片机控制等,随着近年来单片机在自动化控制技术方面的成熟,单片机使得自动化控制变得更加的简洁高效[1]。
在现代化的生产实践中,要进行大规模的生产某种产品,如果使用人工来对产品进行计数包装将会消耗巨大成本并且效率低下。为了解决企业大规模生产中,人工计数包装带来的低效和高成本,这就是我的研究课题,设计一种基于单片机的自动装箱系统。
1.2 国内外研究现状
对于自动化控制的研究国内的起步时比较晚的,欧美等许多西方国家从第一次工业革命开始就对自动化开始做了深入探索,而那时中国还处于封建社会末期,自动化方面自然比不过西方,并且比他们晚一百多年。但是第一次工业革命的探索只能说时自动化控制探索的萌芽阶段,真正的自动化技术是从上世纪七十年代以后才开始的。
虽然国内对于自动化控制的研究起步比较晚,但是通过近三十年无数先辈研究人员的深入研究,自动化控制领域得到了迅猛的发展,如今国内自动化控制被广泛应用于医疗设备、船舶、航空、工业、测量等各个方面,几乎每个领域都有自动化控制应用的身影。我们在这个方面正逐步赶上欧美等发达国家,走在了世界前列[2]。
像中国这样的东方超级大国来说,中国一直有“世界工厂”的称号,中国制造的身影遍及世界的每一个角落。中国效率震惊世界,这得益于中国自动化控制的深入广泛的应用。高效率的工业制造让“中国制造”遍布全球,高效率的经济建设让中国变成了世界第二大经济体,高效率的环境治理让中国变得处处有风景。这些是我们华夏儿女共同努力的结果,但是自动化控制的广泛应用让此情此景来的更快。
1.3 研究内容
设计一个基于STC89C52单片机的立体式装箱流水线系统。系统要求能够通过单片机同时控制两个步进电机构成的传送带工作,两条传送带分别传送纸箱和小球,能够通过按键设置每个纸箱装入小球数目,并且系统有总的开关和停止按钮,以便系统工作以及故障停止。整个系统是个立体式的结构,传送小球的传送带在上方,传送纸箱的传送带在正下方,以便保证小球能够正落入纸箱中。系统应有广电感应模块用于计数,当通过小球数目达到设定值时,传送小球的传送带应自动停止,同时下方传送带工作并运送装好的纸箱通过光电感应,应保证下一个纸箱到达的位置刚好在小球将要落下的位置,这时运送纸箱的传送带停止,同时运送小球的传送带继续工作。系统应加入液晶显示模块,以便实时知道目前装入小球数目的状况。
在下面的章节中,我将全面、系统、深入地从系统设计的各部分的原理、软硬件方面讲解自动装箱系统设计。在第2章单片机的概述中,主要讲述了单片机的发展历程,着重介绍了设计中用到的STC89C52RC单片机;在第3章自动装箱控制中,我介绍了各部分硬件系统的原理以及相关知识;第4章程序设计是根据前面原理部分而对应设计程序。
第2章 单片机概述
单片机的发展过程十分迅猛,从上世纪七、八十年代开始至今,仅仅只有四十年的时间。我国虽然起步比较晚,但是由于先辈们不懈的探索以及全球化带来的西方先进的技术经验,我国在单片机方面有着飞速的发展,已经处于世界前列。
从上世纪七十年代,美国的英特尔公司研制出了世界上第一个四位微型处理器开始,而后过了几年的时间,其公司的霍福研制成功世界上第一块四位微型处理器芯片,并把它命名为英特尔4004,这就标志着第一代微型处理器的问世,微型处理器和微机时代也由此开始。同一时间内,英特尔公司研制出MCS-48系列八位的单片机,这就是单片机的问世,从此人们开始进入了单片机的时代。
2.1 单片机简介
单片机使用的是超大规模集成技术[3]。它一般包括中央处理器CPU、只读存储器ROM、随机存取存储器RAM、输入/输出I/O口和定时器/计数器等基本功能模块。对于一些高级的单片机,可能还有脉宽调制电路、数模数模转换器、电机驱动电路、显示驱动电路等多种功能。单片机的发展十分迅速,从上世纪七、八十年代开始,这期间仅仅只过了四十年。如今,单片机被广泛应用于工业控制中[4]。
单片机不是为了完成某一个或某几个逻辑功能而制造的芯片,它是把一个计算机体系架构利用超大规模集成技术集成到一个硅制芯片上而制造的功能完整的微型计算机,它同计算机一样具有核心的CPU以及各种总线结构,单片机只是缺少了I/O设备。单片机的体系结构是和计算机是一致的,因此我们可以通过使用单片机来更加简单高效的了解计算机原理与结构。并且单片机的体积小、质量轻,价格也十分的便宜,非常方便我们学习和应用,完全可以被广泛地学习应用于各个方面。
在先如今的社会,不管是工业生产还是日常生活,我们都很难离开单片机的应用。如自动控制、智能管控、实时检测、通讯设备、导航系统等方面广泛使用了单片机,甚至在我们日常生活中的家用电器中也经常会使用单片机,比如一些洗衣机,空调等。各种产品如果用上了单片机,就好比为产品加入了“大脑”,使得它们工作起来更加地智能高效。
2.2 单片机的特性
主流的单片机一般都包括中央处理器CPU、随机存取存储器RAM、只读存储器ROM、 两个十六位定时/计数器、四个八位并行串口、全双工串口行口、ADC/DAC(模数/数模转换)、SPI(串行外设接口)、I2C(内部串行总线)、ISP(图像信号处理)、IAP(应用编程)等[5]。单片机的体系结构简单,而且使用起来非常方便,可以实现模块化的应用;单片机具有高可靠性,可以使用工作上百万个小时;单片机的处理功能非常强大,能够保持高速运行,并且所需要的电压条件低,普通的直流电压就能够满足其要求,功耗也十分低;单片机的控制功能强,在装箱控制中应用广泛,并且有着超强的环境适应能力,不会受外部环境干扰。
2.3 单片机的应用
在如今这个时代,单片机早已经渗透到我们生活的各个领域方面中去了,甚至在某些领域根本离不开单片机的使用。单片机被广泛应用于仪器仪表测量,家用电器控制,医疗设备运作,航空航天飞行,专用设备的智能化管理与控制,以及其他重要领域[5]。比如,医疗设备中的各种仪表的测量控制、飞机飞行时的导航装置、工业自动化生产过程中对产品数量及质量实时控制和数据处理、计算机设备间的网络通讯和数据传输等等,这些以及还有许多其他方面都离不开单片机的应用。在高科技领域中,单片机更是扮演者至关重要的角色,例如说工业化生产中机器人的自动控制程序、智能仪表的测量以及核心大脑、医疗器械的自动控制以及仪表部分的测量等等这些智能化的方面,单片机更是起着决定性的作用。因此,对于那些想要在未来进入智能化控制领域的人来说,学习单片机是一个必须而且最基础的部分。试想一下,未来机器人必定会广泛应用,因此想要抓住这股浪潮的人一定要学好单片机。
2.4 STC8952介绍
STC89C52RC使用了经典的MCS-51内核,并且具有8k字节的系统可编程Flash存储器,具有低功耗、高性能的特点[6]。
下图2.1所示为STC89C52的引脚图,可以看到STC89C52单片机芯片有40个引脚,采用DIP-40封装。其部分引脚功能如表2.1所示:
由下表可以知道例如,10脚和11脚的RXD和TXD分别是串口通信输入和输出端,是用来向单片机写入程序的端口;16脚和17脚的WR和RD分别是外部数据存储器写选通信号输出端和读选通信号输出端,也即是选择是写入单片机存储器还是读取单片机;18脚和19脚的XTAL2和XTAL1是用来接晶振的,通常还要外接两个20~40pF的电容,它们的作用是保护晶振电路并且让晶振稳定的振动;29脚PSEN是程序存储允许,当为低电平则允许存储,当为高电平则不允许存储;30脚ALE/PROG,ALE是地址锁存允许,PROG是编程脉冲。

图2.1 STC89C52RC引脚图
表2.1 STC89C52部分引脚功能

第3章 自动装箱控制
3.1 系统原理
自动装箱控制系统的模型图如图3.1所示:

图3.1 自动装箱系统
由上图3.1所示,是自动装箱系统的工作过程图。当按开始按钮,传送带1开始转动,并将带动产品通过光电门1落入传送带2上的纸箱,当光电门1检测到规定的产品通过时,传送带1停止转动;与此同时,传送带2拖动装好的纸箱通过光电门2;当光电门2感应到纸箱通过后,下一个空纸箱刚好送达指定位置,这时传送带2停止转动,与此同时传送带1继续转动。如此循环工作。当按下停止按钮传送带1、2均停止转动,并保留状态,当再次按下开始按钮时,系统继续工作。
工作流图如图3.2所示:

图3.2 自动装箱系统工作流程图
3.2 硬件系统
自动装箱系统的硬件部分主要由单片机的最小系统、步进电机控制电路、LCD1602液晶显示电路以及光电感应电路四个部分组成[7]。
单片机的最小系统是一个单片机系统最基本的部分,步进电机控制电路是立体式装箱流水线系统的核心部分,LCD1602液晶显示电路能够直观的反应系统工作状况,光电感应电路用于计数和判断并帮助步进电机动作变化。
3.2.1 单片机最小系统
单片机的最小系统就是单片机使用电源、晶振电路和复位电路三个部分组成的可以正常工作的单片机系统[8]。一般单片机系统都要包含这个最小系统。

图3.3 单片机最小系统
通过查阅STC89C52单片机数据手册,我们可以知道它的所有参数。它的工作电压在3.4V到5.5V之间(这实际上是一种5V单片机,除了5V单片机常见的还有3.3V和12V单片机),即当电源电压在3.4~ 5.5V之间单片机就可以保持正常工作,如果电压长时间超过5.5V,单片机就有可能被烧坏;电压如果低于3.4V,单片机虽然不会损坏,但也无法正常工作,为了让单片机安全可靠的工作,一般情况下最合理的电压最好是5V。5V的直流电源是很常见的,比如电脑的USB接口输出的就是5V直流电压,因此可以借助电脑提供给单片机合理的电源。
STC89C52单片机的18引脚和19引脚的XTAL2和XTAL1是晶振引脚,用来连接了一个11.0592 × 106 Hz的晶振,11.0592 × 106Hz表示它每秒振荡次数达到11059200次。组成晶振电路通常还需要外加两个电容,取值一般为30pF,它们可以帮助晶振起振,并且可以让振荡信号的维持稳定。晶振对于一个涉及定时的系统是至关重要的,没有它我们就无法计算某个功能模块持续的时间,这就相当于人没有了时间概念,不知道自己工作了多久,休息了多久,这样生活就没有了规律。单片机也是一样的,没有了晶振电路,单片机系统将会工作的一团糟。
在上图3.3中,连接单片机9脚RST连接的部分电路即是复位电路。在程序运行时,经常会因为遭受到意外干扰而导致程序死机,这个时候就可以按下一个复位按键,让程序重新初始化重新运行,这个过程就叫做复位[7]。
3.2.2 步进电机控制电路
步进电机控制电路如下图3.4所示,它是由ULN2003A芯片驱动步进电机而构成的。


图3.4 步进电机控制电路
ULN2003A有16个引脚,采用的是DIP-16封装,有体积小、耐高压的特点。通常可以使用在步进电机驱动电路、照明驱动电路等电路中[9]。ULN2003A一般的输入电压为5V或者12V,在仿真和实际设计中,为了和单片机工作电压统一,我选择的是5V工作的ULN2003A,这样在实际焊接中,统一的电压可以减少电源输入模块,只需要一个5V的输入电压即可使整个系统正常工作,同时降低了电路排线的复杂度。通常ULN2003A和步进电机组成的驱动电路需要上拉2到3千欧的电阻,这样可以保持电路电流在不会烧坏步进电机的安全范围内。

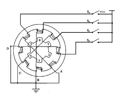
图3.5 四相步进电机示意图
如图3.5所示,是四相五线永磁式减速步进电机。它的内部的内圈有六个凸起的齿,分别标注为0到5,这个叫做转子,每个转子都是一块永磁体。外圈上凸起的部分叫做定子,当电机工作时,真正转动的部分是转子,而定子由于是跟外壳固定在一起,所以它们是保持不动的。它的外圈有八个定子齿,每两个正对的定子齿一组,一共有四组,分别标注为A、B、C、D,这就是四相步进电机的“四相”了。在每一对定子齿上都有同一电流,并且同方向的绕组,这就保证了正对定子齿同时导通或者断开。
步进电机的内部工作原理如下:如上图3.5所示,我们假定这是它的起始状态当步进电机沿着逆时针方向转动时,开关SB闭合,B相的两个定子齿上的绕组就会导通电流,由物理学知识,此时B相的定子齿就会形成电磁铁产生暂时的磁性吸引力,因为A、C、D这三个相没有导通,所以它们对应的定子齿没有产生磁性,这样离B相最近的转子齿就会在吸引力的作用下转动到正对B相的位置,也就是我们现在看到的如图3.5所示的那样。这时的状态是,转子的0号齿和正对的3号齿正对B相而保持平衡,而转子的1号齿和4号齿与C相有一个比其他转子齿更小的夹角,当SC闭合而其它开关断开时,C相绕组上的定子齿就会变成电磁铁,从而吸引离他最近的与C相的一个绕组有一个很小的夹角,这个夹角相比于转子的2号齿和正对1号齿和4号齿,直到它们正对C相。接着闭合开关SD、SA,这里的运动状态和上述B相和C相一样,不再阐述。这样转子就会沿着B-C-D-A循环转动。
以上是毕业论文大纲或资料介绍,该课题完整毕业论文、开题报告、任务书、程序设计、图纸设计等资料请添加微信获取,微信号:bysjorg。
相关图片展示:









