基于单片机的多段温控电水壶设计毕业论文
2020-04-13 11:06:15
摘 要
本文研究设计的多段温控电水壶采用STC12C5A60S2单片机作为控制核心,配套应用了在工业工程实际中使用最为广泛的PID控制算法。本设计对实现智能温控的可行性进行了分析后,最终采用DS18B20,LCD1602和继电器等硬件完成了制作,解决了以往的电热水壶没有自动温控或者温控效果差的缺点,对传统电热水壶的改进有所帮助,具有一定程度上的指导意义。
论文主要对方案的设计和如何去实现进行了研究,并先后从硬件模块和软件设计程序两个方面进行了详细地介绍分析。第一章是绪论部分,介绍了研究的背景目的和现状分析,第二章介绍了组成整个系统的硬件模块,第三章是软件子程序的说明。最终结果表明设计出来的电热水壶通过PID温控实现了对温度的实时控制,其中的程序功能齐全,完善的设计,简单的方案易于实现,有利于普遍推广,具有可观的实用价值。
关键词:STC12C5A60S2单片机;DS18B20;LCD1602;温度控制;PID控制
Abstract
The multi-stage temperature-controlled electric kettle researched and designed in this paper uses the STC12C5A60S2 microcontroller as the control core, supporting the most widely used PID control algorithm in industrial engineering practice. After analyzing the feasibility of realizing intelligent temperature control, this design finally uses DS18B20, LCD1602 and relays and other hardware to complete the production. It solves the problem that the conventional electric kettle has no automatic temperature control or poor temperature control effect. It has the traditional electric kettle. The improvements are helpful and have a certain degree of guiding significance.
The dissertation mainly studies the design of the scheme and how to implement it. It also introduces and analyzes the hardware module and the software design program in detail. The first chapter is the introduction part, introduces the research background purpose and the present situation analysis, the second chapter introduces the hardware module which composes the whole system, the third chapter is the explanation of the software subroutine. The final result shows that the designed electric kettle achieves real-time temperature control through PID temperature control. The program has complete functions, perfect design, simple scheme is easy to implement, and it is conducive to universal promotion. It has considerable practical value.
Key Words:STC12C5A60S2 MCU; DS18B20; LCD1602; temperature control; PID control
目录
第1章 绪论 1
1.1 课题研究的背景、目的及其意义 1
1.2 国内外研究现状和成果 1
1.3课题研究设想和实验设计 2
1.4论文整体结构 3
第2章 硬件系统设计 4
2.1系统的总体设计思路 4
2.2单片机主控模块 4
2.3按键模块 5
2.4温度采集检测模块 6
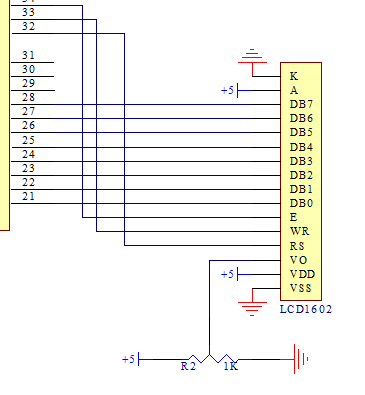
2.5液晶显示模块 8
2.6继电器及驱动加热模块 10
2.7电源供电模块 11
第3章 软件系统设计 12
3.1温度采集处理子程序 12
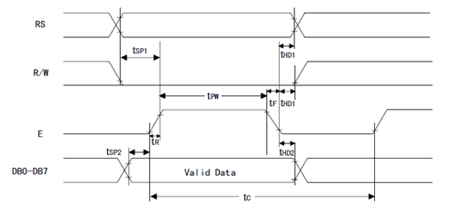
3.2LCD1602液晶显示子程序 14
3.3主程序流程图 16
3.4 PID算法控制 18
3.4.1PID控制的原理和特点 18
3.4.2PID参数的设定 19
第4章 总结与展望 20
参考文献 21
致谢 22
附录A实物图 23
附录B电路图 24
附录C源代码 25
第1章 绪论
1.1 课题研究的背景、目的及其意义
近些年来,单片机技术得到快速发展与改进,应用到单片机的方面也在日益扩大,单片机通常是作为一个核心的部件应用在即时监测和自动化控制的系统中。在明确知道详细的硬件结构和所应用的对象后,结合软件去设计并改进控制系统,取代繁杂的电子电路或者数字电路,通过软件控制配套的外围电路,来确保设计的可实现性。随着电子行业的发展革新与现代化,在技术层面,传感器技术和计算机技术在不断进步完善,此外,传感器和微型计算机的成本价格虽然在逐渐地降低,其可靠性仍在逐步地提高。在实现对温度的控制的同时,提高温度控制的精准度都可以通过现代信息技术手段来达到,并且实现起来挺容易的。在用户的日常生活中,电水壶作为一款与用户需求相关的现代社会产物,它是一种由单片机为主控核心的产品。其中,温度作为一个最基本又极为重要的的物理量,在电热水壶工作的过程中,温度控制是核心,因此如何进行温控成为一个实际性的研究课题。
本文的研究是充分借鉴既有的研究成果并在这基础上加以改进,设计实现一款能对水温实时检测并显示,在达到水温设定值时自动断开加热电路并通过蜂鸣器报警提醒用户的具有智能温控功能的简易电水壶。
1.2 国内外研究现状和成果
目前电热水壶是日常生活中常见的家用电器,其自从1922年问世以来,前前后后大共经历了五个发展阶段,到21世纪,随着现代化的设计技术和生产工艺水平的提升,电热水壶得以进行世界范围的大规模生产并进入千家万户,成为现代人类日常家庭生活中不可或缺的家用电器。电热水壶最开始出现在西方家庭使用中,后来才在中国发展,国内的发展历史虽然短暂,但其后发展速度呈井喷式提升。电热水壶具备的特点如其构造很简单,操作起来很方便,耗能小,加热迅速,可使用寿命长,用着安全卫生等。国内电热水壶产品的生产最开始的时候主要用于出口国际市场,后来随着国内市场的开拓,它也以50%的市场年增长率在国内市场稳定增长。虽然饮水机的家庭普及率挺高,但饮水机的体积通常较大,存在重复加热的二次污染问题,随着消费者的意识不断提高,相比之下,更多人愿意选择多购置一款即用即饮的电热水壶产品,所以电水壶产业还是有良好的发展机会。据中国报告大厅的行业分析师指出,电热水壶市场在经历长期的严峻的市场考验后,市场格局大致已定,,国内品牌阵营占据约31%的中低端市场,附带较高品牌价值的国外品牌阵营主要占据高端市场。目前市场上主要有三种产品供消费者选择,其大致可分为普通型(不带温控装置)、自动温控型(不带自动供水装置)、全自动温控型(带气压供水且可自动切断电源或自动保温)三种。根据调查报告显示,普通型电热水壶受到高达48%将近一半消费者的青睐,选择自动温控型电热水壶的消费者也约占三分之一,,而只有剩下的极少数消费者才会选择高级的全自动温控型电热水壶。由此可见,消费者主要还是选择消费购买普通电热水壶和自动温控型,功能实用的产品更容易受到消费者的欢迎。研究整个行业发展趋势可推断,整个国际市场的冲击对国内的生产厂家有一定的影响,但与此同时,国际电热水壶市场的发展脚步也深受中国企业来自制造研发等方面的影响,最突出的一点表现为产品设计已经几乎跟上了西方强国和美日老牌的步伐。据中国报告大厅发布的《2015-2020年中国塑料电水壶行业专项调研及投资价值预测报告》显示:“电热水壶行业的可持续发展与消费的升级息息相关,稳定发展中寻求新的突破是整个行业的唯一出路。可突破的方面目前大致为设计新的产品,附加更多实用的新功能,选择更加优质的制造材料。然而由于电水壶产品本身就是一种简单的小家电,很多企业在寻求突破时不知道怎么办才好。总而言之,其实电水壶产品遵循高品质,易操作,功能智能人性化的趋势去发展就好[1]”。
在早期基于单片机的电水壶控制系统设计中,国内外很多都采用时间控制。时间控制的设计思路大致就是给予额定的工作电压,加热元器件开始工作,在固定的某个时间段后自动断电,让热水壶停止工作。时间控制系统的设计要求难度系数小,易实现,操作简单,且其结构单一,不需要付出高成本,很多制造厂家都倾向于选择这样的控制方式,但其无法满足人们现代化需求的弊端也慢慢地暴露了出来,于是现代温度控制方式取代了时间控制。可知,现代化电热水壶的核心就是水温控制系统或者说是温控器部件。电热水壶温控器的发展状态与日俱进,英国作为老牌的电热水壶制造强国拥有着当今最为出色的温控器,国内如海林和亿林等国产品牌温控器也是不错的选择,其在品质差距保持不大的同时,还具备更高的性价比。现代电热水壶采用温控系统,紧接着该选择什么样的温度传感器便成了一直讨论的热点。温度传感器的应用于工业生活的方方面面,其种类繁多,使用基数大,居各类传感器的首位。传统的温度传感器划分为分立式温度传感器(含敏感元件)和模拟集成温度传感器两种,而相比之下,以DS18B20为代表的数字温度传感器(也可称之为智能温度传感器)应用于电热水壶中更加方便实用。随着目前单片机的各种应用,将智能温度传感器与其结合应用,用于设计区别于传统单温电水壶的基于单片机的智能化温控电水壶,是电水壶设计的一个好的发展方向。
1.3课题研究设想和实验设计
以上是毕业论文大纲或资料介绍,该课题完整毕业论文、开题报告、任务书、程序设计、图纸设计等资料请添加微信获取,微信号:bysjorg。
相关图片展示:









