基于STM32的数字化电压源设计毕业论文
2020-04-12 15:43:49
摘 要
数字电源是利用微处理器以数字方式控制的电路,其以数字信号处理器(DSP)或微控制器(MCU)为核心,控制对象一般为数字电源驱动器、PWM控制器等等,能实现控制、管理、监测等功能。本设计乃是以微控制器为核心的数字化电压源设计,设计中需要用到的平台为STM32单片机,本设计不仅性价比高、参考资料丰富、开发难度相对较小、成本较低,更兼具数字电源所具有的各项优势,具有极高的应用价值及研究意义。
本设计中输出的可调电压由控制信号控制。将输入的电压DC24V变为DC0-24V的可调电压输出,这部分利用专门的开关电路来实现转换。先使控制信号进入单片机(包含两种方式:端口接入方式和MODBUS通信方式),单片机实现AD转换,经调节器运算后输出PWM波(同时数码管显示输出电压值),再通过该PWM波来控制开关电路,从而将输入的24V直流电压转换为0-24V直流电压输出。本设计中将完成基于STM32F103ZET6的数字化电压源的方案制订和硬件电路的设计、软件程序的编写,并对整个系统进行软硬件调试。
关键词:STM32单片机,数字化电压源,BUCK电路
Abstract
A digital power supply is a circuit that is controlled digitally by a microprocessor. It uses a digital signal processor (DSP) or a microcontroller (MCU) as the core, and the control objects are generally digital power drivers, PWM controllers, etc., and can realize control. , management, monitoring and other functions. This design is based on the microcontroller as the core of the digital voltage source design, the design needs to use the platform for the STM32 microcontroller, this design is not only cost-effective, rich reference materials, development is relatively difficult, relatively low cost, both The advantages of digital power supply have extremely high application value and research significance.
The adjustable voltage output in this design is controlled by the control signal. The input voltage DC24V is changed to the adjustable voltage output of DC0-24V, and this part uses a special switching circuit to realize the conversion. First make the control signal into the SCM (including two ways: port access mode and MODBUS communication mode), the SCM achieves AD conversion, after the regulator operation output PWM wave (at the same time the digital display output voltage value), and then through the PWM wave To control the switching circuit, which will convert the input 24V DC voltage to 0-24V DC voltage output. In this design, the formulating of the digital voltage source based on STM32F103ZET6, the design of the hardware circuit, the preparation of the software program, and the hardware and software debugging of the entire system will be completed.
Key Words:STM32 microcontroller, digital voltage source, BUCK circuit
目 录
第1章 绪论 1
1.1 数字电源的研究背景和意义 1
1.2 数字电源的现状和发展趋势 2
1.3 课题的研究内容和章节安排 3
第2章 数字化电压源的方案探讨 4
2.1 数字化电压源的系统分析 4
2.2 数字化电压源的方案选择 5
第3章 数字化电压源的硬件电路设计 8
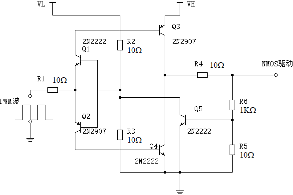
3.1 降压转换电路BUCK电路 8
3.2 BUCK电路的开关管驱动电路 10
3.3 STM32F103ZET6单片机电路 12
3.3.1 STM32F103ZET6的ADC 12
3.3.2 STM32F103ZET6的LED 13
第4章 数字化电压源的软件设计 14
4.1 数字化电压源的软件流程 14
4.2 ADC1采集外部电压的设计 15
4.3 定时器输出PWM的设计 18
4.4 ADC2采集PWM波的设计 22
4.5 LCD显示和DS1闪烁的设计 24
4.5.1 LCD显示的程序设计 24
4.5.2 DS1闪烁的程序设计 25
第5章 数字化电压源的硬件电路仿真 26
5.1 BUCK电路的仿真 26
5.2 NMOS驱动电路的仿真 29
5.3 带NMOS驱动的BUCK电路的仿真 32
第6章 总结与展望 34
参考文献 35
致 谢 36
第1章 绪论
如今,数字电源越来越多地渗透到了人们的生产和生活当中,本次课题是针对数字化电压源的设计,本章将对数字电源的研究背景、研究意义、发展趋势等作一个介绍。
1.1 数字电源的研究背景和意义
随着现代社会的飞速发展,各种电气电子设备、IT基础设施等越来越广泛地应用到了人们的日常生活中。电子产品的应用必然伴随着其电力的驱动,在传统的模拟电源的基础上,从早些年需要高精度数据采集和实时控制的大型的服务器、数据通讯设备等,到如今的小型家电、电脑、手机、照明等领域,数字电源开始发挥着越来越重要的作用。
数字电源技术自上世纪末开始出现,是通常以DSP(数字信号处理器)或MCU(微控制器)为核心来控制其驱动器、PWM控制器等,并且具有控制、管理和监测等功能的电源。数字电源可以通过设定开关电源的内部参数来改变其外在特性,同时其还运用到了可以有效分配电源的电源管理技术,通过该技术的运用,数字电源可以降低电路中的损耗。
顾名思义,数字电源乃是以数字方式控制的电路。不同于模拟电源发出的模拟信号,数字电路最大的特点便是其电路中的信号乃是对应模拟电路的连续信号的离散信号,其采用二进制,结构简单,而且其代码符号仅有0和1两种,实现起来也比较容易。
数字电源和模拟电源的区别主要是电源在控制方式上的区别。模拟电源通过模拟电路去控制开关管的开通和关断;而数字电源通过AD采样、计算误差,需要一定的闭环算法,计算得到占空比(这里的占空比是离散的,不是无级连续的)去控制开关管。因为微控制器的引入,数字电源比较容易拓展功能,比如通信、校准等等。
与使用了很长时间的模拟电路相比,数字电源的显著优点是能够有效缩小电源体积、降低成本,其通过对DSP技术的运用,可以获得稳定的控制参数,也能够提升设备的可靠性和适应性;同时,得益于其电路中对微控制器的运用和数字控制方式,数字电路在很多方面具有压倒性的绝对优势。
比如,无论是数字电源还是模拟电源,其使用中都避不开对回路与接口的控制,对此模拟电源采取的是模拟控制方式,而数字电源则选择的是更加简洁而高效率的数字控制方式。与此相对应的,数字电源的显著特征是其数字接口与可程序化,这也是数字电源能够简化产品应用的技术基础。
此外,数字电路不仅瞬态响应快、能更精确地调节精度、稳定性更高,而且具有更完善的故障调节机制,效率也更高。正是因为数字电源所具有的这些模拟电源望尘莫及的优势,其在现代电源特别是高精度电源中得到了日渐广泛的应用。
自上世纪末以来,以DSP、微ASIC和状态机(State Machine)等为主的真正的数字电源控制器一直在不断发展;近年来,得益于数字电源技术的飞速发展和其所具有的传统模拟电源所不具备的优势,其渐渐开始在现代电源的控制中崭露头角。
在大型器件如太阳能逆变器中,数字电源的应用能有效地减小器件的体积、从而降低成本,也可以提升系统的整体效率,还具有自检和监测功能,支持控制端进行远距离的遥控,这给新能源的开发带来了方便。在小型设备如手机、家电、照明设备当中,数字电源技术的引入,不仅加强了其自身的电源控制和管理,也提高了设备的电力使用效率、延长了设备的使用周期,这也使得小型设备越来越符合现代社会中对微型高效器件的要求。
社会的发展离不开技术的革新和进步,数字电源将给电气电子设备带来更高效的电力驱动,也将给人们的生活带来更大的便利。
1.2 数字电源的现状和发展趋势
现在市面上已经存在的数字电源能通过其外接键盘和液晶显示器等模块,来进行人机交互操作,也能通过其具有的RS485、RS232等串口或CAN总线等接口,来与上位机进行信息传递和远距离控制。同时,数字电源上所具有的网络接口方便了其实现在线维护和升级等功能,这不仅提高了其可靠性,还延长了其使用寿命,更符合现代技术发展的要求。
目前在数字电源的国际领域中,占有龙头地位的是德州仪器以及Microchip这两家半导体公司。近年来,在其开展的有关数字电源的研究中,这两家公司都没有单独地做基于微控制器或者是基于数字信号处理器的数字电源,而是致力于研究制造二者结合的数字电源。数字信号处理器拥有强大的数字计算和处理能力,而微控制器对其周边拥有强大的控制能力,显而易见,只利用二者之一的数字电源在功能上必然会有所不足,要想研究出功能更完善的数字电源,二者缺一不可。
同时,国际上也有很多针对数字电源的研究,而且最近有了新的成果。今年初,瑞萨电子株式会社推出了新型的完全集成的数字电源模块,该电源模块完美地展现了数字电源的优势,其集成了控制器、MOS管和电感等无源器件,体积小、成本较低、易于控制,这可以说是数字电源技术上的又一突破,同时也体现着数字电源在新时代所具有的发展潜力。
以上是毕业论文大纲或资料介绍,该课题完整毕业论文、开题报告、任务书、程序设计、图纸设计等资料请添加微信获取,微信号:bysjorg。
相关图片展示:









