基于单片机简易热水器恒温系统的设计毕业论文
2020-02-23 21:55:23
摘 要
热水器是人们在生活中必不可少的家电,不管是洗浴用的热水器还是洗手盆中使用的水龙头式热水器,在人们的生活中都得到了广泛的应用。在寒冷的北方,人们更是离不开对热水器的依赖,其中,操作简单,安全便捷的电热水器是目前市场上的主流产品。为了让热水器实现智能控制,即自动开启和停止加热模式,让水温保持在一恒定值,不需要人为干涉,本次设计的主要研究内容是DS18B20温度传感器检测温度,单片机利用检测温度做温度处理,制作出一款不仅经济,而且效率较高的热水器恒温系统。系统中的DS18B20将测量温度传给单片机,由单片机根据温度的情况实时调节固态继电器的开合来控制加热棒是否加热。研究的结果表明:51单片机配合DS18B20传感器可以设计出一套热水器智能恒温系统。这一研究结果对于热水器恒温系统的改进工作具有重要的指导意义。本次设计的特色:虽然热水器恒温系统的实现有很多种方法,但是目前主流的实现方法普遍存在成本高,原理复杂的缺点;本设计所采用的方案无论是硬件还是软件实现起来都非常简单,降低成本的同时还保证了温度控制的准确性。
关键词:单片机;热水器恒温系统;智能恒温
Abstract
Water heater is an essential household appliance in people's life. Whether it is a bath water heater or a faucet type water heater used in a wash basin, it has been widely used in people's lives. In the cold north, people are inseparable from the dependence on water heaters. Among them, simple, safe and convenient electric water heaters are the mainstream products on the market. In order to allow the water heater to achieve intelligent control, that is automatically open and stop the heating mode, so that the water temperature is maintained at a constant value, without human intervention, the main research content of this design is the DS18B20 temperature sensor detection temperature, microcontroller temperature detection using the detection temperature, A water heater thermostat system that is not only economical but also highly efficient is produced. The DS18B20 in the system transmits the measurement temperature to the SCM. The SCM controls the opening and closing of the SSR in real time according to the temperature conditions to control whether the heating bar is heated. The result of the research shows that a single-chip microcomputer with DS18B20 sensor can design a water heater intelligent constant temperature system. This research result has important guiding significance for the improvement of the constant temperature system of water heaters. The characteristics of this design: Although there are many ways to implement the water heater thermostat system, the current mainstream implementation methods have the disadvantages of high cost and complicated principle; the solution adopted in this design is very simple to implement both hardware and software. While reducing costs, it also ensures the accuracy of temperature control.
Key Words: MCU; Water heater thermostat system; Intelligent constant temperature
目 录
第1章 绪论 1
1.1 研究的背景、目的和意义 1
1.2 国内外研究现状 1
1.3 课题研究内容及预期目标 2
1.3.1 课题研究内容 2
1.3.2 预期目标 3
第2章 系统总体方案设计与论证 4
2.1 单片微控制器方案的选择与论证 4
2.1.1 采用STM32F103微控制器 4
2.1.2 采用STC89C52微控制器 5
2.2 温度检测模块方案的选择与论证 5
2.2.1 采用热电偶测温 5
2.2.2 采用温度芯片DS18B20测温 5
2.3 温控模块方案的选择与论证 6
2.3.1 采用PID进行温控 6
2.3.2 采用继电器进行温控 6
2.4 按键功能模块方案的选择与论证 7
2.4.1 采用矩阵键盘 7
2.4.2 采用独立键盘 7
2.5 温度显示模块方案的选择与论证 8
2.5.1 采用LCD显示温度 8
2.5.2 采用数码管显示温度 8
2.6 加热器方案的选择与论证 9
2.6.1 采用“热得快”加热 9
2.6.2 采用加热棒加热 9
第3章 系统总体硬件电路设计 10
3.1 系统硬件框图设计 10
3.2 硬件模块电路设计 11
3.2.1单片机最小系统 11
3.2.2 温度检测模块 11
3.2.3 温度控制模块 12
3.2.4 按键功能模块 13
3.2.5 温度报警模块 13
3.2.6温度显示模块 14
第4章 单片机程序设计 17
4.1 主程序的设计 17
4.2温度获取并转换子程序 18
4.3温度读取子程序 19
4.4 温度显示子程序 20
4.5温度处理子程序 21
4.6 独立按键扫描子程序 22
4.7定时器中断子程序 23
第5章 系统仿真调试 25
5.1 仿真软件Protues 25
5.2系统仿真调试过程 25
5.2.1系统温度控制仿真调试 26
5.2.2 按键功能仿真调试 28
5.3系统仿真调试结果 31
第6章 实物制作及演示 32
6.1 实物制作 32
6.2 实物演示 33
6.2.1 温度控制演示 33
6.2.2 按键功能演示 35
第7章 结论 37
参考文献 38
附录A 设计程序 40
致 谢 47
第1章 绪论
掌控温度可以帮助我们实现许多物品的生产制造。如生活中,电饭煲掌控好温度可以煲出米饭,烤箱掌控好温度可以烤出面包;在生产中,对于温度的掌控不仅可以炼铁炼钢等,还能在生产过程中提高生产效率、节约能源的使用[1]。所以,温度的测量和采集处理在生产生活的方方面面都受到了人们的重视,人们耗费金钱和精力去改良温度的测量和采集方法[2]。
传统的温度获取方法是通过热电阻和热电偶等热敏元器件去得到与温度相对应的电压信息,然后将电压信息转换成温度信息[3]。这一实现方法需要较为复杂的硬件电路作为支持,转换过程耗费时间较长,成本高、可靠性差、精度低,还难以满足高速的控制要求[4]。为了达到更高精度和更高控制速度的要求,目前广泛采用的温度采集处理方法是:利用集成度更高的温度传感器去测量温度,直接得到温度的实际数值,然后与单片微控制器之间进行读写操作,将测量所得的温度信息传递给单片微控制器,单片微控制器可直接利用测量得到的温度去做出相应的控制判断[5]。这种方法精度高、速度快、硬件成本低,是提高温度控制技术指标的良好方法[6]。
1.1 研究的背景、目的和意义
在大力提倡低碳生活的今天,人们越来越倾向于使用电力这样一种低碳的清洁能源。另外,电力驱动的设备比使用燃气的设备要安全得多[7]。在热水器使用方面,电热水器比起燃气热水器,安全性更是要高出不少。燃气热水器在使用中存在燃气泄漏和一氧化碳中毒的风险,因此而造成死亡的新闻每年都屡见不鲜[8]。所以,燃气热水器的销量每年都在下降,更加安全、更加智能的电热水器因受到消费者的喜爱而销量大增 [9]。
就目前而言,信息技术已经发展得非常成熟,生活生产中关于信息技术的应用例子也越来越多,电热水器信息化、智能化是未来的发展方向 [10]。老式的电热水器采用的是手动的方式调节温度,即按下加热按钮对水进行加热,到达预定的水温后按下停止按钮结束加热,水温下降后又要再次按下加热按钮[11]。这种热水器操作起来不方便,需要有人在现场进行看管,人为地及时作出调整,也无法精确地把控住温度。智能技术的应用使得先进的热水器可以做到恒温控制,即自动开启和停止加热模式,让水温保持在一恒定值,不需要人为干涉[12]。
1.2 国内外研究现状
恒温热水器按照使用能源的不同可以分为燃气式恒温热水器和电力式恒温热水器[13]。西方发达国家的家电企业研究起步较早,技术积累较为雄厚,所以这两种热水器产品都做得相当出色。燃气式恒温热水器指的是,使用燃气驱动的、在进水量和进水温度发生变化的情况下,可以调整燃气的输入量来保证出水温度保持不变的热水器 [14]。燃气式恒温热水器是这样实现恒温的:通过水流量传感器和水温传感器测出进水的流量和温度,微控制器就可以根据这两个关键的信息调节燃气的进气量。除了控制燃气的进气量,燃气式恒温热水器还可以调节火排的数量来控制水温 [15]。
电力式恒温热水器还可以细分为快热型、储水型和即热型 [16]。快热型、储水型的恒温原理是利用冷热水混水阀,调节出水口冷水和热水的比例,进而使水的温度合适。即热型的电热水器没有混水阀,其原理与燃气式恒温热水器有些类似。在即热型电热水器的进水口也安装有测量水温和水流速的传感器,传感器将水温和水流量的电信息传给微控制器,由微控制器调节电阻丝的发热功率进而来调节水温[17]。
我国在智能控制技术的起步较慢,但是近几年随着我国科技的不断进步,在恒温热水器领域的进步也十分明显。我国家电制造企业很多都已经跻身世界家电企业的前列,这些企业生产的燃气式恒温热水器和电力式恒温热水器也已经达到世界先进水平[18]。
1.3 课题研究内容及预期目标
1.3.1 课题研究内容
本次毕业设计的是基于单片机简易热水器恒温系统,主要由单片机最小系统、温度检测模块、按键功能模块、温度显示模块、温度控制模块和加热模块六个模块组成。其中单片机的选择较为丰富,可以是8位机也可以是32位机,单片机的程序设计可以丰富化,如加入单片机参数掉电保存功能;温度检测模块有多种测温的选择,包括传统的热电偶测温,以及较为先进的温度传感器测温;温度显示模块既可以采用LCD液晶显示屏,也可以使用简单方便的共阴极数码管来显示温度,要求温度显示精度为0.1℃;按键功能模块要有设置键,参数加键,参数减键。最后,整个系统具有水温参数设置功能(通过设置键进入设置界面,按下参数加和参数减可以设置温度上限报警参数和下限报警参数,H代表上限参数值设置,L代表下限参数值设置)。
1.3.2 预期目标
整体的恒温实现过程如下:系统刚上电的时候,若检测到的温度在上下限温度之间,继电器断电、开关悬空,加热棒停止工作。当温度下降到下限温度后,系统发出报警,加热棒开始工作;水温重新回到温度区间时,继电器保持闭合状态,持续加热。当水温上升到上限温度以上时,系统发出报警,加热棒停止加热。之后水温下降到温度区间以内,继电器仍然保持断开,只有当水温下降到下限温度时,加热棒才重新开始加热工作,如此循环实现水温的恒定。
第2章 系统总体方案设计与论证
在进行系统的总体方案设计与论证时,首先要确定系统由哪些硬件模块构成。通过对设计需求的分析可以得知,本次设计的系统共有六大硬件模块,具体的系统硬件框图如下图所示。由图可知,设计之前需要对单片微控制器、温度检测模块、温度控制模块、按键功能模块、温度显示模块、加热模块这六部分进行论证和选择。

图2.1 系统硬件框图
2.1 单片微控制器方案的选择与论证
2.1.1 采用STM32F103微控制器
STM32F103微控制器是32位ARM芯片中应用较为广泛的一款芯片。该款芯片的存储容量有多种可供选择,用户可以根据需求从16K到512K之间进行变化选择。STM32F103微控制器的内核是Cortex-M3,性能非常强大,从其72MHz的最大工作频率就可以看出。这款芯片包含3个ADC和1个DAC。单片机最重要的功能——定时器其有11个。STM32F103微控制器还支持多种接口模式,包括USART、USB以及IIC等。值得一提的是,STM32F103微控制器具有别的微控制器所不具有的超低功耗,因为其工作电压最低位2.0V,最高也不过3.6V,所以功耗非常低。
虽然STM32F103性能优越的同时功耗还很低,但是相应的采购成本较高,且实现水温控制不需要如此强大的芯片。如果采用STM32F103进行本次设计显得“大材小用”,还白白增加采购费用,所以这不是最佳的方案。
2.1.2 采用STC89C52微控制器
STC公司推出的最为成功的几款芯片就是基于51内核的STC系列51单片机芯片。这里介绍其中的一款较为成熟的产品——STC89C52。STC89C52具有512B的RAM和8KB的Flash。STC89C52微控制器有基本的定时器/计数器功能——定时器T0、定时器T1、定时器T2。标准工作电压为5V,标准工作频率为48MHz。
从以上的介绍可以看出,STC89C52微控制器远没有STM32F103微控制器的性能,但是STC89C52微控制器提供的功能已经可以满足本次设计的要求,且使用STC89C52微控制器实现本次设计和使用STM32F103微控制器实现本次设计没有本质上的区别,但51单片机的程序编程显然要比STM32简单得多,STC89C52单片机的单价也比STM32F103便宜得多。所以,本次设计的微控制器采用STC89C52。
2.2 温度检测模块方案的选择与论证
2.2.1 采用热电偶测温
基于温差电效应的热电偶测温是比较早期的一种测温方案,使用较为广泛也比较成熟。热电偶测温过程如下:两种不同材料的导体连成回路,连接点处的就会形成电动势,若把两个连接点分别置于不同的温度中,回路中就会有电流产生。然后设计一个AD转换电路,将采集到的电压电流信息进行AD转换后送单片机处理,最后得到相对应的温度值。热电偶的测温范围很宽,但是热电偶的缺点也很明显:由于温差电动势在回路中产生的电压和电流非常小,极容易被噪声信号掩盖,影响测温的准确性。此外,温度漂移较高也是重要缺点之一。
2.2.2 采用温度芯片DS18B20测温
若要实现从零下几十度到一百多度以上的测温,热电偶的温度漂移现象将使得其无法正常工作,这时需要使用温度传感器,如DS18B20温度传感器来测温(测温范围-55℃~ 125℃)。DS18B20的测温分辨率是可以调节的,使用者可以选择编程的位数来选择需要的分辨率,分辨率最高可达0.0625℃。热电偶输出的是温度的电信号,需要借助辅助电路来转换,而DS18B20输出的是温度的数值信息,其将温度转换为数数字信息的速度非常快,在0.5℃分辨率时,在94ms内可以把温度转换成数字并输出给单片机。另外,“温漂”现象在DS18B20上并不明显。
综上所述,热电偶的价格便宜,工作温度范围很宽,且体积小便于布置,但是热电偶的容易受到影响产生线性误差,且热电偶的分辨率较低;热电偶具有的优点DS18B20温度传感器也都具备,性能也更优,且不易产生误差,所以采用DS18B20温度传感器来测温。
2.3 温控模块方案的选择与论证
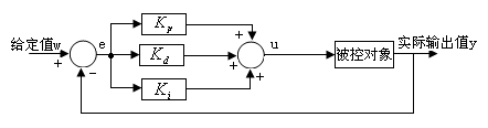
2.3.1 采用PID进行温控
PID控制器全称是比例积分微分控制器,是当今最为成熟和采用最广泛的工业控制器,其控制原理如下图所示。

图2.2 PID控制原理
PID控制的动态方程为:
u(t)=Kpe(t) Ki Kd (2.1)
Kp---比例放大系数
以上是毕业论文大纲或资料介绍,该课题完整毕业论文、开题报告、任务书、程序设计、图纸设计等资料请添加微信获取,微信号:bysjorg。
相关图片展示:









