色标传感器的设计与实现毕业论文
2020-08-11 22:47:40
摘 要
随着工业技术的发展和社会的进步,在色彩识别方面被广泛的应用于个工业检测以及自动控制的领域,在发展的过程中,对于生产过程中人眼颜色识别工作也逐渐被相应的色标传感器所代替。例如:在图书馆中管理人员往往通过对色标的识别来分类相关的文献,做到使文献更容易进行查找,食品行业也有在包装上利用到相应的色标传感器等等。然而当今的色标传感器通常的都是不带有相应的A/D转换模块的,往往只能够进行模拟量的输出而不是直接输出的数字量。想要做到进行颜色的识别,并且在输出颜色对应的RGB的值的话必须加上相应的A/D转换模块。然而TCS230颜色传感器却能够直接进行颜色的识别,并且不需要对应的A/D模块,因为它直接可以使颜色转换成对应的RGB的值进行输出,这就大大方便了颜色识别领域,使其在工业上,食品加工等上得到极大的应用。
本文是在TCS230颜色传感器的基础上通过STM32芯片实现对颜色的识别的,在设计过程中以TCS230为核心,利用STM32作为基本的控制,将进行测量出来的颜色再通过LCD1206将其显示出来。在设计中运用了颜色识别的算法,利用白平衡原理使得数据更加的准确。
关键字:TCS230颜色传感器;STM32;LCD1602A;色标传感器
Abstract
With the development of industrial technology and social progress, in the field of color recognition is widely used in industrial detection and automatic control of the field.In the development process, for the production process of human eye color recognition work is gradually the corresponding color Standard sensor instead. For example: in the library managers often through the identification of the color to classify the relevant literature, so that the literature easier to find, the food industry has also used in the packaging to the corresponding color sensor and so on. However, today's color sensor is usually not with the corresponding A / D conversion module, often only to the analog output rather than the direct output of the digital. It is necessary to perform the recognition of the color, and the corresponding A / D conversion module must be added to the output RGB value. However, the TCS230 color sensor is able to directly identify the color, and does not need the corresponding A / D module, because it can directly convert the color to the corresponding RGB output, which greatly facilitates the field of color recognition, Industry, food processing, etc. have been greatly applied.
The design is based on the TCS230 color sensor on the basis of STM32 chip to achieve the identification of color, in the design process to TCS230 as the core, the use of STM32 as a basic control, will be measured out of color and then through the LCD1206 to show it.In the design,using color recognition algorithm and white balance principle makes more accurate for the data.
Key words: TCS230 color sensor STM32 LCD1602A color mark sensor
目录
第1章 绪论 1
1.1 研究背景 1
1.2 主要工作及意义 1
1.2 本章小结 2
第1章 色标传感器及颜色识别技术介绍 3
2.1 色标传感器技术 3
2.2颜色识别 3
2.3 颜色识别算法 4
2.4 本章小结 5
第3章 色标传感器的硬件设计 6
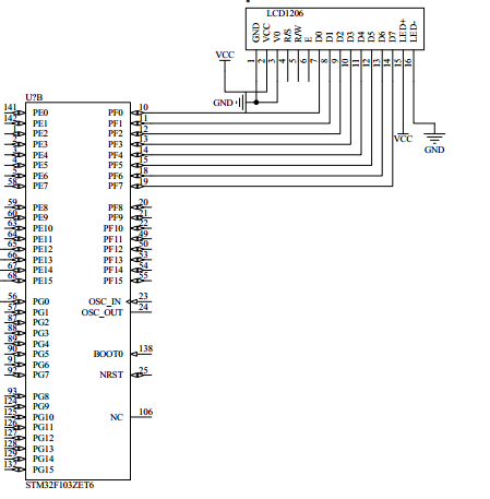
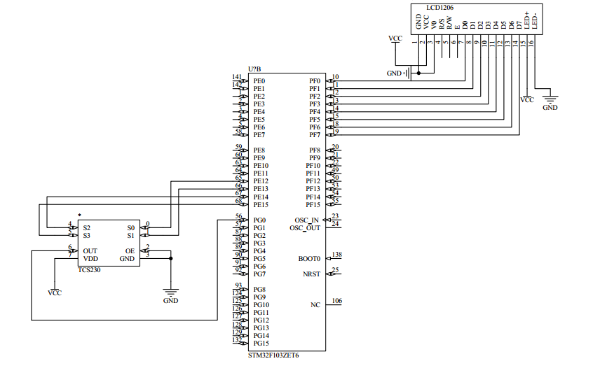
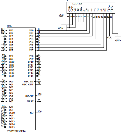
3.1 STM32的基本介绍 6
3.2 光电检测及信号处理模块 6
3.3 TCS230的电路设计 6
3.3.1 TCS230的特点 7
3.3.2 TCS230的电路模块 7
3.3.3 TCS230边缘扩展电路 8
3.4 LCD1602A的电路设计 9
3.5 本章小结 11
第4章 色标传感器的软件设计 12
4.1 光源及光电转换 12
4.2 TCS230颜色采集模块 13
4.3 信号阀值调节 17
4.4 液晶显示LCD1602A模块 17
4.5实验测试及分析 19
4.5.1 实验测试 19
4.5.2 实验数据分析 20
4.6 本章小结 20
第5章 结论与展望 21
5.1 结论 21
5.2 展望 21
致谢 23
参考文献 22
第1章 绪论
色标传感器对特定色标或物体上的斑点进行检测鉴定,它是根据对非色标区进行对比来实现检测的,通过对目标区的散射光进行识别而不是直接接收反射光,在工业上,食品加工行业等等都有较为广泛的应用。
研究背景
色标传感器与人们生活息息相关的,它的原理是通过与非色标区的对比进行检测,而色标传感器的主要部分就是在于色彩的识别。色彩是丰富的,世界也正是因为有了颜色才会变得如此的美丽动人,而很早以前人们却不知道颜色是可以量化的,只能用一个大概的说法表示它,比如:这种色彩鲜艳,那种色彩较浓等等。对色彩的识别只能够用人眼睛来实现,对不是很明显区别的色彩很容易犯错导致很大的后果。然而,随着科技的发展,颜色传感器代替了人们,使色彩变成了可以量化的东西,人们可以通过颜色传感器进行色彩的识别,把它们拆成具体的数值来表示,不同的数值一眼就看出来了,清晰明了。但是很多色彩识别的传感器本身是无法直接进行色彩到数字量的转换的,它需要通过增加一个A/D转换模块才能够实现。但是随着TCS230颜色传感器的出现,这一问题得到解决。TCS230颜色传感器可以直接进行把对应的颜色识别成相应的RGB的值。
色标传感器主要通过接收目标物体的反射光进行检测。然而目前,我国再色标传感器领域上仍然相对落后,高端的色标传感器不能够很好的应用在市场上面,而国外的设备又相当的贵。所以设计出识别精度高,可靠性强,价格合适的产品具有重要的意义。
相关图片展示:








        
            
